YSM40-100_cwd_je.pdf - 第15页
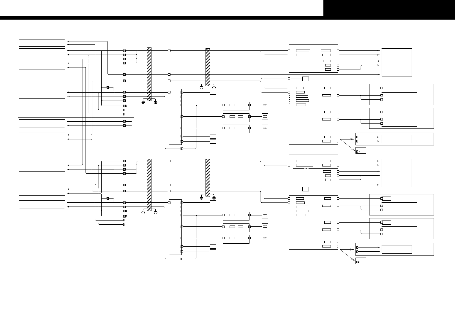
Confidential & P roprietary P A G E CN2 HP CN2 CN1 CN6 CN7 CN8 MOTOR PWR IC PWR DO IN SELECT HEAD TYPE DO IN DO0 DO1 CN3 HP CN1 HP CN3 DO OUT CN31 J0251 CN43 J0044 I/O CONVEYOR -3- 48V/24 V/EMG IC POW 48V POW CN4 HP …

Confidential & Proprietary
PAGE
J0005
J0007
S10
KM11 A1 KM11 A2
U53
V53
U53
V53
V55
W55W53
U55
W53
KM11 21
KM11 53
KM11 22
KM11 54
J0006
J0063
J0255
SRV C/R 1
POWER CIRCUIT -2-
POWER CIRCUIT -1-
QF51
CN38
NF11
POWER CIRCUIT -1-
I/O CONVEYOR -3-
See Page 3
See Page 2See Page 2
21 22
73 74
83 84
53 54
A1 A2
1/L1
5/L3
4/T2
6/T3
2/T1
3/L2
61 62
KM11/KM11A
J0309
CN14
I/O CONVEYOR -1- KM11 74KM11 73
KM11 62KM11 61
KM12 A1 KM12 A2
KM12 22
+48VA +48VC
KM12 54
KM12 21
KM12 53
POWER CIRCUIT -2-
J0260
J0065
See Page 3QF55
QF54
J0263
KM14 22
KM14 A2KM14 A1
+48VA +48VD
KM14 54
KM14 21
KM14 53
A1 A2
21 22
54
1/L1 2/T1
53
5/L3
3/L2 4/T2
6/T3
73 74
83 84
61 62
KM12/KM12A
KM12 62KM12 61
POWER CIRCUIT -1-
S11
KM13 A1 KM13 A2
U53
V53
W53
U53
V53
W57
V57
U57
KM13 21
KM13 53
KM13 22
KM13 54
J0008
J0064
J0803 *1
SRV C/R 2
POWER CIRCUIT -2-
POWER CIRCUIT -1-
QF52
See Page 2
See Page 3
KM13/KM13A
KM13 74KM13 73
21 22
73 74
83 84
53 54
A1 A2
1/L1
5/L3
4/T2
6/T3
2/T1
3/L2
61 62 J0257KM13 62KM13 61
KM15 A1
KM15 21
KM15 53
KM15 22
KM15 A2
KM15 54
+48VB +48VE
CV C/R
POWER CIRCUIT -2-J0070
See Page 3
A1 A2
21 22
54
1/L1 2/T1
53
5/L3
3/L2 4/T2
6/T3
73 74
83 84
61 62
A1 A2
21 22
54
1/L1 2/T1
53
5/L3
3/L2 4/T2
6/T3
73 74
83 84
61 62
KM14/KM14A
KM15/KM15A
KM15 74KM15 73
KM15 62KM15 61
KM14 61 KM14 62
KM16 A2KM16 A1
S12
U5A J0807 *1
ATS PWR
POWER CIRCUIT-3-
See Page 4
V5A
U53
V53
U53
V53
W5A
J0363
FDR RELAY
J0049QF42/43
XT42
J0310
FDR KM
J0362
CN21
I/O CONVEYOR -2-
QF34
See Page 2
POWER CIRCUIT -3-
See Page 4
KM16 13 KM16 14
1
513
9
14
15
16
2
3
4
6
7
8
10
11
12
KA01 13
KA01 9
KA01 14
KA01 10
KA01 5
KA01 1
KA01 6
KA01 2
KM17 13 KM17 14
KM17 A1 KM17 A2
S13
V5B
U5B
ATS PWR
J0808 *1
KM17/KM17A
FDR 0V
KM17 74
KM17 84KM17 83
KM17 73
A1 A2
73 74
83 84
54
1/L1
3/L2
5/L3
2/T1
4/T2
6/T3
63
53
64
13 14
U65
FDR PWR
J0050
U6B
KM17 14 ADAPTER PARTS SUPPLY
CART+24V
KA01
KM16/KM16A
KM16 84
KM16 74KM16 73
KM16 83
U6AU65
KM16 14
POWER CIRCUIT-3-
See Page 4
POWER CIRCUIT-3-
See Page 4
J0809 *1
U53
V53
W5BW53
J0806 *1
W53
W53
J0804 *1
A1 A2
73 74
83 84
54
1/L1
3/L2
5/L3
2/T1
4/T2
6/T3
63
53
64
13 14
KM12 54
KM14 54
SAFE UNIT
KM IN/OUT
NC/CART
ADAPTER PARTS SUPPLY
CART EMG
J0261
KM10 14
KM10 24
KM10 A1
KM10 A2
KM10 T11
KM10 T12
A2
A1
T11
T12
13
23
33
41
14
24
34
42
T22
T31
T32
T21
DC
LOGIC
KM10
AC
K1
CH1 CH2
K2
KM10 T31
KM10 T32
KM10 T22
KM10 13
KM10 23
See Page 18
See Page 11
See Page 9
See Page 10
See Page 18
W53
W65 W6A
W65 W6B
CC.V3
12
SAFETY UNIT
YSM40-2

Confidential & Proprietary
PAGE
CN2
HP CN2
CN1
CN6
CN7
CN8
MOTOR PWR
IC PWR
DO IN
SELECT HEAD TYPE
DO IN
DO0
DO1
CN3
HP CN1
HP CN3
DO OUT
CN31
J0251
CN43
J0044
I/O CONVEYOR -3-
48V/24V/EMG
IC POW
48V POW
CN4
HP CN4J0401
CAMERA SEL POW
J0071
FLEXIBLE
XP/H POW
HI CN6
HI CN7
HI CN8
POW BOARD ASSY P041
I/O BOARD ASSY P042
INC ENC FX
INC ENC RX
SERVO C/R
LAN
LAN
LINEAR SCALE
XP
CAM
CN4
J0302
1IN
JB1 X ORGX JUNC INJ0322
JUNCTION BOX
CN4CAM1
CN7LIGHT1
CN1 CPU J-TAG
CN2 FPGA J-TAG
CN3 RS-232C
CN11 DC24V
CN5 CAMOUT
CAMOUT
CSEL CN11
FIDUCIAL CAMERAD.CAM1
CN1
CAM
N01002C2
CAM1
LIGHT1
FIDUCIAL CAMERA
J0751
SYSTEM C/R
REMOTE I/F LAN2
REMOTE I/F LAN1
J0178
J0179
J0180
J0405
J0409
J0413
J0417
J0705
J0713
H EMG
H+24V
H+48V
XP
HC EMG
HC+24V
FXP
HC+48V
LANFH LAN
CAMF HEAD
X DIXC DI
XC OT
HA EMG
H EMG
J0277
CAMERA SELECTOR
SYSTEM C/R
J0701
J0702
J0701
J0702
VISION1 CAM2
VISION1 CAM4
CAM
CAMF HEAD
HA+24V
XA DI
XA OT
X OT
J0268
R HEAD
BASE CAMSEL A CAM2
BASE CAMSEL B CAM2
J0666
FLEXIBLE
J0075
J0182
J0707
J0668
J0349Y FAN2FY FAN2J0306
CN9
I/O CONVEYOR -1-
HEAD A I/O UNIT ASSY
HEAD A CAMERA SELECTOR P043
XA-AXIS ORIGIN
HEAD A/B CAM(SIDE VIEW Spec.)
DUCT XA
DUCT YA
SQ007
SQ143
XA-AXIS
FL HEAD See Page 16
MU HEAD See Page 15
HS HEAD See Page 14
See Page 7
See Page 11
See Page 8
See Page 9
See Page 17
See Page 7
J0113
J0116
2
7
8
JB8 X OT2
JB7 X OT1
XT75
JB6 Y FAN
6 PNPCN2 CN1NPN
PNP CHANGER BRD ASSY
Y FAN
JB5 X FAN
PNPCN2 CN1NPN
PNP CHANGER BRD ASSY
X FAN
5
PNPCN2 CN1NPN
PNP CHANGER BRD ASSY
4
Y FAN2JB4 Y FAN2
Y FAN
X FAN
Y FAN
N01002C5
N01002C6
N01002A2
N0100450
N0100447
3
SPARE
J0341
J0345
J0346
Y FAN2
YA2 MOTOR
XA MOTOR
YA1 MOTOR
SQ029
SQ030
XA-AXIS OVER TRAVEL 1
XA-AXIS OVER TRAVEL 2
FAN 38
FAN 20
FAN 24
P130
P136
P137
SPARE
FIDUCIAL CAMERA
CN1
CAM
CN9LIGHT2
CN6CAM2 D.CAM2
CAM2
LIGHT2
FIDUCIAL CAMERA
J0752
J0714
BOARD ASSY
FID.MAIN LIGHT
CN2
LIGHT L
TEMP L
LINEAR SCALE
XP
LAN
LAN
HP CN2
CN2 CN1
CN6
CN7
CN8
MOTOR PWR
IC PWR
DO IN
SELECT HEAD TYPE
DO IN
DO0
DO1
CN3
HP CN1
HP CN3
DO OUT
POWER CIRCUIT -2-
48V/24V/EMG
IC POW
48V POW
CAMERA SEL POWCN4
HP CN4
See Page 3
XP/H POW
HI CN8
HI CN7
HI CN6
J0072
J0067
J0069
J0402
FLEXIBLE
CN4CAM1
CN7LIGHT1
CN1 CPU J-TAG
CN2 FPGA J-TAG
CN3 RS-232C
CN11 DC24V
CN5 CAMOUT
CAMOUT
CSEL CN11
FIDUCIAL CAMERA
CN1
CAM
CAM
1IN
JUNCTION BOX
JB1 X ORGX JUNC IN
CN5
J0303
N01002D5
D.CAM3
J0753
POW BOARD ASSY P044
I/O BOARD ASSY P045
CAM1
LIGHT1
FIDUCIAL CAMERA
J0181
J0323
J0406
J0410
J0414
J0418
J0706
J0715
QF54/XT31
QF55/XT31
LANRH LAN
H EMG
H+24V
H+48V
XPRXP
HD+48V
HD EMG
HD+24V
CAMR HEAD
X DIXD DI
I/O CONVEYOR -3-
CN44
CN32
J0045
J0252
XD OT
FLEXIBLE
J0669
J0076
J0183
J0708
Y FAN2RY FAN2
H EMG
HB EMG
J0278
XB DI
HB+24V
J0269
X OT
XB OT
J0306
CN9
I/O CONVEYOR -1-
J0350
J0667
XB-AXIS ORIGIN
HEAD B I/O UNIT ASSY
HEAD B CAMERA SELECTOR P046
DUCT YB DUCT XB
SQ008
SQ144
XB-AXIS
HS HEAD See Page 14
MU HEAD See Page 15
FL HEAD See Page 16
See Page 11
See Page 9
2
4
JB5 X FAN
PNPCN2 CN1NPN
PNP CHANGER BRD ASSY
JB5 X FAN
PNPCN2 CN1NPN
PNP CHANGER BRD ASSY
X FAN
5
JB6 Y FAN
6 PNPCN2 CN1NPN
PNP CHANGER BRD ASSY
Y FAN
Y FAN2
X FAN
Y FAN
Y FAN
N01002A3
N01002E0
N01002E1
3 SPARE
J0342
J0347
J0348
7
8
JB8 X OT2
JB7 X OT1
XT76
N0100455
N0100456
Y FAN2
SQ031
SQ032
XB-AXIS OVER TRAVEL 1
XB-AXIS OVER TRAVEL 2
YB2 MOTOR
XB MOTOR
YB1 MOTOR
P140
P139
P138
FAN 21
FAN 25
FAN 39
SPARE
EL01
FIDUCIAL LIGHT
HEAD LEFT
CN2
CN8CAM3
CN10LIGHT3
CAM
LIGHT
HS HEAD SIDE VIEW CAMERA
CAM3
LIGHT3
LIGHT3
J0781
HS SIDE VIEW CAMERA
For MU/FL HEAD
See Page 14
FIDUCIAL LIGHT
EL02
HEAD RIGHT
P102
P101
TEMP R
LIGHT R
FIDUCIAL CAMERA
CN1
CAM
CN9LIGHT2
CN6CAM2 D.CAM4
J0754
CAM2
LIGHT2
FIDUCIAL CAMERA
J0716
P104
FIDUCIAL LIGHT
EL04
HEAD RIGHTCN2
TEMP R
CN2
TEMP L
LIGHT R
TEMP L
BOARD ASSY
FID.MAIN LIGHT
FIDUCIAL LIGHT
EL03
HEAD LEFT
P103
CAM
LIGHT
HS HEAD SIDE VIEW CAMERA
CAM3
LIGHT3
LIGHT3
J0782
HS SIDE VIEW CAMERA
For MU/FL HEAD
See Page 14
CN8CAM3
CN10LIGHT3
FID.LIGHT BRD.ASSY
FID.LIGHT BRD.ASSY
CC.V3
13
HEAD
YSM40-2

Confidential & Proprietary
PAGE
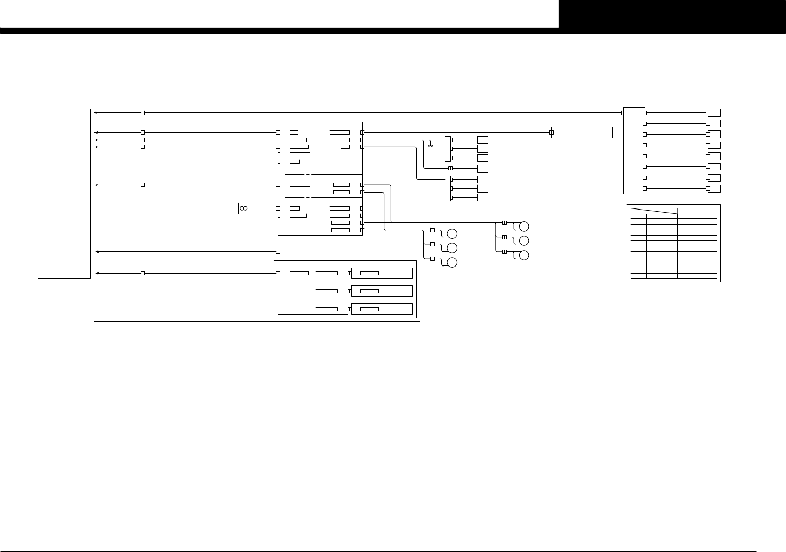
HEAD IO CN7,8
DO OUT
HEAD PANEL MOUNT
LAN
HEAD POW CN3
P.SIG
HEAD IO CN6
DO1
HEAD POW CN1
P+48V
LAN
DO OUT
P.SIG
DO1
P+48V
CN7 DO
CN6 S-POWER
CN1OPTION IF
ETHER INCN8A
ETHER OUTCN8B
CN3 DI1
CN2VAC
MOTOR 1 CN1MOTOR POW
MOTOR 2
CN1INC ENC 1
CN2INC ENC 2
CN3
CN4
BATTERYCN8
CN5
CN4
SER ENC1
SER ENC2
CN5 FAN
FAN
SRV BOARD ASSY P061
DRV BOARD ASSY P062
ENC BOARD ASSY P063
HS HEAD FAN
FAN 41
HS CN1
HS CN2J0452 J0453
J0454
J0455
J0456
HD CN1
HD CN4
HE CN3
HE CN4
M21
M22
M23
M24
M25
M26
J0458
J0459
J0460
J0451
HEAD SERVO UNIT ASSY
HEAD CAMSEL LIGHT3
HEAD CAMSEL CAM3 D.CAM21
LIGHT_INCN1
P122
S.V.LIGHT BRD.ASSY-1
S.V.LIGHT BRD.ASSY-2
S.V.LIGHT BRD.ASSY-3
P123
P124
CN2LIGHT_OUT1
CN3LIGHT_OUT2
CN4LIGHT_OUT3
CN1
CN1
CN1
LIGHT_IN
LIGHT_IN
LIGHT_IN
LIGHT DRIVER BRD.ASSY
P121
J0761 J0762
J0721
HEAD
SIDE VIEW LIGHT ASSY
HS SIDE VIEW CAMERA
1
2
3
SQ201
SQ202
SQ203
HD1 CN5
HS1 CN6
PRESS
SQ204
1
2
3
SQ205
SQ206
SQ207
CN5DI2
HS CN5 J0457
HS1 CN7
Z1PM
Z2PM
Z3PM
R1PM
R2PM
R3PM
SV CAM
SIDE VIEW CAMERA
VACUUM PRESSURE
R3 ORG
R2 ORG
R1 ORG
R1-AXIS ORIGIN
R2-AXIS ORIGIN
R3-AXIS ORIGIN
FLOW1
FLOW2
FLOW3
AIR FLOW SENSOR-1
AIR FLOW SENSOR-2
AIR FLOW SENSOR-3
Z3-AXIS xxW
SV LIGHT
SV LIGHT
□40 MAX 4500rpm
Z1-AXIS 80W
Z2-AXIS 80W
□40 MAX 4500rpm
□40 MAX 4500rpm
□40 MAX 3000rpm
□40 MAX 3000rpm
□40 MAX 3000rpm
R3-AXIS 80W
R2-AXIS 80W
R1-AXIS 80W
HEAD1 EJECTOR
HEAD2 EJECTOR
HEAD3 EJECTOR
VACUUM ON/OFF
SHAFT BLOW
YV204
YV205
YV206
YV207
YV208
EJC1
EJC2
EJC3
VACUUM
SHAFT
FLOW
R ORG
Item nameItem No.
R1-AXIS ORIGIN
HEAD A HEAD B
R2-AXIS ORIGIN
N1301005
N1301006 N1305006
N1305005
N1305007N1301007R3-AXIS ORIGINSQ207
SQ206
SQ205
YV201
YV202
YV203
YV204
YV205
YV206
YV207
YV208
T1300700
T1300701
T1300702
HEAD1 SWITCH
HEAD2 SWITCH
HEAD3 SWITCH
HEAD1 EJECTOR
HEAD2 EJECTOR
HEAD3 BLOW
VACUUM ON/OFF
SHAFT BLOW
T1300703
T1300704
T1300705
T1301700
T1301704 T1305704
T1305700
T1304705
T1304704
T1304703
T1304702
T1304701
T1304700
The I/O Address table of HS HEAD
HEAD Position
HEAD1 SWITCH
HEAD2 SWITCH
HEAD3 SWITCH
YV201
YV202
YV203
H1SW
H2SW
H3SW
See Page 13
1IN
JUNCTION BOX
2
3
4
5
6
7
8
XT81
HEAD DO
CN1
IR POS CN1
IR POS SENS BRD ASSY
P064
JB7 VAC
JB4 EJC1
JB5 EJC2
JB6 EJC3
JB3 H3SW
JB2 H2SW
JB1 H1SW
JB8 SHAFT
J0461
J0462
J0463
J0464
J0465
J0466
J0467
J0468
CC.V3
14
HS HEAD
YSM40-2