YSM40-100_cwd_je.pdf - 第9页
Confidential & P roprietary P A G E CAM1(HAL F) V1 CAM1 CAM2(FUL L) CAM3(HAL F) V1 CAM3 V1 CAM2 CAM4(FUL L) V1 CAM4 TRG1 TRG2 J0201 ON OFF SYSTEM CONTROL BOX ASSY A01 REMOTE IF SW2 VISION 1 1 2 LAN1 LAN2 LAN3 LAN4 IF…

Confidential & Proprietary
PAGE
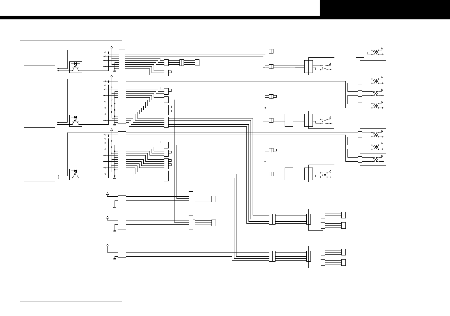
EMERGENCY
CIRCUIT -1-
EMERGENCY
CIRCUIT -1-
EMERGENCY
CIRCUIT -1-
FR GOOD IN
FR GOOD OUT
F GOOD OUT
F GOOD IN
R GOOD OUT
R GOOD IN
2
3
4
5
6
7
8
9
10
1
2
3
4
5
6
7
8
9
10
1
A1
B1
A2
B2
A3
B3
A1
B1
A2
B2
A3
B3
A5A5
A4 A4
B4B4
B6B6
B5
A6
B5
A6
A8
B8
A9
B9
A8
B8
A9
B9
A7
B7 B7
A7
A11
B11
A11
B11
A10
B10 B10
A10
CN33
+24V-32
CN33
CN31 CN31
+24V-30
A1
B1
A2
B2
A3
B3
A1
B1
A2
B2
A3
B3
A5A5
A4 A4
B4B4
B6B6
B5
A6
B5
A6
A8
B8
A9
B9
A8
B8
A9
B9
A7
B7 B7
A7
A11
B11
A11
B11
A10
B10 B10
A10
+24V-31
CN32 CN32
3
2
1
3
2
1
3
2
1
3
2
1
4
5
4
5
3
2
1
3
2
1
4
5
4
5
XA OT
XC OT
3
2
1
3
2
1
YA OT
YC OT
3
2
1
YR SAFE
3
2
1
3
2
1
3
2
1
YL SAFE
3
2
1
3
2
1
3
2
1
3
2
1
4
5
4
5
3
2
1
3
2
1
4
5
4
5
3
2
1
3
2
1
YB OT
YD OT
XB OT
XD OT
3
2
1
3
2
1
1
2
1
2
HA EMG
1
2
1
2
HC EMG
1
2
1
2
CV EMG
1
2
1
2
1
2
1
2
HB EMG
HD EMG
1
2
1
2
IF GOOD
A1A1
・ ・
・ ・
A7A7
B7B7
B10B10
XP/XPOW
A1
・ ・
・ ・
A7A7
B7B7
B10B10
XP/XPOW
GOOD
A1A1
B1
A2
B2
A3
B3 B3
A3
B2
A2
B1
GOOD
A1A1
B1
A2
B2
A3
B3 B3
A3
B2
A2
B1
CVP CN2
GOOD
1 1
・
・
8
9
10 10
9
8
XC DI
1 1
・
・
8
9
10 10
9
8
XD DI
7
8
-
+
・
7
8
-
+
・
1
2
3
GOOD
1
2
3
1
2
3
GOOD
1
2
3
SRV1 GOOD
1
2
3
GOOD
1
2
3
SRV2 GOOD
GOOD
A1
B1
A2
B2
・
B10
A1
B1
A2
B2
・
B10
1
2
3
GOOD
1
2
3
SRV3 GOOD
1
2
3
GOOD
1
2
3
SRV4 GOOD
1
2
3
GOOD
1
2
3
I/O CONVEYOR BOARD ASSY P021
PC1
SYSTEM CONTROL BOX A01
SERVO CONTROL BOX-1 A02
SERVO CONTROL BOX-2 A03
P091
D.POWER BOARD
D.POWER BOARD
SERVO BOARD 2
SERVO BOARD 3
SERVO BOARD 4
SERVO BOARD 1
SQ033
SYS C/R GOOD/N0100433
CV C/R GOOD/N0100434
YR SAFE/N0100441
YL SAFE/N0100442
SRV C/R1 GOOD/N0100435
FRONT HEAD GOOD/N0100436
SRV C/R2 GOOD/N0100437
REAR HEAD GOOD/N0100440
YA OT/N0100443
YC OT/N0100444
XA OT-1/N0100445
XA OT-2/N0100446
XC OT-1/N0100447
XC OT-2/N0100450
YB OT/N0100451
YD OT/N0100452
XB OT-1/N0100453
XB OT-2/N0100454
XD OT-1/N0100455
XD OT-2/N0100456
CV C/R POW BOARD ASSY
CN2
CN2
CN2
HP CN2
HP CN2
P041
P044
Y SAFE Y SAFE
See Page 5
See Page 5
See Page 5
REMOTE IF BOARD
DPOW GOOD
DPOW GOOD
X JUNC IN
X JUNC IN
PC3
PC2
RASIF RAS
GOOD
GOOD
GOOD
GOOD
GOOD
GOOD
B3 B3
A3A3
B2 B2
A2A2
B1
A1A1
B1
A1
7
8
-
A
B
C
A
B
C
7
+
・
JB7 X OT1
A
B
C
A
B
C
8 JB8 X OT2
7
8
-
A
B
C
A
B
C
+
・
JB7 X OT1
A
B
C
A
B
C
JB8 X OT2
IN
IN
7
8
JUNCTION BOX
JUNCTION BOX
XT76
XT75
XA OT-1
XA OT-2
XB OT-1
XBOT-2
SQ032
SQ031
SQ029
SQ030
HEAD B POW BOARD ASSY
HEAD A POW BOARD ASSY
A1A1
・
・・
・
CN7 CN7
A11 A11
B13 B13
+24V-8
A1A1
・
・・
・
B13 B13
+24V-9
A11 A11
CN8 CN8
A1
B2
・
A2
C2
・
YB OT
C4
A1
B2
・
A2
C2
・
C4
A
B
C
SQ022
A
B
C
YB OT
YA OT
SQ023
Y OT
Y OT
YA OT
A1A1
・
・・
・
B8 B8
B15 B15
+24V-7
CN5 CN5
CC.V3
6
EMERGENCY CIRCUIT -2-
YSM40-2

Confidential & Proprietary
PAGE
CAM1(HALF)
V1 CAM1
CAM2(FULL)
CAM3(HALF)
V1 CAM3
V1 CAM2
CAM4(FULL)
V1 CAM4
TRG1
TRG2
J0201
ON
OFF
SYSTEM CONTROL BOX ASSY A01
REMOTE IF
SW2
VISION 1
1 2
LAN1
LAN2
LAN3
LAN4
IF LAN1
IF LAN2
USB1
J0921
VIS1 TRG1
VIS1 TRG2
BATT INCN1
BATT OUTCN2
BATT INCN1
BATT OUTCN2
POWER CIRCUIT -2-
DC48V CN2 CN4
CVP CN2
CN1
CN3
CVP CN3
CN6 DO0 CN7
DO1 CN8
CV C/R I/O UNIT ASSY
CVP CN1
CN7 DO
CN6 S-POWER
MOTOR 1 CN1MOTOR POW
MOTOR 2
CN1INC ENC 1CN5 FAN
CN2INC ENC 2
CN3
CN4
CN1OPTION IF
CV C/R SERVO UNIT ASSY
CVS CN6
CVS CN7
CVI CN7
CVE CN3
CVE CN4
CVD CN1
ETHER IN
ETHER OUT
CN8A
CN8B
J0070
48V/24V/EMG CAMERA SEL POW
CN5
CN4
DO IN
IC POW
48V POW
SER ENC1
SER ENC2
CVS CN5
CN5DI2
CN2VAC
CN3DI1
BATT BOARD ASSY-1 P096
BATT BOARD ASSY-2 P097
ENC BOARD ASSY P095
DRV BOARD ASSY P094
SRV BOARD ASSY P093
I/O BOARD ASSY P092
POW BOARD ASSY P091
CV DI
J0381
CVS CN3 J0382
CVI CN6J0383 J0384
J0385
J0386
J0387
J0388
J0389
J0390
CVD CN5
BAT1 CN2
BAT2 CN2
See Page 3
1
2
3
4
IN
5
6
7
8
JUNCTION BOX
1
2
3
4
IN
JUNCTION BOX
5
6
7
8
R CV JB
F CV JB
F CV1
F CV2
F CV3
F CV4
F CV5
R CV1
R CV2
R CV3
R CV4
R CV5
JB1 CV1
JB2 CV2
JB3 CV3
JB4 CV4
JB5 CV5
JB5 CV5
JB4 CV4
JB3 CV3
JB2 CV2
JB1 CV1
XT79
XT80
CV1P
CV1M
M13
CV1-AXIS 100W
□42 MAX 500rpm
CV2P
CV2M
M14
CV2-AXIS 100W
□42 MAX 500rpm
CV3P
CV3M
M15
CV3-AXIS 100W
□42 MAX 500rpm
CV4P
CV4M
M16
CV4-AXIS 100W
□42 MAX 500rpm
W1P
W1M
M17
W1-AXIS 100W
□42 MAX 500rpm
W2P
W2M
M18
W2-AXIS 100W
□42 MAX 500rpm
HEAD CAM SEL.BOARD(STANDARD)
+5V
BCR-SYM F
J0923 BCR-SYM F
FRONT
BARCODE
READER
A41
HEAD I/O UNIT
PARTS CAMERA UNIT SEL.
CVD CN4
SQ072
SQ073
SQ074
SQ075
SQ076
SQ079
SQ080
SQ081
SQ082
SQ083
F CV SENSOR 1
F CV SENSOR 2
F CV SENSOR 3
F CV SENSOR 4
F CV SENSOR 5
R CV SENSOR 5
R CV SENSOR 4
R CV SENSOR 3
R CV SENSOR 2
R CV SENSOR 1
N2301000/T2300700
N2301001/T2300701
N2301002/T2300702
N2301003/T2300703
N2301004/T2300704
N2301005/T2301700
N2301006/T2301701
N2301007/T2301702
N2300000/T2301703
N2300001/T2301704
CVS CN8
CVS CN8
SERVO C/R
J0178
J0179
J0709
J0710
J0203
J0701(STD)/J0731(OP)
J0702(STD)/J0732(OP)
RAS
IF RAS
IF GOOD
CN33
J0253 I/O CONVEYOR -3-J0207
UPS SIGNAL
POWER CIRCUIT -1-
See Page 2
UPS SIG
UPS(OPTION)
J0911
IT OPTION(OPTION)
SYS AC100V
PE
AC IN
J0035
J0663
USB4
AC100V
POWER CIRCUIT -1-
See Page 2
USB MEMORY
J0214
USB3
J0215
MOUSE
USB1
USB2
USB2
J0922
+5V
BCR-SYM R
J0924
BARCODE
READER
BCR-SYM R A42
REAR
1TURN
E19
E18
1TURN
SIDE VIEW CAM SEL.BOARD(OPTION)
SRV2 TRG1(XA)
SRV4 TRG1(XB)
KEYBOARD ASSY(OPTION)
KEYBOARD/MOUSE
A06
OPERATION SWITCHES
REAR
DC12V IN
VGA
SERIAL
RS232C R
J0313
TOUCH PANEL LCD2
REAR OPERATION PANEL
LCD
LCD2
1TURN
E39
FRONT
OPERATION SWITCHES
DC12V IN
VGA
SERIAL
RS232C F
J0312
TOUCH PANEL LCD1
FRONT OPERATION PANEL
LCD
LCD1
1TURN
E38
J0680
J0681
I/O CONVEYOR -2-
CN23
I/O CONVEYOR -2-
CN24
KEY
USB1
USB2
SYSTEM
USB4
USB3
I/O
IF I/O J0101
LAN1
SYS LAN1
I/O A
I/O B
FRONT FDR
REAR FDR
I/O C
J0102
J0103
J0104
CN20
I/O D
CALIB UNIT
J0931
LAN CABLE
LAN
I/O CONVEYOR -1-
I/O CONVEYOR -2-
J0184
E10
1TURN
VGA1
VGA2
SERIAL1
SERIAL2
RS2
RS1 SERIAL1
J0210
J0211
J0212
J0213
LAN2
SYS LAN2
LAN3
SYS LAN3
SRV3 ECAT IN
SERVO C/R-2
E29
E30
3TURN
3TURN
CVE CN5
BATTERYCN8
CVE CN8J0391
CV C/R FAN
FAN 44
SYS3 USB
SYS4 USBSYS4 USB
SYS3 USB
E17
2TURN
E12
1TURN
J0171
J0174
COM3
COM4
See Page 10
See Page 8
See Page 9
See Page 10
See Page 10
ADAPTER PARTS SUPPLY
See Page 18
GB11
GB12
See Page 11
See Page 13
See Page 8
See Page 17
See Page 13
See Page 17
CV+24V
J0046
CN41
CN33
CV EMG
J0253
SRV1 ECAT IN
J0172SERVO C/R-1
See Page 8
I/O CONVEYOR -3-
See Page 11
CC.V3
7
SYSTEM C/R & CONVEYOR C/R
YSM40-2

Confidential & Proprietary
PAGE
AC IN
AC100V
FAN
PE
FAN BASE
J0036
S2 AC230V
S2 AC100V
J0665
J0008
J0209
FAN 1
FAN 2
FAN 3
FAN 4
FAN 5
FAN33
FAN34
FAN35
FAN36
FAN37
SERVO C/R-2 UNDER-1
SERVO C/R-2 UNDER-2
SERVO C/R-2 UNDER-3
SERVO C/R-2 SIDE-1
SERVO C/R-2 SIDE-2
GOOD
DPOW GOOD J0252
D.POWER
TRG1
TRG2
GOOD
SRV4 TRG1
SRV4 GOOD
J0203
PU3P PU3P
PU3BK
PU3M
PU4P
PU4BK
PU4M
PU4P
J0127
J0128
□54 MAX 4500rpm
□54 MAX 4500rpm
PU4-AXIS 200W
PU3-AXIS 200W
M11
M12
ECAT IN
ECAT OUT
SRV4 LAN2 J0802 *1
M3
BRAKE
ENCODER2
SRV4 ENC2 J0116
ENCODER2 AXIS
SERVO 4
INC ENC3 : XB
SER ENC3 : XB
INC ENC4 : -
SER ENC4 : -
M2
M2 J0154
GOOD
SRV3 GOOD
ECAT OUT
TRG1
TRG2
J0175
ECAT IN
SRV3 LAN1 J0174
BRAKE
SRV3 BK J0206
J0319
E07
SER ENC3 : -
SER ENC4 : -
M2
M2
M3
M3
E33
E34
ENCODER1
ENCODER2
ENCODER1 AXIS
SER ENC1 : -
SER ENC2 : -
ENCODER2 AXIS
SERVO CONTROL BOX ASSY-2 A03
SERVO 3
INC ENC3 : PU3
INC ENC4 : PU4
SRV3 ENC1
SRV3 ENC2
J0114
J0115
INC ENC1 : YB1
INC ENC2 : YB2
M0
M0 J0153
M1
M1
E04
E05
FLEXIBLE
YP
YM
YM
XP
XM
RY1P
RY2P YP2
RXP
RY1M
RY2M
RXM
J0157
J0158
J0160
J0135
J0136
J0138
MAX 2400m/s
MAX 2400m/s
□80 MAX 4800rpm
M03
M04
M06
XB-AXIS 750W
E23
E24
E26
DUCT YB
S3 BK+24V
XDP2
XDP1
AC IN
AC100V
J0006S1 AC230V
S1 AC100V
FAN
PE
FAN BASE
J0036
J0664
J0208
FAN 1
FAN 2
FAN 3
FAN 4
FAN 5
FAN28
FAN32
FAN31
FAN30
FAN29
SERVO C/R-1 SIDE-1
SERVO C/R-1 SIDE-2
SERVO C/R-1 UNDER-1
SERVO C/R-1 UNDER-2
SERVO C/R-1 UNDER-3
GOOD
DPOW GOOD J0251
D.POWER
TRG2
GOOD
SRV2 GOOD
J0201
TRG1
SRV2 TRG1
PU1M
PU1BK
PU2P
PU2M
PU2BK
PU2P
PU1PPU1P
J0125
J0126
□54 MAX 4500rpm
□54 MAX 4500rpm
PU1-AXIS 200W
PU2-AXIS 200W
M09
M10
M3
BRAKE
ECAT IN
ECAT OUT
SRV2 LAN2 J0801 *1
ENCODER2
J0113SRV2 ENC2
XCP2
M2
M2 J0152
E06
ENCODER2 AXIS
INC ENC3 : XA
SER ENC3 : XA
SERVO 2
INC ENC4 : -
SER ENC4 : -
GOOD
SRV1 GOOD
ECAT OUT
TRG1
TRG2
XCP1
ECAT IN
SRV1 LAN1
BRAKE
SRV1 BK
S1 BK+24V
J0319
J0173
J0172
J0205
ENCODER1 AXIS
SER ENC1 : -
SER ENC2 : -
ENCODER2 AXIS
INC ENC3 : PU1
INC ENC4 : PU2
SER ENC3 : -
SER ENC4 : -
SERVO CONTROL BOX ASSY-1 A02
SERVO 1
INC ENC1 : YA1
INC ENC2 : YA2
ENCODER1
ENCODER2
SRV1 ENC1
SRV1 ENC2
J0111
J0112
M1
M1
E03
M0
M0
E02
J0151
FLEXIBLE
J0155
YP
YM
J0156
YM
J0159
XP
XM
FY1P
FY2P YP2
FXP
FY1M
FY2M
FXM
J0133
J0134
J0137
MAX 2400m/s
M01
MAX 2400m/s
M05
XA-AXIS 750W
□80 MAX 4800rpm
M02
E21
E22
E25
DUCT YA
M3
M3
M2
M2
E31
E32
HEAD
XB LINEAR SCALE
SYSTEM C/R
SYSTEM LAN3
CN39
CONVEYOR I/O -3-
AC230V
AC100V
POWER CIRCUIT -1-
See Page 2
CN32
CONVEYOR I/O -3-
PARTS ADAPTER SUPPLY
VISION BOARD
VISION1 TRG2
AC230V
AC100V
POWER CIRCUIT -1-
See Page 2
CN31
CONVEYOR I/O -3-
VISION BOARD
VISION1 TRG1
PARTS ADAPTER SUPPLY
XA LINEAR SCALE
HEAD
CV C/R SRV CN8
CONVEYOR C/R
CN39
CONVEYOR I/O -3-
YA1-AXIS 1700W
YA2-AXIS 1700W
YB1-AXIS 1700W
YB2-AXIS 1700W
See Page 11
See Page 7
See Page 18
See Page 13
See Page 7
See Page 11
See Page 11
See Page 7
See Page 18
See Page 13
See Page 7
See Page 11
SRV C/R
SRV C/R
REAR C-ATS
FRONT C-ATS
CC.V3
8
SERVO C/R
YSM40-2