YSM40-100_cwd_je.pdf - 第17页
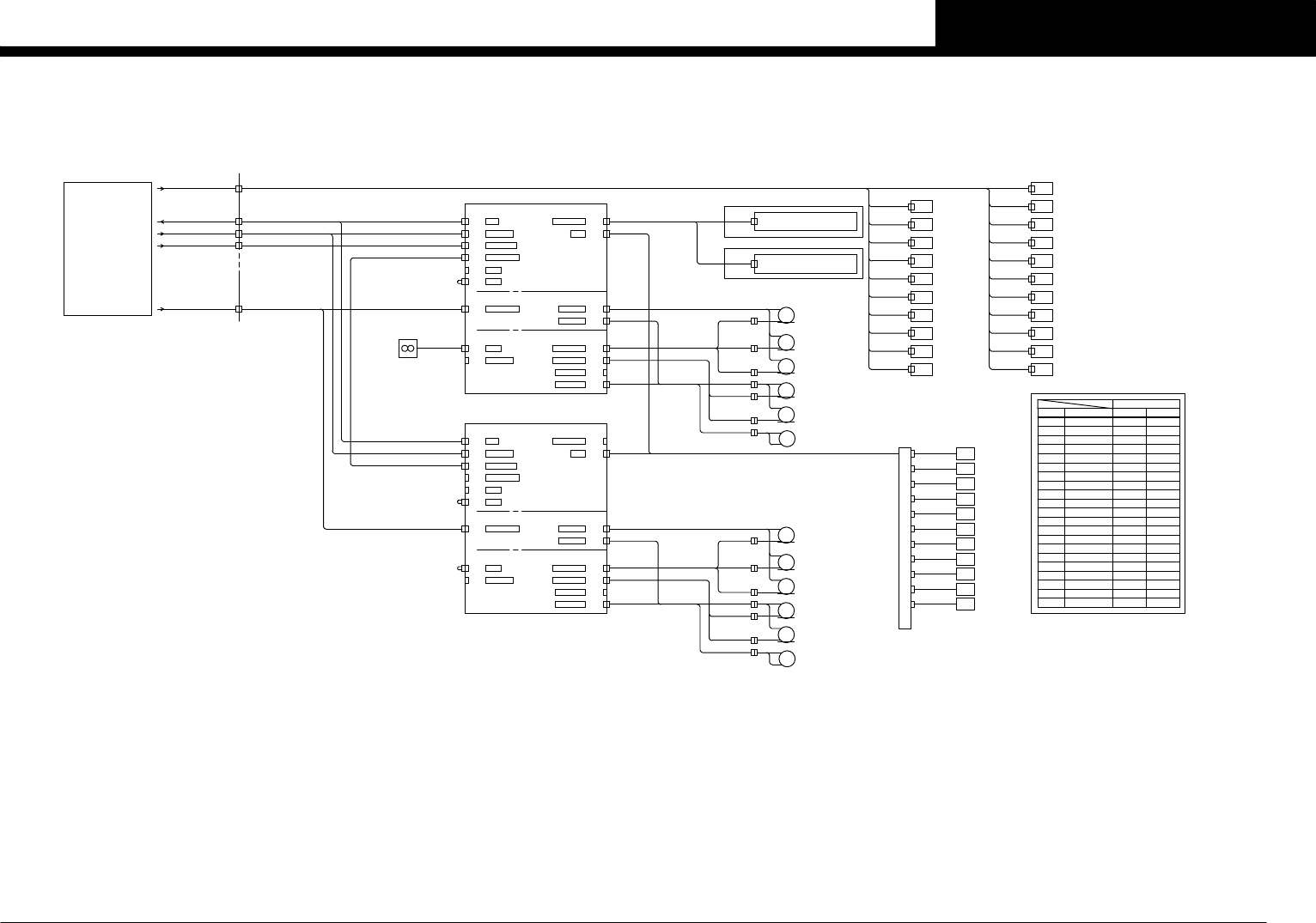
Confidential & P roprietary P A G E HEAD IO CN7,8 LAN HEAD HEAD POW CN3 HEAD IO CN6 HEAD POW CN1 DO OUT HEAD PANEL MOUNT P.SIG DO1 P+48V LAN DO OUT J0505 P.SIG J05 02 DO1 J0504 P+48V J05 01 CN7 DO CN6 S-POWE R CN1 OP…

Confidential & Proprietary
PAGE
HEAD IO CN7,8
DO OUT
HEAD PANEL MOUNT
LAN
HEAD POW CN3
P.SIG
HEAD IO CN6
DO1
HEAD POW CN1
P+48V
LAN
DO OUT
P.SIG
DO1
P+48V
CN7 DO
CN6 S-POWER
CN1OPTION IF
ETHER INCN8A
ETHER OUTCN8B
CN3 DI1
CN2VAC
MOTOR 1 CN1MOTOR POW
MOTOR 2
CN1INC ENC 1
CN2INC ENC 2
CN3
CN4
BATTERYCN8
CN5
CN4
SER ENC1
SER ENC2
CN5 FAN
FAN
SRV BOARD ASSY P061
DRV BOARD ASSY P062
ENC BOARD ASSY P063
HS HEAD FAN
FAN 41
HS CN1
HS CN2J0452 J0453
J0454
J0455
J0456
HD CN1
HD CN4
HE CN3
HE CN4
M21
M22
M23
M24
M25
M26
J0458
J0459
J0460
J0451
HEAD SERVO UNIT ASSY
HEAD CAMSEL LIGHT3
HEAD CAMSEL CAM3 D.CAM21
LIGHT_INCN1
P122
S.V.LIGHT BRD.ASSY-1
S.V.LIGHT BRD.ASSY-2
S.V.LIGHT BRD.ASSY-3
P123
P124
CN2LIGHT_OUT1
CN3LIGHT_OUT2
CN4LIGHT_OUT3
CN1
CN1
CN1
LIGHT_IN
LIGHT_IN
LIGHT_IN
LIGHT DRIVER BRD.ASSY
P121
J0761 J0762
J0721
HEAD
SIDE VIEW LIGHT ASSY
HS SIDE VIEW CAMERA
1
2
3
SQ201
SQ202
SQ203
HD1 CN5
HS1 CN6
PRESS
SQ204
1
2
3
SQ205
SQ206
SQ207
CN5DI2
HS CN5 J0457
HS1 CN7
Z1PM
Z2PM
Z3PM
R1PM
R2PM
R3PM
SV CAM
SIDE VIEW CAMERA
VACUUM PRESSURE
R3 ORG
R2 ORG
R1 ORG
R1-AXIS ORIGIN
R2-AXIS ORIGIN
R3-AXIS ORIGIN
FLOW1
FLOW2
FLOW3
AIR FLOW SENSOR-1
AIR FLOW SENSOR-2
AIR FLOW SENSOR-3
Z3-AXIS xxW
SV LIGHT
SV LIGHT
□40 MAX 4500rpm
Z1-AXIS 80W
Z2-AXIS 80W
□40 MAX 4500rpm
□40 MAX 4500rpm
□40 MAX 3000rpm
□40 MAX 3000rpm
□40 MAX 3000rpm
R3-AXIS 80W
R2-AXIS 80W
R1-AXIS 80W
HEAD1 EJECTOR
HEAD2 EJECTOR
HEAD3 EJECTOR
VACUUM ON/OFF
SHAFT BLOW
YV204
YV205
YV206
YV207
YV208
EJC1
EJC2
EJC3
VACUUM
SHAFT
FLOW
R ORG
Item nameItem No.
R1-AXIS ORIGIN
HEAD A HEAD B
R2-AXIS ORIGIN
N1301005
N1301006 N1305006
N1305005
N1305007N1301007R3-AXIS ORIGINSQ207
SQ206
SQ205
YV201
YV202
YV203
YV204
YV205
YV206
YV207
YV208
T1300700
T1300701
T1300702
HEAD1 SWITCH
HEAD2 SWITCH
HEAD3 SWITCH
HEAD1 EJECTOR
HEAD2 EJECTOR
HEAD3 BLOW
VACUUM ON/OFF
SHAFT BLOW
T1300703
T1300704
T1300705
T1301700
T1301704 T1305704
T1305700
T1304705
T1304704
T1304703
T1304702
T1304701
T1304700
The I/O Address table of HS HEAD
HEAD Position
HEAD1 SWITCH
HEAD2 SWITCH
HEAD3 SWITCH
YV201
YV202
YV203
H1SW
H2SW
H3SW
See Page 13
1IN
JUNCTION BOX
2
3
4
5
6
7
8
XT81
HEAD DO
CN1
IR POS CN1
IR POS SENS BRD ASSY
P064
JB7 VAC
JB4 EJC1
JB5 EJC2
JB6 EJC3
JB3 H3SW
JB2 H2SW
JB1 H1SW
JB8 SHAFT
J0461
J0462
J0463
J0464
J0465
J0466
J0467
J0468
CC.V3
14
HS HEAD
YSM40-2

Confidential & Proprietary
PAGE
HEAD IO CN7,8
LAN
HEAD
HEAD POW CN3
HEAD IO CN6
HEAD POW CN1
DO OUT
HEAD PANEL MOUNT
P.SIG
DO1
P+48V
LAN
DO OUT J0505
P.SIG J0502
DO1 J0504
P+48V J0501
CN7 DO
CN6 S-POWER
CN1OPTION IF
ETHER INCN8A
ETHER OUTCN8B
CN5 DI2
CN3 DI1
CN2VAC
MOTOR 1 CN1MOTOR POW
MOTOR 2
CN1INC ENC 1
CN2INC ENC 2
CN3
CN4
BATTERYCN8
CN5
CN4
SER ENC1
SER ENC2
HEAD SERVO UNIT ASSY-1
HS1 CN1
HD1 CN1
HE1 CN2
HE1 CN4
HE1 CN1
HS1 CN2
MU HEAD FAN
CN5 FAN
FAN
J0513
J0517
HD1 CN5
HS1 CN6
HS1 CN7
HD1 CN4
HS CN5
J0516
SRV BOARD ASSY P071
DRV BOARD ASSY P072
ENC BOARD ASSY P073
FAN 42
CN7 DO
CN6 S-POWER
CN1OPTION IF
ETHER INCN8A
HEAD SERVO UNIT ASSY-2
ETHER OUTCN8B
CN5 DI2
CN3 DI1
CN2VAC
MOTOR 1 CN1MOTOR POW
MOTOR 2
CN1INC ENC 1
CN2INC ENC 2
CN3
CN4
BATTERYCN8
CN5
CN4
SER ENC1
SER ENC2
HD2 CN1
HE2 CN1
HE2 CN2
HE2 CN4
CN5 FAN
HE2 CN5
J0514
J0515
HD2 CN5
HS2 CN6
HS2 CN7
HD2 CN4
HS CN5
SRV BOARD ASSY P074
DRV BOARD ASSY P075
ENC BOARD ASSY P076
HS2 CN2
J0506
J0509
J0508
J0507
J0510
J0511
J0512
J0503
CN1 AIR MACS BOARD ASSY
CN1 AIR MACS BOARD ASSY
AIR MACS LEFT
AIR MACS RIGHT
Z1P
Z2P
Z3P
Z7P
Z8P
R1
□40 MAX 2000rpm
MAX 1.2m/s
Z8-AXIS 6W
MAX 1.2m/s
Z7-AXIS 6W
MAX 1.2m/s
Z3-AXIS 6W
MAX 1.2m/s
Z2-AXIS 6W
MAX 1.2m/s
Z1-AXIS 6W
M31
M32
M33
M37
M38
M41
MACS1
MACS2
P077
P078
ZML2
R1-AXIS 30W
R2-AXIS 30W
Z4P
Z5P
Z6P
Z9P
Z10P
R2
□40 MAX 2000rpm
Z10-AXIS 6W
MAX 1.2m/s
MAX 1.2m/s
Z9-AXIS 6W
MAX 1.2m/s
Z6-AXIS 6W
MAX 1.2m/s
Z5-AXIS 6W
MAX 1.2m/s
Z4-AXIS 6W
M34
M35
M36
M39
M40
M42
ZMR2
YV219
YV218YV217
YV216YV215
YV214YV213
YV212YV211
YV229
YV228YV227
YV226YV225
YV224YV223
YV222YV221
YV220
YV231
YV230
BLOW 1
BLOW 2
BLOW 3
BLOW 4
BLOW 5
BLOW 6
BLOW 7
BLOW 8
BLOW 9
BLOW 10 VAC 10
VAC 9
VAC 8
VAC 7
VAC 6
VAC 5
VAC 4
VAC 3
VAC 2
VAC 1
SHAFT
HEAD1 BLOW
HEAD10 BLOW
HEAD9 BLOW
HEAD8 BLOW
HEAD7 BLOW
HEAD6 BLOW
HEAD5 BLOW
HEAD4 BLOW
HEAD3 BLOW
HEAD2 BLOW HEAD2 VACUUM
HEAD3 VACUUM
HEAD4 VACUUM
HEAD5 VACUUM
HEAD6 VACUUM
HEAD7 VACUUM
HEAD8 VACUUM
HEAD9 VACUUM
HEAD10 VACUUM
HEAD1 VACUUM
SHAFT BLOW
1
2
3
4
5
6
7
8
9
10
11
12 N.C.
VAC PRE.
FLOW1
FLOW2
FLOW3
FLOW4
FLOW5
FLOW6
FLOW7
FLOW8
FLOW9
FLOW10
SQ211
SQ212
SQ213
SQ214
SQ215
SQ216
SQ217
SQ218
SQ219
SQ220
SQ221
AIR FLOW1 HEAD 1
AIR FLOW SENSOR
AIR FLOW SENSOR
AIR FLOW SENSOR
AIR FLOW SENSOR
AIR FLOW SENSOR
AIR FLOW SENSOR
AIR FLOW SENSOR
AIR FLOW SENSOR
AIR FLOW SENSOR
AIR FLOW SENSOR
HEAD 2
HEAD 3
HEAD 4
HEAD 5
HEAD 6
HEAD 7
HEAD 8
HEAD 9
HEAD 10
VACUUM
PRESSURE
YV219
YV217
YV215
YV213
YV211
YV229
YV227
YV225
YV223
YV221
YV218
YV216
YV214
YV212
YV228
YV226
YV224
YV222
YV220
YV230
YV231
HEAD1 BLOW
HEAD10 BLOW
HEAD9 BLOW
HEAD8 BLOW
HEAD7 BLOW
HEAD6 BLOW
HEAD5 BLOW
HEAD4 BLOW
HEAD3 BLOW
HEAD2 BLOW
HEAD2 VACUUM
HEAD3 VACUUM
HEAD4 VACUUM
HEAD5 VACUUM
HEAD6 VACUUM
HEAD7 VACUUM
HEAD8 VACUUM
HEAD9 VACUUM
HEAD10 VACUUM
HEAD1 VACUUM
SHAFT BLOW
Item nameItem No.
T1300700
T1300701
T1300702
T1300703
T1300704
T1300705
T1301700
T1301701
T1301702
T1301703
T1301704
T1302700
T1302701
T1302702
T1302703
T1302704
T1302705
T1303700
T1303701
T1303702
T1303703
HEAD A
T1304705
T1304704
T1304703
T1304702
T1304701
T1304700
T1305704
T1305703
T1305702
T1305701
T1305700
T1306705
T1306704
T1306703
T1306702
T1306701
T1306700
T1307703
T1307702
T1307701
T1307700
HEAD B
The I/O Address table of MU HEAD
HEAD Position
See Page 13
CC.V3
15
MU HEAD
YSM40-2

Confidential & Proprietary
PAGE
HEAD IO CN7,8
DO OUT
HEAD PANEL MOUNT
LAN
HEAD
HEAD POW CN3
P.SIG
HEAD IO CN6
DO1
LAN
P+48V
HEAD POW CN1
DO OUT
P.SIG
DO1
CN7 DO
CN6 S-POWER
CN1OPTION IF
ETHER INCN8A
ETHER OUTCN8B
CN3 DI1
CN2VAC
J0555
J0554
J0552
SRV BOARD ASSY P081
HEAD SERVO UNIT ASSY
HEAD1 VACUUMYV242
HEAD1 BLOW
SHAFT1 BLOW
VAC 1
BLOW 1
YV241
YV243
SHAFT 1
BLOW 2
HEAD2 BLOW
HEAD2 VACUUM
SHAFT2 BLOW
VAC 2
YV244
YV245
YV246
SHAFT 2
CN1 AIR MACS BOARD ASSY
CN1 AIR MACS BOARD ASSY
AIR MACS LEFT
AIR MACS RIGHT
MACS1
MACS2
P084
P085
1
2
3
FLOW1
FLOW2
VAC PRE.
HEAD 1 AIR FLOW SENSOR
HEAD 2 AIR FLOW SENSOR
SQ231
SQ232
SQ233 VACUUM PRESSURE
J0553
J0556
J0560
HS1 CN1
HS1 CN2HS1 CN6
HS1 CN7
CN5DI2
HS CN5 J0559
P+48V
MOTOR 1 CN1MOTOR POW
MOTOR 2
CN1INC ENC 1
CN2INC ENC 2
CN3
CN4
BATTERYCN8
CN5
CN4
SER ENC1
SER ENC2
CN5 FAN
FAN
FL HEAD FAN
J0551
FAN 43
DRV BOARD ASSY P082
ENC BOARD ASSY P083
M53
M54
R1
R2
J0558
HD1 CN1
HD1 CN4
HE1 CN1
HE1 CN4
HD1 CN5
□40 MAX 4000rpm
□40 MAX 4500rpm
M51
Z1
M52
Z2
□42 MAX 4500rpm
□42 MAX 4500rpm
Z2-AXIS 60W
Z1-AXIS 60W
J0557
R1-AXIS ORIGIN
R2-AXIS ORIGIN
SQ234
SQ235
1
2
AIR FLOW1
R ORG R1ORG
R2ORG
R1-AXIS 30W
R2-AXIS 30W
Item nameItem No.
SQ234 R1-AXIS ORIGIN
HEAD A HEAD B
R2-AXIS ORIGINSQ235
YV241
YV242
YV243
YV244
YV245
YV246
HEAD1 VACUUM
HEAD1 BLOW
HEAD2 VACUUM
HEAD2 BLOW
N1301005
N1301006
T1300705
T1300703
T1300704
HEAD SHAFT2
HEAD SHAFT1 T1300702
T1300700
T1300701 T1304701
T1304700
T1304702
T1304704
T1304703
T1304705
N1305006
N1305005
The I/O Address table of FL HEAD
HEAD Position
See Page 13
CC.V3
16
FL HEAD
YSM40-2