三星贴片机说明书.pdf - 第90页
Samsung C omponent Placer SM42 1 Intr oductio n 6-20 Tape Feeder Z Tape E mbossed Tape Paper Tape Embossed Tape Tape Z Z = 0 Paper …

Module Function
6-19
6-18 Emboss
SM Tape FeederZ
SM Tape FeederZTape
Z
A

Samsung Component Placer SM421 Introduction
6-20
Tape FeederZ
TapeEmbossed TapePaper Tape
Embossed TapeTapeZ
Z = 0
Paper TapeEmbossed Tape
Z > 0
Z < 0
Ta
p
e Guide
Frame

Module Function
6-21
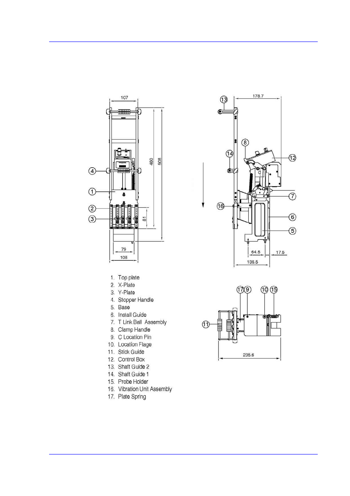
6.11.2. Vibration stick feeder
vibration stick feederStickSOP, SOJ, PLCC
Stick
4Stick
6-19.
(Vibration stick feeder)
进
行
方
向