QE64C-E-MPA-57.pdf - 第59页
Ref No. Remarks R 1 Q't y 5-B 軽 量 多機能 ヘッド Light Weight Multi-Functional Head イラスト No. Part No. 品 名 品番 数量 R 2 パーツリスト Kit No . キット品 番 Kit Name キット名称 KXFX03YJA00 Part N ame 備 考 セクションNo. PARTS LIST Section No. R 3 NUT 3…

5-B
軽
量
多機能
ヘッド
Light Weight Multi-Functional Head
パーツレイアウト
Kit No.
キット品
番
Kit Name
キット名称
KXFX03YJA00
セクションNo.
PARTS LAYOUT
Section No.
M37

Ref
No.
Remarks
R
1
Q't
y
5-B
軽
量
多機能
ヘッド
Light Weight Multi-Functional Head
イラスト
No.
Part No.
品 名品番 数量
R
2
パーツリスト
Kit No.
キット品
番
Kit Name
キット名称
KXFX03YJA00
Part Name
備 考
セクションNo.
PARTS LIST
Section No.
R
3
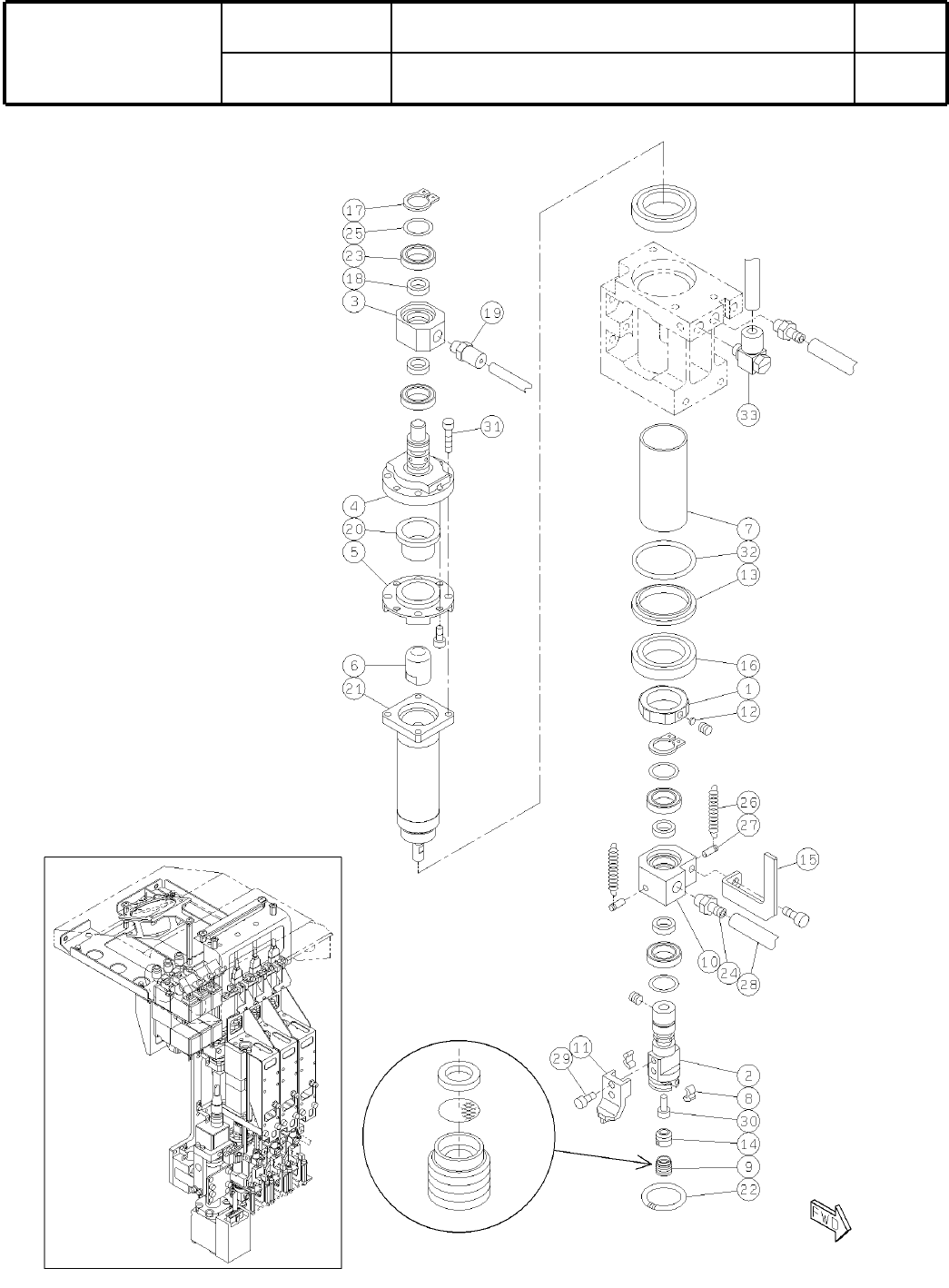
NUT
3
1 KXFB0APSA00
HOLDER
3
2 N210017657AB
RING
3
3 KXFB0APTB00
HOLDER
3
4 KXFB0APUB00
CYLINDER
3
5 KXFB0APVA00
PISTON
3
6 KXFB0ATVA00
COLLAR
3
7 KXFB0ATXA00
CLAMP
9
8 KXFB00L1A02
FILTER
6
9 N610009394AA
RING
3
10 KXFB0ATYA00
ARM
3
11 KXFB00HMA02
PIECE
3
12 KXFB029SA00
RING
3
13 KXFB0ATZA00
SCREW
3
14 KXFB06HWA00
DOG
3
15 N210026984AA
BEARING
6
16 KXF0AL1AA00 6803ZZ
C-RING
6
17 KXF0A74AA00 STW-9
PACKING
24
18 KXF05YHAA00 MYA-6
JOINT
3
19 KXF02T7AA00 M-5H-4
DIAPHRAGM
3
20 KXF0DZHVA00 DM2-13-13-T2.NN501(DDA)
BALL-SPLINE
3
21 N510015534AA TL6CSMS+66LPM(11590322X021)
SPRING
6
22 N210076717AA
BEARING
12
23 KXF0DZXDA00 F-679
JOINT
6
24 KXF02T4AA00 M-5AU-6
SHIM
9
25 KXF0E253A00 SEO-9-12-0.3-SUS
SPRING
12
26 KXF0E07FA00 SP(DA KXF0E07FA00)
FASTENER
6
27 KXF0DKMAA00 BX2.5-8(DA 0DKMA)
TUBE
3
28 KXF0DS4AA00 Silicon tube 8607 D6XD3(120mm)
BOLT
18
29 N510017251AA
Hexagon socket head cap screw M2.6X6-10.9 A2J (Trivalent)
BOLT
3
30 N510017258AA
Hexagon socket head cap screw M2X5-10.9 A2J (Trivalent)
BOLT
12
31 N510017249AA
Hexagon socket head cap screw M2.6X12-10.9 A2J (Trivalent)
O-RING
3
32 KXF0DJ1AA00 1022 1 type A
JOINT
3
33 KXF09ZNAA00 M-5HLH-6
M38

5-C
軽
量
多機能
ヘッド
Light Weight Multi-Functional Head
パーツレイアウト
Kit No.
キット品
番
Kit Name
キット名称
KXFX03YJA00
セクションNo.
PARTS LAYOUT
Section No.
M39