7OM-1603-006_w.pdf - 第183页
7OM-1603 5-18 4.2 Electrical Circuit Diagrams Elevator 2 (Upper) M Circuits Diagrams Elevator 2 (Upper) M Circuits Diagrams 1007-002 B(M921WB---0003) 175218-2(AMP) 1-178129-6(AMP) 1318108-1(AMP) 1-13181 18-6(AMP) HIF3BA-…

7OM-1603
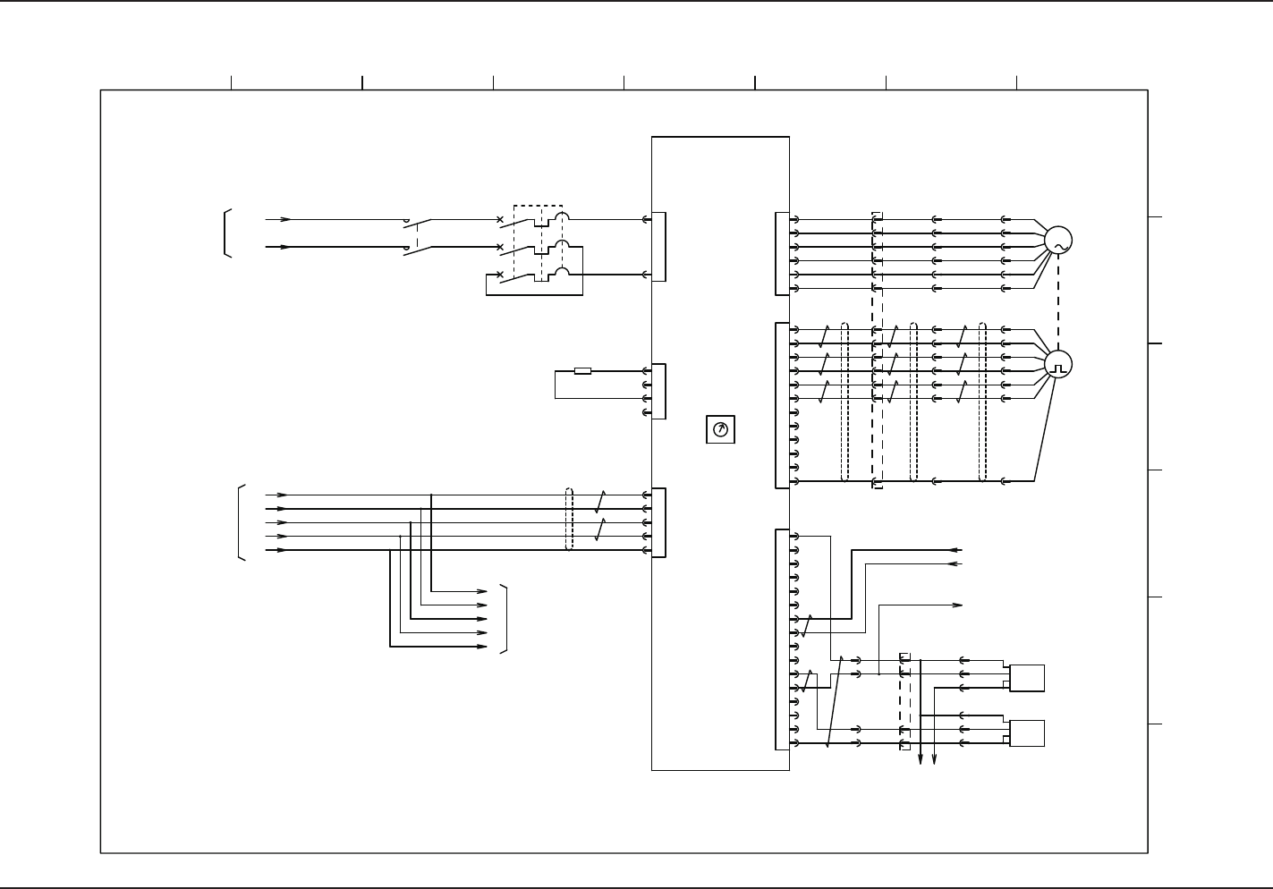
5-17
4.2 Electrical Circuit Diagrams Elevator 1 (Lower) M Circuits Diagrams
Elevator 1 (Lower) M Circuits Diagrams
1007-002 B(M921WB---0002)
9
A
B
C
D
E
F
0
1
2
3
4
5
6
7
8
1
CS1:ID Setting
EV1 Axis
175218-2(AMP)
1-178129-6(AMP)
1318108-1(AMP)
1-1318118-6(AMP)
HIF3BA-16D-2.54R(HIROSE)
TA8411
5556-TL(MOLEX)
5557-02R(MOLEX)
5556-TL(MOLEX)
5557-04R(MOLEX)
BM3RSB-6P3
SD-Q11 DC24V 1b
(4-6.5A)
(3-phase 12A/single-phase 6A)
734-165(WAGO)
3
M
SSG
1
2
CN1
X0201
L110
4
5
CN2
X0202
CAN H
CAN L
GND
24V
SD
2
3
1
CAN H
CAN L
GND
24V
SD
A3
A2
B2
A1
B1
W
V
(BK)
U
FG
CN3
X0203
B3
(BK)
M02
EV1-Axis
A2
B1
A3
A1
B2
S1
S4
R1
S2
S3
CN5
X0205
B3
R2
A6
B5
NC
NC
B6
GND(SD)
M02
M02P
:A1
:B1
:A2
:B2
:A3
:B3
(MOTOR)
A5
B4
A4
NC
NC
NC
:B6
3
2
5
1
4
AIN
F-PLS+
GND(COM-)
R-PLS-
CN7
X0207
6
F-PLS-
8
7
AUX
GND
9
C-RST
10
12
11
F-LMT
R-LMT
13
SV-ON
15
14
ALM
INP
16
+24V(COM+)
R-PLS+
RST
(I/O)
(MAIN PWR)
(SV-NET)
A02
Servo Motor Driver
(SV-NET)
L210
X0302
[B-/03/3D]
:4
:5
:2
:3
:1
1
4
CN6
X0206
2
3
RG1
DB1
RG2
DB2
:4
:5
:2
:3
:1
X0102
[B-/01/4D]
80W 30Ω
[B-/01/3B]
Q201
L153
K201
1 2
3 4
L353
L252
L152
L352
:A1
:A2
:A3
:B1
:B2
:B3
X35
:1
:2
:3
:4
:5
:6
:13
:14
:15
:16
:17
:18
:25
XM02
:A1
:A2
:A3
:A4
:A5
:A6
XM02
:B1
:B2
:B3
:B4
:B5
:B6
:B7
A03
X10307: to 3
[B-/03/7F]
U154(STLT ILB TR)
X15444(CN44):1 [B-/07/2A]
X35
:61
:65
:63
:62
:3
X10207
:2
:4
OUT
-
L
+
:2
XB0202
:3
:1
B0202
OUT
-
L
+
:2
XB0201
:3
:1
B0201
:3:1XB0302
[B-/03/7E]
826
X10207
:1
10B
X15433(CN33):1 [B-/06/7D]
A03:EV2 (Upper) Axis
A01:TV Axis
Regenerative Resistor
AC200V Power
Limit(+)
Magazine Up/Down
Access Check
TV/EV Connecting Bundled Connector
TV/EV Connecting Bundled Connector
1 2 3 4 5 6 7 8
A
B
C
D
E
F

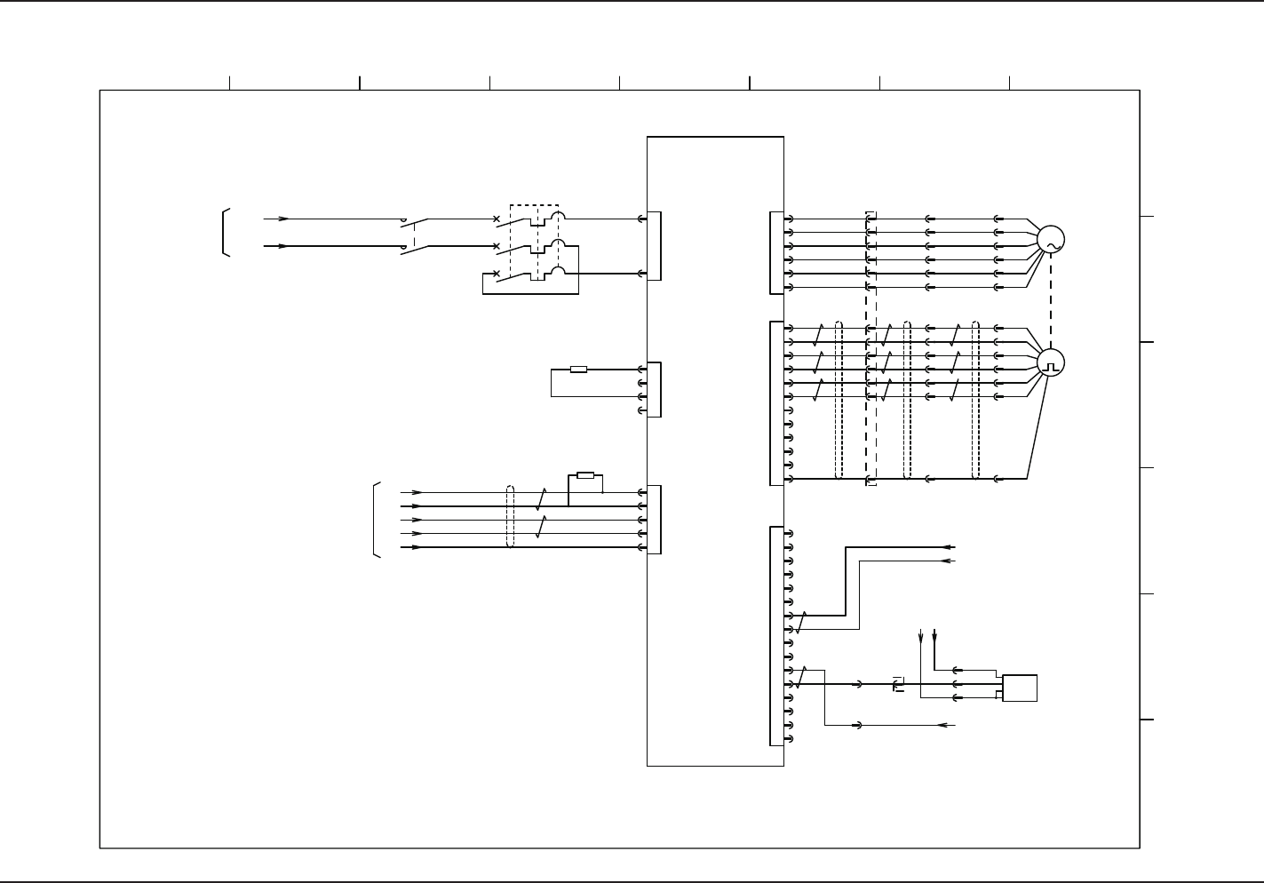
7OM-1603
5-18
4.2 Electrical Circuit Diagrams Elevator 2 (Upper) M Circuits Diagrams
Elevator 2 (Upper) M Circuits Diagrams
1007-002 B(M921WB---0003)
175218-2(AMP)
1-178129-6(AMP)
1318108-1(AMP)
1-1318118-6(AMP)
HIF3BA-16D-2.54R(HIROSE)
TA8411
5556-TL(MOLEX)
5557-02R(MOLEX)
5556-TL(MOLEX)
5557-04R(MOLEX)
BM3RSB-6P3
SD-Q11 DC24V 1b
(4-6.5A)
(3-phase 12A/single-phase 6A)
734-165(WAGO)
3
M
SSG
1
2
CN1
X0301
4
5
CN2
X0302
2
3
1
CAN H
CAN L
GND
24V
SD
A3
A2
B2
A1
B1
W
V
(BK)
U
FG
CN3
X0303
B3
(BK)
M03
EV2-Axis
A2
B1
A3
A1
B2
S1
S4
R1
S2
S3
CN5
X0305
B3
R2
A6
B5
NC
NC
B6
GND(SD)
M03
M03P
:A1
:B1
:A2
:B2
:A3
:B3
(MOTOR)
A5
B4
A4
NC
NC
NC
:B6
3
2
5
1
4
AIN
F-PLS+
GND(COM-)
R-PLS-
CN7
X0307
6
F-PLS-
8
7
AUX
GND
9
C-RST
10
12
11
F-LMT
R-LMT
13
SV-ON
15
14
ALM
INP
16
+24V(COM+)
R-PLS+
RST
(I/O)
(MAIN PWR)
(SV-NET)
A03
Servo Motor Driver
(SV-NET)
1
4
CN6
X0306
2
3
RG1
DB1
RG2
DB2
:4
:5
:2
:3
:1
X0202
[B-/02/4E]
80W 30Ω
A02
X10207:from 3
R03
120Ω
[B-/02/7E]
L110
L210
[B-/01/3C]
Q301
L155
K301
1 2
3 4
L355
L254
L154
L354
X15443(CN43):1 [B-/07/2B]
:A1
:A2
:A3
:B1
:B2
:B3
X35
:7
:8
:9
:10
:11
:12
:19
:20
:21
:22
:23
:24
:36
XM03
:A1
:A2
:A3
:A4
:A5
:A6
XM03
:B1
:B2
:B3
:B4
:B5
:B6
:B7
X10307
:2
X35
:64
:3
OUT
-
L
+
:2
XB0302
:3
:1
B0302
+24V GND
[B-/02/7F]
825
U154(STLT ILB TR)
10B
X15432(CN32):1 [B-/06/7C]
A02:EV1 (Lower) Axis
Regenerative Resistor
Terminal Resistor
AC200V Power
Limit(-)
TV/EV Connecting Bundled Connector
TV/EV Connecting
Bundled Connector
1 2 3 4 5 6 7 8
A
B
C
D
E
F

7OM-1603
5-19
4.2 Electrical Circuit Diagrams Power Supply Section
Power Supply Section
0908-001 -(M921WB---0004)
X300D
:3
:4
24
13
23
T32
T31
T22
T12
T11
T21
A1
14
A2
:5
S0501
41 42
S0503
11 12
21 22
K201
A1 A2
K503
2 6
K301
A1 A2
K504
3 7
K201
21 22
K301
21 22
K101
A1 A2
K502
1 5
S0501
S0502
S0503
24
13
23
T32
T31
T22
T12
T11
T21
A1
14
A2
:11
U154(STLT ILB TR)
X15405(CN5):2
[B-/05/2B]
PWRTH
K1 K2
Circuit
Control
K2
K2
K1
K1
K2
K1
K001
K002
10A
24A2
X300F
[B-/06/2C] [B-/06/2C]
[B-/06/2D] [B-/06/2D]
421
787
454
453
457
455
459
458
806
463
462
466
464
468
467
807
10B
452
10B
461
471
S0503
41 42
K509
3 4
K508
3 4
K507
3 4
342
341
340
469
K301
K201
5 6
5 6
:9
:11
[D-/22/4F]:(2)
H0001
K513
5 6
K101
21 22
K512
8 1
K513
3 4
K513
8 1
K512
3 4
[D-/12/4E]:(1)
[D-/22/4E]:(2)
[D-/12/4F]:(1)
[D-/22/8E]:(2)
[D-/12/8E]:(1)
S0501
11 12
K507
S0501
5 6
A1 A2
A1 A2
A1 A2
S0502
41 42
S0502
11 12
21 22
K508
S0502
5 6
456
465
451
460
PWRTH
K1 K2
Circuit
Control
K2
K2
K1
K1
K2
K1
450
472
470
473
X35
:55
X35
:56
X35
:39
X35
:40
X35
:42
X35
:41
X35
:49
X35
:50
X35
:52
X35
:51
X35
:37
X35
:38
X35
:43
X35
:44
X35
:53
X35
:54
X35
:70
X35
:69
U154(STLT ILB TR)
X15441(CN41):1
[B-/07/2C]
823
:12
(500)
(512):(1)
[D-/22/8E]:(2)
[D-/12/8E]:(1)
:3
:2
XTB1
:1
:5
XTB1
:4
(513):(2)
X1S05
:B7
X1S05
:B8
X1S05
:A3
X1S05
:A4
X1S05
:A6
X1S05
:A5
X1S05
:B1
X1S05
:B2
X1S05
:B4
X1S05
:B3
X1S05
:A1
X1S05
:A2
X1S05
:A7
X1S05
:A8
X1S05
:B5
X1S05
:B6
D module
(12Pins)
Safety Door Lock : Lower
Safety Door Lock : Upper
Safety Door Lock : Magazine
EV1 Main Circuit Power Supply ON
EV2 Main Circuit Power Supply ON
TV Main Circuit Power Supply ON
Safety Door Switch (Lower)
U154
X15424 : to 2
U154
X15424:For 1
U154
X15425:For 2
U154
X15425:For 1
Safety Door Switch (Upper)
F module
(12Pins)
Emergency Stop Detection
(Magazine)
Safety Door Switch
EV Power Lamp
Multi-layer Tray
Connection Check
TV,EV1,2 Power ON
DC Load Power
Feeder Base Interlock
External Unit Connecting Bundled Connector
X30
1
2 3 4 5 6 7 8 9 10 11 12
A
B
C
D
E
F
G
H