N7205A106B.pdf - 第43页
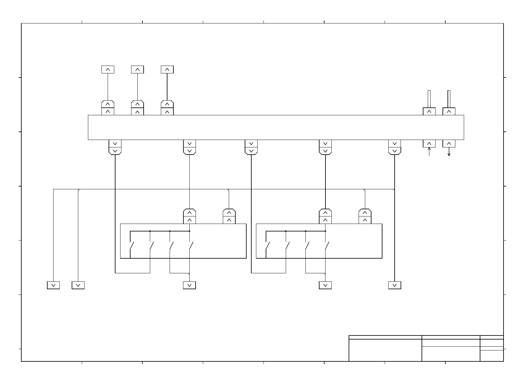
-K331 PNF0B4 ILK Board #2 CN24V CNMC4 CNMC5 CNMC3 CNMC2 CNEXL-M CNEXR-M CNEMGCOV EXTOT1 (RX) OPT1 (TX) OPT2 ILK#1 OPT2 I/O CN4 1CN24VP 1EMGCOVP CN-FANA 1G103P Safety Relay -K132 CN1 CN2 G9SC-400-CNP4E Safety Relay -K131 …

-K331
PNF0B4
ILK Board #2
CN24V
CNMC4 CNMC5
CNMC3 CNMC2
CNEXL-M CNEXR-M
CNEMGCOV
EXTOT1
(RX)
OPT1
(TX)
OPT2
ILK#1
OPT2
I/O
CN4
1CN24VP 1EMGCOVP
CN-FANA
1G103P
Safety Relay
-K132
CN1
CN2
G9SC-400-CNP4E
Safety Relay
-K131
CN1
CN2
G9SC-400-CNP4E
To Power Unit1 To Power Unit1 To Power Unit1
1EXTOT1P
To Power Unit1
1CN2K132P
To Power Unit1
SF24VP
To Power Unit1
1T122P
To Power Unit1
1CN2K131P
To Power Unit1
1
Panasonic Factory Solutions Co.,Ltd. パナソニック ファクトリーソリューションズ株式会社
Name
Drawing No.
Loc. No.
F4K1020-05A
1
2 3 4 5 6 7 8
A
B
C
D
E
F
1 2 3 4 5 6 7 8
A
B
C
D
E
F
Page. No.
Power Unit 2 Wiring:NPM-D3
(Block Diagram)
N610161321+002AB
P002

-K331
PNF0B4
ILK Board #2
24VIN
24VIN
24GND
24GND
CP+24V
24GND
BU
UL#18 80/300-0.75mm2
BU UL#18 80/300-0.75mm2
BU
UL#18 80/300-0.75mm2
BU
UL#18 80/300-0.75mm2
1
2
4
MOLEX
CN24VK331
5557-06R-210
5
3
6
CN24V
1CN24VR
P24
P24
G24
G24
2
1
3
4
Power Unit 1
N610159576AC
AMP
1CN24VP
177908-1
4
3
2
1
1EMGCOVR
OT035(ILK OUT EMG #1)
OT036(ILK OUT COV #2)
OT035COM(ILK OUT EMG #1)
1
2
3
OT036COM(ILK OUT COV #2)
4
5
6
N.C
N.C
MOLEX
1EMGCOVP
5559-06P-210
6
5
4
3
2
1
18
17
16
15
14
13
12
11
10
9
8
7
6
5
4
3
2
1
CNEMGCOV
IN317
24GND
24GND
24VOUT
IN310
NC
IN311
24GND
24GND
24VOUT
24GND
IN314
OT312
24GND
24GND
IN315
6
3
5
4
2
1
N610159622AB
BU UL#22 80/300-0.3mm2
BU UL#22 80/300-0.3mm2
BU
UL#22 80/300-0.3mm2
BU UL#22 80/300-0.3mm2
1G103R
Sensor Output
P24
2
1
N610159623AC
BU UL#22 80/300-0.3mm2
BU
UL#22 80/300-0.3mm2
24VOUT
IN404
24GND
CN-FANA
3
2
1
JST
CN-FANAK331
PAP-03V-S
3
2
1
N.C
G24
4
3
AMP
1G103P
177908-1
4
3
2
1
BU UL#22 80/300-0.3mm2
1
2
3
JST
CNEMGCOVK331
PUDP-18V-S
4
5
6
7
8
9
10
11
12
13
14
15
16
17
18
BU UL#22 80/300-0.3mm2
BU UL#22 80/300-0.3mm2
Note1)
Note1) Connector Pin arrangement is not sequential.
1
1
1
Panasonic Factory Solutions Co.,Ltd. パナソニック ファクトリーソリューションズ株式会社
Name
Drawing No.
Loc. No.
F4K1020-05A
1
2 3 4 5 6 7 8
A
B
C
D
E
F
1 2 3 4 5 6 7 8
A
B
C
D
E
F
Page. No.
Power Unit 2 Wiring:NPM-D3
(ILK #2 DC Input)
N610161321+003AB
P003