N7205A106B.pdf - 第85页
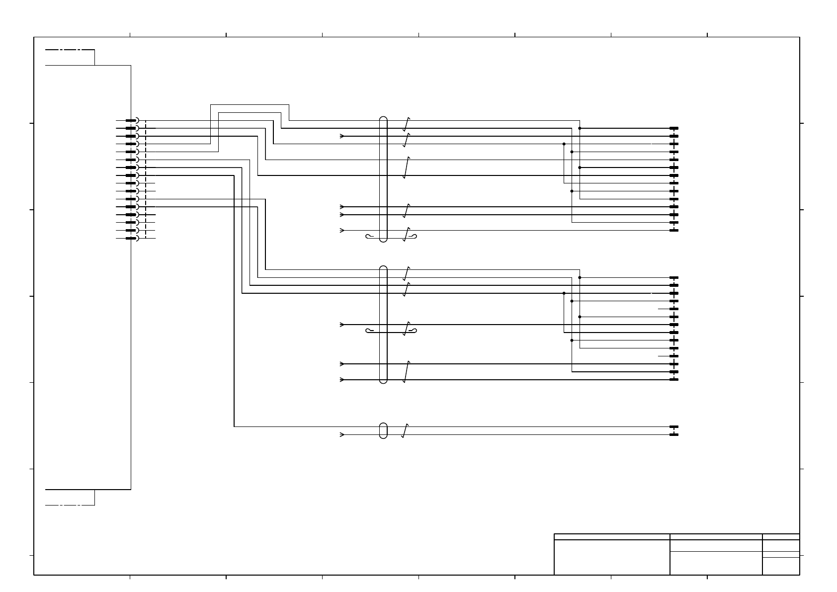
-K321 PNF0B4 Power Unit 1 -A02 ILK Board #1 CNTL 1 2 3 4 5 6 7 8 9 10 11 12 13 14 15 16 17 18 19 20 20 19 18 17 16 15 14 13 12 11 10 9 8 7 6 5 4 JST CNTLK321 PUDP-20V-S 3 2 1 24VOUT 24GND IN124 IN117 OT101 IN113 IN136 24…

For 1M634R
L2 Left Conveyor Motor
-K321
PNF0B4
+V24(M)
GND(M)
+V24(C)
GND(C)
M-REV03
OT112
M-SPD03
EMG11
D+MAIN
D-MAIN
GND(C)
+V24(M)
GND(M)
+V24(C)
GND(C)
S-REV02
OT115
S-SPD02
EMG11
D+SUB
D-SUB
GND(C)
+V24(M)
GND(M)
+V24(C)
GND(C)
S-REV03
OT116
S-SPD03
EMG11
D+SUB
D-SUB
GND(C)
+V24(M)
GND(M)
+V24(C)
GND(C)
EMG20
D+SUB
D-SUB
CNTM2
1
2
3
4
5
6
7
8
9
11
12
13
14
15
16
17
18
19
Power Unit 1
-A02
10
20
ILK Board #1
21
22
23
24
25
26
27
28
29
31
32
33
34
35
36
37
38
39
30
40
For 1M601R
L1 Left Conveyor Motor
For 1M635R
L2 Mount Position Conveyor Motor
N610159600AB
1
2
3
JST
CNTM2K321
PUDP-40V-S
4
5
6
7
8
9
10
11
12
13
14
15
16
17
18
19
20
21
22
23
24
25
26
27
28
29
30
31
32
33
34
35
36
37
38
39
40
For 1M638R
L2 Width Adjustment Motor, Sensor
+V24(M)
GND(M)
+V24(C)
GND(C)
M-REV03
OT112
M-SPD03
EMG11
D+MAIN
D-MAIN
+V24(M)
GND(M)
+V24(C)
GND(C)
S-REV02
OT115
S-SPD02
EMG11
D+SUB
D-SUB
+V24(M)
GND(M)
+V24(C)
GND(C)
S-REV03
OT116
S-SPD03
EMG11
D+SUB
D-SUB
GND(C)
+V24(M)
GND(M)
+V24(C)
GND(C)
EMG20
D+SUB
D-SUB
+24V(C)
GND(C)
MOLEX
1M601P
43020-1200
12
6
11
5
10
4
9
3
8
2
7
1
UL#24 80/300-0.2mm2 BU
UL#24 80/300-0.2mm2 BU
2464-1061/ⅡA(PF) LF 5P×24AWG
BN/WH
BN
YE/WH
YE
GN/WH
GN
BK/WH
BK
RD/WH
RD
2464-1061/ⅡA(PF) LF 5P×24AWG
BN/WH
BN
YE/WH
YE
GN/WH
GN
BK/WH
BK
RD/WH
RD
BN/WH
BN
YE/WH
YE
GN/WH
GN
BK/WH
BK
RD/WH
RD
2464-1061/ⅡA(PF) LF 4P×24AWG
YE/WH
YE
GN/WH
GN
BK/WH
BK
RD/WH
RD
MOLEX
1M635P
43020-1200
12
6
11
5
10
4
9
3
8
2
7
1
MOLEX
1M634P
43020-1200
12
6
11
5
10
4
9
3
8
2
7
1
MOLEX
1M638P
43020-1200
12
6
11
5
10
4
9
3
8
2
7
1
BU/WH
BU
2464-1061/ⅡA(PF) LF 6P×24AWG
Note1) Connector Pin arrangement is not sequential.
Note1)
Note1)
Note1)
Note1)
Panasonic Factory Solutions Co.,Ltd. パナソニック ファクトリーソリューションズ株式会社
Name
Drawing No.
Loc. No.
F4K1020-05A
1
2 3 4 5 6 7 8
A
B
C
D
E
F
1 2 3 4 5 6 7 8
A
B
C
D
E
F
Page. No.
Main Body Wiring : NPM-D3
(Conveyor I/F 2)
N610159580+035AC
P035
1
2
2
2
2

-K321
PNF0B4
Power Unit 1
-A02
ILK Board #1
CNTL
1
2
3
4
5
6
7
8
9
10
11
12
13
14
15
16
17
18
19
20
20
19
18
17
16
15
14
13
12
11
10
9
8
7
6
5
4
JST
CNTLK321
PUDP-20V-S
3
2
1
24VOUT
24GND
IN124
IN117
OT101
IN113
IN136
24VOUT
24GND
IN126
OT103
IN127
IN125
24VOUT
24GND
IN132
OT105
IN133
24VOUT
24GND
MOLEX
B1115P
43020-1600
16
15
14
13
12
11
10
9
8
7
6
5
4
3
2
1
MOLEX
B1117P
43020-1600
16
15
14
13
12
11
10
9
8
7
6
5
4
3
2
1
IN134
24VOUT
24GND
IN120
7
8
9
10
CNTR1
1
2
3
4
5
6
24VOUT
24GND
IN122
IN115
OT100
IN112
11
12
24VOUT
24GND
12
11
10
9
8
7
6
5
4
MOLEX
CNTR1K321
43025-1200
3
2
1
BK/WH
BK
RD/WH
RD
GN/WH
GN
YE/WH
YE
BU UL#24 80/300-0.2mm2
BU UL#24 80/300-0.2mm2
BU UL#24 80/300-0.2mm2
BU UL#24 80/300-0.2mm2
BU UL#24 80/300-0.2mm2
BU UL#24 80/300-0.2mm2
BU
UL#24 80/300-0.2mm2 BN/WH
BN
BK/WH
BK
RD/WH
RD
GN/WH
GN
YE/WH
YE
BN/WH
BN
2464-1061/ⅡA(PF) LF 5P×24AWG
BU UL#24 80/300-0.2mm2
BU UL#24 80/300-0.2mm2
BU UL#24 80/300-0.2mm2
BU UL#24 80/300-0.2mm2
BU UL#24 80/300-0.2mm2
BU UL#24 80/300-0.2mm2
BU UL#24 80/300-0.2mm2
N610159601AB
IN126
P037-4B
OT103
P037-4C
IN127
P037-4C
IN125
P037-4D
IN132
P037-4E
OT105
P037-4D
IN133
P037-4D
IN120
P037-4B
2464-1061/ⅡA(PF) LF 5P×24AWG
Panasonic Factory Solutions Co.,Ltd. パナソニック ファクトリーソリューションズ株式会社
Name
Drawing No.
Loc. No.
F4K1020-05A
1
2 3 4 5 6 7 8
A
B
C
D
E
F
1 2 3 4 5 6 7 8
A
B
C
D
E
F
Page. No.
Main Body Wiring : NPM-D3
(Conveyor I/F 3)
N610159580+036AC
P036
1
For B1115R
L1 Conveyor Sensor
2
For B1117R
L2 Conveyor Sensor
2

-K321
PNF0B4
Power Unit 1
-A02
ILK Board #1
MOLEX
B1120P
43020-1400
14
13
12
11
10
9
8
7
6
5
4
3
2
1
MOLEX
B1131P
43020-0200
2
1
MOLEX
B1130P
43020-1400
14
13
12
11
10
9
8
7
6
5
4
3
2
1
7
8
9
10
11
12
OT102
IN121
IN123
24VOUT
CNTR2
3
4
5
6
1
2
13
14
15
16
16
15
14
13
12
11
10
9
8
7
6
5
4
MOLEX
CNTR2K321
43025-1600
3
2
1
NC
NC
NC
NC
IN012
IN107
24VOUT
24GND
24GND
IN130
OT104
IN131
BK/WH
BK
RD/WH
RD
GN/WH
GN
YE/WH
YE
BU UL#24 80/300-0.2mm2
BU UL#24 80/300-0.2mm2
BU UL#24 80/300-0.2mm2
BU UL#24 80/300-0.2mm2
BU UL#24 80/300-0.2mm2
BU UL#24 80/300-0.2mm2
BN/WH
BN
2464-1061/ⅡA(PF) LF 5P×24AWG
BK/WH
BK
RD/WH
RD
GN/WH
GN
YE/WH
YE
BU UL#24 80/300-0.2mm2
BU UL#24 80/300-0.2mm2
BU UL#24 80/300-0.2mm2
BU UL#24 80/300-0.2mm2
BU UL#24 80/300-0.2mm2
BU UL#24 80/300-0.2mm2
IN133 P036-2C
OT105 P036-2C
IN125 P036-2C
IN127 P036-2B
OT103 P036-2B
IN126 P036-2B
IN120 P036-2E
BN/WH
BK
2464-1061/ⅡA(PF) LF 1P×24AWG
2464-1061/ⅡA(PF) LF 4P×24AWG
IN132 P036-2C
1
1
Panasonic Factory Solutions Co.,Ltd. パナソニック ファクトリーソリューションズ株式会社
Name
Drawing No.
Loc. No.
F4K1020-05A
1
2 3 4 5 6 7 8
A
B
C
D
E
F
1 2 3 4 5 6 7 8
A
B
C
D
E
F
Page. No.
Main Body Wiring : NPM-D3
(Conveyor I/F 4)
N610159580+037AC
P037
For B1120R
L1 Conveyor Sensor
2
For B1130R
L2 Conveyor Sensor
2
For B1131R
L1・L2 Conveyor Sensor
2