N7205A106B.pdf - 第82页
-K321 PNF0B4 ILK Board #1 Signal Tower Front Out of work Light -A02 Power Unit 1 Rear Out of work Light B2003X2(-) AI0.25-6BU PHOENIX CONTACT B2003X1(+) B2002X2(-) AI0.25-6BU PHOENIX CONTACT B2002X1(+) N610112733** : Who…

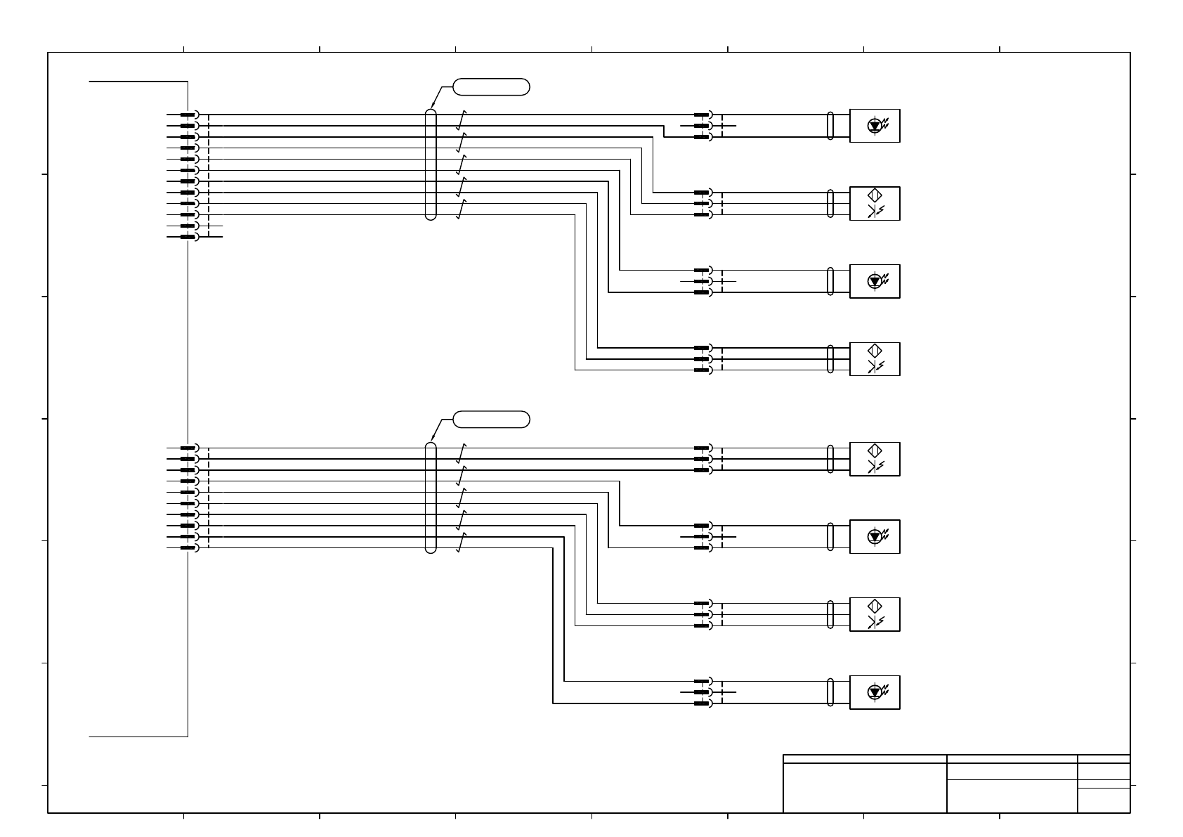
Rear Feeder Opening 3
(Receive Side)
Rear Feeder Opening 4
(Receive Side)
Rear Feeder Opening 2
(Receive Side)
Rear Feeder Opening 4
(Projection Side)
Rear Feeder Opening 3
(Projection Side)
-B1206
EX-21A
BN
BK
BU
Sunx
-B1204T
EX-21A
BN
BU
Sunx
-B1205T
EX-21A
BN
BU
Sunx
-B1204
EX-21A
BN
BK
BU
Sunx
-B1205
EX-21A
BN
BK
BU
Sunx
-B1206T
EX-21A
BN
BU
Sunx
Rear Feeder Opening 2
(Projection Side)
-B1207T
EX-21A
BN
BU
Sunx
-B1207
EX-21A
BN
BK
BU
Sunx
Rear Feeder Opening 1
(Receive Side)
Rear Feeder Opening 1
(Projection Side)
-K322
PNF0B3
I/O Board
CN15
CNFOR
N610159663AB
N610159664AB
24VOUT
24GND
24VOUT
1
7
2
IN205
24GND
24VOUT
6
8
3
24GND
24VOUT
IN207
9
4
12
24GND
24VOUT
24GND
10
5
11
24VOUT
IN204
24GND
1
5
6
24VOUT
24GND
24VOUT
2
7
3
IN206
24GND
24VOUT
10
8
4
24GND
9
AMP
B1204TR
177899-1
3
2
1
AMP
B1204TP
177907-1
3
2
1
AMP
B1205R
177899-1
3
2
1
AMP
B1205P
177907-1
3
2
1
AMP
B1206TR
177899-1
3
2
1
AMP
B1206TP
177907-1
3
2
1
AMP
B1207R
177899-1
3
2
1
AMP
B1207P
177907-1
3
2
1
AMP
B1204R
177899-1
3
2
1
AMP
B1204P
177907-1
3
2
1
AMP
B1205TR
177899-1
3
2
1
AMP
B1205TP
177907-1
3
2
1
AMP
B1206R
177899-1
3
2
1
AMP
B1206P
177907-1
3
2
1
AMP
B1207TR
177899-1
3
2
1
AMP
B1207TP
177907-1
3
2
1
2464-1061/ⅡA(PF) LF 5P×24AWG
BN/WH
BN
YE/WH
YE
GN/WH
GN
BK/WH
BK
RD/WH
RD
2464-1061/ⅡA(PF) LF 5P×24AWG
BN/WH
BN
YE/WH
YE
GN/WH
GN
BK/WH
BK
RD/WH
RD
MOLEX
CN15K322
5557-12R-210
1
7
2
6
8
3
9
4
12
10
5
11
MOLEX
CNFORK322
5557-10R-210
1
5
6
2
7
3
10
8
4
9
Note1) Connector Pin arrangement is not sequential.
Note1)
Note1)
1
1
1
1
1
1
1
1
1
1
Panasonic Factory Solutions Co.,Ltd. パナソニック ファクトリーソリューションズ株式会社
Name
Drawing No.
Loc. No.
F4K1020-05A
1
2 3 4 5 6 7 8
A
B
C
D
E
F
1 2 3 4 5 6 7 8
A
B
C
D
E
F
Page. No.
Main Body Wiring : NPM-D3
(Rear Sensor Wiring)
N610159580+032AB
P032

-K321
PNF0B4
ILK Board #1
Signal Tower
Front Out of work Light
-A02
Power Unit 1
Rear Out of work Light
B2003X2(-)
AI0.25-6BU
PHOENIX CONTACT
B2003X1(+)
B2002X2(-)
AI0.25-6BU
PHOENIX CONTACT
B2002X1(+)
N610112733** : Whole Cover (H):NPM-D
B2002
YW1P-TK2495
IDEC
B2003
YW1P-TK2495
IDEC
X2
X1
X2
X1
N610159635AA
N610113002AB
BK/WH
BK
2464-1061/ⅡA(PF) LF 1P×24AWG
BK/WH
BK
2464-1061/ⅡA(PF) LF 1P×24AWG
BK/WH
BK
2464-1061/ⅡA(PF) LF 1P×24AWG
BK/WH
BK
2464-1061/ⅡA(PF) LF 1P×24AWG
MOLEX
B2001P
43020-0600
6
5
4
1
2
3
MOLEX
B2001R
43025-0600
6
5
4
1
2
3
AMP
B2002R
177898-1
2
1
AMP
B2002P
177906-1
2
1
GN/WH
GN
BK/WH
BK
RD/WH
RD
2464-1061/ⅡA(PF) LF 3P×24AWG
AMP
B2003R
177898-1
2
1
AMP
B2003P
177906-1
2
1
BLUE
Lamp
GREEN
Lamp
YELLOW
Lamp
RED
Lamp
+
Buzzer
-B2001
LPUKB-24W-3
ARROW
CNPATO
1
2
3
4
5
6
7
8
P24
OT042
OT043
OT044
OT045
OT041
N.C
N.C
CNPLED
P24
P24
OT046
OT047
N.C
GND
1
2
3
4
5
6
N610113001AB
MOLEX
CNPATOK321
43025-0800
8
7
6
5
4
3
2
1
AMP
CNPLEDK321
177901-1
6
5
4
3
2
1
N610159636AB
Note1) Connector Pin arrangement is not sequential.
Note1) Note1)
1
Panasonic Factory Solutions Co.,Ltd. パナソニック ファクトリーソリューションズ株式会社
Name
Drawing No.
Loc. No.
F4K1020-05A
1
2 3 4 5 6 7 8
A
B
C
D
E
F
1 2 3 4 5 6 7 8
A
B
C
D
E
F
Page. No.
Main Body Wiring : NPM-D3
(Signal Tower Wiring)
N610159580+033AB
P033

For 1M603R
L1 Right Conveyor Motor
Power Unit 1
-A02
-K321
PNF0B4
ILK Board #1
+V24(M)
GND(M)
+V24(C)
GND(C)
M-REV01
OT110
M-SPD01
EMG10
D+MAIN
D-MAIN
GND(C)
+24V(M)
GND(M)
+24V(C)
GND(C)
M-REV02
OT111
M-SPD02
EMG10
D+MAIN
D-MAIN
GND(C)
+V24(M)
GND(M)
+24V(C)
GND(C)
S-REV01
OT114
S-SPD01
EMG11
D+SUB
D-SUB
GND(C)
+V24(M)
GND(M)
+V24(C)
GND(C)
EMG20
D+MAIN
D-MAIN
CNTM1
1
2
3
4
5
6
7
8
9
11
12
13
14
15
16
17
18
19
10
20
21
22
23
24
25
26
27
28
29
30
31
33
34
35
36
32
36
35
34
33
32
31
30
29
28
27
26
25
24
23
22
21
20
19
18
17
16
15
14
13
12
11
10
9
8
7
6
5
4
JST
CNTM1K321
PUDP-40V-S
3
2
1
40
39
38
37
37
38
39
40
For 1M602R
L1 Mount Position Conveyor Motor
For 1M636R
L2 Right Conveyor Motor
For 1M607R
L1 Width Adjustment Motor, Sensor
+V24(M)
GND(M)
+V24(C)
GND(C)
M-REV01
OT110
M-SPD01
EMG10
D+MAIN
D-MAIN
+24V(M)
GND(M)
+24V(C)
GND(C)
M-REV02
OT111
M-SPD02
EMG10
D+MAIN
D-MAIN
+V24(M)
GND(M)
+24V(C)
GND(C)
S-REV01
OT114
S-SPD01
EMG11
D+SUB
D-SUB
+V24(M)
GND(M)
+V24(C)
GND(C)
EMG20
D+MAIN
D-MAIN
+V24(C)
GND(C)
MOLEX
1M603P
43020-1200
12
6
11
5
10
4
9
3
8
2
7
1
N610159599AB
UL#24 80/300-0.2mm2 BU
UL#24 80/300-0.2mm2 BU
2464-1061/ⅡA(PF) LF 5P×24AWG
BN/WH
BN
YE/WH
YE
GN/WH
GN
BK/WH
BK
RD/WH
RD
2464-1061/ⅡA(PF) LF 5P×24AWG
BN/WH
BN
YE/WH
YE
GN/WH
GN
BK/WH
BK
RD/WH
RD
2464-1061/ⅡA(PF) LF 5P×24AWG
BN/WH
BN
YE/WH
YE
GN/WH
GN
BK/WH
BK
RD/WH
RD
2464-1061/ⅡA(PF) LF 4P×24AWG
YE/WH
YE
GN/WH
GN
BK/WH
BK
RD/WH
RD
MOLEX
1M602P
43020-1200
12
6
11
5
10
4
9
3
8
2
7
1
MOLEX
1M636P
43020-1200
12
6
11
5
10
4
9
3
8
2
7
1
MOLEX
1M607P
43020-1200
12
6
11
5
10
4
9
3
8
2
7
1
Note1) Connector Pin arrangement is not sequential.
Note1)
Note1)
Note1)
Note1)
Panasonic Factory Solutions Co.,Ltd. パナソニック ファクトリーソリューションズ株式会社
Name
Drawing No.
Loc. No.
F4K1020-05A
1
2 3 4 5 6 7 8
A
B
C
D
E
F
1 2 3 4 5 6 7 8
A
B
C
D
E
F
Page. No.
Main Body Wiring : NPM-D3
(Conveyor I/F 1)
N610159580+034AC
P034
1
2
2
2
2