NPM-W2S 20161226.pdf - 第186页
1-A シングルコン ベア:NPM-W2 Single Conveyor:N PM-W 2 パーツレイアウト Kit No. キット 品番 Kit Name キット名称 N610164022AA セクションNo. PARTS LAYOUT Section No. - - O1 ( KN610164022AA-13-1 )

Kit Name
RankQ'ty
番号
Part No.
キット名
品 番 数量 ランク
頁
Page
No.
35
NPM-W2S:プロダクションモジュラー
NPM-W2S:Production Modular
キットリスト
製品品番
Model No.
製品名称
Model Name
NM-EJM5E
KIT LIST
1
145
N610145977AA
Support Pin Automatic Change Unit:NPM-W
下受けピン自動交換ユニット:NPM-W
O459
U70
--
( KEJM5ES-00-35 )

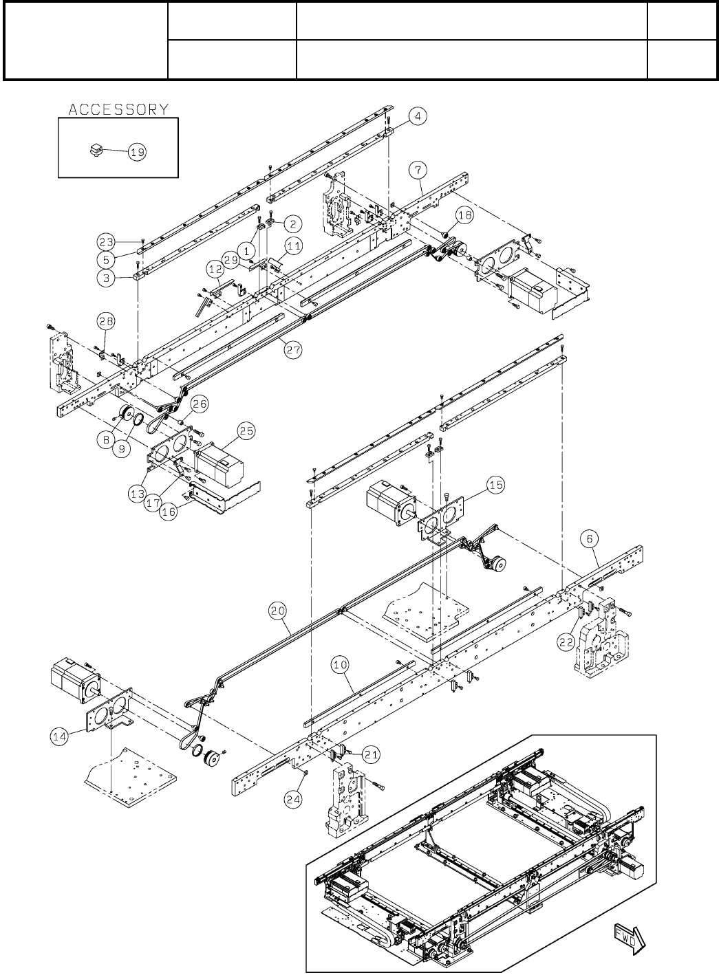
1-A
シングルコンベア:NPM-W2
Single Conveyor:NPM-W2
パーツレイアウト
Kit No.
キット品番
Kit Name
キット名称
N610164022AA
セクションNo.
PARTS LAYOUT
Section No.
--
O1
( KN610164022AA-13-1 )

Ref
No.
Remarks R
1
Q'ty
1-A
シングルコンベア:NPM-W2
Single Conveyor:NPM-W2
イラスト
No.
Part No.
品 名品 番 数量
R
2
パーツリスト
Kit No.
キット品番
Kit Name
キット名称
N610164022AA
Part Name
備 考
セクションNo.
PARTS LIST
Section No.
R
3
GUIDE
2
1 N210105097AC
GUIDE
2
2 N210105096AB
GUIDE
2
3 N210194670AC
GUIDE
2
4 N210194671AD
PLATE
4
5 N210194672AD
FRAME
1
6 N210194710AC
FRAME
1
7 N210194711AC
PULLEY
4
8 N210092041AA
RING
4
9 N210088855AA
A
GUIDE
4
10 N210194688AA
DUCT
2
11 N210157455AA
DUCT
1
12 MTPB006876AA
PLATE
2
13 N210194741AB
BRACKET
1
14 N210197925AD
BRACKET
1
15 N210197926AD
BRACKET
2
16 N210197929AB
BRACKET
2
17 N210200390AB
PULLEY
36
18 N610127907AA
CABLE-SUPPORT
56
19 N510048517AA FT4
BELT
2
20 N510060975AA
A
TA-4UEB M/D 4.5WX1314.5L
FIBER
2
21 N510060532AA CFT0350
FIBER
2
22 N510060533AA CFT0351
BOLT
36
23 N510056643AA SPECIAL LOW HEAD CAP M3X6L(SCM435.Fe3O4)
NUT
4
24 N510048038AA NSMT-04-4
MOTOR
4
25 N510056785AA
S
DU13H713S-02
SPACER
2
26 N510038548AA CF-508E
BELT
2
27 N510060976AA
A
TA-4UEB M/D 4.5WX1174.5L
DUCT
2
28 MTPB002807AA
DUCT
1
29 MTPB006875AA
O2
--
( KN610164022AA-13-1 )