NPM-W2S 20161226.pdf - 第504页
90 文字認識用照明制御ボード追加工事キット:NPM-W Character recog lightning control board additional kit:NPM パーツレイアウト Kit No. キット 品番 Kit Name キット名称 MTKA011721AA セクションNo. PARTS LAYOUT Section No. - - O319 ( KMTKA011721AA-01 )

Ref
No.
Remarks R
1
Q'ty
89
ヘッドカメラLED照明2共通部
Head Camera LED Lighting Unit 2 Common Parts
イラスト
No.
Part No.
品 名品 番 数量
R
2
パーツリスト
Kit No.
キット品番
Kit Name
キット名称
MTKA005412AC
Part Name
備 考
セクションNo.
PARTS LIST
Section No.
R
3
Coaxial White LED Lighit Unit Board
1
1 N610054441AA
S
PLU0AJ-BA
SIDE LED LIGHIT UNIT MAIN BOARD (
WHITE/RED):NPM
1
2 MTKB000130AC
S
PLU0A6-AA
SIDE LED LIGHIT UNIT SUB BOARD (W
HITE/RED):NPM
2
3 MTKB000131AA
S
PLU0A7-AA
BRACKET
2
4 MTKP002641AC
PLATE
1
5 N210074890AC
PLATE
1
6 MTPA009393AB
PLATE
2
7 MTPA009432AC
COVER
1
8 MTPB005125AC
BRACKET
2
9 MTPB005129AD
BRACKET
2
10 MTPB005163AC
SPACER
2
11 N510037359AA ARU-2607S
SPACER
4
12 N510031004AA ASB-2505E
SPACER
4
13 N510028677AA ASB-2506E
NUT
4
14 N510017841AA
Hexagon nut Type-3 Best class M2.5-6H-4T A2J (Trivalent)
SCREW
6
15 N510037361AA
Cross recessed Pan head machine screw M2.6X4-4.8 A2J (Trivalent)
BOLT
4
16 N510017245AA
Hexagon socket head cap screw M2.5X5-10.9 A2J (Trivalent)
BOLT
8
17 N510017244AA
Hexagon socket head cap screw M2.5X4-10.9 A2J (Trivalent)
SCREW
4
18 N510018225AA
Cross recessed Truss head machine screw M2.5X4-4.8 A2J (Trivalent)
WASHER
8
19 N510041286AA
Small round-plain washer 2.5 10H A2J (Trivalent)
SCREW
4
20 N510018226AA
Cross recessed Truss head machine screw M2.5X5-4.8 A2J (Trivalent)
BOLT
4
21 N510017330AA
Hexagon socket head cap screw M3X4-10.9 A2J (Trivalent)
O318
--
( KMTKA005412AC-00 )

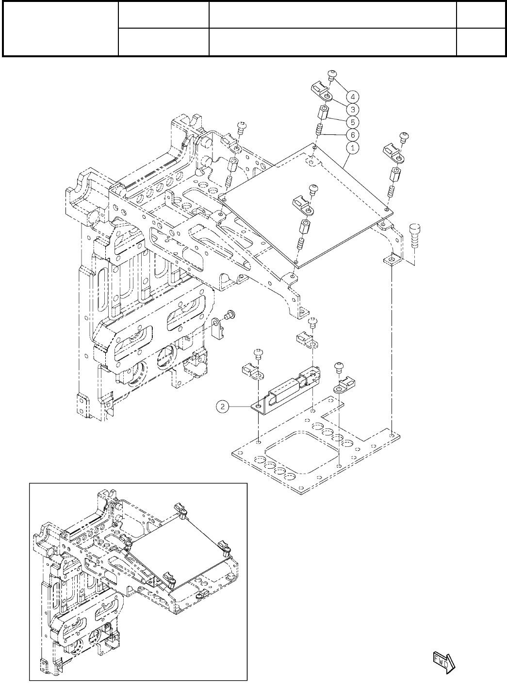
90
文字認識用照明制御ボード追加工事キット:NPM-W
Character recog lightning control board additional kit:NPM
パーツレイアウト
Kit No.
キット品番
Kit Name
キット名称
MTKA011721AA
セクションNo.
PARTS LAYOUT
Section No.
--
O319
( KMTKA011721AA-01 )

Ref
No.
Remarks R
1
Q'ty
90
文字認識用照明制御ボード追加工事キット:NPM-W
Character recog lightning control board additional kit:NPM
イラスト
No.
Part No.
品 名品 番 数量
R
2
パーツリスト
Kit No.
キット品番
Kit Name
キット名称
MTKA011721AA
Part Name
備 考
セクションNo.
PARTS LIST
Section No.
R
3
Character recog lightning control board :N
PM W
1
1 MTKA011722AA
BRACKET
1
2 MTPB006930AB
CLIP
5
3 KXF0BLPAA00 TA1S8-M
BOLT
5
4 N510017534AA
SSS 003 Hexagon socket button head screw M4X6-10.9 A2J (Trivalent)
SPACER
3
5 N510049259AA ASB-410E
SCREW
3
6 XXE4D10FT
Hexagon socket set screw Cup point M4X10-45H SOB
O320
--
( KMTKA011721AA-01 )