NPM-W2 操作篇.pdf - 第104页
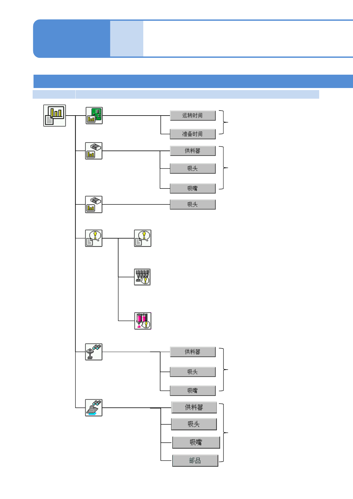
NPM-W 2 EJM7DC-MB-02O-02 第 1 阶层 第 2 阶层 第 3 阶层 第 4 阶层 2-2-2 -3 菜单构成 2 操作员模式 2 各部位 名称 显示各基台的运转时间的信息。 运转信息 吸着情報 显示有关元件的吸着信息。 有关紧急停止错误的信息,按照时间 的最新顺序可以 最多显示 20 件。 停止履历 有关自动运转中发生的真空传感器错 误的信息, 显示最新的 50 件。 履历 真空传感器错误履历 显示有关元件的吸着…

NPM-W2 EJM7DC-MB-02O-02
第1阶层 第2阶层 第3阶层 第4阶层
2-2-2-2
部材準備
显示各吸嘴位置的机器数据。
吸嘴
确认供料器状态。
供料器
进行转印单元的操作。
(搭载转印单元时会显示)
用颜色来显示生产数据和供料器状态。
根据各供料器地址来确认生产中的吸
着位置学习后的补正值。
确认托盘状态。
托盘
用颜色来显示生产数据和托盘状态。
根据各供料器地址来确认生产中的吸
着位置学习后的补正值。
传送带
进行基板支撑销单元的更换动作。
显示基板位置,从各位置进行传送。
调整轨道宽度。
事先计算生产计划所需的元件消耗量。
生产计划
更换点胶嘴(包括点胶器)。
点胶嘴(点胶头)
进行支撑销(自动更换用)的位置、数
量的确认。(支撑销自动更换规格时会
显示。)

NPM-W2 EJM7DC-MB-02O-02
第1阶层 第2阶层 第3阶层 第4阶层
2-2-2-3
菜单构成 2
操作员模式 2
各部位
名称
显示各基台的运转时间的信息。
运转信息
吸着情報
显示有关元件的吸着信息。
有关紧急停止错误的信息,按照时间的最新顺序可以
最多显示20件。
停止履历
有关自动运转中发生的真空传感器错误的信息,
显示最新的50件。
履历
真空传感器错误履历
显示有关元件的吸着信息。
吸着监视器
显示自动运转中发生的试点胶识别错误信息、显示最新的
50件。
试点胶识别错误履历
显示元件检查信息。
检查信息
点胶信息
显示点胶(包含试贴)的信息。
生产信息
菜单
操作篇
2-2-2

NPM-W2 EJM7DC-MB-02O-02
第1阶层 第2阶层 第3阶层 第4阶层
2-2-2-4
更换消磨零件
定期检查
确认各周期的检查项目和操作履历。
显示消磨零件的更换信息。
维护菜单
XY单元
进行XY单元的维护作业。
贴装头
进行贴装头的维护作业。
进行基板传送的维护作业。
传送带
维护作业
托盘
进行托盘供料器的维护作业。
(设置托盘供料器时显示)
精度验证结果
显示精度验证结果。
通知
以经过定制设定后的操作模式,可以进行第1层的 操作。
点胶嘴(点胶头)
进行点胶头的维护作业。