YSH20_cwd_je.pdf
YSH20 Control W iring Diagram KJX/KJY -1201 (CWD)

YSH20
Control Wiring Diagram
KJX/KJY-1201 (CWD)
Table of contents
/目次
YSH20
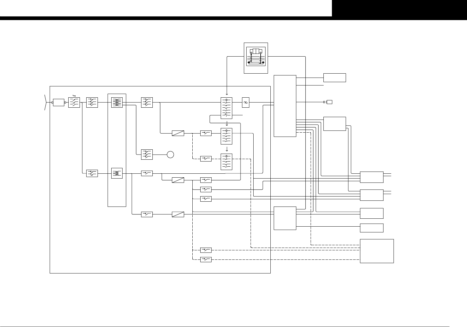
P. 1 Overview/全体接続図
P. 2 Controlbox/コントローラー接続図
P. 3 I/Oconveyor-1-/I/Oコンベアー接続図-1-
P. 4 I/Oconveyor-2-/I/Oコンベアー接続図-2-
P. 5 I/Oconveyor-3-/I/Oコンベアー接続図-3-
P. 6 I/Oconveyor-4-/I/Oコンベアー接続図-4-
P. 7 I/Oconveyor-5-/I/Oコンベアー接続図-5-
P. 8 HeadA(TypeFF)/ヘッドA(FF タイプ )
P. 9 HeadB(TypeFF)/ヘッドB(FF タイプ )
P.10 HeadA(Type4M)/ヘッドA(4M タイプ )
P.11 HeadB(Type4M)/ヘッドB(4M タイプ )
P.12 Cameraunitsel./カメラユニット接続図
P.13 Operationpanelsel./オペレーションパネル接続図
P.14 FeederStructure/フィーダー接続図
P.15 Ionizerassy(Option)/イオナイザー ( オプション )
P.16 Powertransformer/電源トランス接続図
P.17 Powercircuit-1-/電源回路図-1-
P.18 Powercircuit-2-/電源回路図-2-
P.19 Emergencycircuit(NOYWF)/非常停止回路図 (YWF なし )
P.20 Emergencycircuit(withYWF)/非常停止回路図 (YWF あり )
P.21 Wafertable/ウェハーテーブル
P.22 Waferelevation/ウェハーエレベーション
P.23 Waferhead/ウェハーヘッド
P.24 Waferejector/ウェハーエジェクター
P.25 Waferheater/ウェハーヒーター
P.26 Waferpowercircuit/ウェハー電源回路図
P.27 Waferemergencycircuit/ウェハー非常停止回路図
P.28 Aircircuit/エアー回路図
P.29 Aircircuit/エアー回路図
P.30 Aircircuit/エアー回路図(4M)
P.31 Wiringpartslist/配線部品表
Condential & Proprietary

Confidential & Proprietary
PAGE
Rating 6.5KVA MAX.
COMU
See Page 2
COMU
COMU
COMU
COMU
INPUT:
CONTROL BOX
OUTPUT:
CONTROL:1∼ 100V
AC50/60Hz 4.0A(MAX)
MOTOR:3∼ 220V
1∼ AC100V
DRIVER
Main Switch
Terminal
XB11
QS11 40A
3∼
QF11 20A
Main Breaker
TM11 3.77KVA
Transformer
3∼ AC220V
3∼ AC200V
3∼ AC220V
QF31 10A
3∼ AC220V
Filter
Noise
NF11
DC24V
Contactor
3∼ 50/60Hz
200/208/220/240
380/400/416V
TERMIANL
POWER TRANSFORMER
Protector
Circuit
3∼ 3∼ AC220V
CONVEYOR MOTOR
DRIVER
KM10
CH1CH2K2 K1
Safety Relay
EMERGENCY CIRCUIT
AC50/60Hz 9.3A(MAX)
STANDARD
3:2.30KW(TOTAL)
4:3.36KW(TOTAL)
3∼ 200V 0-375Hz
WITH YWF
3:2.30KW(TOTAL)
4:3.36KW(TOTAL)
3∼ 200V 0-375Hz
1:1.90KW(TOTAL)
2:1.90KW(TOTAL)
QF43 4A
QF21 10A
AC100V
AC100V
QF42 2A
1∼
QF12 15A
Main Breaker
1.75KVA(with UPS)
1.5KVA(STD)
TC11
Transformer
1∼1∼ AC100V1∼
KM51/KM51A
3∼ AC200V
Protector
Circuit
DC48V
Contactor
DC48V1∼ AC220V
QF41 5AGS31 600W 12.5A
KM12/KM12A
KM11/KM11A
Contactor
Power Supply
Power Supply
GS21 600W 27A
POWER CIRCUIT
QF44 4A
DC24V
DC48V
DC48V
DC24V
DC24V
DC24V
DC24V
DC48V
AC100V
QF22 5A
1∼ AC100V
GS22 300W 12.5A
Power Supply
FIX10
DC24V2
DC24V
DC24V2 DC24V2
COMU
HEAD SERVO UNIT A
HEAD SERVO UNIT B
COMU
COMU
DC48V
DC24V
DC48V
DC24V
DC48V
DC48V
Each Motors
USB MEMORY
CAMERA UNIT SEL.
I/O CONVEYOR
YWF(OPTION)
DC24V
DC24V
QF53 2A
QF54 2A
See YWF
INTERCONNECTION DIAGRAM
IONIZER ASSY(OPTION)
See Page 3-7
OPERATION PANEL SEL.
COMU
DC24V2
DC48V
DC24V
DC24V
QF51 3A
CAM
CAM
CAM
FEEDER
COMU
M19
QF32 Set 1.3A
(1.0-1.6A)
VACUUM PUMP 0.2kW
See Page 10:TYPE 4M
See Page 11:TYPE 4M
HEAD SENSOR,VALVE
HEAD SENSOR,VALVE
Z,R,CZ SERVO MOTOR
Z,R,CZ SERVO MOTOR
See Page 8:TYPE FF
See Page 9:TYPE FF
See Page 17
See Page 16
See Page 13
See Page 12
See Page 14
See Page 15
See Page 19, 20
CC.V3
1
OVER VIEW
YSH20