NPM料号.pdf - 第477页
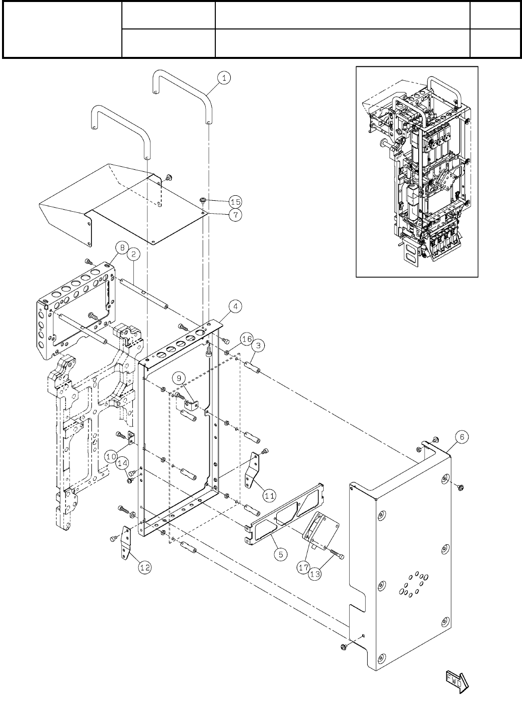
Ref No. Remarks R 1 Q'ty 57-E 軽量8ノズルヘッド Light W eight 8 Nozzle Head イラスト No. Part No. 品 名 品 番 数量 R 2 パーツリスト Kit No. キット品番 Kit Name キット名称 N610166370AA Part Nam e 備 考 セク ション No . PARTS LIST Section No. R 3 HANDLE 2 1 …

57-E
軽量8ノズルヘッド
Light Weight 8 Nozzle Head
パーツレイアウト
Kit No.
キット品番
Kit Name
キット名称
N610166370AA
セクションNo.
PARTS LAYOUT
Section No.
--
O205
( KN610166370AA-09-5 )

Ref
No.
Remarks R
1
Q'ty
57-E
軽量8ノズルヘッド
Light Weight 8 Nozzle Head
イラスト
No.
Part No.
品 名品 番 数量
R
2
パーツリスト
Kit No.
キット品番
Kit Name
キット名称
N610166370AA
Part Name
備 考
セクションNo.
PARTS LIST
Section No.
R
3
HANDLE
2
1 N210193601AB
POST
2
2 N210193570AA
POST
6
3 N210118731AA
BRACKET
1
4 MTPB000017AC
BRACKET
1
5 MTPB000022AB
COVER
1
6 MTPB000021AC
COVER
1
7 MTPB012520AA
BRACKET
1
8 N210200988AC
BRACKET
1
9 MTPB002446AA
BRACKET
1
10 MTPB002447AA
BRACKET
1
11 MTPB002448AA
BRACKET
1
12 MTPB002449AA
BOLT
2
13 N510018811AA
Hexagon socket head cap screw M3X18-10.9 A2J (Trivalent)
SCREW
2
14 N510018675AA
Cross recessed Pan head machine screw with SW & SPW M3X6-4.8 A2J
SCREW
16
15 N510045431AA
Cross recessed pan head machine screw with RPW M3X5-4.8 A2S
NUT
6
16 N510017852AA
Hexagon nut Type-3 Best class M3-6H-4T A2J (Trivalent)
FAN
1
17 N510044728AA 109P0424H738
O206
--
( KN610166370AA-09-5 )

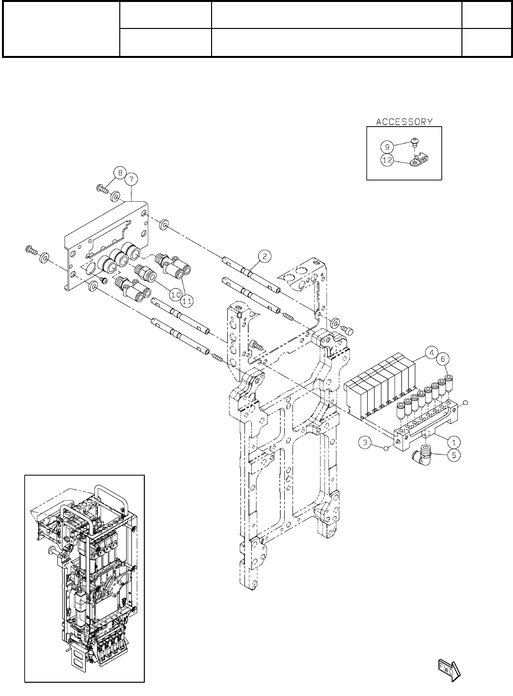
57-F
軽量8ノズルヘッド
Light Weight 8 Nozzle Head
パーツレイアウト
Kit No.
キット品番
Kit Name
キット名称
N610166370AA
セクションNo.
PARTS LAYOUT
Section No.
--
O207
( KN610166370AA-09-6 )