JX-300LED_操作手册.pdf - 第36页
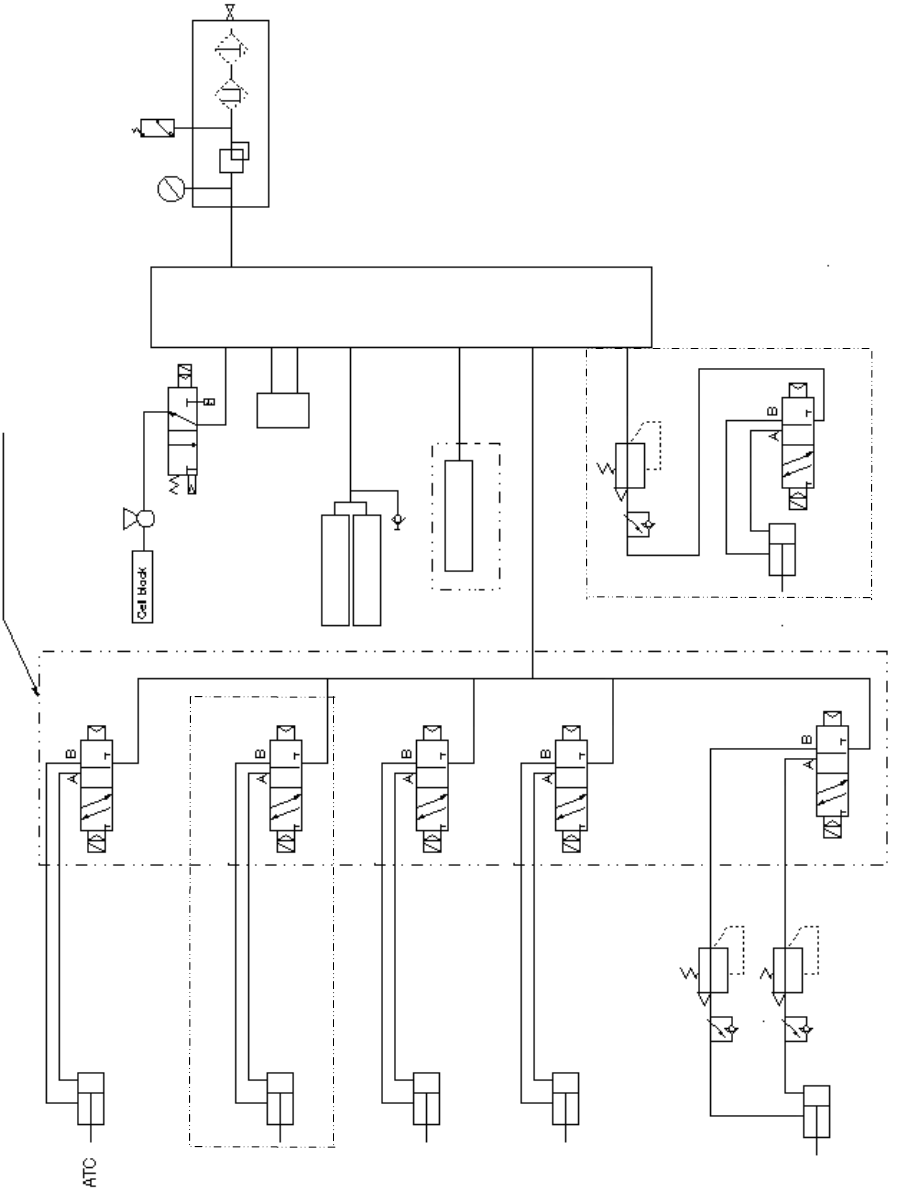
操作手册 (1) 管道系统图 ( 主机 ) φ 12 工程配管 过滤器 调节器 雾分离 压力开关 压力表 复式接头 ( 注 射器) φ 6 φ 8 φ 8 φ 6 φ 6 φ 4 φ 6 贴片头单元 干式气缸 20L F 干式气缸 20R F 空气插口 F 后备气缸 R BU 交换台 ( 选项 ) 带电磁阀的复式接头 传送螺线管 φ 4 φ 4 φ 4 φ 4 φ 4 AE/E 阀 AE/E 阀 φ 4 φ 4 ( 计量表 IN ) 基…

操作手册
1) 请确认没有漏气
1) 主机接通电源后,请选择「手动控制」项目,检查下列各项目的动作状况。
① 基板挡销部
② ATC 单元
✎
手动控制
✎
在确认各项动作、检查传感器的开/关情况时,执行手动控制模式。
有关手动控制的详细内容,请参见「使用说明书」-「第 8 章 手动控制」。
2) 如若动作有问题,请参考下页「管道系统图」进行检查。
检查项目
3-2-3 管道及接头
实施频度 :每周
检查内容 检查气压管道部分是否漏气
检查项目
3-2-4 各单元汽缸
实施频度 :每周
检查内容 检查各汽缸的动作
检查漏气
<右側面奥側>
フィンガバルブ
<右侧后侧>
销阀
在主画面上选择 后,
显示手动控制模式。
3-4

操作手册
(1) 管道系统图(主机)
φ 12
工程配管
过滤器
调节器
雾分离
压力开关
压力表
复式接头
(注射器)
φ 6
φ 8
φ 8
φ 6
φ 6
φ 4
φ 6
贴片头单元
干式气缸 20L F
干式气缸
20R F
空气插口
F
后备气缸 R
BU 交换台
(选项)
带电磁阀的复式接头
传送螺线管
φ 4
φ 4
φ 4
φ 4
φ 4
AE/E
阀
AE/E 阀
φ 4
φ 4
(计量表 IN)
基板固定
挡块 2
挡块 1
φ 4
(
选项
)
φ 4
φ 4
φ 4
(计量表 IN)
AE/E 阀
φ 4
φ 4
(选项)
挡块 3
φ 6
3-5

操作手册
(2)管道系统图(贴片头)
Blow-Sw
P
φ8
Vac-Sw
エジェクタ
フィルタ
圧力センサ
ノズル
喷射泵
φ
8
过滤器
压力传感器
吸嘴
3-6