TR5DNR_TR5DNX-Rev05PDFA.pdf - 第53页
- 50 - REF.NO NOTE PART NO D E S C R I P T I O N 品 名 Qty 1 400-49619 DOOR M OPEN SW CABLE 1 ASM ドアMオープンSWケー ブル1組 1 2 400-49620 DOOR M OPEN SW CABLE 2 ASM ドアMオープンSWケー ブル2組 1 3 400-49621 DOOR M OPEN SW ASM ドアMオープンSW組 1 4 4…

- 49 -
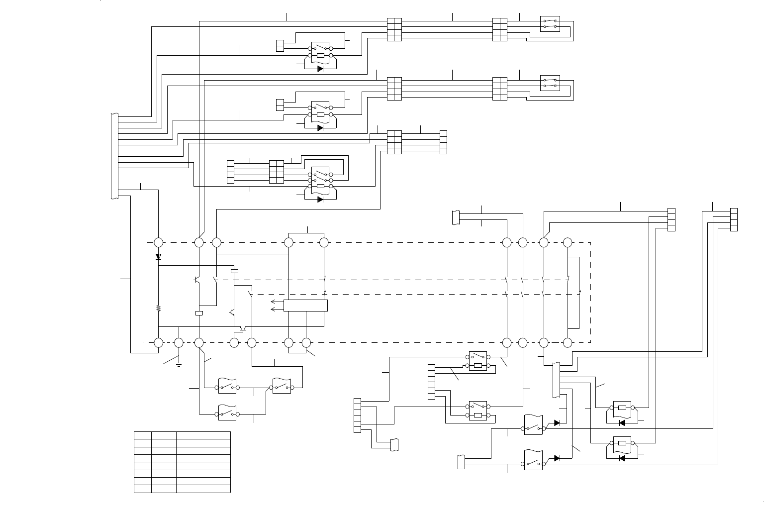
25. WIRING DIAGRAM (10)(FOR EN)
WIRING DIAGRAM(10)(EN 用)
1_1B
(CE)
6_2B
(CE)
6_2B
(CE)
CN107-A
4
3
2
1
MY2 DC24V
MY2 DC24V
MY2 DC24V
MY2 DC24V
G7SA-3A1B DC24V
G7SA-3A1B DC24V
G7SA-3A1B DC24V
OMRON
OMRON
OMRON
OMRON
OMRON
OMRON
OMRON
RLY19
RLY18
RLY16
RLY14
RLY13
RLY12
RLY10
TYPEMAKERSIGN
TB2
-
-
C
C
C
C
C
D13
D11
RLY18
10_4D
D10
1413
TB2
C
RLY19
10_4D
D12
1413
4_4B
(CE)
4_4B
(CE)
OMRON
G9SA-301
SRLY
41
4234
33
4344
CN124
CN123
5-4C
(CE)
CN122
10_4D
12
RLY19
8
10_4C
D6
10_2C
2324
RLY10
10
D9
TB2
+
+
10_2C
4344
5_4C
(CE)
RLY13
10
31
11
DOORSOPENSW
32
12
S
S
S
12
RLY18
8
1413
8
RLY16
12
1413
8
RLY14
10_2B
RLY10
33 34
10_2A
RLY13
33 34
10_2A
10_2C
4344
D8
1_5B
(CE)
TB2
-
-
12
24
23
14
13T32
b
a
BA
Control
Circuit
T31
RLY12
33 34
K1
K2
K2
b
aK1
T23 T22T21PE
T12
A2
T11A1
-
+
-
+
-
RLY12
10
31
11
DOORMOPENSW
32
12
+
-
+
TB2
CN067-B
6
5
4
2
3
1
CN121
CN074
CN072
CN107-B
CN087-BCN087-A
4
3
CN075
CN067-A
6
2
5
1
CN073
1
2
3
44
3
2
1
2
1
2
1
1
2
3
44
3
2
1
4
1
4
3
2
3
1
2
2
1
3
2
3
44
1
4
1
3
2
4
3
2
11
2
3
4
4
3
2
11
2
3
4
4
3
2
11
2
3
4
1
2
3
4
5
6
7
8
9
10
11
12
13
14
15
16
18
17
19
20
21
22
23
24
2625
28
27
29 30
31
32
33
34
35
36
37
38
39
40
41
42 43
44
45

- 50 -
REF.NO NOTE PART NO D E S C R I P T I O N
品 名
Qty
1 400-49619 DOOR M OPEN SW CABLE 1 ASM
ドアMオープンSWケーブル1組
1
2 400-49620 DOOR M OPEN SW CABLE 2 ASM
ドアMオープンSWケーブル2組
1
3 400-49621 DOOR M OPEN SW ASM
ドアMオープンSW組
1
4 400-49623 RELAY12 I/O CABLE 2 ASM
リレー12 I/Oケーブル2組
1
5 400-49622 RELAY12 DRIVE CABLE ASM
リレー12ドライブケーブル組
1
6 400-45229 RELAY12 DIODE CABLE ASM
リレー12ダイオードケーブル組
1
7 400-49627 RELAY13 DRIVE CABLE ASM
リレー13ドライブケーブル組
1
8 400-49629 RELAY13 I/O CABLE 2 ASM
リレー13 I/Oケーブル2組
1
9 400-49624 DOOR S OPEN SW CABLE 1 ASM
ドアSオープンSWケーブル1組
1
10 400-49625 DOOR S OPEN SW CABLE 2 ASM
ドアSオープンSWケーブル2組
1
11 400-49626 DOOR S OPEN SW ASM
ドアSオープンSW組
1
12 400-45234 RELAY13 DIODE CABLE ASM
リレー13ダイオードケーブル組
1
13 400-49662 RELAY10 I/O CABLE 1 ASM
リレー10 I/Oケーブル1組
1
14 400-49634 RELAY10 I/O CABLE 2 ASM
リレー10 I/Oケーブル2組
1
15 400-45212 RELAY10 DRIVE CABLE ASM
リレー10ドライブケーブル組
1
16 400-45211 RELAY10 DIODE CABLE ASM
リレー10ダイオードケーブル組
1
17 400-49630 EMERGENCY SW CABLE(REAR,CE) 1 ASM
エマージェンシSWケーブル(リア,CE)1組
1
18 400-49631 EMERGENCY SW CABLE(REAR,CE) 2 ASM
エマージェンシSWケーブル(リア,CE)2組
1
19 400-45218 SRLY POWER CABLE(+) ASM
SRLYパワーケーブル(+)組
1
20 400-45226 SRLY-T3 CABLE ASM
SRLY−T3ケーブル組
1
21 400-45219 SRLY POWER CABLE(-) ASM
SRLYパワーケーブル(−)組
1
22 400-49633 SRLY-FG CABLE ASM
SRLY−FGケーブル組
1
23 400-49635 RELAY12-33 CABLE ASM
リレー12−33ケーブル組
1
24 400-49637 RELAY13-33 CABLE ASM
リレー13−33ケーブル組
1
25 400-49639 RELAY12-34 CABLE ASM
リレー12−34ケーブル組
1
26 400-49640 RELAY13-34 CABLE ASM
リレー13−34ケーブル組
1
27 400-49641 SRLY-T22 CABLE ASM
SRLY−T22ケーブル組
1
28 400-45225 SRLY-AB CABLE ASM
SRLY−ABケーブル組
1
29 400-49642 SRLY-23 CABLE ASM
SRLY−23ケーブル組
1
30 400-49643 SRLY-13 CABLE ASM
SRLY−13ケーブル組
1
31 400-49646 CG SW S.V. CABLE 2 ASM
CG SW S.V.ケーブル2組
1
32 400-49647 CG SW S.V. CABLE 3 ASM
CG SW S.V.ケーブル3組
1
33 400-49644 RELAY14,16 OUTPUT CABLE ASM
リレー14,16出力ケーブル組
1
34 400-49645 RELAY14,16 DRIVE CABLE ASM
リレー14,16ドライブケーブル組
1
35 400-45240 RELAY14 INPUT CABLE ASM
リレー14入力ケーブル組
1
36 400-45242 RELAY16 INPUT CABLE ASM
リレー16入力ケーブル組
1
37 400-49648 SRLY-34 CABLE ASM
SRLY−34ケーブル組
1
38 400-49651 RELAY18-8 CABLE ASM
リレー18−8ケーブル組
1
39 400-49649 RELAY18-13 CABLE ASM
リレー18−13ケーブル組
1
40 400-49652 RELAY19-13 CABLE ASM
リレー19−13ケーブル組
1
41 400-49650 RELAY18 DIODE CABLE ASM
リレー18ダイオードケーブル組
1
42 400-49655 RELAY18-12 CABLE ASM
リレー18−12ケーブル組
1
43 400-49656 RELAY19-12 CABLE ASM
リレー19−12ケーブル組
1
44 400-49654 RELAY19-8 CABLE ASM
リレー19−8ケーブル組
1
45 400-49653 RELAY19 DIODE CABLE ASM
リレー19ダイオードケーブル組
1

- 51 -
26. WIRING DIAGRAM (11)
WIRING DIAGRAM(11)
CN154
CN153
ANT M2
4
3
4
3
2
1
2
1
ANT S2
4
3
4
3
2
1
2
1
IS ZS_ORG[N]
IS CG_L_IN[N]
IS DOOR_S_LOCK[N]
IS DOOR_M_LOCK[N]
IS GND
IS +5V
IS ZM_ORG[N]
IS CG_R_IN[N]
IS DOOR_M_LOCK[N]
N.C.
IS GND
IS +5V
SCN152
SCN151
CN152
CN151
ANT S1
GND
IN online
IN position
+5V
4
3
4
3
2
1
2
1
+24V
A_485
+24VRTN
B_485
4
3
2
1
4
3
2
1
IS SCN PCB(replace SCN PCB)
6
5
4
3
2
1
6
5
4
3
2
1
6
5
4
3
2
1
6
5
4
3
2
1
ANT M1
GND
IN online
IN position
+5V
4
3
4
3
2
1
2
1
+24V
A_485
+24VRTN
B_485
4
3
2
1
4
3
2
1
4
3
4
3
2
1
2
1
4
3
4
3
2
1
2
1
50
25
49
24
48
23
47
22
46
21
45
20
44
19
43
18
42
17
41
16
40
15
39
14
38
13
37
12
36
11
35
10
34
9
33
8
32
7
31
6
30
5
29
4
28
3
27
2
26
1
50
49
48
47
46
45
44
43
42
41
40
39
38
37
36
35
34
33
32
31
30
29
28
27
26
25
24
23
22
21
20
19
18
17
16
15
14
13
12
11
10
9
8
7
6
5
4
3
2
1
50
49
48
47
46
45
44
43
42
41
40
39
38
37
36
35
34
33
32
31
30
29
28
27
26
25
24
23
22
21
20
19
18
17
16
15
14
13
12
11
10
9
8
7
6
5
4
3
2
1
50
25
49
24
48
23
47
22
46
21
45
20
44
19
43
18
42
17
41
16
40
15
39
14
38
13
37
12
36
11
35
10
34
9
33
8
32
7
31
6
30
5
29
4
28
3
27
2
26
1
MAIN22
9_3D
B
B
B
B
B
B
B
B
B
B
B
B
B
B
B
B
B
B
B
B
B
B
B
B
B
25
24
23
22
21
20
19
18
17
16
15
14
13
12
11
10
9
8
7
6
5
4
3
2
1
A
A
A
A
A
A
A
A
A
A
A
A
A
A
A
A
A
A
A
A
A
A
A
A
A
Inside of TR5D
25
24
23
22
21
20
19
18
17
16
15
14
13
12
11
10
9
8
7
6
5
4
3
2
1
N.C
N.C
N.C
N.C
N.C
N.C
N.C
N.C
N.C
N.C
I/F +5V
I/F +5V
I/F +5V
I/F +5V
N.C
C_OPEN
MTC_EMG[N]
EMG
POWER_ON[N]
RDY[N]/BSY1
I/F GND
RDY/BSY0[N]
I/F GND
WRITE0[N]
I/F GND
WRITE1[N]
I/F GND
I/F GND
WDATA7
WDATA6
WDATA5
WDATA4
I/F GND
I/F GND
WDATA3
WDATA2
WDATA1
WDATA0
I/F GND
I/F GND
RDATA7
RDATA6
RDATA5
RDATA4
I/F GND
I/F GND
RDATA3
RDATA2
RDATA1
RDATA0
MAIN PCB(8/8)
J04 J010P010 CN22
SUB STACKER
ANTENNA ARRAY
14MM 20COJISCAN,
MAIN STACKER
ANTENNA ARRAY
14MM 20COJISCAN,
S-I/F
MTC/MTS I/F
S-I/F
I/F
20
19
18
17
16
15
14
13
12
11
10
9
8
7
6
5
4
3
2
1
20
19
18
17
16
15
14
13
20
19
18
17
16
15
14
13
12
11
10
9
8
7
6
5
4
3
2
1
12
11
10
9
8
7
6
5
4
3
2
1
CN422
12
11
10
9
8
7
6
5
4
3
2
1
12
11
10
9
8
7
6
5
4
3
2
1
EMG[N]
+24V
CV_OP[N]
+24V
TxD-
TxD+
+24V
RxD-
RxD+
MTC_OPEN[N]
MTC_EMG2[N]
POWER_ON2[N]
CN422
CN154
CN153
4
3
4
3
2
1
2
1
4
3
4
3
2
1
2
1
9_3D
Inside of TR5D
MAIN PCB(8/8)
1
2
3
4
5
6
87
9
10