RF04AS_RF08AS_RF12AS_RF16AS_RF24AS_RF32AS_RF44AS_RF56AS_RF72AS_RF88AS-Rev05.pdf - 第12页
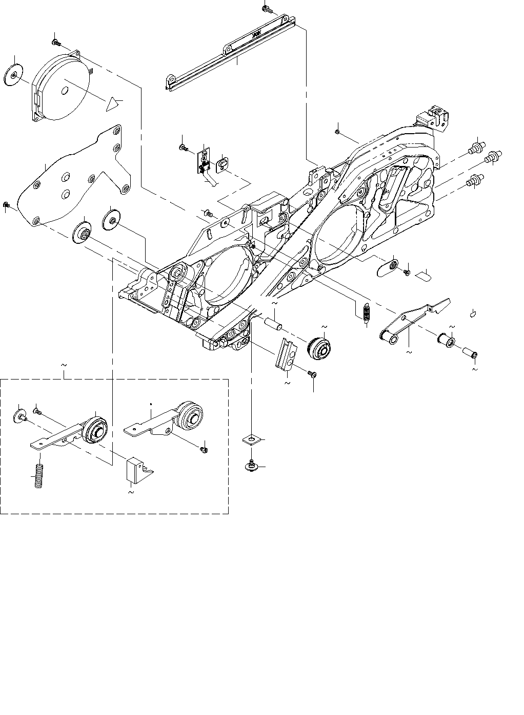
- 9 - 5. RF12 AS,RF12AS(SP),RF16AS,RF 16 AS(SP),RF24AS,RF24AS(SP) (2) 7 9 10 12 13 14 15 16 18 25 26 27 22 24 19 21 44 50 49 46 48 2 53 35 37 38 40 41 55 1 54 52 43 43 3 4 5 6 42 56 45 32 34 29 30 31 28 51 47

- 8 -
NOTE( 注記 ) #01....FOR RF12AS,RF12AS(SP) RF 12 AS,RF 12 AS(SP)用
#02....FOR RF16AS,RF16AS(SP) RF 16 AS,RF 16 AS(SP)用
#03....FOR RF24AS,RF24AS(SP) RF 24 AS,RF 24 AS(SP)用
#04....FOR RF16AS,RF16AS(SP), RF 16 AS,RF 16 AS(SP),
RF24AS,RF24AS(SP) RF 24 AS,RF 24 AS(SP)用
REF.NO NOTE PART NO D E S C R I P T I O N
品 名
Qty
1 401-98755 FRAME_UNIT_12K_C
フレームユニット_12K_C
1
2 401-75340 FEED_WHEEL_ASSY_12K
フィードホイール組_12K
1
3 CM-3003000-01 HIGH TEMPARATURE CAUTION LABEL 2(16)
高温注意シール2(16)
1
4 401-72618 PP_SENSOR_COVER_12K
PPセンサカバー_12K
1
5 401-67277 SUPER_LOW_HEAD_SCREW_M26X4
超低頭ねじ(M2.6×4)
2
6 400-85419 SCREW M2X4
平小ねじ M2X4(SUS)
2
7 401-72617 PP_SENSOR_BR_12K
PPセンサブラケット_12K
1
8 401-67279 COVER_CS_SCREW_MAC_M26X6
カバーCSねじ_MAC(M2.6X6)
1
9 401-67203 FEED_GEAR_D_08K
フィードギアD_08K
1
10 401-67202 FEED_GEAR_E_08K
フィードギアE_08K
1
11 401-72608 LINER_STUD_12K
ライナースタット_12K
3
12 401-71255 FEED_GEAR_GUARD_08K_P
フィードギアガード_08K_P
1
13 401-67264 SPROKET_THRUST_SP_08K
スプロケットスラストスプリング_08K
1
14 401-98996 BINDING_MEC_SCREW_M26X6
バインドメックねじ(M2.6X6)
4
15 401-67260 FEED_GEAR_COVER_12K
フィードギアカバー_12K
1
16 401-67279 COVER_CS_SCREW_MAC_M26X6
カバーCSねじ_MAC(M2.6X6)
1
17 401-67277 SUPER_LOW_HEAD_SCREW_M26X4
超低頭ねじ(M2.6X4)
3
18 401-67205 FEED_GEAR_B_08K
フィードギアB_08K
1
19 401-67204 FEED_GEAR_C_08K
フィードギアC_08K
1
20 401-72671 UCSP_R_12K
UPスプリング_R_12K
1
21 401-67225 UPPER_PUSHER_BR_08K
アッパープッシャーBR_08K
1
22 401-67279 COVER_CS_SCREW_MAC_M26X6
カバーCSねじ_MAC(M2.6X6)
1
23 401-72620 UPPER_COVER_HOOK_12K
アッパーカバーフック_12K
1
24 401-72621 UPPER_COVER_HOOK_PIN_12K
アッパーカバーフックピン12K
1
25 SM-8030302-TP SCREW M3X3
止めねじ M3X3
1
26 401-67263 UC_HOOK_SP_08K
アッパーカバーフックスプリング_08K
1
27
#01
401-75350 UPPER_COVER_UNIT_12K
アッパーカバー_ユニット
1
28
#02
401-75360 UPPER_COVER_UNIT_16K
アッパーカバー_ユニット
1
29
#03
401-75362 UPPER_COVER_UNIT_24K
アッパーカバー_ユニット
1
30
#01
401-75351 UPPER_COVER_12K_ASSY
アッパーカバー12K組
(1)
31
#02
401-75361 UPPER_COVER_16K_ASSY
アッパーカバー16K組
(1)
32
#03
401-75363 UPPER_COVER_24K_ASSY
アッパーカバー24K組
(1)
33
#01
401-72624 PEEL_PLATE_12K
ピールプレート_12K
(1)
34
#02
401-72625 PEEL_PLATE_16K
ピールプレート_16K
(1)
35
#03
401-72626 PEEL_PLATE_24K
ピールプレート_24K
(1)
36
#01
401-72670 SCREW
ねじ
(2)
37
#04
401-72670 SCREW
ねじ
(4)

- 9 -
5. RF12AS,RF12AS(SP),RF16AS,RF16AS(SP),RF24AS,RF24AS(SP) (2)
7 9
10
12
13
14
15
16
18
25
26
27
22 24
19 21
44
50
49
46
48
2
53
35 37
38 40
41
55
1
54
52
43
43
3
4
5
6
42
56
45
32 34
29 30
31
28
51
47

- 10 -
NOTE( 注記 ) #01....FOR RF12AS,RF12AS(SP) RF 12 AS,RF 12 AS(SP)用
#02....FOR RF16AS,RF16AS(SP) RF 16 AS,RF 16 AS(SP)用
#03....FOR RF24AS,RF24AS(SP) RF 24 AS,RF 24 AS(SP)用
#04....FOR RF16AS,RF16AS(SP), RF 16 AS,RF 16 AS(SP),
RF24AS,RF24AS(SP) RF 24 AS,RF 24 AS(SP)用
REF.NO NOTE PART NO D E S C R I P T I O N
品 名
Qty
1 401-67277 SUPER_LOW_HEAD_SCREW_M26X4
超低頭ねじ(M2.6X4)
6
2 401-67202 FEED_GEAR_E_08K
フィードギアE_08K
1
3 SM-8030302-TP SCREW M3X3
止めねじ M3X3
3
4 401-67213 SLIDE_RAIL
スライドレール
1
5 SL-4860891-SC SCREW M2.6 L=8
座金付きなべ小ねじ M2.6 L=8
3
6 401-67290 LOCATE_PIN_A
ロケートピン_A
1
7
#01
401-72646 T_ROLLER_MAIN_SH_12K
テンショナローラーメイン軸_12K
2
8
#02
401-72647 T_ROLLER_MAIN_SH_16K
テンショナローラーメイン軸_16K
2
9
#03
401-72648 T_ROLLER_MAIN_SH_24K
テンショナローラーメイン軸_24K
2
10
#01
401-72649 T_ROLLER_12K
Tローラー_12K
1
11
#02
401-72650 T_ROLLER_16K
Tローラー_16K
1
12
#03
401-72651 T_ROLLER_24K
Tローラー_24K
1
13 400-52050 SCREW M3X6 MEC
メックねじ M3X6
2
14 401-72655 TENSIONER_SP_12K
テンショナスプリング_12K
1
15 401-89573 TENSIONER_REFLECTOR_R
テンショナリフレクタ_R
1
16
#01
401-75354 TENSIONER_ARM_SUB_ASSY_12K
テンショナアームサブ組_12K
1
17
#02
401-75366 TENSIONER_ARM_SUB_ASSY_16K
テンショナアームサブ組_16K
1
18
#03
401-75371 TENSIONER_ARM_SUB_ASSY_24K
テンショナアームサブ組_24K
1
19
#01
401-75355 PULL_IDLER_ARM_ASSY_12K
プルアイドラアーム組_12K
1
20
#02
401-75367 PULL_IDLER_ARM_ASSY_16K
プルアイドラアーム組_16K
1
21
#03
401-75372 PULL_IDLER_ARM_ASSY_24K
プルアイドラアーム組_24K
1
22
#01
401-72642 PULL_UPPER_SCRAPER_12K
プル_アッパー_スクレーパ_12K
(1)
23
#02
401-72643 PULL_UPPER_SCRAPER_16K
プル_アッパー_スクレーパ_16K
(1)
24
#03
401-72644 PULL_UPPER_SCRAPER_24K
プル_アッパー_スクレーパ_24K
(1)
25 401-67280 COVER_SC_TAPPING_SCREW_M26X6
カバーCSタッピンねじ(M2.6X6)
(1)
26 E1524-706-C00 STEP SCREW
レリースレバーガイド段ねじ
(1)
27 401-72645 PULL_IDLER_ARM_SP_12K
プルアイドラアームスプリング_12K
(1)
28
#01
401-75356 PULL_IDLER_ARM_SUB_ASSY_12K
プルアイドラアームサブ組_12K
(1)
29
#02
401-75368 PULL_IDLER_ARM_SUB_ASSY_16K
プルアイドラアームサブ組_16K
(1)
30
#03
401-75373 PULL_IDLER_ARM_SUB_ASSY_24K
プルアイドラアームサブ組_24K
(1)
31
#04
401-81066 IDLER_ARM_SH
アイドラーアームシャフト
(1)
32
#01
401-72627 GEAR_SH_12K
ギアシャフト_12K
1
33
#02
401-72628 GEAR_SH_16K
ギアシャフト_16K
1
34
#03
401-72629 GEAR_SH_24K
ギアシャフト_24K
1
35
#01
401-72630 PULL_GEAR_12K
プルギア12K
1
36
#02
401-72631 PULL_GEAR_16K
プルギア16K
1
37
#03
401-72632 PULL_GEAR_24K
プルギア24K
1
38
#01
401-72633 PULL_LOWER_SCRAPER_12K
プル_ロースクレーパ12K
1
39
#02
401-72634 PULL_LOWER_SCRAPER_16K
プル_ロースクレーパ16K
1
40
#03
401-72635 PULL_LOWER_SCRAPER_24K
プル_ロースクレーパ24K
1
41 401-98996 BINDING_MEC_SCREW_M26X6
バインドメックねじ(M2.6X6)
2
42 401-67291 LOCATE_PIN_BASE
ロケートピンベース
1
43 401-67211 X_AXIS_BASE_PIN_1
X軸ベースピン1
2
44 401-98996 BINDING_MEC_SCREW_M26X6
バインドメックねじ(M2.6X6)
1
45 401-66941 TENSION SENS FPC
テンションセンサFPC
1
46 401-67247 PULL_SENSOR_COVER_A
プル_センサーカバー
1
47 401-83681 ANTIREFLECTION_PAPER
アンチリフレクションペーパ
1
48 401-67277 SUPER_LOW_HEAD_SCREW_M26X4
超低頭ねじ(M2.6X4)
1
49 401-67282 SENSOR_CAP
センサキャップ
1
50 401-78887 ETF REFLECTIVE SENS PCB ASM_C
ETF REFLECTIVEセンサ基板組
1
51 CM-3003000-01 HIGH TEMPARATURE CAUTION LABEL 2(16)
高温注意シール2(16)
1
52 401-67212 X_AXIS_BASE_PIN_2
X軸ベースピン2
1
53 401-67207 PULL_GEAR_A
プルギアA
1
54 401-67208 PULL_GEAR_B
プルギアB
1
55 401-98996 BINDING_MEC_SCREW_M26X6
バインドメックねじ(M2.6X6)
2
56 401-67261 PULL_GEAR_COVER_12K
プルギアカバー_12K
1