RF04AS_RF08AS_RF12AS_RF16AS_RF24AS_RF32AS_RF44AS_RF56AS_RF72AS_RF88AS-Rev05.pdf - 第5页
- 2 - NOTE( 注記 ) #01....FOR RF08AS ,RF08AS(SP) M/C REV.C RF 08 AS,RF 08 AS(SP) マシン REV.C 用 REF.NO NOTE PART NO D E S C R I P T I O N 品 名 Qty 1 401-85729 FRAME_UNIT_08K_C フレームユニット_ 08K_C 1 2 #01 402-07078 FRAME_UNIT_08K_C…

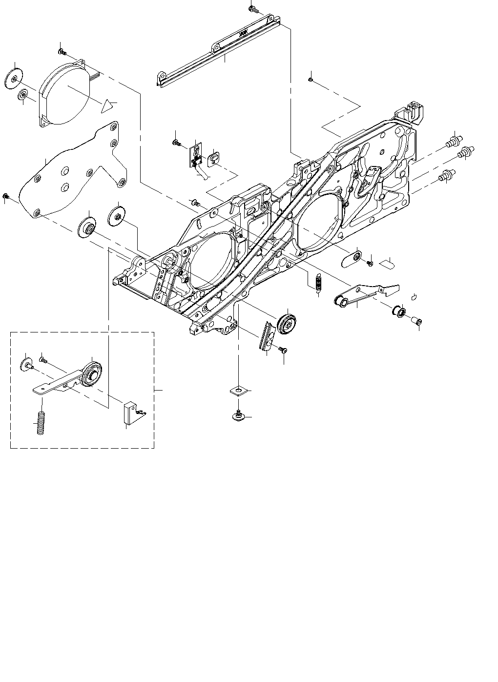
- 1 -
1. RF08AS,RF08AS(SP) (1)
5
4
6
7
3
8
9
10
11
12
12
13
1 2
12
14
15
15
16
18
18
18
17
20
21
28
24
25
23
22
27
26
A
A
29
19
30

- 2 -
NOTE( 注記 ) #01....FOR RF08AS,RF08AS(SP) M/C REV.C RF 08 AS,RF 08 AS(SP)マシン REV.C 用
REF.NO NOTE PART NO D E S C R I P T I O N
品 名
Qty
1 401-85729 FRAME_UNIT_08K_C
フレームユニット_08K_C
1
2
#01
402-07078 FRAME_UNIT_08K_CA
フレームユニット_08K_CA
1
3 401-69533 FEED_WHEEL_ASSY_08K
フィードホイール組_08K
1
4 400-85419 SCREW M2X4
平小ねじ M2X4(SUS)
2
5 401-67231 PP_SENSOR_BR_08K
PPセンサブラケット_08K
1
6 401-67230 PP_SENSOR_COVER
PP_センサカバー
1
7 401-67279 COVER_CS_SCREW_MAC_M26X6
カバーCSねじ_MAC(M2.6X6)
1
8 401-67205 FEED_GEAR_B_08K
フィードギアB_08K
1
9 401-67204 FEED_GEAR_C_08K
フィードギアC_08K
1
10 401-67203 FEED_GEAR_D_08K
フィードギアD_08K
1
11 401-67202 FEED_GEAR_E_08K
フィードギアE_08K
1
12 401-03295 LINER_STUD
ライナースタッド
3
13 401-71255 FEED_GEAR_GUARD_08K_P
フィードギアガード_08K_P
1
14 401-67264 SPROKET_THRUST_SP_08K
スプロケットスラストスプリング_08K
1
15 401-98996 BINDING_MEC_SCREW_M26X6
バインドメックねじ(M2.6X6)
4
16 401-67260 FEED_GEAR_COVER_12K
フィードギアカバー_12K
1
17 401-67279 COVER_CS_SCREW_MAC_M26X6
カバーCSねじ_MAC(M2.6X6)
1
18 401-67277 SUPER_LOW_HEAD_SCREW_M26X4
超低頭ねじ(M2.6X4)
3
19 CM-3003000-01 HIGH TEMPARATURE CAUTION LABEL 2(16)
高温注意シール2(16)
1
20 401-67225 UPPER_PUSHER_BR_08K
アッパープッシャーBR_08K
1
21 SM-1860601-SC SCREW M2.6 L=6
皿小ねじ M2.6 L=6
1
22 401-67223 UPPER_COVER_HOOK_08K
アッパーカバーフック_08K
1
23 401-67226 UPPER_COVER_HOOK_PIN_08K
アッパーカバーフックピン_08K
1
24 SM-8030302-TP SCREW M3X3
止めねじ M3X3
1
25 401-67263 UC_HOOK_SP_08K
アッパーカバーフックスプリング_08K
1
26 400-85419 SCREW M2X4
平小ねじ M2X4(SUS)
1
27 401-78024 SUPPORT_PLATE_K
テープサポートK
1
28 401-67224 UCSP_R_08K
UPスプリング_R_08K
1
29 401-67220 UPPER_COVER_08K
アッパーカバー_08K
1
30
#01
401-98968 FEED_GEAR_F_R08
フィードギアF_R08
1

- 3 -
2. RF08AS,RF08AS(SP) (2)
3
4
5
6
7
8
11
12
13
10
14
9
17
16
22
19
21
24
25
27
28
29
29
31
26
35
32
32
36
1
2
15
23
30
18
33
20
34