RF04AS_RF08AS_RF12AS_RF16AS_RF24AS_RF32AS_RF44AS_RF56AS_RF72AS_RF88AS-Rev05.pdf - 第29页
- 26 - NOTE( 注記 ) #01....FOR RF72AS,RF72AS(SP) RF 72 AS, RF 72 AS(SP)用 #02....FOR RF88AS RF 88 AS 用 REF.NO NOTE PART NO D E S C R I P T I O N 品 名 Qty 1 402-07091 SENSOR_OPEN _CAP センサオープンキャップ 1 2 401-62445 ETF REFLECTIVE …

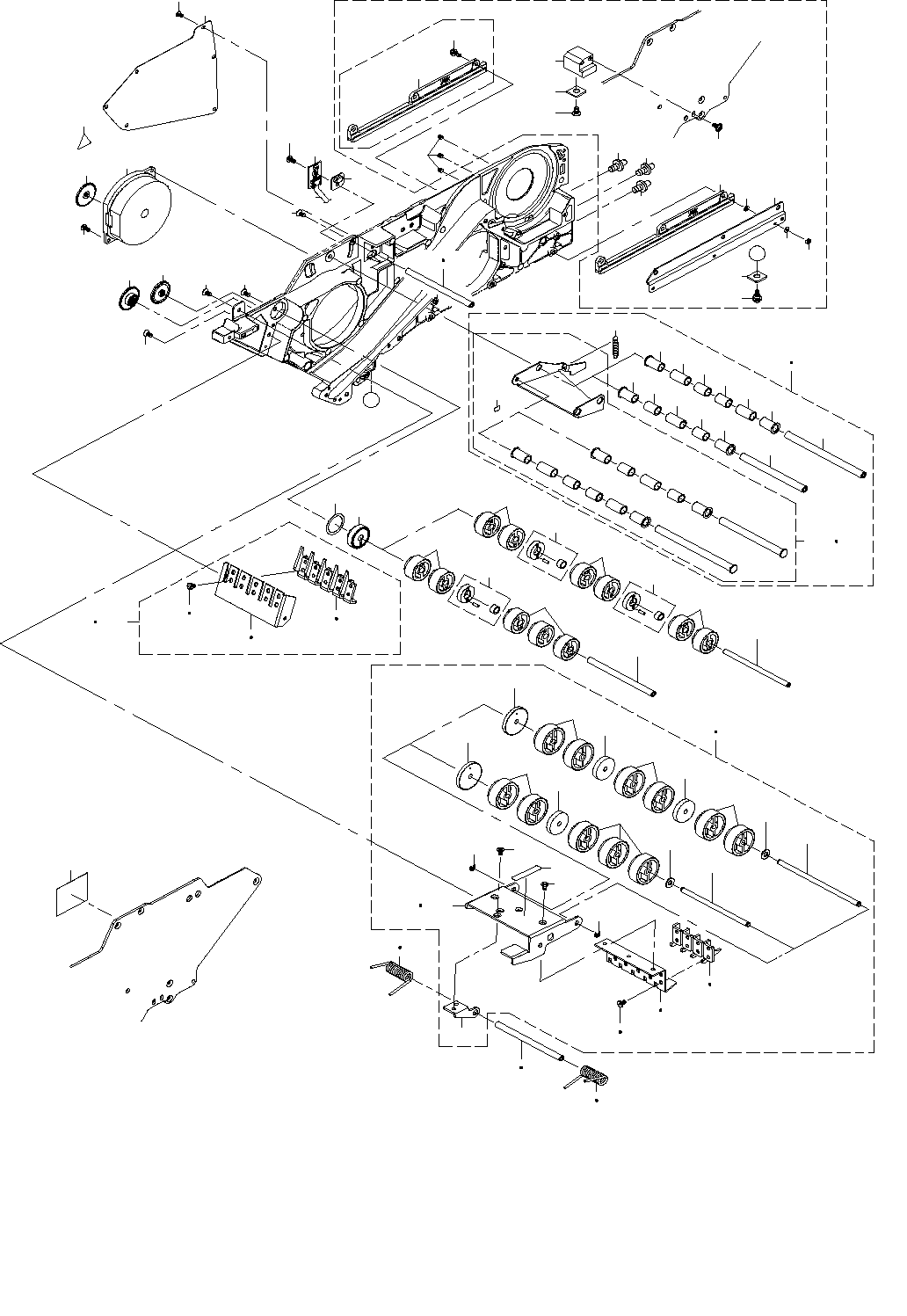
- 25 -
13.RF72AS,RF72AS(SP),RF88AS (3)
32
2
4
1
3
7
10
6
8
9
11
12
14
13
30
30 31
30 31
32
32
37
39
39
40
43
61 62
63
64 65
66
66
67 68
69 70
49
50
51
55
56
58
58
71 72
73
74
79 80
81 82
83 84
77 78
85
47 48
18
19
24
24
25
26
28
27
A
A
46
5
15
21
22
23
23
20
28
29
16
17
41
40
42
42
38
45
45
44
44
35 36
33 34
53
51
59
52
57
54
60
54
52
52
75
75
76
76
76
31
86
86
86

- 26 -
NOTE( 注記 ) #01....FOR RF72AS,RF72AS(SP) RF 72 AS,RF 72 AS(SP)用
#02....FOR RF88AS RF 88 AS 用
REF.NO NOTE PART NO D E S C R I P T I O N
品 名
Qty
1 402-07091 SENSOR_OPEN_CAP
センサオープンキャップ
1
2 401-62445 ETF REFLECTIVE SENS PCB ASM
ETF REFLECTIVEセンサ基板組
1
3 401-98996 BINDING_MEC_SCREW_M26X6
バインドメックねじ(M2.6×6)
1
4 401-90456 TENSION_SENS_FPC_R32
テンションセンサFPC_R32
1
5 401-66951 MOTOR_ASSY_32K
モータ_組Y_32K
1
6 CM-3003000-01 HIGH TEMPARATURE CAUTION LABEL 2 (16)
高温注意シール 2 (16)
1
7 402-26792 FEED_GEAR_E_ST_R08
フィードギア_E_ST_R08
1
8 402-26793 PULL_GEAR_A_ST_R08
プルギア_A_ST_R08
1
9 402-36746 PULL_GEAR_B_ST
プルギアB_ST
1
10 401-98996 BINDING_MEC_SCREW_M26X6
バインドメックねじ(M2.6×6)
2
11 401-89109 PULL_GEAR_COVER
プルギアカバー
1
12 401-89110 LOW_HEAD_SCREW_M26_L4
低頭ねじ M2.6_L4
6
13 402-36747 PULL_DRIVE_GEAR_ST
プルドライブギアST
1
14 401-89129 PULL_GEAR_SPACER
プルギアスペーサ
1
15 E3856-721-000 A CLOTHES PAPER
ラシャペーパ
1
16 402-30171 SUPER_LOW_HEAD_SCREW_M3X6
超極低頭ねじ M3×6
1
17 402-02970 SFBS-M3_L6_MEC
SFBS−M3_L6_MEC
2
18 401-67213 SLIDE_RAIL
スライドレール
1
19 SL-4860891-SC SCREW M2.6 L=8
座金付きなべ小ねじ M2.6 L=8
3
20 401-67213 SLIDE_RAIL
スライドレール
1
21 402-30172 SUB_RAIL_BR_R72
サブレールブラケットR72
1
22 NM-6020001-SC NUT M2X0.4 TYPE1
六角 ナット M2X0.4 1種
3
23 WP-0220301-SC WASHER M2
平座金みがき丸 M2
6
24 401-67211 X_AXIS_BASE_PIN_1
X軸ベースピン1
2
25 401-67212 X_AXIS_BASE_PIN_2
X軸ベースピン2
1
26 SM-8030302-TP SCREW M3X3
止めねじ M3X3
3
27 401-67290 LOCATE_PIN_A
ロケートピン_A
1
28 401-67291 LOCATE_PIN_BASE
ロケートピンベース
2
29 402-30173 SUB_LOCATE_BLOCK_R72
サブロケートブロックR72
1
30
#01
402-30190 FRAME_SH_R72
フレームSH_R72
3
31
#02
402-30215 FRAME_SH_R88
フレームSH_R88
3
32 400-52050 SCREW M3X6 MEC
メックねじ M3X6
3
33
#01
402-33591 TENSIONER_ARM_ASSY_R72
テンショナアーム組_R72
1
34
#02
402-33607 TENSIONER_ARM_ASSY_R88
テンショナアーム組_R88
1
35
#01
402-33592 TENSIONER_ARM_SUB_ASSY_R72
テンショナアームサブ組_R72
(1)
36
#02
402-33608 TENSIONER_ARM_SUB_ASSY_R88
テンショナアームサブ組_R88
(1)
37
#01
402-30196 T_ROLLER_MAIN_SH_R72
TローラメインSH_R72
(1)
38
#02
402-30220 T_ROLLER_MAIN_SH_R88
TローラメインSH_R88
(1)
39
#01
401-89139 T_ROLLER
Tローラ
(2)
40
#01
401-89140 T_ROLLER_SPACER
Tローラスペーサ
(2)
41
#01
402-30169 T_ROLLER_SPACER_L16
TローラスペーサL16
(1)
42
#02
402-30169 T_ROLLER_SPACER_L16
TローラスペーサL16
(2)
43 401-72655 TENSIONER_SP_12K
テンショナスプリング_12K
(1)
44
#02
401-89139 T_ROLLER
Tローラ
(2)
45
#02
401-89140 T_ROLLER_SPACER
Tローラスペーサ
(2)
46 401-89573 TENSIONER_REFLECTOR_R
テンショナリフレクタ_R
(1)
47
#01
402-33593 PULL_IDLER_ARM_ASSY_R72
プルアイドラアーム組_R72
1
48
#02
402-33609 PULL_IDLER_ARM_ASSY_R88
プルアイドラアーム組_R88
1
49 401-76841 KEEP_HANDS_AWAY_LABEL
巻き込み注意ラベル
(1)
50
#01
401-89122 PULL_IDLER_GEAR
プルアイドラギア
(1)
51
#01
401-74648 PULL_IDLER_GEAR_EXTENSION
プルアイドライクステンション
(5)
52
#02
401-74648 PULL_IDLER_GEAR_EXTENSION
プルアイドライクステンション
(6)
53
#01
402-30168 ID_GEAR_SPACER_L4
IDギアスペーサ_L4
(1)
54
#02
402-30168 ID_GEAR_SPACER_L4
IDギアスペーサ_L4
(2)
55
#01
WP-0430801-SC WASHER M4
平座金 M4
(1)
56
#01
402-30189 IDLER_GEAR_SH_R72
アイドラギアSH_R72
(1)
57
#02
402-30218 IDLER_GEAR_SH_R88
アイドラギアSH_R88
(1)
58 RE-0250000-K0 E-RING 2.5
E形止め輪 2.5
(2)
59
#02
401-89122 PULL_IDLER_GEAR
プルアイドラギア
(1)
60
#02
WP-0430801-SC WASHER M4
平座金 M4
(1)
61
#01
402-30188 PULL_IDLER_ARM_R72
プルアイドラアームR72
(1)
62
#02
402-30217 PULL_IDLER_ARM_R88
プルアイドラアームR88
(1)
63 401-89197 ARM_SH_HOLDER_A
アームSHホルダ_A
(1)
64
#01
402-30187 PULL_UPPER_SCRAPER_BASE_R72
プルアッパースクレーパベーススR72
(1)
65
#02
402-30216 PULL_UPPER_SCRAPER_BASE_R88
プルアッパースクレーパベーススR88
(1)
66 400-55256 SCREW M3X5 MEC
メックねじ M3X5
(5)
67
#01
401-89117 PULL_UPPER_SCRAPER
プルアッパースクレーパ
(5)
68
#02
401-89117 PULL_UPPER_SCRAPER
プルアッパースクレーパ
(6)
69
#01
EZ-4453818-01 BOLT (CBSTSR3-5)
超極低頭ボルト(CBSTSR3−5)
(10)
70
#02
EZ-4453818-01 BOLT (CBSTSR3-5)
超極低頭ボルト(CBSTSR3−5)
(12)
71
#01
402-30199 PULL_IDLER_ARM_SP_L_R72
プルアイドラアームSP_L_R72
1
72
#02
402-30211 PULL_IDLER_ARM_SP_L_R88
プルアイドラアームSP_L_R88
1
73
#01
402-30200 PULL_IDLER_ARM_SP_R_R72
プルアイドラアームSP_R_R72
1
74
#02
402-30212 PULL_IDLER_ARM_SP_R_R88
プルアイドラアームSP_R_R88
1
75
#01
401-89128 PULL_DRIVE_EXTENSION
プルドライブイクステンション
5
76
#02
401-89128 PULL_DRIVE_EXTENSION
プルドライブイクステンション
6
77
#01
402-33594 PULL_LOWER_SCRAPER_ASSY_R72
プルロワースクレーパ組_R72
1
78
#02
402-33610 PULL_LOWER_SCRAPER_ASSY_R88
プルロワースクレーパ組_R88
1
79
#01
402-30195 PULL_LOWER_SCRAPER_BASE_R72
プルロワースクレーパベースR72
(1)
80
#02
402-30219 PULL_LOWER_SCRAPER_BASE_R88
プルロワースクレーパベースR88
(1)
81
#01
401-89126 PULL_LOWER_SCRAPER
プルロワースクレーパ
(5)
82
#02
401-89126 PULL_LOWER_SCRAPER
プルロワースクレーパ
(6)
83
#01
EZ-4453818-01 BOLT (CBSTSR3-5)
超極低頭ボルト(CBSTSR3−5)
(10)
84
#02
EZ-4453818-01 BOLT (CBSTSR3-5)
超極低頭ボルト(CBSTSR3−5)
(12)
85 400-52050 SCREW M3X6 MEC
メックねじ M3X6
1
86 402-40925 PULL_GEAR_JOINT_L4_ASSY
プルギアジョイントL4組
3

- 27 -
14.RF72AS,RF72AS(SP),RF88AS (4)
6
7
3
4
5
16
15
14
13
17
10
9
18
19
19
18
18
19
20
21
A
A
37
40
41
33
43
44
42
46
51
47
50
54
57
48
49
56
55
B
B
37
37
59
58
60
61
31 32
53
52
50
8
11
12
2
1
38
39
36
34
35
C
C
45
45
26 27
26 27
28
29
26 27
28
29
26 27
30
30
30
30
30
30
30
30
24
25
22 23