RF04AS_RF08AS_RF12AS_RF16AS_RF24AS_RF32AS_RF44AS_RF56AS_RF72AS_RF88AS-Rev05.pdf - 第32页
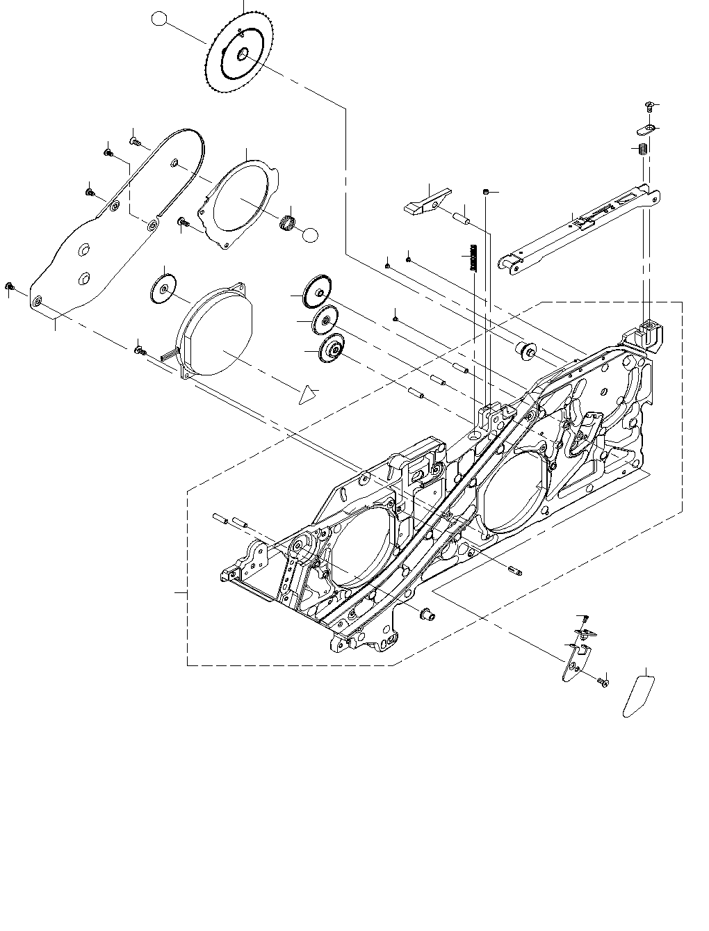
- 2 9 - 1 5 .RF04A S (1) 3 2 4 5 17 6 7 8 9 10 10 11 1 10 12 13 13 14 16 16 16 15 18 19 24 22 23 21 20 A A 25 26

- 28 -
NOTE( 注記 ) #01....FOR RF72AS,RF72AS(SP) RF 72 AS,RF 72 AS(SP)用
#02....FOR RF88AS RF 88 AS 用
#03....FOR RF72AS(SP) RF 72 AS(SP)用
REF.NO NOTE PART NO D E S C R I P T I O N
品 名
Qty
1 401-89106 CABLE_COVER
ケーブルカバー
1
2 SL-4860891-SC SCREW M2.6 L=8
座金付きなべ小ねじ M2.6 L=8
4
3 401-67218 CLAMP_MAIN_SH
クランプメインSH
1
4 401-67279 COVER_CS_SCREW_MAC_M26X6
カバーCSねじ_MAC(M2.6×6)
1
5 401-67265 CLAMP_SP
クランプスプリング_08K_A
1
6 401-67216 GEAR_SH_08K
ギアシャフト_08K
1
7 SM-8030602-TP SCREW M3X0.5 L=6
止めねじ M3X0.5 L=6
1
8 401-67237 CLAMP_LEVER_PIN
クランプレバーピン
1
9 402-02970 SFBS-M3_L6_MEC
SFBS−M3_L6_MEC
1
10 401-67238 CLAMP_SPRING_GUIDE
クランプスプリングガイド
1
11 402-04901 CLAMP_LEVER_SUB_ASSY_R08
クランプレバーサブ組_R08
1
12 401-89573 TENSIONER_REFLECTOR_R
テンショナリフレクタ_R
(1)
13 401-62445 ETF REFLECTIVE SENS PCB ASM
ETF REFLECTIVEセンサ基板組
1
14 401-98996 BINDING_MEC_SCREW_M26X6
バインドメックねじ(M2.6×6)
1
15 NM-6860003-SC NUT M2.6 TYPE3
六角 ナット M2.6 3種
1
16 401-66940 LOCK SENS FPC
ロックセンサFPC
1
17 402-07091 SENSOR_OPEN_CAP
センサオープンキャップ
1
18 401-67250 CLAMP_WIRE_GUIDE_B
クランプワイヤガイド_B
3
19 401-67279 COVER_CS_SCREW_MAC_M26X6
カバーCSねじ_MAC(M2.6×6)
6
20 RE-0250000-K0 E-RING 2.5
E形止め輪 2.5
1
21 401-91037 CLAMP_WIRE_R32
クランプワイヤR32
1
22
#01
402-33597 REELHOLDER_UNIT_R72
リールホルダユニット_R72
1
23
#02
402-33612 REELHOLDER_UNIT_R88
リールホルダユニット_R88
1
24 402-30227 REEL_HOLDER_PLATE_S_L
リールホルダプレートS_L
(1)
25 402-30228 REEL_HOLDER_PLATE_S_R
リールホルダプレートS_R
(1)
26
#01
402-30229 REEL_HOLDER_SH_S_R72
リールホルダーSH_S_R72
(4)
27
#02
402-30230 REEL_HOLDER_SH_S_R88
リールホルダーSH_S_R88
(4)
28
#01
402-30231 ROLLER_16
ローラ_16
(12)
29
#02
402-30231 ROLLER_16
ローラ_16
(14)
30 402-30171 SUPER_LOW_HEAD_SCREW_M3X6
超極低頭ねじM3×6
(8)
31 401-67233 DUMMY_SENSOR
ダミーセンサ
1
32
#03
401-66944 SPLICE SENSOR
スプライスセンサ
1
33 402-07093 REAR_CABLE_COVER_S_ASSY
リアケーブルカバー_S組
1
34 402-37523 CONNECTION_PLATE
コネクションプレート
1
35 402-37524 WASHER_3_6_08
ワッシャ_3_6_08
1
36 401-89150 HANDLE_R32
ハンドルR32
1
37 401-98996 BINDING_MEC_SCREW_M26X6
バインドメックねじ(M2.6×6)
3
38 WS-0270002-KN SPRING WASHER M2.6
ばね座金 M2.6
3
39 WP-0280501-SC WASHER M2.6
平座金みがき丸 M2.6
3
40 401-66942 MENBRANE SWITCH
MENBRANEスイッチ
1
41 402-37028 HANDLE_REINFORCED_PLATE_R72
ハンドル補強板 R72
1
42 401-97340 COVER_CS_SCREW_MEC_M26X12
カバーCSねじ_MEC(M2.6X12)
4
43 401-67253 EXTENSION_PLATE
延長プレート
1
44 401-67280 COVER_SC_TAPPING_SCREW_M26X6
カバーCSタッピンねじ(M2.6×6)
2
45 SL-4861291-SC SCREW M2.6 L=12
座金付きなべ小ねじ M2.6 L=12
2
46 401-66952 ETF 12 MAIN PCB ASM
ETF 12メイン基板組
1
47 ST-4860821-SN TAPPING SCREW M2.5X8
タッピンねじ
2
48 401-72665 HEAT_SINK_PLATE_12K
ヒートシンクプレート_12K
1
49 401-67279 COVER_CS_SCREW_MAC_M26X6
カバーCSねじ_MAC(M2.6×6)
2
50 401-66943 RADIATION SHEET
RADIATIONシート
2
51 401-89151 PCB_COVER
基板カバー
1
52 401-89152 E_PLATE
Eプレート
1
53 401-67277 SUPER_LOW_HEAD_SCREW_M26X4
超低頭ねじ(M2.6×4)
2
54 SL-4860891-SC SCREW M2.6 L=8
座金付きなべ小ねじ M2.6 L=8
5
55 HX-0031400-00 SPIRAL TUBE
スパイラルチューブ
0.14
56 EA-9500B00-00 CABLE BAND
束線バンド
3
57 401-91040 S_SENSOR_COVER_ASSY
Sセンサカバー組
1
58 401-89153 S_SENSOR_COVER
Sセンサカバー
(1)
59 401-89200 SPONGE_SS
スポンジSS
(1)
60 401-67279 COVER_CS_SCREW_MAC_M26X6
カバーCSねじ_MAC(M2.6×6)
(3)
61 NM-6860003-SC NUT M2.6 TYPE3
六角 ナット M2.6 3種
(2)

-
29 -
15.RF04AS (1)
3
2
4
5
17
6
7
8
9
10
10
11
1
10
12
13
13
14
16
16
16
15
18
19
24
22
23
21
20
A
A
25
26

-
30 -
REF.NO NOTE PART NO D E S C R I P T I O N
品 名
Qty
1 402-09064 FRAME_UNIT_R04_C
フレームユニット_R04_C
1
2 400-85419 SCREW M2X4
平小ねじ M2X4(SUS)
2
3 401-67231 PP_SENSOR_BR_08K
PPセンサブラケット_08K
1
4 401-67230 PP_SENSOR_COVER
PP_センサカバー
1
5 401-67279 COVER_CS_SCREW_MAC_M26X6
カバーCSねじ_MAC(M2.6X6)
1
6 401-67205 FEED_GEAR_B_08K
フィードギアB_08K
1
7 401-67204 FEED_GEAR_C_08K
フィードギアC_08K
1
8 401-67203 FEED_GEAR_D_08K
フィードギアD_08K
1
9 401-67202 FEED_GEAR_E_08K
フィードギアE_08K
1
10 401-72608 LINER_STUD_12K
ライナースタット_12K
3
11 401-71255 FEED_GEAR_GUARD_08K_P
フィードギアガード_08K_P
1
12 401-67264 SPROKET_THRUST_SP_08K
スプロケットスラストスプリング_08
1
13 401-98996 BINDING_MEC_SCREW_M26X6
バインドメックねじ(M2.6X6)
4
14 401-67260 FEED_GEAR_COVER_12K
フィードギアカバー_12K
1
15 401-67279 COVER_CS_SCREW_MAC_M26X6
カバーCSねじ_MAC(M2.6X6)
1
16 401-67277 SUPER_LOW_HEAD_SCREW_M26X4
超低頭ネジ(M2.6X4)
3
17 401-99006 FEED_WHEEL_ASSY_R04
フィードホイール組_R04
1
18 401-67225 UPPER_PUSHER_BR_08K
アッパープッシャーBR_08K
1
19 SM-1860601-SC SCREW M2.6 L=6
皿小ねじ M2.6 L=6
1
20 401-67223 UPPER_COVER_HOOK_08K
アッパーカバーフック_08K
1
21 401-67226 UPPER_COVER_HOOK_PIN_08K
アッパーカバーフックピン_08K
1
22 SM-8030302-TP SCREW M3X3
止めねじ M3X3
1
23 401-67263 UC_HOOK_SP_08K
アッパーカバーフックスプリング_08
1
24 401-67224 UCSP_R_08K
UPスプリング_R_08K
1
25 401-99043 UPPER_COVER_W4P1
アッパーカバー_W4P1
1
26 CM-3003000-01 HIGH TEMPARATURE CAUTION LABEL 2(16)
高温注意シール2(16)
1