yv88xg_j.pdf - 第10页
PA G E 8 YV88Xg (KGA) Con fi dential & Proprietary KGA-000-CN5 Camera unit

PAGE
7
YV88Xg (KGA)
Confi dential & Proprietary
KGA-000-CN5
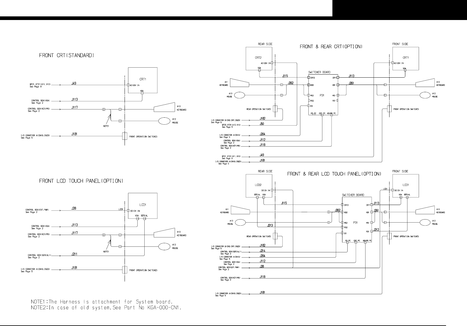
Monitor sel.

PAGE
8
YV88Xg (KGA)
Confi dential & Proprietary
KGA-000-CN5
Camera unit

PAGE
9
YV88Xg (KGA)
Confi dential & Proprietary
KGA-000-CN5
Power circuit