yv88xg_j.pdf - 第9页
PA G E 7 YV88Xg (KGA) Con fi dential & Proprietary KGA-000-CN5 Monitor sel.

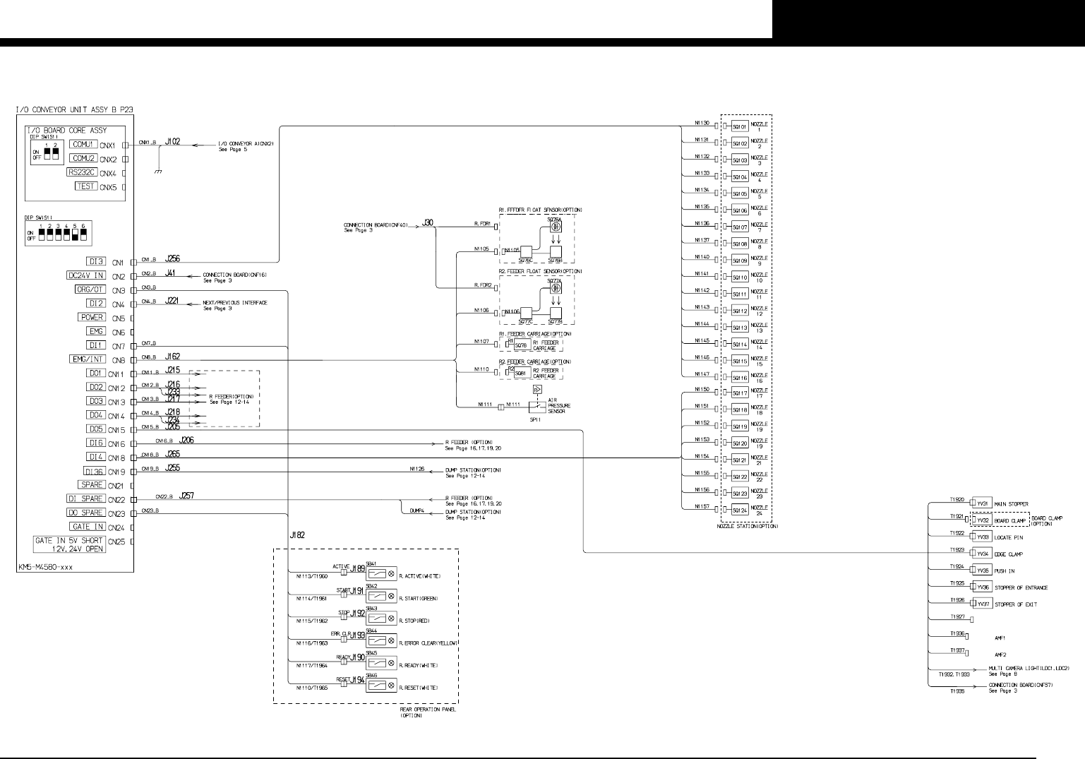
PAGE
6
YV88Xg (KGA)
Confi dential & Proprietary
KGA-000-CN5
I/O conveyor-B-

PAGE
7
YV88Xg (KGA)
Confi dential & Proprietary
KGA-000-CN5
Monitor sel.

PAGE
8
YV88Xg (KGA)
Confi dential & Proprietary
KGA-000-CN5
Camera unit