yv88xg_j.pdf - 第23页
PA G E 21 YV88Xg (KGA) Con fi dential & Proprietary KGA-000-CN5 Cli FIX20 feeder structure

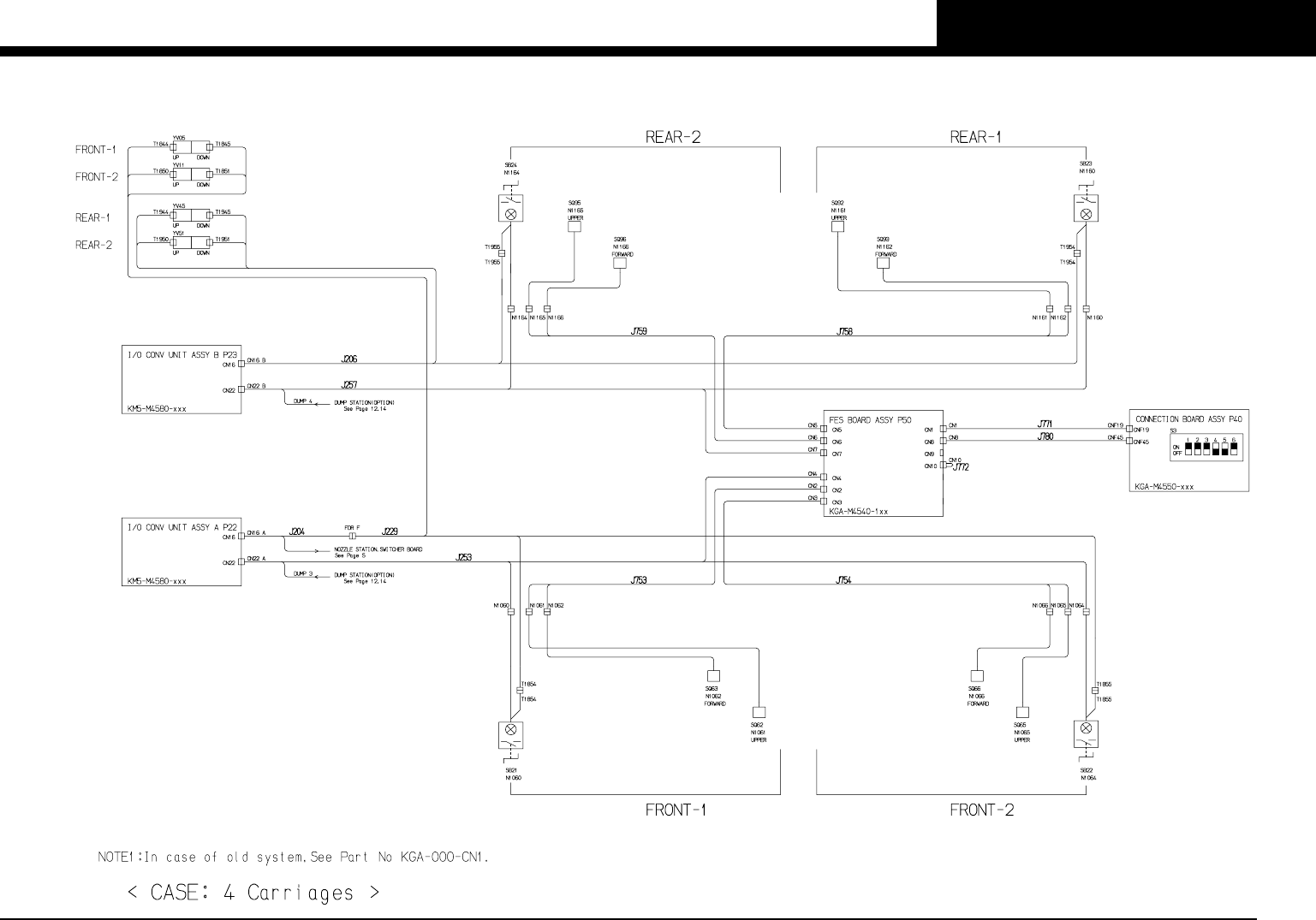
PAGE
20
YV88Xg (KGA)
Confi dential & Proprietary
KGA-000-CN5
FES20 safety circuit (normal) -3-

PAGE
21
YV88Xg (KGA)
Confi dential & Proprietary
KGA-000-CN5
Cli FIX20 feeder structure

PAGE
22
YV88Xg (KGA)
Confi dential & Proprietary
KGA-000-CN5
Cli FIX50 feeder structure