yv88xg_j.pdf - 第20页
PA G E 18 YV88Xg (KGA) Con fi dential & Proprietary KGA-000-CN5 FES20 safety circuit (normal) -1-

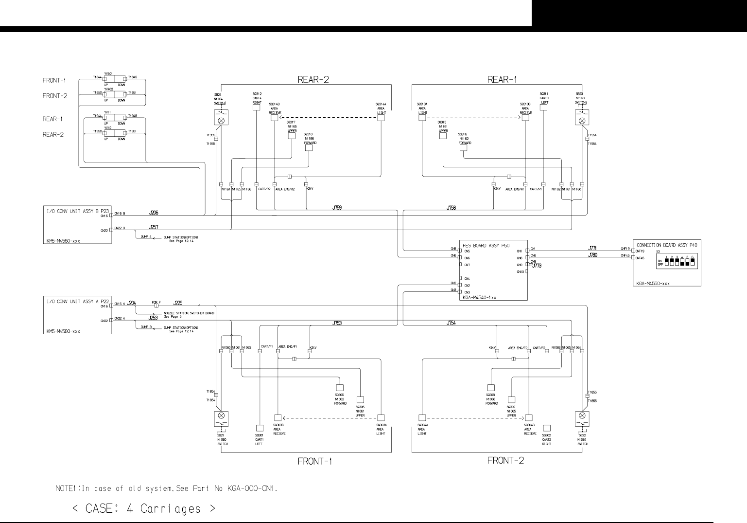
PAGE
17
YV88Xg (KGA)
Confi dential & Proprietary
KGA-000-CN5
FES20 safety circuit (non stop) -3-

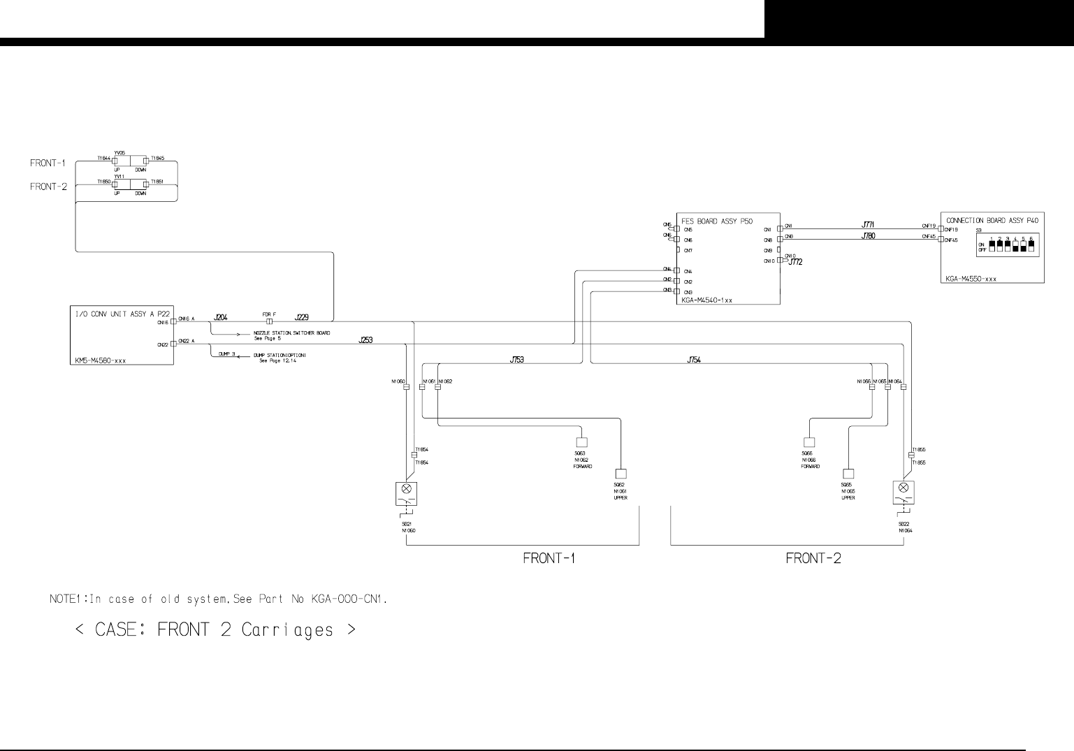
PAGE
18
YV88Xg (KGA)
Confi dential & Proprietary
KGA-000-CN5
FES20 safety circuit (normal) -1-

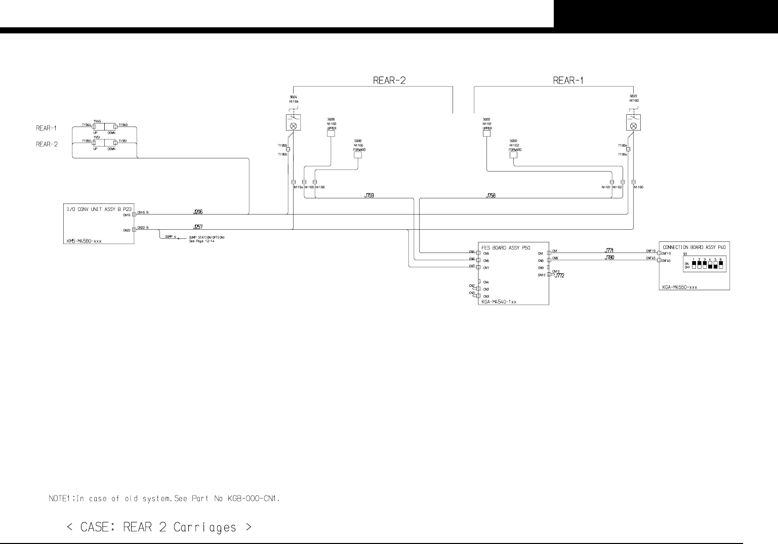
PAGE
19
YV88Xg (KGA)
Confi dential & Proprietary
KGA-000-CN5
FES20 safety circuit (normal) -2-