yv88xg_j.pdf - 第17页
PA G E 15 YV88Xg (KGA) Con fi dential & Proprietary KGA-000-CN5 FES20 safety circuit (non stop) -1-

PAGE
14
YV88Xg (KGA)
Confi dential & Proprietary
KGA-000-CN5
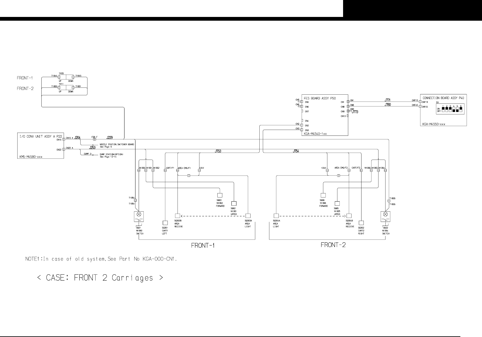
FES20 feeder structure

PAGE
15
YV88Xg (KGA)
Confi dential & Proprietary
KGA-000-CN5
FES20 safety circuit (non stop) -1-

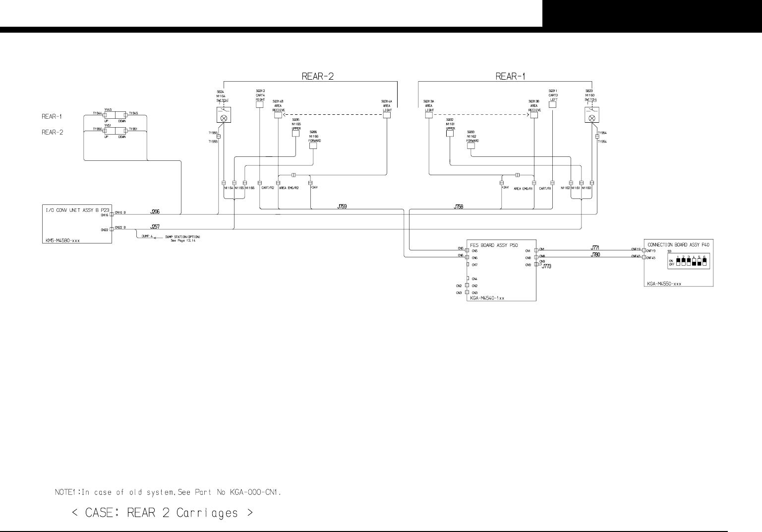
PAGE
16
YV88Xg (KGA)
Confi dential & Proprietary
KGA-000-CN5
FES20 safety circuit (non stop) -2-