P-0209-001.pdf - 第153页
MODEL TCM-X100J 0212-002 Key No. P AR T No. P AR T NAME Q’ ty REMARKS NOTE 151 K-2 10 1 630 099 5282 L EVER 1 766K--010-101 1 0 2 4 1 1 14 1 61 0 1 WASHER F 8X15.5X1.6 6 7 66 K - - 01 0 - 1 0 2 10 3 41 1 141 3100 WA SH E…

MODEL TCM-X100J
0212-002
150
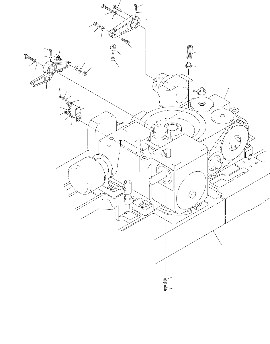
ࡋ࠶࠼㚟േㇱ HEAD DRIVING SECTION
Fig. K-2 ⵝ⌕ࡃ Placement Lever
See Fig.B-1
Key No.1
See Fig.L-1
Key No.12
115
116
118
132
131
130
110
109
108
120
119
121
122
123
117
126
129
128
140
136
141
138
139
135
112
113
114
111
106
107
142
143
144
138
137
134
102
101
127
145
103
104
125
124
105
124

MODEL TCM-X100J
0212-002
Key No. PART No. PART NAME Q’ty REMARKS
NOTE
151
K-2
101 630 099 5282 LEVER 1 766K--010-101
102 411 141 6101 WASHER F 8X15.5X1.6 6 766K--010-102
103 411 141 3100 WASHER SPR 8 6 766K--010-103
104 630 000 8050 BOLT,HEX-SCT 6 766K--010-104
105 630 093 3932 SHAFT 1 766K--010-105
106 630 106 5458 CYLINDER 1 YSV59 766K--010-106
107 630 092 7825 SHAFT 1 766K--010-107
108 630 001 0237 WASHER 4 766K--010-108
109 411 141 3001 WASHER SPR 6 4 766K--010-109
110 630 000 7923 BOLT,HEX-SCT 4 766K--010-110
111 630 092 7832 BLOCK 1 766K--010-111
112 411 141 4305 WASHER V 6X12.5X1.6 2 766K--010-112
113 411 141 3001 WASHER SPR 6 2 766K--010-113
114 630 000 7909 BOLT,HEX-SCT 2 766K--010-114
115 630 094 2101 BRACKET 1 766K--010-115
116 630 000 0252 SENSOR,PHOTO 1 BPH28 766K--010-116
117 630 000 0269 SENSOR,PHOTO(CONNECTOR) 1 766K--010-117
118 411 119 1909 WASHER V 3X7X0.5 2 766K--010-118
119 411 086 4408 WASHER SPR 3 2 766K--010-119
120 411 040 7803 SCR PAN 3X12 2 766K--010-120
121 411 141 4107 WASHER V 5X10X1 2 766K--010-121
122 411 141 6705 WASHER SPR 5 2 766K--010-122
123 630 000 7756 BOLT,HEX-SCT 2 766K--010-123
124 630 006 8795 BEARING,RADIAL 2 766K--010-124
125 411 113 9000 SCR TRS 5X8 6 766K--010-125
126 630 093 2683 BLOCK 1 766K--010-126
127 630 110 9787 BOLT,HEX-SCT 4 766K--010-127
128 630 000 8678 BOLT,HEX 1 766K--010-128
129 411 141 0505 NUT HEX 5 1 766K--010-129
130 411 141 4305 WASHER V 6X12.5X1.6 2 766K--010-130
131 411 141 3001 WASHER SPR 6 2 766K--010-131
132 630 000 7893 BOLT,HEX-SCT 2 766K--010-132
134 630 003 4271 GREASE NIPPLE 1 766K--010-134
135 630 094 1012 AIR LINE EQPT 1 766K--010-135
136 630 094 1005 VALVE 1 YSV60 766K--010-136
137 630 094 1050 PIPE FITTINGS 1 766K--010-137
138 630 003 8057 PIPE FITTINGS 2 766K--010-138
139 630 003 7913 PIPE FITTINGS 1 766K--010-139
140 630 003 8187 PIPE FITTINGS 1 766K--010-140
141 630 003 7074 PIPE FITTINGS 1 766K--010-141
142 411 141 4503 WASHER V 8X17X1.6 2 766K--010-142
143 411 141 3100 WASHER SPR 8 2 766K--010-143
144 630 000 8005 BOLT,HEX-SCT 2 766K--010-144
145 630 108 3612 COLLAR 4 766K--010-145

MODEL TCM-X100J
0212-002
152
ࡋ࠶࠼㚟േㇱ HEAD DRIVING SECTION
Fig. K-3 ๆ⌕ࡃޔㅍࠅࡃ Pick-up Lever, Feeder Lever
233
228
229
230
227
242
243
244
202
227
201
203
204
241
240
245
226
211
214
213
212
See Fig.B-1
Key No.1
See Fig.L-1
Key No.12
206
205
220
219
218
216
215
221
228
229
224
222
223
217
246
246