P-0209-001.pdf - 第168页
MODEL TCM-X100J 0212-002 166 ࡋ࠶࠼㚟േ࡙࠾࠶࠻ HEAD DRIVING UNIT Fig. KB-3 ⵝ⌕ਅᱜㇱ Placement Leveller Adjuster 205 208 203 209 210 204 206 202 245 201 221 235 242 215 217 231 224 241 240 238 237 236 239 222 223 21 1 212 213 214 …

MODEL TCM-X100J
0105-001
Key No. PART No. PART NAME Q’ty REMARKS
NOTE
165
KB-2
102 630 091 4023 GUIDE,LINEAR 1 766KB-010-102
103 630 092 9942 PLATE,LOCATE 1 766KB-010-103
104 630 038 5663 PIN,LOCATE 1 766KB-010-104
105 630 038 5687 PIN,LOCATE 1 766KB-010-105
106 630 001 1241 BEARING,RADIAL 2 766KB-010-106
107 411 001 0003 RING E 4 2 766KB-010-107
108 630 000 8920 SET SCREW 2 766KB-010-108
109 630 084 5792 CAM FOLLOWER 1 766KB-010-109
110 411 141 4008 WASHER V 4X9X0.8 2 766KB-010-110
111 411 141 2905 WASHER SPR 4 2 766KB-010-111
112 630 000 7619 BOLT,HEX-SCT 2 766KB-010-112
113 630 000 8944 SET SCREW 1 766KB-010-113
114 411 141 3902 WASHER V 3X7X0.5 4 766KB-010-114
115 411 141 2806 WASHER SPR 3 4 766KB-010-115
116 630 000 7510 BOLT,HEX-SCT 4 766KB-010-116
117 630 093 0214 GUIDE,LINEAR 1 766KB-010-117
118 630 000 7626 BOLT,HEX-SCT 2 766KB-010-118
119 630 092 9881 PLATE 1 766KB-010-119
120 411 141 4008 WASHER V 4X9X0.8 8 766KB-010-120
121 411 141 2905 WASHER SPR 4 8 766KB-010-121
122 630 000 7626 BOLT,HEX-SCT 8 766KB-010-122
123 630 092 9959 PLATE 1 766KB-010-123
124 630 086 4113 PLATE 1 766KB-010-124
125 411 141 4008 WASHER V 4X9X0.8 2 766KB-010-125
126 411 141 2905 WASHER SPR 4 2 766KB-010-126
127 630 000 7633 BOLT,HEX-SCT 2 766KB-010-127
128 630 048 7787 BOLT 2 766KB-010-128
131 630 098 5399 COLLAR 1 766KB-010-131
132 630 093 5349 SPRING,COMP 1 766KB-010-132
133 630 099 1062 GUIDE,LINEAR 1 766KB-010-133
134 411 141 4305 WASHER V 6X12.5X1.6 2 766KB-010-134
135 411 141 3001 WASHER SPR 6 2 766KB-010-135
136 630 000 7909 BOLT,HEX-SCT 2 766KB-010-136
143 630 086 4144 PLATE 1 766KB-010-143
144 411 141 3902 WASHER V 3X7X0.5 2 766KB-010-144
145 411 141 2806 WASHER SPR 3 2 766KB-010-145
146 630 000 7503 BOLT,HEX-SCT 2 766KB-010-146
147 411 141 4305 WASHER V 6X12.5X1.6 3 766KB-010-147
148 411 141 3001 WASHER SPR 6 3 766KB-010-148
149 630 000 7886 BOLT,HEX-SCT 3 766KB-010-149

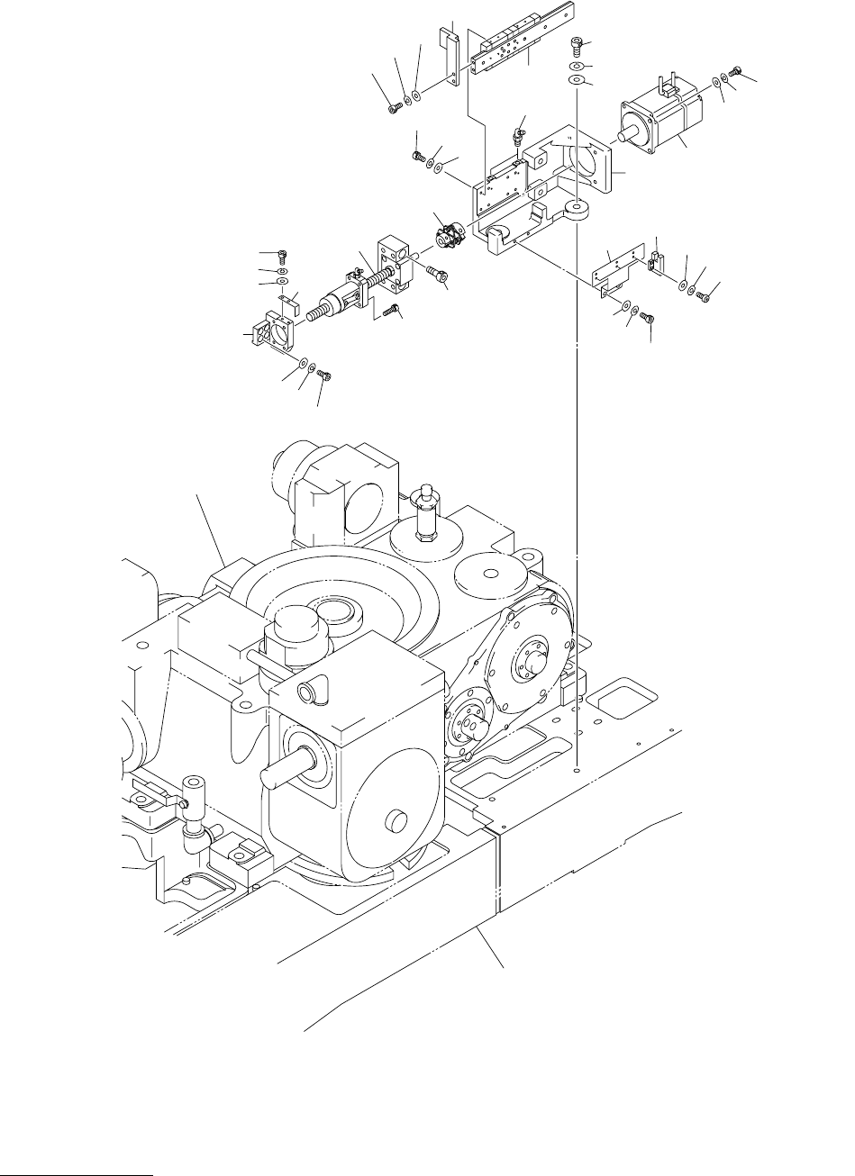
MODEL TCM-X100J
0212-002
166
ࡋ࠶࠼㚟േ࡙࠾࠶࠻ HEAD DRIVING UNIT
Fig. KB-3 ⵝ⌕ਅᱜㇱ Placement Leveller Adjuster
205
208
203
209
210
204
206
202
245
201
221
235
242
215
217
231
224
241
240
238
237
236
239
222
223
211
212
213
214
See Fig.B-1
Key No.1
TCM X100J 002
TCM-X100-002
4797S-002
See Fig.L-1
Key No.12
220
233
234
232
216
219
218
225

MODEL TCM-X100J
0212-002
Key No. PART No. PART NAME Q’ty REMARKS
NOTE
167
KB-3
201 630 092 5531 BASE 1 766KB-010-201
202 630 093 0238 GUIDE,LINEAR 1 766KB-010-202
203 630 092 6637 PLATE 1 766KB-010-203
204 630 001 0244 WASHER 2 766KB-010-204
205 411 141 3100 WASHER SPR 8 2 766KB-010-205
206 630 000 8036 BOLT,HEX-SCT 2 766KB-010-206
208 411 141 4008 WASHER V 4X9X0.8 2 766KB-010-208
209 411 141 2905 WASHER SPR 4 2 766KB-010-209
210 630 000 7657 BOLT,HEX-SCT 2 766KB-010-210
211 630 086 4021 MOTOR,AC-SERVO 1 MSVM10(MZ),SGMAH-02AAA21
766KB-010-211
212 411 141 4107 WASHER V 5X10X1 4 766KB-010-212
213 411 141 6705 WASHER SPR 5 4 766KB-010-213
214 630 000 7763 BOLT,HEX-SCT 4 766KB-010-214
215 630 086 4045 COUPLING(TR330438-0) 1 766KB-010-215
216 630 116 4137 BRACKET 1 766KB-010-216
217 630 085 6736 BALL SCREW 1 766KB-010-217
218 411 141 4008 WASHER V 4X9X0.8 4 766KB-010-218
219 411 141 2905 WASHER SPR 4 4 766KB-010-219
220 630 000 7619 BOLT,HEX-SCT 4 766KB-010-220
221 411 141 3902 WASHER V 3X7X0.5 8 766KB-010-221
222 411 141 2806 WASHER SPR 3 8 766KB-010-222
223 630 000 7510 BOLT,HEX-SCT 8 766KB-010-223
224 630 000 7657 BOLT,HEX-SCT 4 766KB-010-224
225 630 000 8050 BOLT,HEX-SCT 2 766KB-010-225
231 630 093 1013 PLATE 1 766KB-010-231
232 411 141 3902 WASHER V 3X7X0.5 2 766KB-010-232
233 411 141 2806 WASHER SPR 3 2 766KB-010-233
234 630 000 7503 BOLT,HEX-SCT 2 766KB-010-234
235 630 093 9415 BRACKET 1 766KB-010-235
236 411 141 4008 WASHER V 4X9X0.8 2 766KB-010-236
237 411 141 2905 WASHER SPR 4 2 766KB-010-237
238 630 000 7626 BOLT,HEX-SCT 2 766KB-010-238
239 630 093 3079 SENSOR,PHOTO 3 BPH12,BPH13,BPH14
766KB-010-239
240 411 119 1909 WASHER V 3X7X0.5 6 766KB-010-240
241 411 086 4408 WASHER SPR 3 6 766KB-010-241
242 411 041 8908 SCR PAN 3X6 6 766KB-010-242
245 630 003 4271 GREASE NIPPLE 2 766KB-010-245