JM-20_安装要领书.pdf - 第28页
安装要领书 24 表 12 主机正面右侧的插头 ① 表 J O I N T I N 信号名 ( 连接器 ① 的左侧 ) JOINT OUT 信号名 (连接器 ① 的右侧) 使用插头 1 READY OUT + R E A D Y I N + AMP 206043-1 电缆线侧 连接插头 206044-1 2 READY OUT - R E A D Y I N - ( GND ) 3 BOARD AVAILABLE IN + BOARD …

安装要领书
23
12. 与外部装置的接口
1) ①是当主机装在线使用时,与其他装置连接的输出(输入)用插头(14P)。
2) ②是利用选项多层托盘服务器用的信号插头(50P)。
3) ③使用利用选项多层托盘服务器用的电源插头(10P)。(AC200V/400V)
4) ④是以太网接口。
5) ⑤为 USB 端口×2。
装置正面右 装置背面左
④
⑤
②
③
①

安装要领书
24
表 12 主机正面右侧的插头①表
JOINT IN 信号名
(连接器①的左侧)
JOINT OUT 信号名
(连接器①的右侧)
使用插头
1 READY OUT + READY IN +
AMP
206043-1
电缆线侧
连接插头
206044-1
2 READY OUT - READY IN - (GND)
3 BOARD AVAILABLE IN + BOARD AVAILABLE OUT +
4 BOARD AVAILABLE IN -
(GND)
BOARD AVAILABLE OUT -
5 N.C N.C.
6 N.C N.C.
7 N.C N.C.
8 N.C N.C.
9 N.C N.C.
10 N.C N.C.
11 N.C N.C.
12 N.C N.C.
13 N.C N.C.
14 N.C N.C.

安装要领书
25
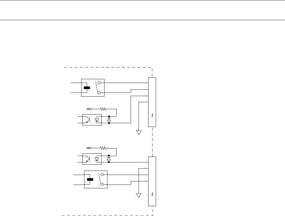
预输出(输入)信号和板有效信号的接口电路如图 12-1 所示。
以 SMEMA 规格为准。
图 12-1
GND(24V)
+
+24 V
3.3K 1/4W
READY OUT +
BOARD AVAILABLE IN +
REA OUT -
BOARD AVAILABLE IN -
N.C.
1
2
3
4
5
14
READY IN +
BOARD AVAILABLE OUT +
READY IN -
BOARD AVAILABLE OUT -
N.C.
1
2
3
4
5
14
+24 V
3.3K 1/4W
+
GND(24V)