XP-241E-05.1JE PART LIST.pdf - 第48页
41

CHUCK MECHANICAL(NC)
メカチャック(NC)
ADENC9101
番号 図番 & コード番号 個数 品名 規格 材質 備考
No. Drg.No. & Code No. QTY Description Rating Materials Remarks
1 ADENC9111 1 CHUCK
チャック
OT
2 DENC0021 1 CASE
ケース
FE
3 H5264T 4 BOLT, HEX SOCKET
ボルト 六角穴
M02X004 FE
4 N4017T 4 SCREW, HEX SOCKET SET
ネジ 六角穴止め
M02X004 ヒラサキ FE
5 N4017X 1 SCREW, HEX SOCKET SET
ネジ 六角穴止め
M02X005 ヒラサキ FE
6 K53569 2 SCREW, HEX SOCKET COUNTERSUNK
小ネジ 六角穴皿
M02X006 FE
7 DENC0030 1 PISTON
ピストン
FE
8 DENC0040 2 LINK
リンク
FE
9 DENC0060 1 SPRING
スプリング
FE
10 DENC0150 2 JAW, MASTER 爪 親 FE
11 DENC0080 1 BLOCK 駒 CO
12 DENC0090 1 SPRING
スプリング
FE
13 DENC0100 1 COVER
カバー
FE
14 DENC0120 2 RAIL
レール
OT
15 H5263S 1 BOLT, HEX SOCKET
ボルト 六角穴
M01.6X005 FE
16 DENC0131 1 GUIDE, SPRING ガイド スプリング FE
17 DENC0181 4 GUIDE
ガイド
OT
18 R5004M 3 ROLLER, NEEDLE
ローラ ニードル
゚1.5X4.8 OT
19 R5010A 1 ROLLER, NEEDLE
ローラ ニードル
゚2.0X19.8 OT
20 DENC0140 2 PLATE
プレート
FE
21 K5175L 2 SCREW, C/R PAN
小ネジ 十穴鍋
M02X003(0バン1シュ) ステンレス FE
22 ADENC8011 1 SLEEVE
スリーブ
OT
23 DENC0160 1 SLEEVE
スリーブ
AL
24 DNPN3572 1 SHEET, RUBBER
シート ゴム
PL
25 DENC0111 1 PLATE, STOPPER プレート ストッパ AL
26 H5265A 2 BOLT, HEX SOCKET
ボルト 六角穴
M02X005 FE
27 DENC0051 2 JAW, FINGER 爪 フィンガ AL
28
H5265A
2
BOLT, HEX SOCKET
ボルト 六角穴
M02X005
FE
40

41

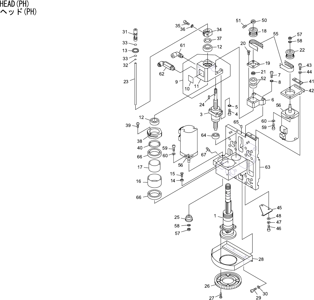
HEAD(PH)
ヘッド(PH)
番号 図番 & コード番号 個数 品名 規格
材質
備考
No.
Drg.No. & Code No.
QTY Description Rating
Materials
Remarks
1 ADEPH8306 1 SHAFT, SPLINE シャフト スプライン OT
3 DEPH3042 1 BALL SCREW ボールネジ OT
4 H5291A 4
BOLT, HEX SOCKET
ボルト 六角穴 M04X018 FE
5 W1011A 4
WASHER, CONICAL
ワッシャ 皿
M-4-L FE
6 DEPH3051 1 BLOCK ブロック AL
7 H5300A 2 BOLT, HEX SOCKET ボルト 六角穴 M05X015 FE
8 W1012A 2
WASHER, CONICAL
ワッシャ 皿
M-5-L FE
9 ADEPH8310 1 BKT BKT OT
10 GPZ8160 1 SEAL シール PL
11 DEPH3062 1 BKT BKT AL
12 H42693 1Set BEARING, ANGULAR ベアリング アンギュラ 7902A5DBC7P5 0T
13 A40985 1 X RING Xリング R-15 OT
14 DEPH3070 4 RETAINER 押え FE
15 K5357M 4
SCREW, HEX SOCKET COUNTERSUNK
小ネジ 六角穴皿 M03X006 FE
16 DEPH3081 1 COLLAR, BEARING カラー ベアリング FE 注1. Note.1
17 DEPH3091 1 COLLAR, BEARING カラー ベアリング FE 注1. Note.1
18 DEPH3100 1 PULLEY, TIMING プーリ タイミング AL
19 DEPH3110 1 RETAINER, BEARING 押え ベアリング FE
20 K5357M 4
SCREW, HEX SOCKET COUNTERSUNK
小ネジ 六角穴皿 M03X006 FE
21 DEPH3120 1 COLLAR カラー FE
22 DEPH3130 1 PULLEY, MOTOR プーリ モータ AL
23 DEPH3140 1 PIPE パイプ FE
24 DEPH3150 1 KEY, PARALLEL キー 平行 FE
25 DEPH3162 1 GEAR ギヤ FE
26 DEPH3173 1 GEAR ギヤ FE
27 K5255T 4 SCREW, HEX SOCKET BUTTON 小ネジ 六角穴ボタン M03X006 FE
28 DEPH3180 1 COVER カバー FE
29 H5287A 2
BOLT, HEX SOCKET
ボルト 六角穴 M04X008 FE
30 W1022A 2
WASHER, LOCK
ワッシャ スプリング 4M/M FE
31 DEPH3191 1 BUSHING ブッシュ AL
32 A5129T 1 O RING Oリング S-5 OT
33 A5131H 2 O RING Oリング S-8 OT
34 DEPH3201 1 NUT ナット AL
35 H5276A 1
BOLT, HEX SOCKET
ボルト 六角穴
M03X010 FE
36 W1010A 1
WASHER, CONICAL
ワッシャ 皿
M-3-L FE
37 DEPH3210 1 COLLAR カラー FE
38 DEPH3221 1 NUT ナット AL
39 K5256A 1 SCREW, HEX SOCKET BUTTON 小ネジ 六角穴ボタン M03X008 FE
40 DEPH3230 1 COLLAR カラー FE
42