XP-241E-05.1JE PART LIST.pdf - 第52页
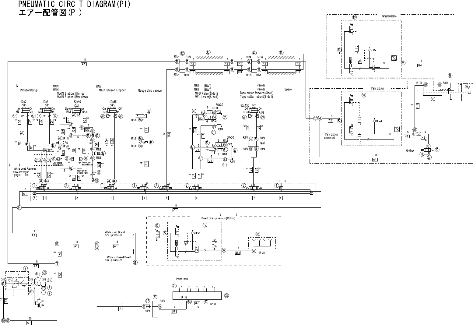
真空破壊 パーツピックアップ φ φ 5Kg cm φ φ φ φ エアーブロー パーツピックアップ ノズル解除 ステーションリフター上昇 パーツ送り φ φ φ φ φ φ φ φ φ φ φ φ φ φ φ φ φ φ φ φ φ φ φ φ φ φ φ φ φ φ φ φ φ φ φ φ φ φ φ φ φ φ φ φ φ φ φ φ φ φ φ φ φ φ φ φ φ φ φ φ φ φ φ φ φ φ φ φ φ φ φ φ …
44

真空破壊
パーツピックアップ
φ
φ
5Kg cm
φ
φ
φ
φ
エアーブロー
パーツピックアップ
ノズル解除
ステーションリフター上昇
パーツ送り
φ
φ
φ
φ
φ
φ
φ
φ
φ
φ
φ
φ
φ
φ
φ
φ
φφ
φ
φ
φ
φ
φ
φφ
φ
φ
φ
φ
φ
φ
φ
φ
φ
φ
φ
φ
φ
φ
φ
φ
φ
φ
φ
φ
φ
φ
φ
φ
φ
φ
φ
φ φ
φ
φ
φ
φ
φ
φ
φ
φ
φ
φ
φ
φ
φ
φ
φ
φ
φ
φ
φ
φ
φ
φ
φ
φ
φ
φ
φ
ステーションリフター上昇
ステーションストッパ入り
ステーションリフター下降
ゲージチップバキューム
→
右→左 時に追加
コンベア逆流れ
上昇
下降
テープカット前進
テープカット後退
予備
基板吸着バキューム オプション
使用時
基板吸着バキューム
不要時
基板吸着バキューム
45

PNEUMATIC CIRCUIT DIAGRAM(PI)
エアー配管図(PI)
番号 図番 & コード番号 個数 品名 規格 材質 備考
No. Drg.No. & Code No. QTY Description Rating Materials Remarks
1 H1331A 3 VALVE
バルブ
VQ1101-5 DC24V OT
2 H1332A 3 VALVE
バルブ
VQ1201-5 DC24V OT
3 H1333Z 1 VALVE
バルブ
VQ1301-5 OT
4 H3051E 1 COVER, BLIND
蓋 盲
VVQ1000-10A-1 OT
5 DEPI3011 1 VALVE UNIT バルブユニット VV5Q11-08-X956 OT
6 K1086T 1 COUPLER
カプラ
30PM OT
7 H1059T 1 VALVE, BALL
バルブ ボール
RP-LL-3/8 ロックハンドルツキ OT
8 S5023H 1 SOCKET
ソケット
30SH OT
9 H3033F 1 FILTER REGULATOR
フィルタレギュレータ
C4000-UN-00005 OT
10 K2027R 1 KEY
キー
C1000-50 OT
11 H1046A 1 VALVE, STOP
バルブ ストップ
A3/8X100 OT
12 H1063G 2 VALVE, MECHANICAL
バルブ メカニカル
VM121-01-01 OT
13 H1050K 1 VALVE, CHECK
バルブ チェック
C250-01-32W OT
14 H1009H 1 GENERATOR, VACUUM
発生器 真空
VP-05HS OT
15 A4001B 1 EJECTOR
エジェクタ
VDBL10R6-08SA-D-1.0 OT
16 S1053B 1 SILENCER
サイレンサ
KM-J6 (10コ/フクロ) OT
17 H1039A 4 VALVE, THROTTLING
バルブ 絞り
JNC4-M5 10ケ/ロット OT
18 H10064 1 GENERATOR, VACUUM
発生器 真空
VKBH12W-0608SR01E-B-NK OT
19 H10062 1 GENERATOR, VACUUM
発生器 真空
VKBH12R-0608SR01G-B OT
20 H1124Z 1 VALVE, SOL
バルブ SOL
VQZ312-5L-C8 OT
21 S5019A 1 SOCKET
ソケット
MC05SM OT
22 H1037T 1 VALVE, MANUAL
バルブ 手動
HV8-8-2 10ケ/ロット OT
23 DEQC0760 2 CYLINDER, AIR
シリンダ エアー
OT
24 S2125T 1 CYLINDER, AIR
シリンダ エアー
CQ2D32-40DCM ナットツキ OT
25 S2126L 1 CYLINDER, AIR
シリンダ エアー
CXSM10-K6869-35 OT
26 S2088Y 1 CYLINDER, AIR
シリンダ エアー
FCD-KL-50-150-M0V-H-N-FL25 OT
27 S20975 2 CYLINDER, AIR
シリンダ エアー
CDLQB50-30D-B-F9NL OT
28 K5337G 2 CONTROLLER, SPEED
コントローラ スピード
AS1201F-M5-04 (シロ) OT
29 K5342D 2 CONTROLLER, SPEED
コントローラ スピード
AS2201F-01-06S(シロ) OT
30 K5340Y 6 CONTROLLER, SPEED
コントローラ スピード
AS2001F-06(シロ) OT
31 K5343C 2 CONTROLLER, SPEED
コントローラ スピード
AS2201F-02-06S (シロ) OT
32 DBPP0111 1 PLATE
プレート
AL
33 DEAJ3052 1 BOX, VACUUM BOX バキューム AL
34 ADEPH8302 1 SHAFT, SPLINE シャフト スプライン OT
35 DEPH3061 1 BKT
BKT
OT
36 . 1 NOZZLE
ノズル
OT
37 DDUZ0040 1 VALVE, CHECK
バルブ チェック
OT
38 DEUF3110 1 MANIFOLD
マニホールド
OT
46