N7202A066B.pdf - 第508页
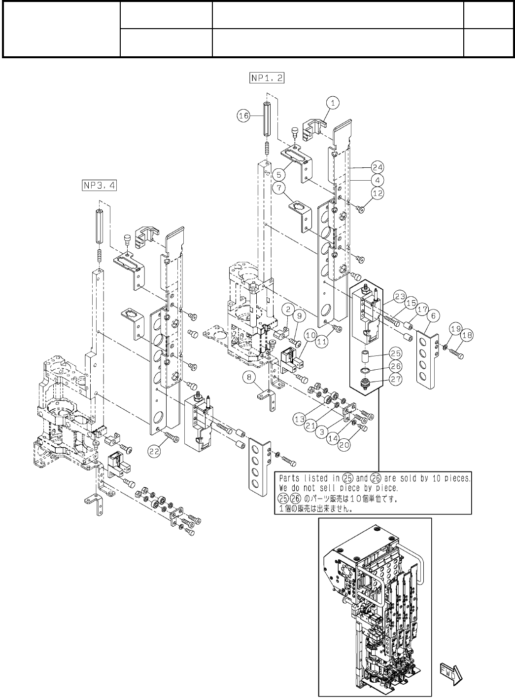
63-H 4ノズルヘ ッド 4 Nozz le Head パーツレイアウト Kit No. キット 品番 Kit Name キット名称 N610167833AA セクションNo. PARTS LAYOUT Section No. - - O271 ( KN610167833AA-14-8 )

Ref
No.
Remarks R
1
Q'ty
63-G
4ノズルヘッド
4 Nozzle Head
イラスト
No.
Part No.
品 名品 番 数量
R
2
パーツリスト
Kit No.
キット品番
Kit Name
キット名称
N610167833AA
Part Name
備 考
セクションNo.
PARTS LIST
Section No.
R
3
ARM
4
1 MTKA014919AB
SPRING
4
2 N210201305AB
SCREW
4
3 MTPA022775AA
HOLDER
4
4 MTPA022704AA
RING
4
5 MTKA014914AB
GUIDE-BLOCK
4
6 MTPA011063AA
DOG
2
7 N210199415AD
DOG
2
8 MTPB012028AA
FILTER
4
9 N610168376AA
CLAMP
8
10 MTKA014920AB
BOLT
4
11 N510047945AA
Hexagon socket head cap screw M2.5X5-10.9 A2S (Trivalent)
FASTENER
8
12 KXF0DKMAA00 BX2.5-8(Drawing available 0DKMA)
SPRING
8
13 KXF0E07FA00 SP(Drawing available KXF0E07FA00)
JOINT
4
14 MTNP000831AA M-5AU-4-X83
BOLT
2
15 N510000323AA
SSS 003 Hexagon socket button head screw M3X6-12.9 SOB
BOLT
4
16 XVE2B5FTC Hexagon socket head cap screw M2X5-12.9 SOB
C-RING
4
17 KXF04CRAA00 STW-10
SHIM
8
18 MTNK001290AA BRS010012020
BEARING
8
19 KXF00RMAA00 DDA-1510 H P0P25LO1
PACKING
8
20 KXF05YJAA00 MYA-7
SCREW
4
21 N510018255AA
Cross recessed Truss head machine screw M3X8-4.8 A2J (Trivalent)
SHIM
4
22 MTNK001293AA BRF010016020-C
O270
--
( KN610167833AA-14-7 )

63-H
4ノズルヘッド
4 Nozzle Head
パーツレイアウト
Kit No.
キット品番
Kit Name
キット名称
N610167833AA
セクションNo.
PARTS LAYOUT
Section No.
--
O271
( KN610167833AA-14-8 )

Ref
No.
Remarks R
1
Q'ty
63-H
4ノズルヘッド
4 Nozzle Head
イラスト
No.
Part No.
品 名品 番 数量
R
2
パーツリスト
Kit No.
キット品番
Kit Name
キット名称
N610167833AA
Part Name
備 考
セクションNo.
PARTS LIST
Section No.
R
3
GUIDE-BLOCK
4
1 MTPA011062AB
GUIDE-BLOCK
4
2 MTPA011063AA
BRACKET
4
3 N210199438AC
BRACKET
4
4 N210200194AG
BRACKET
4
5 N210199424AE
BRACKET
4
6 MTPB001095AD
BRACKET
4
7 MTPB001096AC
BRACKET
4
8 MTPB002470AB
SCREW
4
9 N510018232AA
Cross recessed Truss head machine screw M3X10-4.8 A2J (Trivalent)
SENSOR
4
10 MTNS000148AA PM-Y65
BOLT
2
11 N510067764AA Low Head Cap Screw M3X6-8.8 A2J(Trivalent)
BOLT
24
12 N510067884AA Ultra Low Head Cap Screw M3X5-8.8 SOB
BEARING
8
13 KXF0C8ZAA00 683ZZ
BOLT
8
14 N510067767AA Low Head Cap Screw M3X10-8.8 A2J(Trivalent)
BOLT
8
15 N510017239AA
Hexagon socket head cap screw M2.5X14-10.9 A2J (Trivalent)
SPACER
4
16 N510067454AA ASL-335E
SPACER
8
17 MTNK000282AA CL-2607KE
BOLT
8
18 N510017237AA
Hexagon socket head cap screw M2.5X12-10.9 A2J (Trivalent)
WASHER
16
19 N510041286AA
Small round-plain washer 2.5 10H A2J (Trivalent)
BOLT
8
20 N510017246AA
Hexagon socket head cap screw M2.5X6-10.9 A2J (Trivalent)
COLLAR
16
21 MTPA030203AA
BOLT
2
22 N510067768AA Low Head Cap Screw M3X12-8.8 A2J(Trivalent)
SENSOR
4
23 MTKP000743AC
SHEET
4
24 MTPA014680AA
ELEMENT
10
25 MTNP000972AA ZS-36-A-X349
O-RING
10
26 MTNP001033AA ZS-36-A-X350
CAP
1
27 MTNK004336AA ZS-36-A-X351
O272
--
( KN610167833AA-14-8 )