KLW-000-1905 (CWD)YSM20接线图-2beam.pdf - 第14页
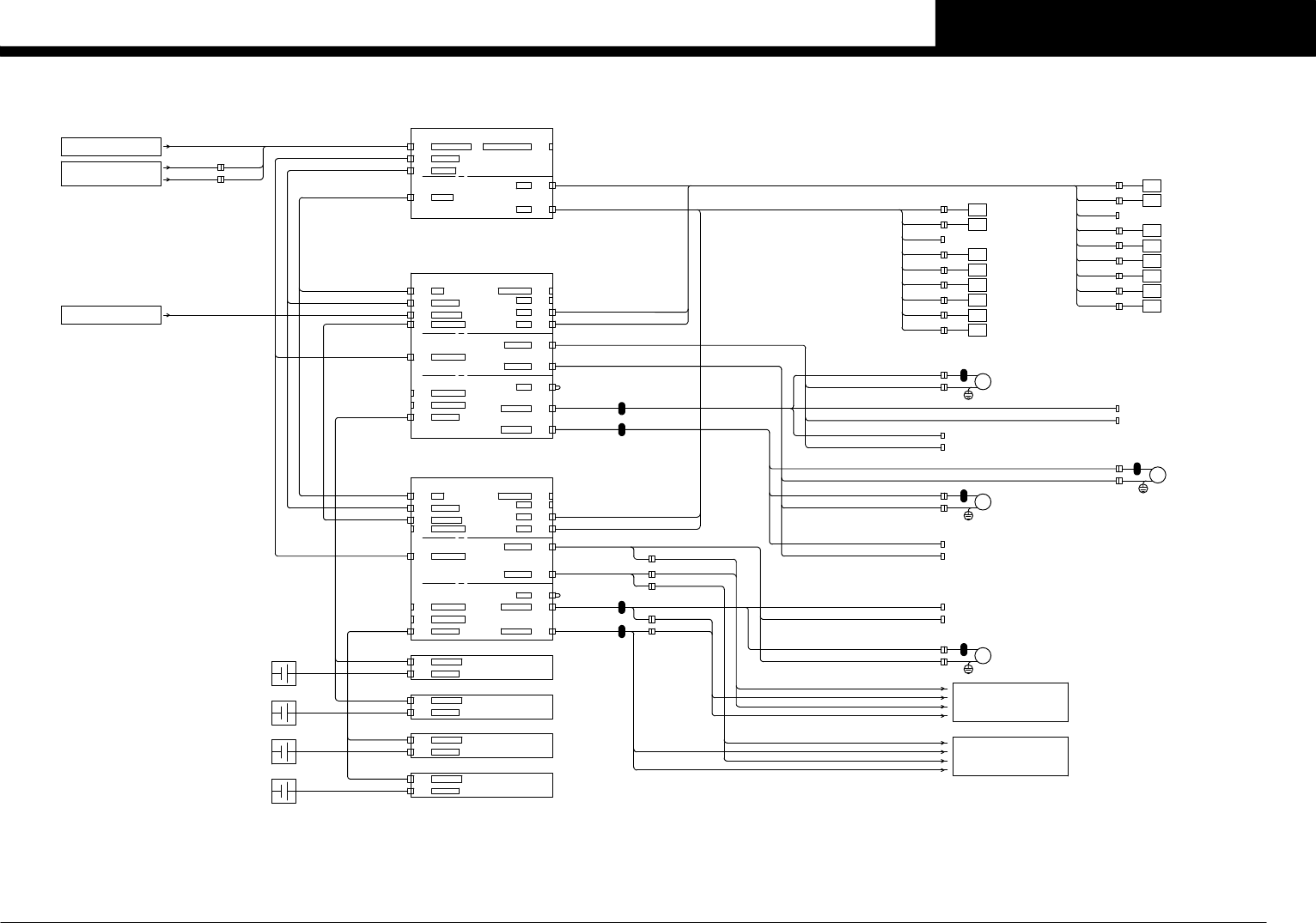
Confidential & P roprietary P A G E I/O CONVEYOR BOARD ASSY P021 DC24V IN CN1 CN1 CN2 CN2 FAN J0301 J0055 CN3 DI2,3 CN3 J0302 J0305 J0351 DO0,1 CN6 CN6 CN7 DI6,7 CN7 DI3,4 CN4 CN4 J0303 CN8 J0306 CN8 DI7,8 CN9 DI8 CN…

Confidential & Proprietary
PAGE
I/O CONVEYOR -4-
POWER CIRCUIT
J0252
J0056
CN33
CN41
CV EMG
CV+24V
CONTROL BOX -3-
SYS LAN3
J0195
CV SENSOR 1
CV SENSOR 2
CV SENSOR 4
CV SENSOR 5
CV SENSOR 6
CV SENSOR 7
CV SENSOR 8
CV SENSOR 9
CV1
CV2
CV4
CV5
CV6
CV7
CV8
CV9
CV4M
CV4P
M14
□42 MAX 500rpm
CV4-AXIS 100W
CN4SER ENC2
CVS2 CN6
CVS2 CN7
SRV BOARD ASSY P096
CV C/R SERVO UNIT ASSY-2
DI1 CN3
VAC CN2
DI2 CN5CN8B
CN8A
ETHER OUT
ETHER IN
OPTION IF CN1
S-POWERCN6
DOCN7
CVD2 CN5
CN1MOTOR 1
CN5 MOTOR POW
MOTOR 2 CN4
CVE2 CN8J0405
INC ENC 2CN2
INC ENC 1CN1
CN8 BATTERY
SER ENC1 CN3
FAN CN5
BATT BOARD ASSY-1 P101
BAT1 CN2
CN2 BATT OUT
CN1 BATT IN
DRV BOARD ASSY P097
BATT BOARD ASSY-2 P102
BAT2 CN2
CN2 BATT OUT
CN1 BATT IN
BATT BOARD ASSY-3 P103
BAT3 CN2
CN2 BATT OUT
CN1 BATT IN
BATT BOARD ASSY-4 P104
BAT4 CN2
CN2 BATT OUT
CN1 BATT IN
CVI CN7
CN8DO1
CVI CN8
CN7DO0
CVP CN1J0401
I/O BOARD ASSY P092
POW BOARD ASSY P091
J0402
J0080
CVI CN6
48V POW
IC POW
DO IN
CAMERA SEL POW48V/24V/EMG
CV C/R I/O UNIT ASSY
CN6
CVP CN3
CN3
CN1
CVP CN2
CN4CN2
J0403
SER ENC1 CN3
CVE1 CN8
ENC BOARD ASSY P095
J0404
INC ENC 2CN2
INC ENC 1CN1
CN8 BATTERY
SER ENC2 CN4
CN4MOTOR 2
CN1MOTOR 1
VAC CN2
CVS1 CN8
CVS1 CN6
CVS1 CN7
J0196
SRV BOARD ASSY P093
CV C/R SERVO UNIT ASSY-1
DI1 CN3
DI2 CN5CN8B
CN8A
ETHER OUT
ETHER IN
OPTION IF CN1
S-POWERCN6
DOCN7
CVD1 CN5
CN5 MOTOR POW
AHAM
ATAM
ATHBM
ATAP
AHAP
J0804
CVE2 CN4
CVE2 CN3
CVD2 CN4
J0425CVD2 CN1
CVS1 CN5
CVS1 CN3
CVD1 CN4
CVD1 CN1
J0422
J0421
CVE1 CN3 J0423
CVE1 CN4 J0424
J0412
J0426
CVS2 CN3
FAN CN5
CVS2 CN5
J0414
GB11
GB12
GB13
GB14
ENC BOARD ASSY P098
DRV BOARD ASSY P094
CV2P
CV2M
J0810
J0808
J0809
J0805
N2300000/T2300700
N2300001/T2300701
N2300003/T2300703
N2300004/T2300704
N2300005/T2300705
N2300006/T2300706
N2301000/T2300707
N2301001/T2301700
See Page 2
See Page 15
See Page 8
SQ071
SQ072
SQ074
SQ075
SQ076
SQ077
SQ078
SQ079
CV3
E43
E44
E41
E42
E54
QF53
XT31
CV10
CV11
CV13
CV14
W1M
W1P
M15
□42 MAX 500rpm
W1-AXIS 100W
CV1P
CV1M
M11
□42 MAX 500rpm
CV1-AXIS 100W
W4M
W4P
M18
W4-AXIS 100W
□42 MAX 500rpm
CV SENSOR 10
CV SENSOR 11
CV SENSOR 13
CV SENSOR 14
W2P
W2M
CV3P
CV3M
W3P
W3M
CV15
CV16
CV17
CV18
CV SENSOR 15
CV SENSOR 16
CV SENSOR 17
CV SENSOR 18
N2302000/T2302700
N2302001/T2302701
N2302003/T2302703
N2302004/T2302704
N2302005/T2302705
N2302006/T2302706
N2303000/T2302707
N2303001/T2303701
SQ081
SQ082
SQ084
SQ085
SQ086
SQ087
SQ088
SQ089
CV12
E51
E56
E59
REAR ATS(OPTION)
INTERCONNECTION DIAGRAM
See ATS
ATBM
ATBP
AHBM
AHBP
FRONT ATS(OPTION)
ATAM
ATAP
AHAM
AHAP
INTERCONNECTION DIAGRAM
See ATS
J0417
HE CN5
HE CN5
J0416
CC.V4
11
CONVEYOR C/R(DL)
YSM20-2

Confidential & Proprietary
PAGE
I/O CONVEYOR BOARD ASSY P021
DC24V IN CN1
CN1
CN2
CN2
FAN
J0301
J0055
CN3DI2,3
CN3 J0302
J0305
J0351
DO0,1 CN6
CN6
CN7
DI6,7 CN7
DI3,4 CN4
CN4 J0303
CN8 J0306
CN8DI7,8
CN9DI8
CN10DO1,2
CN10 J0352
PREVIOUS CN12
CN11NEXT
CN11
CN12
IONIZER CN13
J0941CN13
XT42
POWER CIRCUIT
See Page 2
HEAD AHEAD XA FAN DI
IONIZER
IONIZER ASSY
IONIZER ASSY(OPTION)
HEAD BHEAD XB FAN DI
POWER CIRCUIT QF44
XT41
J0052
See Page 2
SQ191
FRONT DUMP BOX
SQ192
REAR DUMP BOX
See Page 19
See Page 20
XA ORG SENSOR
XB ORG SENSOR
N01003B7
N01003C2
F1 FEEDER STRUCTURE FORWARD
SQ121
FAN 1
FAN 2
FAN 3
FAN 4
FAN 5
FAN 6
FAN 7
REAR LEFT
POWER SUPPLY
POWER TRANSFORMER
REAR RIGHT-1
REAR RIGHT-2
C/R LEFT-1
C/R LEFT-2
N0100380
N0100381
N0100382
N0100383
N0100384
N0100385
N0100386
N01003A2
FAN1 SIG
FAN1 POW
FAN2 SIG
FAN2 POW
FAN3 SIG
FAN3 POW
FAN4 SIG
FAN4 POW
FAN5 SIG
FAN5 POW
FAN6 POW
FAN6 SIG
FAN7 POW
FAN7 SIG
REAR2 FES32 YV024
R2 DOWNR2 UP
F1 DOWNF1 UP
FRONT1 FES32 YV021
T0100000/T0100001
FRONT2 FES32 YV022
F2 DOWNF2 UP
T0100002/T0100003
REAR1 FES32 YV023
R1 DOWNR1 UP
T0100004/T0100005
T0100006/T0100007
CONVEYOR SELECT
See Page 16
See Page 17
See Page 18
DS CONVEYOR
SL CONVEYOR
DL CONVEYOR
CN5DI4,5,6
CN5 J0304
See Page 16
See Page 17
See Page 18
DS CONVEYOR
SL CONVEYOR
DL CONVEYOR
F DUMP
R DUMP
UP DOWN
UP DOWN
UP DOWN
UP DOWN
QF46
CONVEYOR SELECT
See Page 28
FES32 FEEDER
See Page 24-27
FES DI
F2 FEEDER STRUCTURE FORWARD
SQ122
N01003A5
R1 FEEDER STRUCTURE FORWARD
SQ123
N01003B0
R2 FEEDER STRUCTURE FORWARD
SQ124
N01003B3
FES32 FEEDER
See Page 24-27
FES DO
FRONT1 SIDE
REAR1 SIDE
FRONT COVER SW
REAR COVER SW
J0275
J0276
SQ103
SQ104
R FES COVER
F FES COVER
FES32 FEEDER STRUCTURE Spec.
R2 FLT
R2 FEEDER FLOAT
SQ134A
SQ134B
R2 FLT POW
N01003E5
R2 FEEDER FLOAT SENSOR
R1 FLT
R1 FEEDER FLOAT SENSOR
R1 FEEDER FLOAT
SQ133A
SQ133B
N01003E4
F2 FLT
F2 FEEDER FLOAT
SQ132A
SQ132B
F2 FLT POW
N01003E3
F2 FEEDER FLOAT SENSOR
F1 FLT
F1 FEEDER FLOAT SENSOR
F1 FEEDER FLOAT
SQ131A
SQ131B
F1 FLT POW
N01003E2
FEEDER FLOAT SENSOR(FES32 Spec.)
I/O CONVEYOR BOARD ASSY CN7
R1 FLT POW
F1 FLT
F1 FEEDER FLOAT
SQ131A
SQ131B
N01003E2
F FEEDER FLOAT SENSOR
F2 FLT POW
R1 FLT
R1 FEEDER FLOAT
SQ133A
SQ133B
N01003E4
R FEEDER FLOAT SENSOR
R2 FLT
FEEDER FLOAT SENSOR(FIX70 Spec.)
POWER CIRCUIT
XT41
QF45
See Page 2
J0053
FAN 9
FAN 10
FAN 11
FAN 12
FAN 13
FAN 14
FAN 15
FAN 16
C/R RIGHT-1
C/R RIGHT-2
Y-FRAME REAR RIGHT
Y-FRAME REAR LEFT
TOP FRONT LEFT
TOP REAR RIGHT
Y-FRAME FRONT RIGHT
Y-FRAME FRONT LEFT
N0100390
N0100391
N0100392
N0100393
N0100394
N0100395
N0100396
N0100397
FAN9 SIG
FAN9 POW
FAN10 SIG
FAN10 POW
FAN15 SIG
FAN15 POW
FAN16 SIG
FAN16 POW
FAN11 SIG
FAN11 POW
FAN12 SIG
FAN12 POW
FAN13 SIG
FAN13 POW
FAN14 SIG
FAN14 POW
FAN Y SIG
FAN Y SIG
FAN Y SIG
FAN Y SIG
FAN Y POW
FAN Y POW
FAN Y POW
FAN Y POW
R2 FLT POW
R1 FLT POW
F2 FLT
F1 FLT POW
F2 FWD
R1 FWD
R2 FWD
F1 FWD FWD
FWD
FWD
FWD
CC.V4
12
I/O CONVEYOR -1-
YSM20-2

Confidential & Proprietary
PAGE
I/O CONVEYOR BOARD ASSY P021
CN21 J0314
CN21FES/CART
TAPE CUTTER F2 CLOSE
SQ114
TAPE CUTTER F2 OPEN
SQ113
OPEN/CLOSE
F2 TAPE CUTTER
COVER SW
F2 TAPE CUTTER
J0278
SQ106
F2 CUTTER
TAPE CUTTER F1 CLOSE
SQ112
SQ111
TAPE CUTTER F1 OPEN
OPEN/CLOSE
F1 TAPE CUTTER
COVER SW
F1 TAPE CUTTER
J0277
SQ105
YV031
F1 CUTTER
CN23F.OPE.PANEL
CN23 J0316
F.ACTIVE(WHITE)
F.RESET(WHITE)
J0231
J0232
J0233
J0234
J0235
J0236
SB01
SB02
SB03
SB04
SB05
SB06
F.READY(WHITE)
F.START(GREEN)
F.STOP(RED/WHITE)
F.ERROR CLEAR(YELLOW/BLUE)
F.OPERATION PANEL
F2 FES CLAMP SW
J0238
SB08
J0239
CN24R.OPE.PANEL
CN24 J0317
LANE SELECT SWITCH(Only for DL CONVEYOR)
TAPE CUTTER R2 CLOSE
SQ118
TAPE CUTTER R2 OPEN
SQ117
OPEN/CLOSE
R2 TAPE CUTTER
COVER SW
R2 TAPE CUTTER
J0280
SQ108
R2 CUTTER
TAPE CUTTER R1 CLOSE
SQ116
TAPE CUTTER R1 OPEN
SQ115
OPEN/CLOSE
R1 TAPE CUTTER
COVER SW
R1 TAPE CUTTER
J0279
SQ107
R1 CUTTER
TAPE CUTTER
HL12
FRONT ERROR LAMP(YELLOW/BLUE)
HL12
3-L 4-L
3-R 4-R
1-R 2-R
3 4
3 4
1 2
T0100080/T0100081
T0100084/T0100085
T0100080/T0100081
T0100084/T0100085
N0100450
N0100451
N0100452
N0100453
N0100454
N0100455
N0100456
N0100457
BOTH LANES SELECT : N0100485
LANE1 SELECT : N0100487
LANE2 SELECT : N0100486
N0100476/T0100073
N0100477/T0100074
N0100480/T0100075
N0100481/T0100076
N0100482/T0100077
N0100483/T0100090
N0100484/T0100091
T0100092
YV032
YV033
YV034
SB09 FRONT LANE SELECT SWITCH
F1 TAPE CUTTER
F2 TAPE CUTTER(Only for FES32)
R1 TAPE CUTTER
R2 TAPE CUTTER(Only for FES32)
FES32 FEEDER STRUCTURE Spec.
J0315CN22
CN22DI14,15
CONVEYOR SELECT
See Page 16
See Page 17
See Page 18
DS CONVEYOR
SL CONVEYOR
DL CONVEYOR
COMPONENT SUPPLY INDICATOR LAMP
F1 CUTTER
F1 CUT OP
F1 CUT CL
F2 CUTTER
F2 CUT OP
F2 CUT CL
R2 CUT CL
R2 CUT OP
R2 CUTTER
R1 CUTTER
R1 CUT OP
R1 CUT CL
F.ACTIVE
F.READY
F.START
F.STOP
F.ERR.CLR
F.RESET
F.LANE SW
F2 CLAMP SEL SW
J0102CN20
COM CN20 I/O A
CONTROL BOX -3-
See Page 8
CN1724E OUT1
CN19SIG.TOWER
CN19 J0353
24E OUT2 CN18
J0357CN17
CONVEYOR SELECT
See Page 16
See Page 17
See Page 18
DS CONVEYOR
SL CONVEYOR
DL CONVEYOR
CN16BLOW
CN15DI11,DO4
R.RESET(WHITE)
R.ACTIVE(WHITE)
SB11
SB12
SB13
SB14
SB15
SB16
R.READY(WHITE)
R.START(GREEN)
R.STOP(RED/WHITE)
R.ERROR CLEAR(YELLOW/BLUE)
R.OPERATION PANEL
J0241
J0242
J0243
J0244
J0245
J0246
R2 FES CLAMP SW
J0248
SB18
LANE SELECT SWITCH(Only for DL CONVEYOR)
J0249 3 4
3 4
1 2
3-L 4-L
3-R 4-R
1-R 2-R
HL13
REAR ERROR LAMP(YELLOW/BLUE)
HL13
BOTH LANES SELECT : N01004A0
LANE1 SELECT : N01004A2
LANE2 SELECT : N01004A1
N0100491/T0100094
N0100492/T0100095
N0100493/T0100096
N0100495/T01000A0
N0100494/T0100097
N0100496/T01000A1
N0100497/T01000A2
T01000A3
SB19 REAR LANE SELECT SWITCH
FES32 FEEDER STRUCTURE Spec.
COMPONENT SUPPLY INDICATOR LAMP
R.LANE SW
R.RESET
R.ERR.CLR
R.STOP
R.START
R.READY
R.ACTIVE
R2 CLAMP SEL SW
J0313CN16
J0312CN15
R2 PIN UP
R2 PIN DOWN
R2 PIN ST
R1 PIN STATION UP
R1 PIN STATION DOWN
N0100436
N0100437
SQ176
SQ177
R1 PIN STATION UP
T0100045
YV073
R1 PIN UP
R1 PIN DOWN
R1 PIN ST
24E CN14
CN14 J0311
KM10
I/O CONVEYOR -4-
See Page 15
F1 PIN UP
F1 PIN DOWN
F1 PIN ST
F2 PIN STATION UP
F2 PIN STATION DOWN
N0100434
N0100435
SQ173
SQ174
F2 PIN STATION UP
T0100044
YV072
F2 PIN UP
F2 PIN DOWN
F2 PIN ST
R2 PIN STATION UP
R2 PIN STATION DOWN
N0100432
N0100433
SQ178
SQ179
R2 PIN STATION UP
T0100043
YV074
F1 PIN STATION UP
F1 PIN STATION DOWN
N0100430
N0100431
SQ171
SQ172
F1 PIN STATION UP
T0100042
YV071
F1 PIN STATION(OPTION) F2 PIN STATION(OPTION)
R1 PIN STATION(OPTION)
R2 PIN STATION(OPTION)
CC.V4
13
I/O CONVEYOR -2-
YSM20-2