KLW-000-1905 (CWD)YSM20接线图-2beam.pdf - 第2页
YSM20 (2-beam) T able of contents /目次 Over view / 全体接続図 Power circuit / 電源回路図 Emergency circuit / 非常停止回路図 Control box(DS) -1- /コントローラー接続図 (DS) -1- Control box(SL) -1- /コントローラー接続図 (SL) -1- Control box(DL) -1- /コントローラー接続図 …

KLW-000-1905 (CWD)
YSM20
(2-beam)
Control Wiring Diagram
YSM20
(2-beam)
Table of contents
/目次
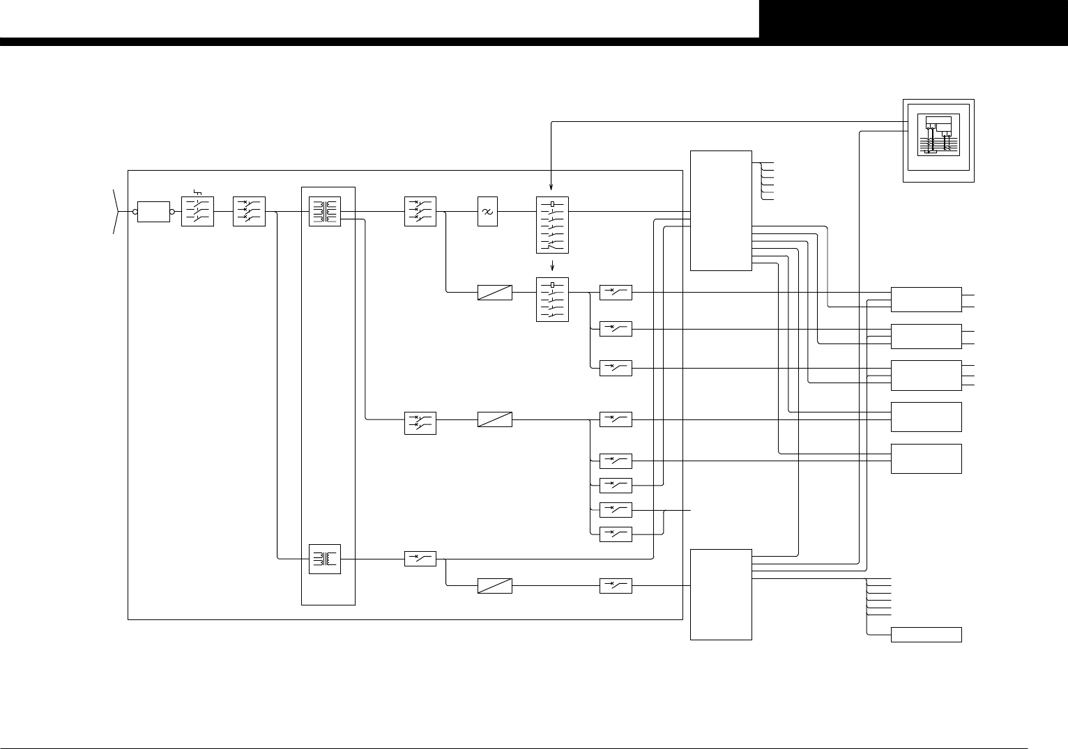
Over view / 全体接続図
Power circuit / 電源回路図
Emergency circuit / 非常停止回路図
Control box(DS) -1- /コントローラー接続図 (DS) -1-
Control box(SL) -1- /コントローラー接続図 (SL) -1-
Control box(DL) -1- /コントローラー接続図 (DL) -1-
Control box -2- /コントローラー接続図 -2-
Control box -3- /コントローラー接続図 -3-
Conveyor C/R(DS) / コンベアー C/R(DS) 接続図
Conveyor C/R(SL) / コンベアー C/R(SL) 接続図
Conveyor C/R(DL) / コンベアー C/R(DL) 接続図
I/O conveyor -1- / I/O コンベアー接続図 -1-
I/O conveyor -2- / I/O コンベアー接続図 -2-
I/O conveyor -3- / I/O コンベアー接続図 -3-
I/O conveyor -4- / I/O コンベアー接続図 -4-
I/O conveyor(DS) -5- / I/O コンベアー (DS) 接続図 -5-
I/O conveyor(SL) -5- / I/O コンベアー (SL) 接続図 -5-
I/O conveyor(DL) -5- / I/O コンベアー (DL) 接続図 -5-
Head A / ヘッド A
Head B / ヘッド B
HM Head / HM ヘッド
FM Head / FM ヘッド
FIX70 feeder structure(SSF) / 70 連固定フィーダー (SSF) 接続図
Front FES32 Feeder(SSF)/ATS / 前側 32 連台車フィーダー (SSF)/ATS 接続図
Rear FES32 Feeder(SSF)/ATS / 後側 32 連台車フィーダー (SSF)/ATS 接続図
Front FES32 Feeder(ZSF)/ATS / 前側 32 連台車フィーダー (ZSF)/ATS 接続図
Rear FES32 Feeder(ZSF)/ATS / 後側 32 連台車フィーダー (ZSF)/ATS 接続図
Ionizer assy (option) /イオナイザー ( オプション )
Power transformer / 電源トランス接続
Air circuit / エアー回路図
Wiring parts list / 配線部品表
P.1
P.2
P.3
P.4
P.5
P.6
P.7
P.8
P.9
P.10
P.11
P.12
P.13
P.14
P.15
P.16
P.17
P.18
P.19
P.20
P.21
P.22
P.23
P.24
P.25
P.26
P.27
P.28
P.29
P.30
P.38
Condential & Proprietary

Confidential & Proprietary
PAGE
Circuit
Protector
QF31 10A
CONTROL BOX
Each Motors
Noise
NF11
Filter
3∼ AC230V
1∼ AC100V
ECAT
ECAT
ECAT
MKY
MKY
MKY
DC24VA
3∼ AC230V
BARCODE READER(OPTION)
USB KEY/MS(OPTION)
USB MEMORY
TOUCH LCD
CAMERA UNIT
INPUT:
MOTOR:3∼ 230V
AC50/60Hz 4.0A(MAX)
CONTROL:1∼ 100V
OUTPUT:
DRIVER
STANDARD
Power Supply
GS31 600W 12.5A
DC48V
DC48V
DC48V
QF51 5A
QF52 5A
HEAD A
HEAD B
DC48V
ECAT
DC48V
ECAT
DC24VB
DC24VB
HEAD BRD.UNIT
HM HEAD
FM HEAD
HEAD BRD.UNIT
HM HEAD
FM HEAD
DS CONVEYOR
SL CONVEYOR
DL CONVEYOR
DC24VB
QF46 20A
I/O CONVEYOR BOARD
MKY
DC24VB
EMG S/W
COVER S/W
SIGNAL TOWER
SENSOR
VALVE
FDR SET ST.(OPTION)
IONIZER ASSY(OPTION)
Circuit
Protector
QF32 3A
DC24VA
Power Supply
DC24VA
GS21 600W 25A
QF41 7A
F.FEEDER HOLDER
DC24VA
QF43 5A
DC24VA
QF42 7A
DC24VA
QF44 3A
FAN MOTOR POWER
DC24VA
QF45 3A
R.FEEDER HOLDER
MKY
MKY
DC48V
QF53 5A
DC48V
DC24VB
ECAT
CONVEYOR CONTROLLER
CV,W MOTOR
SENSOR
BATTERY
Z,R MOTOR
SENSOR,VALVE
SENSOR,VALVE
Z,R MOTOR
See Page 19
See Page 21
See Page 22
See Page 21
See Page 22
See Page 20
See Page 9
See Page 10
See Page 11
See Page 4-8
CN1-CN13 …Page 12
CN14-CN24 …Page 13
CN25-CN28 …Page 14
CN29-CN45 …Page 15
DS CONVEYOR …Page 16
SL CONVEYOR …Page 17
DL CONVEYOR …Page 18
K3 K4
Control
Circuit
K1 K2 Off Delay
Timer
Safety Relay
EMERGENCY CIRCUIT
KM10
See Page 3
380/400/416V
200/208/220/240
3∼ 50/60Hz
POWER TRANSFORMER
TERMINAL
Terminal
XB11
QS11 40A
Main Switch
QF11 40A
Main Breaker
TM11 5.18KVA
Transformer
3∼
TC11 1.00KVA
Transformer
POWER CIRCUIT
See Page 2
Contactor
3∼ AC230V
KM11/KM11A
Contactor
KM12/KM12A
DC24VA
DC24VA
3∼
1∼
3∼ AC230V
1∼ AC230V
1∼ AC200V
3∼ AC230V
1∼ AC200V
AC50/60Hz 7.2A(MAX)
3∼ 200V 0-375Hz
ATS -OP-
Rating 13.9KVA MAX.
See Page 28
FIX70(SSF)
See Page 23
FES32(SSF),ATS
FES32(ZSF),ATS
See Page 24
See Page 26
FES32(SSF),ATS
FES32(ZSF),ATS
See Page 25
See Page 27
FIX70(SSF)
See Page 23
See Page 29
1:3.11KW(TOTAL)
2:3.11KW(TOTAL)
4:1.50KW(TOTAL)
2:3.11KW(TOTAL)
1:3.11KW(TOTAL)
3:2.13KW(TOTAL)
3:2.13KW(TOTAL)
QF21 10A
Power Supply
GS22 600W 27A
1∼ AC100V
DC24VB1∼ AC100V
CC.V4
1
OVER VIEW
YSM20-2