KLW-000-1905 (CWD)YSM20接线图-2beam.pdf - 第32页
P AGE 30 Condential & Proprietary YSM20 MM20030 Air circuit SC 4-M3MA SG D AQ10 x 15 - ZE135 A2- 47 W TL4 -01 UT 4 TL4 -01 SC 4-M3MA T L4-01 M SSU 4 TL4 -01 UT 4 T L4-01 M MGPM 40 - 15 Z DCR4203 R PA C250 - 16 WY PA…

Confidential & Proprietary
PAGE
200V 200V
200V
200V
200V
200V
200V
200V
200V
200V
200V
200V
200V
200V
200V
200V
200V
200V
200V
230V
230V
240V
220V
208V
200V
190V
0V
240V
220V
208V
200V
190V
0V
240V
220V
208V
200V
190V
0V
240V
220V
208V
200V
190V
0V
240V
220V
208V
200V
190V
0V
240V
220V
208V
200V
190V
0V
230VW
V
U
230V
230V
230V
230V
230V
230V
230V
230V
230V
230V
240V
220V
208V
200V
190V
0V
240V
220V
208V
200V
190V
0V
240V
220V
208V
200V
190V
0V
240V
220V
208V
200V
190V
0V
240V
220V
208V
200V
190V
0V
240V
220V
208V
200V
190V
0V
230VW
V
U
240V
220V
208V
200V
190V
0V
240V
220V
208V
200V
190V
0V
240V
220V
208V
200V
190V
0V
240V
220V
208V
200V
190V
0V
240V
220V
208V
200V
190V
0V
240V
220V
208V
200V
190V
0V
230VW
V
U
240V
220V
208V
200V
190V
0V
240V
220V
208V
200V
190V
0V
240V
220V
208V
200V
190V
0V
240V
220V
208V
200V
190V
0V
240V
220V
208V
200V
190V
0V
240V
220V
208V
200V
190V
0V
230VW
V
U
240V
220V
208V
200V
190V
0V
240V
220V
208V
200V
190V
0V
240V
220V
208V
200V
190V
0V
240V
220V
208V
200V
190V
0V
240V
220V
208V
200V
190V
0V
240V
220V
208V
200V
190V
0V
230VW
V
U
240V
220V
208V
200V
190V
0V
240V
220V
208V
200V
190V
0V
240V
220V
208V
200V
190V
0V
240V
220V
208V
200V
190V
0V
240V
220V
208V
200V
190V
0V
240V
220V
208V
200V
190V
0V
230VW
V
U
240V
220V
208V
200V
190V
0V
240V
220V
208V
200V
190V
0V
240V
220V
208V
200V
190V
0V
240V
220V
208V
200V
190V
0V
240V
220V
208V
200V
190V
0V
240V
220V
208V
200V
190V
0V
230V
230V
230V
W
V
U
240V
0V
190V
200V
208V
220V
0V
100V
240V
0V
190V
200V
208V
220V
240V
0V
190V
200V
208V
220V
0V
100V
240V
0V
190V
200V
208V
220V
240V
0V
190V
200V
208V
220V
0V
100V
240V
0V
190V
200V
208V
220V
240V
0V
190V
200V
208V
220V
0V
100V
240V
0V
190V
200V
208V
220V
240V
0V
190V
200V
208V
220V
0V
100V
240V
0V
190V
200V
208V
220V
240V
0V
190V
200V
208V
220V
0V
100V
240V
0V
190V
200V
208V
220V
240V
0V
190V
200V
208V
220V
0V
100V
240V
0V
190V
200V
208V
220V
0V
0V
100V
100V
0V
0V
100V
100V
0V
0V
100V
100V
0V
0V
100V
100V
0V
0V
100V
100V
0V
0V
100V
100V
0V
0V
100V
100V
T2
T2
T2
T2
T2
T2
T2
S2
S2
S2
S2
S2
S2
S2
R2
R2
R2
R2
R2
R2
R2NNN NN
416V400V380V240V220V208V200V
NN
416V400V380V240V220V208V200V
TM11:The selection of POWER SOURCE 5.18KVA
TC11:The selection of POWER SOURCE 1.0KVA
S2
S2
S2
S2
S2
S2
S2
R2 R2 R2 R2 R2 R2 R2
U10B U10B U10B U10B U10B U10B U10B
V10B V10B V10B V10B V10B V10B V10B
W60 W60W60W60W60 W60 W60
V60 V60V60V60V60 V60 V60
U50U50U50 U50 U50 U50U50
V50V50V50 V50 V50 V50V50
W50W50W50 W50 W50 W50W50
200V
200V
CC.V4
29
POWER TRANSFORMER
YSM20-2

PAGE
30
Condential & Proprietary
YSM20
MM20030
Air circuit
SC4-M3MA
SGDAQ10x15-ZE135A2-47W
TL4-01
UT4
TL4-01
SC4-M3MA
TL4-01M
SSU4
TL4-01
UT4
TL4-01M
MGPM40-15ZDCR4203R
PA
C250-16WY
PA
UT4
MGPM40-15Z-DCR3899R
SSU4
SSU4
SSU4
TL4-01
SSU4
SSU4
SSU4
MGPM40-15Z-DCR3899R
SSU4
SS0755-AWS07
TL4-01
TL4-01M
TL4-01
UT4
PA
C250-16WY
PA
MGPM40-15ZDCR4203R
UT4
TL4-01M
TL4-01M
UT4
TL4-01M
SSU4
TL4-01M
SSU4
TL4-01M
UT4
SSU4
PA
C250-16WY
PA
SSU4
MGPM40-15Z-DCR3899R
TL4-01
SC4-M3MA
C
LAMP
UN
I
T
F
2
CL
AM
P UN
I
T R1
プラグ1/8
CLAMP UNIT R2
M
U
LTI
CAM
ER
A
MU
L
T
I C
AM
E
R
A
CLAMP
UN
IT F1
TL4-01
TL4-01
UT4
SC4-M3MA
TL4-01
SSU4
UT4
SSU4
TL4-01M
PA
C250-16WY
PA
TL4-01M
SSU4
TL4-01M
TL4-01
UT4
TL4-01
TL4-01
TL4-01
MGPM40-15ZDCR4203R
TL4-01M
TL4-01
MGPM40-15Z-DCR3899R
MGPM40-15ZDCR4203R
SSU4
UT4
TL4-01
UT4
KM-11
TL4-01M
TL4-01M
TL4-01M
TL4-01M
KM-10
F15T2-F4-PN-DC24-129W
KM-10
TL4-02
F15T2-F4-PN-DC24-129W
KM-10
KM-10
TL6-01M
TL6-01M
TL4-02
TL4-01M
TL4-01M
KM-10
CDQ2B63-50-DCS0730S-M9BM
F15T2-F4-PN-DC24-129W
TL4-02
KM-10
TL4-02
CDAS 63x50-ZE135A2
TL4-02
TL6-01M
UY8
KK3P-06H
C
U
TTER R2
KK3S-06E
C
U
T
T
ER R
1
UYD8-6
CUTT
E
R F2
CU
T
T
E
R F1
UK6
KK3P-06H
KK3S-06E
KK3S-06E
KK3P-06H
TL4-01M
TL4-01M
TL6-01M
CDQ2B63-50-DCS0730S-M9BM
TL4-02
TL4-02
CDAS 63x50-ZE135A2
KK3P-06H
UK6
UYD8-6
KK3S-06E
F15T2-F4-PN-DC24-129W
TL4-02
KM-10
KM-10
SLY10-03
P
ISE30A-C4L-B-MD
PPP
VHS30-03B-X2119A
HR600-03
UY12
KM-31
UY4
AC30X-03D-A-X2649A
φ12 ORANGE
FUV8-8
US10
φ10 ORANGE
Φ6 ORANGE
UY10
UYD10-8
UYD8-6
UEDW10-8
φ12 ORANGE
φ10 ORANGE EGNARO 4φEG
N
ARO 8φ
T
O
C
ONVEYO
R
R
T
O CO
N
VEYOR L
US10
US10
US10
φ6 ORANGE
φ6 ORANGE
φ10 ORANGE
φ10 ORANGE
TO H
E
AD A
φ4 ORANGE
φ4 BLACK
φ4 BLACK
φ4 ORANGE
φ4 BLACK
φ4 ORANGE
φ4 BLACK
φ4 ORANGE
Φ6 ORANGE
Φ6 ORANGE
Φ6 ORANGE
Φ6 ORANGE
Φ6 ORANGE Φ6 ORANGE
Φ6 ORANGE
Φ6 ORANGE
Φ6 ORANGE
Φ8 ORANGE
Φ8 ORANGE
Φ8 ORANGE
UY4
KM-31
P
ISE30A-C4L-B-MD
PPP
HR600-03
φ4 ORANGE
SLY10-03
φ12 ORANGE
US10
UY10
US10
φ10 ORANGE
φ10 ORANGE
T
O HE
A
D
B
US10
US10
φ10 ORANGE
φ10 ORANGE
UP8
UP10
SL8-01
プラグ1/8
UP8
UYD8-6
VQZ332B-5G1-C6
VFU2-66P-NHTL6-01M
VQZ332B-5G1-C6
VFU2-66P-NHTL6-01M
TL6-02
TL6-02
φ10 BLACK
(EXT.)
UYD8-6
UY6
KK3S-06E
KK3S-06E
KK3S-06E
KK3S-06E
UC6
UC6
UY6
UYD8-6
φ8 ORANGE
Φ6 ORANGE
Φ6 ORANGE
KCAL
B
6ΦKCALB6Φ
Φ6BLACK Φ6BLACK
φ8 ORANGE
φ8 ORANGE
φ8 ORANGE
Φ6 ORANGE
Φ6 ORANGE
Φ6 ORANGE
Φ6 ORANGE
Φ6 ORANGE
Φ6 ORANGE
φ4 BLACK
φ4 ORANGE
φ4 ORANGE
φ4 BLACK
φ4 ORANGE
φ4 BLACK
φ4 ORANGE
φ4 BLACK
φ4 BLACK
φ4 ORANGE
φ4 BLACK
φ4 ORANGE
φ4 BLACK
φ4 ORANGE
φ4 BLACK
φ4 BLACK
φ4 ORANGE
φ4 ORANGE
φ4 ORANGE
φ4 BLACK
φ4 BLACK
φ4 ORANGE
φ4 BLACK
φ4 BLACK
φ4 ORANGE
φ4 ORANGE
φ4 ORANGE
φ4 BLACK
φ4 BLACK
φ4 ORANGE
φ4 BLACK
φ4 BLACK
φ4 ORANGE
φ4 ORANGE
φ4 ORANGE
φ4 BLACK
φ4 BLACK
φ4 BLACK
φ4 BLACK
φ4 BLACK
TAPE CUTTER
UC4
UC4
TL4-02
TL4-02
BLOW ST.
C
O
VE
R 2
COVER 1
COVE
R 4
C
O
VER 3
A
T
S
ATS
US6
US6
φ10 BLACK
(EXT.)
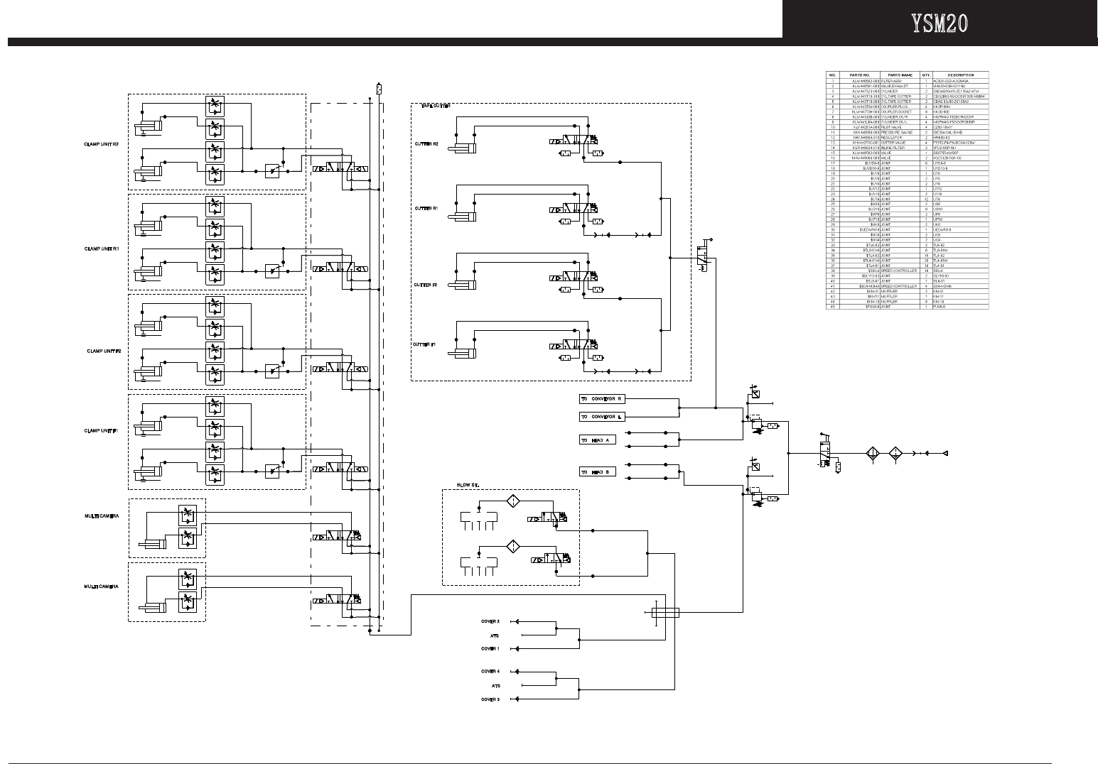
NOTE
1.本図は YSM20-2 (KLW 2ビーム) の空気圧回路図である。
2.ANC部はコンベア部の空気圧回路図に記載してある。
3.ヘッド部の空気圧回路図は KLW-M8500-100 を参照のこと。
4.コンベア部の空気圧回路図はKLW-M8500-200 を参照のこと。
⑧
⑨
⑧
⑨
⑧
⑨
⑧
⑨
SGDAQ10x15-ZE135A2-47W
③
③
④
④
⑤
⑤
⑥
⑥
⑥
⑥
⑦
⑦
⑦
⑦
⑭
⑭
⑦
⑦
⑦
⑦
⑪
⑫
⑪
⑫
②
①
⑩
⑩
⑩
⑩
⑬
⑬
⑬
⑬
⑮
⑯
⑯
Φ8 ORANGE
SC4-M3MA
SGDAQ10x15-ZE135A2-47W
TL4-01
UT4
TL4-01
SC4-M3MA
TL4-01M
SSU4
TL4-01
UT4
TL4-01M
MGPM40-15ZDCR4203R
PA
C250-16WY
PA
UT4
MGPM40-15Z-DCR3899R
SSU4
SSU4
SSU4
TL4-01
SSU4
SSU4
SSU4
MGPM40-15Z-DCR3899R
SSU4
SS0755-AWS07
TL4-01
TL4-01M
TL4-01
UT4
PA
C250-16WY
PA
MGPM40-15ZDCR4203R
UT4
TL4-01M
TL4-01M
UT4
TL4-01M
SSU4
TL4-01M
SSU4
TL4-01M
UT4
SSU4
PA
C250-16WY
PA
SSU4
MGPM40-15Z-DCR3899R
TL4-01
SC4-M3MA
C
LAMP
UN
I
T
F
2
CL
AM
P UN
I
T R1
プラグ1/8
CLAMP UNIT R2
M
U
LTI
CAM
ER
A
MU
L
T
I C
AM
E
R
A
CLAMP
UN
IT F1
TL4-01
TL4-01
UT4
SC4-M3MA
TL4-01
SSU4
UT4
SSU4
TL4-01M
PA
C250-16WY
PA
TL4-01M
SSU4
TL4-01M
TL4-01
UT4
TL4-01
TL4-01
TL4-01
MGPM40-15ZDCR4203R
TL4-01M
TL4-01
MGPM40-15Z-DCR3899R
MGPM40-15ZDCR4203R
SSU4
UT4
TL4-01
UT4
KM-11
TL4-01M
TL4-01M
TL4-01M
TL4-01M
KM-10
F15T2-F4-PN-DC24-129W
KM-10
TL4-02
F15T2-F4-PN-DC24-129W
KM-10
KM-10
TL6-01M
TL6-01M
TL4-02
TL4-01M
TL4-01M
KM-10
CDQ2B63-50-DCS0730S-M9BM
F15T2-F4-PN-DC24-129W
TL4-02
KM-10
TL4-02
CDAS 63x50-ZE135A2
TL4-02
TL6-01M
UY8
KK3P-06H
C
U
TTER R2
KK3S-06E
C
U
T
T
ER R
1
UYD8-6
CUTT
E
R F2
CU
T
T
E
R F1
UK6
KK3P-06H
KK3S-06E
KK3S-06E
KK3P-06H
TL4-01M
TL4-01M
TL6-01M
CDQ2B63-50-DCS0730S-M9BM
TL4-02
TL4-02
CDAS 63x50-ZE135A2
KK3P-06H
UK6
UYD8-6
KK3S-06E
F15T2-F4-PN-DC24-129W
TL4-02
KM-10
KM-10
SLY10-03
P
ISE30A-C4L-B-MD
PPP
VHS30-03B-X2119A
HR600-03
UY12
KM-31
UY4
AC30X-03D-A-X2649A
φ12 ORANGE
FUV8-8
US10
φ10 ORANGE
Φ6 ORANGE
UY10
UYD10-8
UYD8-6
UEDW10-8
φ12 ORANGE
φ10 ORANGE EGNARO 4φEG
N
ARO 8φ
T
O
C
ONVEYO
R
R
T
O CO
N
VEYOR L
US10
US10
US10
φ6 ORANGE
φ6 ORANGE
φ10 ORANGE
φ10 ORANGE
TO H
E
AD A
φ4 ORANGE
φ4 BLACK
φ4 BLACK
φ4 ORANGE
φ4 BLACK
φ4 ORANGE
φ4 BLACK
φ4 ORANGE
Φ6 ORANGE
Φ6 ORANGE
Φ6 ORANGE
Φ6 ORANGE
Φ6 ORANGE Φ6 ORANGE
Φ6 ORANGE
Φ6 ORANGE
Φ6 ORANGE
Φ8 ORANGE
Φ8 ORANGE
Φ8 ORANGE
UY4
KM-31
P
ISE30A-C4L-B-MD
PPP
HR600-03
φ4 ORANGE
SLY10-03
φ12 ORANGE
US10
UY10
US10
φ10 ORANGE
φ10 ORANGE
T
O HE
A
D
B
US10
US10
φ10 ORANGE
φ10 ORANGE
UP8
UP10
SL8-01
プラグ1/8
UP8
UYD8-6
VQZ332B-5G1-C6
VFU2-66P-NHTL6-01M
VQZ332B-5G1-C6
VFU2-66P-NHTL6-01M
TL6-02
TL6-02
φ10 BLACK
(EXT.)
UYD8-6
UY6
KK3S-06E
KK3S-06E
KK3S-06E
KK3S-06E
UC6
UC6
UY6
UYD8-6
φ8 ORANGE
Φ6 ORANGE
Φ6 ORANGE
KCAL
B
6ΦKCALB6Φ
Φ6BLACK Φ6BLACK
φ8 ORANGE
φ8 ORANGE
φ8 ORANGE
Φ6 ORANGE
Φ6 ORANGE
Φ6 ORANGE
Φ6 ORANGE
Φ6 ORANGE
Φ6 ORANGE
φ4 BLACK
φ4 ORANGE
φ4 ORANGE
φ4 BLACK
φ4 ORANGE
φ4 BLACK
φ4 ORANGE
φ4 BLACK
φ4 BLACK
φ4 ORANGE
φ4 BLACK
φ4 ORANGE
φ4 BLACK
φ4 ORANGE
φ4 BLACK
φ4 BLACK
φ4 ORANGE
φ4 ORANGE
φ4 ORANGE
φ4 BLACK
φ4 BLACK
φ4 ORANGE
φ4 BLACK
φ4 BLACK
φ4 ORANGE
φ4 ORANGE
φ4 ORANGE
φ4 BLACK
φ4 BLACK
φ4 ORANGE
φ4 BLACK
φ4 BLACK
φ4 ORANGE
φ4 ORANGE
φ4 ORANGE
φ4 BLACK
φ4 BLACK
φ4 BLACK
φ4 BLACK
φ4 BLACK
TAPE CUTTER
UC4
UC4
TL4-02
TL4-02
BLOW ST.
C
O
VE
R 2
COVER 1
COVE
R 4
C
O
VER 3
A
T
S
ATS
US6
US6
φ10 BLACK
(EXT.)
NOTE
1.本図は YSM20-2 (KLW 2ビーム) の空気圧回路図である。
2.ANC部はコンベア部の空気圧回路図に記載してある。
3.ヘッド部の空気圧回路図は KLW-M8500-100 を参照のこと。
4.コンベア部の空気圧回路図はKLW-M8500-200 を参照のこと。
⑧
⑨
⑧
⑨
⑧
⑨
⑧
⑨
SGDAQ10x15-ZE135A2-47W
③
③
④
④
⑤
⑤
⑥
⑥
⑥
⑥
⑦
⑦
⑦
⑦
⑭
⑭
⑦
⑦
⑦
⑦
⑪
⑫
⑪
⑫
②
①
⑩
⑩
⑩
⑩
⑬
⑬
⑬
⑬
⑮
⑯
⑯
Φ8 ORANGE

PAGE
31
Condential & Proprietary
YSM20
MM20030
Air circuit
真空発生用バルブ
VQD115-5MO-X1
シャフトブロー用バルブ
VQ120-5MO
VQ111U-5LO-X555
真空破壊用バルブ
H1
NOTE
1.YSM20(KLW) HMヘッドのエア回路図
PPP
KKE-M7113-00X
TUS0425
VQ111U-5LO-X555
真空破壊用バルブ
真空発生用バルブ
VQD115-5MO-X1
PPP
TUS0425
KKE-M7113-00X
H2
VQ111U-5LO-X555
真空破壊用バルブ
真空発生用バルブ
VQD115-5MO-X1
PPP
TUS0425
KKE-M7113-00X
H10
φ10 ORENGE
φ10 ORENGE
NO.
KHY-M4592-01X
VAC SENSOR BRD ASSY
1
PARTS NO. PARTS NAME QTY. DESCRIPTION
1
ZZB10-X177C
2
3
KLW-M7151-00X EJECTOR,RESIN
JOINTKKE-M7113-00X
1
10 LF3100
①
②
③③③
KHY-M4592-01X
KLW-M7151-00X
真空発生用バルブ
VQD115-5MO-X1
シャフトブロー用バルブ
VQ120-5MO
VQ111U-5LO-X555
真空破壊用バルブ
H1
NOTE
1.YSM20(KLW) HMヘッドのエア回路図
PPP
KKE-M7113-00X
TUS0425
VQ111U-5LO-X555
真空破壊用バルブ
真空発生用バルブ
VQD115-5MO-X1
PPP
TUS0425
KKE-M7113-00X
H2
VQ111U-5LO-X555
真空破壊用バルブ
真空発生用バルブ
VQD115-5MO-X1
PPP
TUS0425
KKE-M7113-00X
H10
φ10 ORENGE
φ10 ORENGE
NO.
KHY-M4592-01X
VAC SENSOR BRD ASSY
1
PARTS NO. PARTS NAME QTY. DESCRIPTION
1
ZZB10-X177C
2
3
KLW-M7151-00X EJECTOR,RESIN
JOINTKKE-M7113-00X
1
10 LF3100
①
②
③③③
KHY-M4592-01X
KLW-M7151-00X
HM head