KLW-000-1905 (CWD)YSM20接线图-2beam.pdf - 第36页
P AGE 34 Condential & Proprietary YSM20 MM20030 Air circuit SS0755 -AWS09 プラグ 1/8 CCDAS16 x 40 - ZE135B 1 S C3 W-M5-4 ④ φ 4 B LA CK φ 4 ORA NG E MAIN S TOPPE R 1-2 ( OPTIO N) φ 4 B LA CK ⑥ ANC R ( O PT I O N) φ 4 OR…

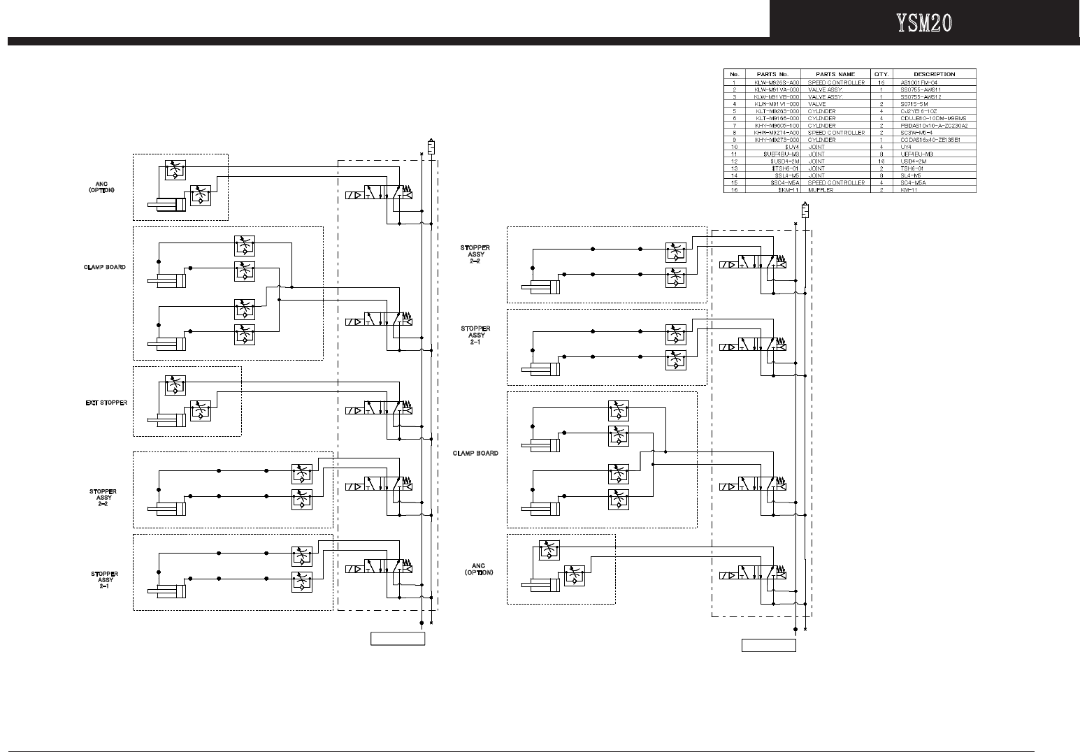
PAGE
33
Condential & Proprietary
YSM20
MM20030
Air circuit
PBDAS10x10-A-ZC230A2
SC4-M5A
SC4-M5A
1155 33
44 22
4141
2121
15 3
4 2
14
12
φ4 ORANGE
φ4 BLACK
ANC
(OPT
I
ON)
AS1001FM-04
15 3
4 2
14
12
1155 33
44 22
4141
2121
CJ2YE16-10Z
AS1001FM-04
φ4 ORANGE
φ4 BLACK
C
L
AMP BOA
R
D
SL4-M5
SL4-M5
CJ2YE16-10Z
AS1001FM-04
AS1001FM-04
SL4-M5
SL4-M5
UY4
UY4
φ4 BLACK
φ4 BLACK
φ4 BLACK
φ4 ORANGE
φ4 ORANGE
φ4 ORANGE
SC3W-M5-4
15 3
4 2
14
12
1155 33
44 22
4141
2121
CCDAS16x40-ZE135B1
SC3W-M5-4
φ4 BLACK
EXIT
S
T
O
PP
E
R
φ4 ORANGE
CDUJB10-10DM-M9BMS
15 3
4 2
2141
1155 33
44 22
4141 1212
φ2 BLACK
UEF4BU-M3
φ4 BLACK
φ4 ORANGE
AS1001FM-04
AS1001FM-04
UEF4BU-M3
USD4-2M
USD4-2M
USD4-2M USD4-2M
φ2 ORANGE
S
TOPPER
A
SS
Y
2
-
2
φ4 BLACK
φ4 BLACK
φ4 ORANGE
CDUJB10-10DM-M9BMS
15 3
4 2
2141
1155 33
44 22
4141 1212
UEF4BU-M3
AS1001FM-04
φ4 ORANGE
φ4 BLACK
USD4-2M
φ2 ORANGE
USD4-2M
φ4 BLACK
φ4 ORANGE
STOPPER
AS
SY
2
-1
φ4 BLACK
UEF4BU-M3
φ2 BLACK
AS1001FM-04
USD4-2M USD4-2M
SS0755-AWR12
プラグ 1/8
KM-11
SC4-M5A
PBDAS10x10-A-ZC230A2
SC4-M5A
15 3
4 2
14
12
1155 33
44 22
4141
2121
プラグ 1/8
KM-11
SS0755-AWS11
φ4 BLACK
φ4 ORANGE
ANC
(OPTION)
UEF4BU-M3
USD4-2M
USD4-2M
USD4-2M USD4-2M
15 3
4 2
14
12
1155 33
44 22
4141
2121
STOPPER
ASSY
2-2
CDUJB10-10DM-M9BMS
φ2 ORANGE
AS1001FM-04
AS1001FM-04
φ4 ORANGE
UEF4BU-M3
φ4 BLACK
φ2 BLACK
STO
PPER
ASSY
2-1
φ4 ORANGE
φ4 BLACK
φ2 ORANGE
φ4 BLACK
USD4-2M
USD4-2M
USD4-2M
φ2 BLACK
UEF4BU-M3
AS1001FM-04
USD4-2M
15 3
4 2
2141
1155 33
44 22
4141 1212
CDUJB10-10DM-M9BMS
UEF4BU-M3
φ4 BLACK
φ4 BLACK
φ4 ORANGE
φ4 ORANGE
φ4 BLACK
AS1001FM-04
SL4-M5
CJ2YE16-10Z
AS1001FM-04
SL4-M5
15 3
4 2
14
12
1155 33
44 22
4141
2121
AS1001FM-04
AS1001FM-04
φ4 ORANGE
φ4 BLACK
CJ2YE16-10Z
CL
A
M
P B
O
A
RD
φ4 BLACK
φ4 BLACK
AS1001FM-04
φ4 ORANGE
φ4 ORANGE
φ4 BLACK
φ4 ORANGE
SL4-M5
UY4
UY4
SL4-M5
TSH6-01
プラグ 1/8
BASE CONVEYOR L
(KLW-M8500-000)
TSH6-01
プラグ 1/8
BASE CONVEYOR R
(KLW-M8500-000)
S0715-5M
OPTION時追加
S0715-5M
OPTION時追加
⑨
①
①
①
①
①
①
①
①
①
①
①
①
①
①
①
①
③
②
⑥
⑥
⑥
⑥
④
④
⑤
⑤
⑤
⑤
⑦
⑦
⑧
⑧
NOTE
1. 本図は YSM20-2(KLW 2ビーム) DS コンベアの
空気圧回路図を示す。
2. 本図接続先のBASE部の空気圧回路図は
KLW-M8500-000 に示す。
PBDAS10x10-A-ZC230A2
SC4-M5A
SC4-M5A
1155 33
44 22
4141
2121
15 3
4 2
14
12
φ4 ORANGE
φ4 BLACK
ANC
(OPT
I
ON)
AS1001FM-04
15 3
4 2
14
12
1155 33
44 22
4141
2121
CJ2YE16-10Z
AS1001FM-04
φ4 ORANGE
φ4 BLACK
C
L
AMP BOA
R
D
SL4-M5
SL4-M5
CJ2YE16-10Z
AS1001FM-04
AS1001FM-04
SL4-M5
SL4-M5
UY4
UY4
φ4 BLACK
φ4 BLACK
φ4 BLACK
φ4 ORANGE
φ4 ORANGE
φ4 ORANGE
SC3W-M5-4
15 3
4 2
14
12
1155 33
44 22
4141
2121
CCDAS16x40-ZE135B1
SC3W-M5-4
φ4 BLACK
EXIT
S
T
O
PP
E
R
φ4 ORANGE
CDUJB10-10DM-M9BMS
15 3
4 2
2141
1155 33
44 22
4141 1212
φ2 BLACK
UEF4BU-M3
φ4 BLACK
φ4 ORANGE
AS1001FM-04
AS1001FM-04
UEF4BU-M3
USD4-2M
USD4-2M
USD4-2M USD4-2M
φ2 ORANGE
S
TOPPER
A
SS
Y
2
-
2
φ4 BLACK
φ4 BLACK
φ4 ORANGE
CDUJB10-10DM-M9BMS
15 3
4 2
2141
1155 33
44 22
4141 1212
UEF4BU-M3
AS1001FM-04
φ4 ORANGE
φ4 BLACK
USD4-2M
φ2 ORANGE
USD4-2M
φ4 BLACK
φ4 ORANGE
STOPPER
AS
SY
2
-1
φ4 BLACK
UEF4BU-M3
φ2 BLACK
AS1001FM-04
USD4-2M USD4-2M
SS0755-AWR12
プラグ 1/8
KM-11
SC4-M5A
PBDAS10x10-A-ZC230A2
SC4-M5A
15 3
4 2
14
12
1155 33
44 22
4141
2121
プラグ 1/8
KM-11
SS0755-AWS11
φ4 BLACK
φ4 ORANGE
ANC
(OPTION)
UEF4BU-M3
USD4-2M
USD4-2M
USD4-2M USD4-2M
15 3
4 2
14
12
1155 33
44 22
4141
2121
STOPPER
ASSY
2-2
CDUJB10-10DM-M9BMS
φ2 ORANGE
AS1001FM-04
AS1001FM-04
φ4 ORANGE
UEF4BU-M3
φ4 BLACK
φ2 BLACK
STO
PPER
ASSY
2-1
φ4 ORANGE
φ4 BLACK
φ2 ORANGE
φ4 BLACK
USD4-2M
USD4-2M
USD4-2M
φ2 BLACK
UEF4BU-M3
AS1001FM-04
USD4-2M
15 3
4 2
2141
1155 33
44 22
4141 1212
CDUJB10-10DM-M9BMS
UEF4BU-M3
φ4 BLACK
φ4 BLACK
φ4 ORANGE
φ4 ORANGE
φ4 BLACK
AS1001FM-04
SL4-M5
CJ2YE16-10Z
AS1001FM-04
SL4-M5
15 3
4 2
14
12
1155 33
44 22
4141
2121
AS1001FM-04
AS1001FM-04
φ4 ORANGE
φ4 BLACK
CJ2YE16-10Z
CL
A
M
P B
O
A
RD
φ4 BLACK
φ4 BLACK
AS1001FM-04
φ4 ORANGE
φ4 ORANGE
φ4 BLACK
φ4 ORANGE
SL4-M5
UY4
UY4
SL4-M5
TSH6-01
プラグ 1/8
BASE CONVEYOR L
(KLW-M8500-000)
TSH6-01
プラグ 1/8
BASE CONVEYOR R
(KLW-M8500-000)
S0715-5M
OPTION時追加
S0715-5M
OPTION時追加
⑨
①
①
①
①
①
①
①
①
①
①
①
①
①
①
①
①
③
②
⑥
⑥
⑥
⑥
④
④
⑤
⑤
⑤
⑤
⑦
⑦
⑧
⑧
NOTE
1. 本図は YSM20-2(KLW 2ビーム) DS コンベアの
空気圧回路図を示す。
2. 本図接続先のBASE部の空気圧回路図は
KLW-M8500-000 に示す。
Air circuit DS conveyor

PAGE
34
Condential & Proprietary
YSM20
MM20030
Air circuit
SS0755-AWS09
プラグ 1/8
CCDAS16x40-ZE135B1
SC3W-M5-4
④
φ4 BLACK
φ4 ORANGE
MAIN STOPPER 1-2
(OPTION)
φ4 BLACK
⑥
ANC R
(
O
PT
I
O
N)
φ4 ORANGE
SC4-M5A
PBDAS10x10-A-ZC230A2
SC4-M5A
φ4 BLACK
⑥
A
NC
F
(
O
PT
I
O
N)
φ4 ORANGE
SC4-M5A
PBDAS10x10-A-ZC230A2
SC4-M5A
SC3W-M5-4
②
S0715-5M
OPTION時追加
②
S0715-5M
OPTION時追加
②
S0715-5M
OPTION時追加
⑤
SC3W-M5-4-0
CJ2YE16-10Z
⑤
CJ2YE16-10Z
UY4
UY4
φ4 ORANGE
φ4 ORANGE
φ4 ORANGE
φ4 BLACKφ4 BLACK
φ4 BLACK
TSH6-01
S0715-5M
OPTION時追加
②
AS1002F-04
CDU20-70D-M9BM
TL4-M5M
TL4-M5M
AS1002F-04
φ4 BLACK
EGNARO 4φEGNARO
4φ
φ4 BLACK
PIN STATION R1
(OPTION)
C
L
AM
P B
O
A
RD
L
SC3W-M5-4-0
SC3W-M5-4-0
SC3W-M5-4-0
CJ2YE16-10Z
UY4
SC3W-M5-4-0
⑤
⑤
CJ2YE16-10Z
SC3W-M5-4-0
SC3W-M5-4-0
SC3W-M5-4-0
φ4 ORANGE
φ4 ORANGE
UY4
CLAMP BOARD R
φ4 BLACK
φ4 BLACK
φ4 ORANGE
φ4 BLACK
KM-11
プラグ 1/8
SC3W-M5-4
CCDAS16x40-ZE135B1
④
SC3W-M5-4
EXIT STOPPER 1
φ4 BLACK
φ4 ORANGE
①
SC3W-M5-4
CCDAS16x40-ZE135B1
M
AIN
S
TO
PP
ER 1-1
φ4 BLACK
φ4 ORANGE
④
SC3W-M5-4
SC3W-M5-4
CCDAS16x40-ZE135B1
④
SC3W-M5-4
S
UB
STO
P
PE
R
1-
2
φ4 BLACK
φ4 ORANGE
SC3W-M5-4
CCDAS16x40-ZE135B1
S
UB
STO
P
PE
R
1-
1
φ4 BLACK
φ4 ORANGE
④
SC3W-M5-4
AS1002F-04
③
CDU20-70D-M9BM
φ4 ORANGE
φ4 BLACK
φ4 ORANGE
P
IN S
T
ATIO
N R
2
(
O
PT
I
O
N)
φ4 BLACK
AS1002F-04
TL4-M5M
TL4-M5M
TSH6-M5M
KM-05
TSH4-M5M
TSH4-M5M
S0715-5M-M5
BASE CONVEYOR L
(KLW-M8500-000)
BASE CONVEYOR R
(KLW-M8500-000)
⑦⑦
⑧
⑧
⑧
⑧
⑧
⑧
⑧
⑧
⑧
⑧
⑨
⑨
⑨
⑨
⑨
⑨
⑨
⑨
⑩
⑩
⑩
⑩
⑪
⑪
⑪
⑪
⑫
⑫
⑫
⑫
⑬
⑬⑬
⑬
⑭
⑭
⑮
⑱
NOTE
1. 本図は YSM20(KLW) SL右流れ コンベアの
空気圧回路図を示す。
2. 本図接続先のBASE部の空気圧回路図は
KLW-M8500-000 に示す。
⑯
⑰
SS0755-AWS09
プラグ 1/8
CCDAS16x40-ZE135B1
SC3W-M5-4
④
φ4 BLACK
φ4 ORANGE
MAIN STOPPER 1-2
(OPTION)
φ4 BLACK
⑥
ANC R
(
O
PT
I
O
N)
φ4 ORANGE
SC4-M5A
PBDAS10x10-A-ZC230A2
SC4-M5A
φ4 BLACK
⑥
A
NC
F
(
O
PT
I
O
N)
φ4 ORANGE
SC4-M5A
PBDAS10x10-A-ZC230A2
SC4-M5A
SC3W-M5-4
②
S0715-5M
OPTION時追加
②
S0715-5M
OPTION時追加
②
S0715-5M
OPTION時追加
⑤
SC3W-M5-4-0
CJ2YE16-10Z
⑤
CJ2YE16-10Z
UY4
UY4
φ4 ORANGE
φ4 ORANGE
φ4 ORANGE
φ4 BLACKφ4 BLACK
φ4 BLACK
TSH6-01
S0715-5M
OPTION時追加
②
AS1002F-04
CDU20-70D-M9BM
TL4-M5M
TL4-M5M
AS1002F-04
φ4 BLACK
EGNARO 4φEGNARO
4φ
φ4 BLACK
PIN STATION R1
(OPTION)
C
L
AM
P B
O
A
RD
L
SC3W-M5-4-0
SC3W-M5-4-0
SC3W-M5-4-0
CJ2YE16-10Z
UY4
SC3W-M5-4-0
⑤
⑤
CJ2YE16-10Z
SC3W-M5-4-0
SC3W-M5-4-0
SC3W-M5-4-0
φ4 ORANGE
φ4 ORANGE
UY4
CLAMP BOARD R
φ4 BLACK
φ4 BLACK
φ4 ORANGE
φ4 BLACK
KM-11
プラグ 1/8
SC3W-M5-4
CCDAS16x40-ZE135B1
④
SC3W-M5-4
EXIT STOPPER 1
φ4 BLACK
φ4 ORANGE
①
SC3W-M5-4
CCDAS16x40-ZE135B1
M
AIN
S
TO
PP
ER 1-1
φ4 BLACK
φ4 ORANGE
④
SC3W-M5-4
SC3W-M5-4
CCDAS16x40-ZE135B1
④
SC3W-M5-4
S
UB
STO
P
PE
R
1-
2
φ4 BLACK
φ4 ORANGE
SC3W-M5-4
CCDAS16x40-ZE135B1
S
UB
STO
P
PE
R
1-
1
φ4 BLACK
φ4 ORANGE
④
SC3W-M5-4
AS1002F-04
③
CDU20-70D-M9BM
φ4 ORANGE
φ4 BLACK
φ4 ORANGE
P
IN S
T
ATIO
N R
2
(
O
PT
I
O
N)
φ4 BLACK
AS1002F-04
TL4-M5M
TL4-M5M
TSH6-M5M
KM-05
TSH4-M5M
TSH4-M5M
S0715-5M-M5
BASE CONVEYOR L
(KLW-M8500-000)
BASE CONVEYOR R
(KLW-M8500-000)
⑦⑦
⑧
⑧
⑧
⑧
⑧
⑧
⑧
⑧
⑧
⑧
⑨
⑨
⑨
⑨
⑨
⑨
⑨
⑨
⑩
⑩
⑩
⑩
⑪
⑪
⑪
⑪
⑫
⑫
⑫
⑫
⑬
⑬⑬
⑬
⑭
⑭
⑮
⑱
NOTE
1. 本図は YSM20(KLW) SL右流れ コンベアの
空気圧回路図を示す。
2. 本図接続先のBASE部の空気圧回路図は
KLW-M8500-000 に示す。
⑯
⑰
Air circuit SL conveyor ( right ow)

PAGE
35
Condential & Proprietary
YSM20
MM20030
Air circuit
SS0755-AWS09
プラグ 1/8
CCDAS16x40-ZE135B1
SC3W-M5-4
④
φ4 BLACK
φ4 ORANGE
M
A
I
N
S
TO
PPE
R 1-
2
(
O
PT
I
O
N)
φ4 BLACK
⑥
A
NC
R
(OPTIO
N
)
φ4 ORANGE
SC4-M5A
PBDAS10x10-A-ZC230A2
SC4-M5A
φ4 BLACK
⑥
ANC F
(OPTION)
φ4 ORANGE
SC4-M5A
PBDAS10x10-A-ZC230A2
SC4-M5A
SC3W-M5-4
②
S0715-5M
OPTION時追加
②
S0715-5M
OPTION時追加
②
S0715-5M
OPTION時追加
⑤
SC3W-M5-4-0
CJ2YE16-10Z
⑤
CJ2YE16-10Z
UY4
UY4
φ4 ORANGE
φ4 ORANGE
φ4 ORANGE
φ4 BLACKφ4 BLACK
φ4 BLACK
TSH6-01
S0715-5M
OPTION時追加
②
AS1002F-04
CDU20-70D-M9BM
TL4-M5M
TL4-M5M
AS1002F-04
φ4 BLACK
EGN
A
RO 4φEGNARO 4φ
φ4 BLACK
PIN S
T
ATI
ON R
1
(
O
PT
I
O
N)
CLAMP B
O
ARD L
SC3W-M5-4-0
SC3W-M5-4-0
SC3W-M5-4-0
CJ2YE16-10Z
UY4
SC3W-M5-4-0
⑤
⑤
CJ2YE16-10Z
SC3W-M5-4-0
SC3W-M5-4-0
SC3W-M5-4-0
φ4 ORANGE
φ4 ORANGE
UY4
C
L
AM
P B
O
A
RD
R
φ4 BLACK
φ4 BLACK
φ4 ORANGE
φ4 BLACK
KM-11
プラグ 1/8
SC3W-M5-4
CCDAS16x40-ZE135B1
④
SC3W-M5-4
E
X
IT S
TO
P
PER 1
φ4 BLACK
φ4 ORANGE
①
SC3W-M5-4
CCDAS16x40-ZE135B1
M
AIN
S
TO
PPE
R 1-1
φ4 BLACK
φ4 ORANGE
④
SC3W-M5-4
SC3W-M5-4
CCDAS16x40-ZE135B1
④
SC3W-M5-4
SUB STOPPER 1-
2
φ4 BLACK
φ4 ORANGE
SC3W-M5-4
CCDAS16x40-ZE135B1
SUB S
T
OP
PE
R
1-
1
φ4 BLACK
φ4 ORANGE
④
SC3W-M5-4
AS1002F-04
③
CDU20-70D-M9BM
φ4 ORANGE
φ4 BLACK
φ4 ORANGE
P
I
N STA
T
ION R
2
(
O
PT
I
O
N)
φ4 BLACK
AS1002F-04
TL4-M5M
TL4-M5M
TSH6-M5M
KM-05
TSH4-M5M
TSH4-M5M
S0715-5M-M5
BASE CONVEYOR L
(KLW-M8500-000)
BASE CONVEYOR R
(KLW-M8500-000)
⑦⑦
⑧
⑧
⑧
⑧
⑧
⑧
⑧
⑧
⑧
⑧
⑨
⑨
⑨
⑨
⑨
⑨
⑨
⑨
⑩
⑩
⑩
⑩
⑪
⑪
⑪
⑪
⑫
⑫
⑫
⑫
⑬
⑬⑬
⑬
⑭
⑭
⑮
⑱
NOTE
1. 本図は YSM20(KLW) SL左流れ コンベアの
空気圧回路図を示す。
2. 本図接続先のBASE部の空気圧回路図は
KLW-M8500-000 に示す。
⑯
⑰
SS0755-AWS09
プラグ 1/8
CCDAS16x40-ZE135B1
SC3W-M5-4
④
φ4 BLACK
φ4 ORANGE
M
A
I
N
S
TO
PPE
R 1-
2
(
O
PT
I
O
N)
φ4 BLACK
⑥
A
NC
R
(OPTIO
N
)
φ4 ORANGE
SC4-M5A
PBDAS10x10-A-ZC230A2
SC4-M5A
φ4 BLACK
⑥
ANC F
(OPTION)
φ4 ORANGE
SC4-M5A
PBDAS10x10-A-ZC230A2
SC4-M5A
SC3W-M5-4
②
S0715-5M
OPTION時追加
②
S0715-5M
OPTION時追加
②
S0715-5M
OPTION時追加
⑤
SC3W-M5-4-0
CJ2YE16-10Z
⑤
CJ2YE16-10Z
UY4
UY4
φ4 ORANGE
φ4 ORANGE
φ4 ORANGE
φ4 BLACKφ4 BLACK
φ4 BLACK
TSH6-01
S0715-5M
OPTION時追加
②
AS1002F-04
CDU20-70D-M9BM
TL4-M5M
TL4-M5M
AS1002F-04
φ4 BLACK
EGN
A
RO 4φEGNARO 4φ
φ4 BLACK
PIN S
T
ATI
ON R
1
(
O
PT
I
O
N)
CLAMP B
O
ARD L
SC3W-M5-4-0
SC3W-M5-4-0
SC3W-M5-4-0
CJ2YE16-10Z
UY4
SC3W-M5-4-0
⑤
⑤
CJ2YE16-10Z
SC3W-M5-4-0
SC3W-M5-4-0
SC3W-M5-4-0
φ4 ORANGE
φ4 ORANGE
UY4
C
L
AM
P B
O
A
RD
R
φ4 BLACK
φ4 BLACK
φ4 ORANGE
φ4 BLACK
KM-11
プラグ 1/8
SC3W-M5-4
CCDAS16x40-ZE135B1
④
SC3W-M5-4
E
X
IT S
TO
P
PER 1
φ4 BLACK
φ4 ORANGE
①
SC3W-M5-4
CCDAS16x40-ZE135B1
M
AIN
S
TO
PPE
R 1-1
φ4 BLACK
φ4 ORANGE
④
SC3W-M5-4
SC3W-M5-4
CCDAS16x40-ZE135B1
④
SC3W-M5-4
SUB STOPPER 1-
2
φ4 BLACK
φ4 ORANGE
SC3W-M5-4
CCDAS16x40-ZE135B1
SUB S
T
OP
PE
R
1-
1
φ4 BLACK
φ4 ORANGE
④
SC3W-M5-4
AS1002F-04
③
CDU20-70D-M9BM
φ4 ORANGE
φ4 BLACK
φ4 ORANGE
P
I
N STA
T
ION R
2
(
O
PT
I
O
N)
φ4 BLACK
AS1002F-04
TL4-M5M
TL4-M5M
TSH6-M5M
KM-05
TSH4-M5M
TSH4-M5M
S0715-5M-M5
BASE CONVEYOR L
(KLW-M8500-000)
BASE CONVEYOR R
(KLW-M8500-000)
⑦⑦
⑧
⑧
⑧
⑧
⑧
⑧
⑧
⑧
⑧
⑧
⑨
⑨
⑨
⑨
⑨
⑨
⑨
⑨
⑩
⑩
⑩
⑩
⑪
⑪
⑪
⑪
⑫
⑫
⑫
⑫
⑬
⑬⑬
⑬
⑭
⑭
⑮
⑱
NOTE
1. 本図は YSM20(KLW) SL左流れ コンベアの
空気圧回路図を示す。
2. 本図接続先のBASE部の空気圧回路図は
KLW-M8500-000 に示す。
⑯
⑰
Air circuit SL conveyor ( left ow)