KLW-000-1905 (CWD)YSM20接线图-2beam.pdf - 第24页
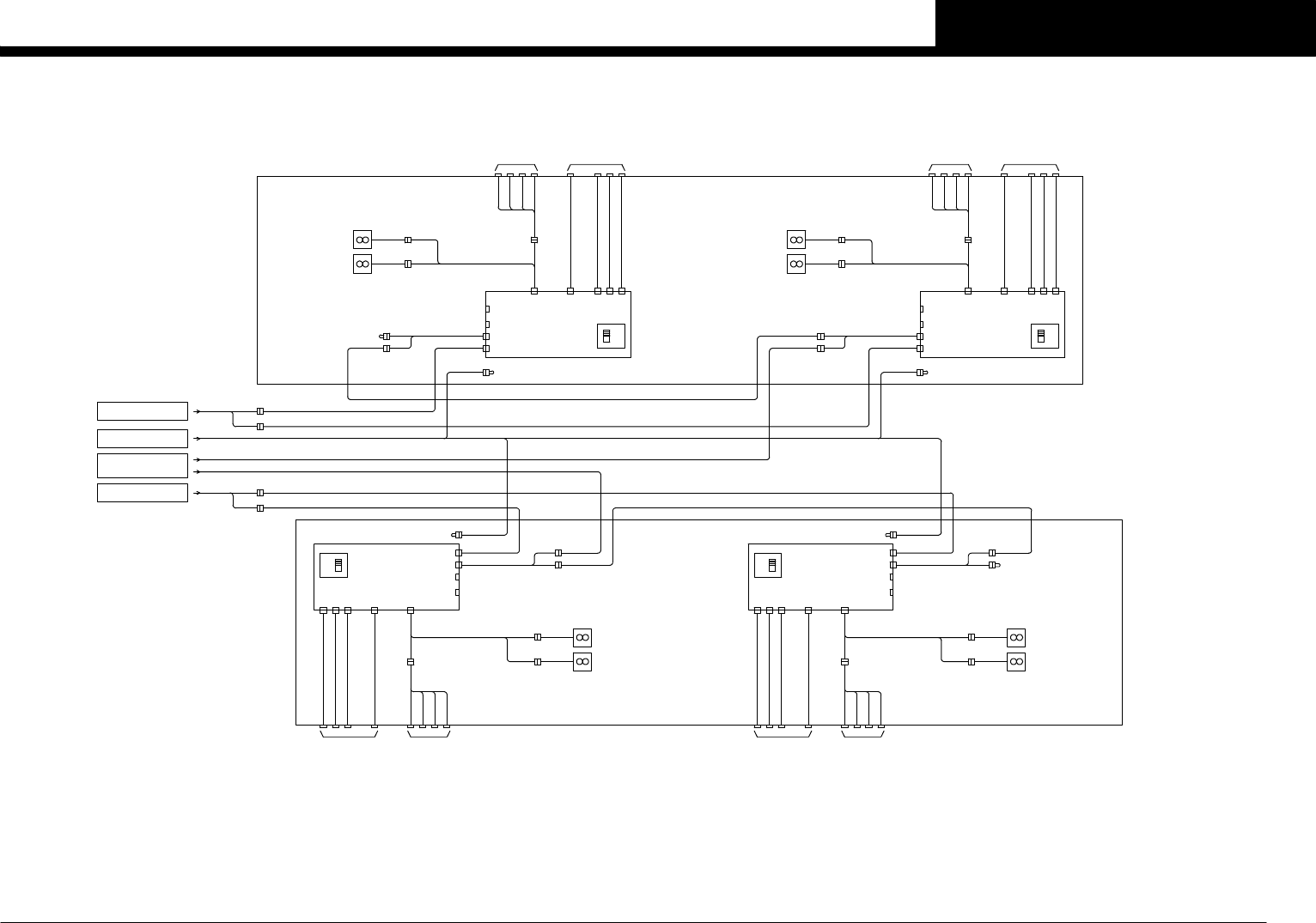
Confidential & P roprietary P A G E SCM H PANEL SC+24V SCP HEAD CAMERA SELECTOR CAM3 LIGHT3 CN8 CN10 CAM3 CN5 CAMOUT CN4 CAM1 CN7 LIGHT1 CAM1 LIGHT1 CN2 48V/24V/E MG CN4 CAMERA SEL POW 48V POW IC POW CN1 CN3 CN6 DO I…

Confidential & Proprietary
PAGE
SCM
H PANEL
SC+24V
SCP
SC+24V
SCM
SCP
HEAD CAMERA SELECTOR
SCM MAX 1.5m/s
M43
SC+24V
CN3 +24V
CN1 POCL
SCCAM
SCAN CAM.SUB ASSY
J0678
SC-AXIS
CAM3
LIGHT3
CN8
CN10
CAM3
CN5 CAMOUT
CN4CAM1
CN7LIGHT1
CAM1
LIGHT1
SCAN UNIT ASSY
CN2 48V/24V/EMG
CN4 CAMERA SEL POW
48V POW
IC POW
CN1
CN3
CN6 DO IN
CN8DO1
HEAD I/O UNIT ASSY
POW BOARD ASSY
I/O BOARD ASSY
HI CN8
CN7DO0
HI CN7
CN7 DO
CN6 S-POWER
ETHER INCN8A
ETHER OUTCN8B
MOTOR 1MOTOR POW
MOTOR 2
INC ENC 1
INC ENC 2BATTERYCN8
CN5
SER ENC1
SER ENC2
CN5 FAN
CN4
CN4
CN3
CN2
CN1
CN1
HEAD SERVO UNIT ASSY-1
SRV BOARD ASSY
DRV BOARD ASSY
ENC BOARD ASSY
CN1OPTION IF
HS1 CN1
CN2VAC
CN3DI1
HD1 CN1
HD1 CN4
HE1 CN1
HE1 CN2
HE1 CN4
CN7 DO
CN6 S-POWER
OPTION IF
ETHER INCN8A
ETHER OUTCN8B
VAC
DI2
DI1
MOTOR 1MOTOR POW
MOTOR 2
INC ENC 1
INC ENC 2BATTERYCN8
CN5
SER ENC1
SER ENC2
CN5 FAN
CN4
CN4
CN3
CN2
CN1
CN1
CN3
CN5
CN2
CN1
HEAD SERVO UNIT ASSY-2
SRV BOARD ASSY
DRV BOARD ASSY
ENC BOARD ASSY
HS2 CN2
HD2 CN1
HE2 CN1
LIGHT3
CN6CAM2
CAM2
HE2 CN2
HE2 CN4
CN11 DC24V
J0501
J0502
J0503
J0504
J0511
J0512
J0513
J0514
J0515
J0516
J0517
J0518
J0519
SCP
J0721
J0722
J0726
HS1 CN2
HD2 CN4
P076
See Page 19
See Page 20
HEAD A
HEAD B
J0731
E16
SC-AXIS 61.5W
CN9LIGHT2
LIGHT2 J0727
SCAN CAM.ASSY,CX
HEAD SELECT
SCAN
CN4LIGHT CN1 LIGHT I/F
OF.SV.LIGHT BRD ASSY
OF.LIGHT BRD.ASSY.
J0521
P077
P078
SC MOTOR ASSY
P079
OF.CX.LIGHT BRD.ASSY
HEAD1 VACUUM
HEAD2 VACUUM
HEAD3 VACUUM
HEAD4 VACUUM
HEAD5 VACUUM
YV202
YV204
YV206
YV208
YV210
H1 VAC
H2 VAC
H3 VAC
H4 VAC
H5 VAC
HEAD1 BLOW
HEAD2 BLOW
HEAD3 BLOW
HEAD4 BLOW
HEAD5 BLOW
YV201
YV203
YV205
YV207
YV209
SHAFT BLOW
YV221
HEAD6 VACUUM
HEAD7 VACUUM
HEAD8 VACUUM
HEAD9 VACUUM
HEAD10 VACUUM
YV212
YV214
YV216
YV218
YV220
H6 VAC
H7 VAC
H8 VAC
H9 VAC
H10 VAC
HEAD6 BLOW
HEAD7 BLOW
HEAD8 BLOW
HEAD9 BLOW
HEAD10 BLOW
YV211
YV213
YV215
YV217
YV219
MAX 1.2m/s
M32
MAX 1.2m/s
M31
MAX 1.2m/s
M33
MAX 1.2m/s
M34
MAX 1.2m/s
M35
R1-AXIS 30W
□40 MAX 2000rpm
M41
Z2P
Z2M
Z1P
Z1M
Z3P
Z3M
Z4P
Z4M
Z5P
Z5M
R1M
MAX 1.2m/s
M36
MAX 1.2m/s
M37
MAX 1.2m/s
M38
MAX 1.2m/s
M39
MAX 1.2m/s
M40
□40 MAX 2000rpm
M42
R2-AXIS 30W
Z6M
Z6P
Z7M
Z7P
Z8M
Z8P
Z9M
Z9P
R2M
Z10M
Z10P
Z10-AXIS 5.6W
Z9-AXIS 5.6W
Z8-AXIS 5.6W
Z7-AXIS 5.6W
Z6-AXIS 5.6W
Z5-AXIS 5.6W
Z4-AXIS 5.6W
Z3-AXIS 5.6W
Z2-AXIS 5.6W
Z1-AXIS 5.6W
Note : XXXX / XXXX refers to the HEAD A / HEAD B.
FIDUCIAL CAMERAD.CAM1
CN1
CN2
EL01
FIDUCIAL LIGHT
HEAD LEFT
FID.CAM1
FIDUCIAL CAMERA1
CN1 AIR MACS BOARD ASSY
CN1 AIR MACS BOARD ASSY
MACS1
MACS2
AIR MACS1
AIR MACS2
VAC
VACCN1 VAC SENSOR BRD ASSY
FIDUCIAL CAMERAD.CAM2
FID.CAM2
P071
P073
P074
P075
FIDUCIAL CAMERA2
FIDUCIAL LIGHT
EL02
HEAD RIGHTP072
CN1
CN2
FID.LIGHT BRD.ASSY
FID.LIGHT BRD.ASSY
SQ206
LASER SENSOR
DI:N1301002/N1305002
DO:T1303704/T1307704
J0506HS1 CN5
DI2 CN5
HS CN5
J0506
LASER DO
LASER DI
PIN SCAN LASER(OPTION)
HS CN5
J0507
TEMP
LIGHT
TEMP
LIGHT
T1300700/T1304700
T1300702/T1304702
T1300704/T1304704
T1301700/T1305700
T1301702/T1305702
T1302700/T1306700
T1302702/T1306702
T1302704/T1306704
T1303700/T1307700
T1303702/T1307702
T1301704/T1305704
T1300701/T1304701
T1300703/T1304703
T1300705/T1304705
T1301701/T1305701
T1301703/T1305703
T1302701/T1306701
T1302703/T1306703
T1302705/T1306705
T1303701/T1307701
T1303703/T1307703
SH BLOW
H1 BLOW
H2 BLOW
H3 BLOW
H4 BLOW
H5 BLOW
H6 BLOW
H7 BLOW
H8 BLOW
H9 BLOW
H10 BLOW
CC.V4
21
HM HEAD
YSM20-2

Confidential & Proprietary
PAGE
SCM
H PANEL
SC+24V
SCP
HEAD CAMERA SELECTOR
CAM3
LIGHT3
CN8
CN10
CAM3
CN5 CAMOUT
CN4CAM1
CN7LIGHT1
CAM1
LIGHT1
CN2 48V/24V/EMG
CN4 CAMERA SEL POW
48V POW
IC POW
CN1
CN3
CN6 DO IN
CN8DO1
HEAD I/O UNIT ASSY
POW BOARD ASSY
I/O BOARD ASSY
CN7DO0
HI CN7 HEAD1 VACUUM
HEAD2 VACUUM
HEAD3 VACUUM
HEAD4 VACUUM
HEAD5 VACUUM
H1 VAC
H2 VAC
H3 VAC
H4 VAC
H5 VAC
HEAD1 BLOW
HEAD2 BLOW
HEAD3 BLOW
HEAD4 BLOW
HEAD5 BLOW
H1 BLOW
H2 BLOW
H3 BLOW
H4 BLOW
H5 BLOW
SHAFT BLOWSH BLOW
CN7 DO
CN6 S-POWER
ETHER INCN8A
ETHER OUTCN8B
MOTOR 1MOTOR POW
MOTOR 2
INC ENC 1
INC ENC 2BATTERYCN8
CN5
SER ENC1
SER ENC2
CN5 FAN
CN4
CN4
CN3
CN2
CN1
CN1
HEAD SERVO UNIT ASSY-1
SRV BOARD ASSY
DRV BOARD ASSY
ENC BOARD ASSY
CN1OPTION IF
CN2VAC
CN3DI1
HD1 CN1
HD1 CN4
CN7 DO
CN6 S-POWER
OPTION IF
ETHER INCN8A
ETHER OUTCN8B
VAC
DI2
DI1
MOTOR 1MOTOR POW
MOTOR 2
INC ENC 1
INC ENC 2BATTERYCN8
CN5
SER ENC1
SER ENC2
CN5 FAN
CN4
CN4
CN3
CN2
CN1
CN1
CN3
CN5
CN2
CN1
HEAD SERVO UNIT ASSY-2
SRV BOARD ASSY
DRV BOARD ASSY
ENC BOARD ASSY
HD2 CN1
CN6CAM2
CAM2
HE2 CN4
SIDE VIEW CAMERA
HEAD
SIDE VIEW LIGHT
LIGHT3
SV LIGHT
CN1
Z1 Z1
Z2 Z2
Z3 Z3
Z4 Z4
Z5 Z5
HEAD Z PANEL
HEAD R PANEL
R1 R1
R2 R2
R3 R3
R4 R4
R5 R5
R1-AXIS 25W
R2-AXIS 25W
R3-AXIS 25W
R4-AXIS 25W
R5-AXIS 25W
HE2 CN3
HS1 CN2
CN11 DC24V
HS CN5
J0551
J0552
J0554
J0561
J0564
J0741
J0742
J0743
J0746
J0748
SV CAM
HE1 CN1
HE1 CN2
HD2 CN4
M51
M52
M53
M54
M55
M56
M57
M58
M59
M60
EL08
D.CAM8
P083
YV239
YV237
YV235
YV233
YV231
YV238
YV236
YV234
YV232
YV240
YV241See Page 19
See Page 20
HEAD A
HEAD B
SIDE VIEW CAMERA
□20 MAX 4800rpm
□20 MAX 4800rpm
□20 MAX 4800rpm
□20 MAX 4800rpm
□20 MAX 4800rpm
□23 MAX 500rpm
□23 MAX 500rpm
□23 MAX 500rpm
□23 MAX 500rpm
□23 MAX 500rpm
Z1-AXIS 20W
Z2-AXIS 20W
Z3-AXIS 20W
Z4-AXIS 20W
Z5-AXIS 20W
CN9LIGHT2
LIGHT2 J0747
Note : XXXX / XXXX refers to the HEAD A / HEAD B.
HEAD SELECT
J0563
J0562
S.V.LIGHT BRD ASSY
FIDUCIAL CAMERA
CN1
CN2
FIDUCIAL LIGHT
HEAD LEFT
FID.CAM1
FIDUCIAL CAMERA1
FIDUCIAL LIGHT
HEAD RIGHT
FIDUCIAL CAMERA
FID.CAM2
EL06
EL07
D.CAM7
D.CAM6
P081
P082
FIDUCIAL CAMERA2
CN1
CN2
FID.LIGHT BRD.ASSY
FID.LIGHT BRD.ASSY
HI CN8 J0555
HS1 CN5
VAC
VACCN1 VAC SENSOR BRD ASSY
P084
J0553
SQ206
LASER SENSOR
DO:T1303704/T1307704
DI:N1301002/N1305002
LASER DO
PIN SCAN LASER(OPTION)
LASER DI
DI2 CN5
HS CN5
J0553
TEMP
LIGHT
TEMP
LIGHT
T1301704/T1305704
T1301703/T1305703
T1301702/T1305702
T1301701/T1305701
T1301700/T1305700
T1300705/T1304705
T1300704/T1304704
T1300703/T1304703
T1300702/T1304702
T1300701/T1304701
T1300700/T1304700
CC.V4
22
FM HEAD
YSM20-2

Confidential & Proprietary
PAGE
・SS feeders ・Bulk cassette feeders
・Multi-stick feeders
・High-speed stick feeders
・High-speed stack stick feeders
・QFP recovery conveyor
・
CN1
CN2
CN3
・
・
CN43
・
・
・
FDR DO0
FDR DO1
FDR DI0
FDR DO2
CN43L
DI/DO L
CN35
J1151
J1152
J1153
J1185
J1101
・SS feeders ・Bulk cassette feeders
・Multi-stick feeders
・High-speed stick feeders
・High-speed stack stick feeders
・QFP recovery conveyor
・
CN1
CN2
CN3
・
・
CN43
CN43R
・
・
・
FDR DO0
FDR DO1
FDR DI0
FDR DO2
DI/DO R
CN35
J1251
J1252
J1253
J1285
J1201
FDR FAN
FDR FAN
FAN1
FAN2
FIX70 FRONT FEEDER
J0296
CN37
CN38
CN42
DIP SW(S1)
OFF
ON
FDR CTRL BOARD ASSY P131
CN39
J0297
CN37
CN38
CN42
DIP SW(S1)
OFF
ON
FDR CTRL BOARD ASSY P132
CN39
F1 FDR EMG
FDR EMG
F2 FDR EMG
FDR EMG
I/O C
I/O CONVEYOR -4-
CN35
J0253
J0104
・Bulk cassette feeders
・Multi-stick feeders
・High-speed stick feeders
・High-speed stack stick feeders
・QFP recovery conveyor
・
・
・
J0299
CN42
CN38
CN37
DIP SW(S1)
OFF
ON
CN1
CN2
CN3
CN43
・
・
・
FDR DO0
FDR DO1
FDR DO2
FDR DI0
J1072
POWER CIRCUIT
See Page 2
J0049
QF41,XT41
J1074
I/O B
J0103
CN43R
J1076
POWER CIRCUIT
See Page 2
J1078
QF42,XT41
J0050
DI/DO R
CN35
See Page 15
CONTROL BOX -3-
CN39
J1451
J1452
J1453
J1485
J1401
FDR FAN
FDR FAN
FAN2
FAN1
FDR CTRL BOARD ASSY P134
FDR DO0
FDR DO1
FDR DO2
・Bulk cassette feeders
・Multi-stick feeders
・High-speed stick feeders
・High-speed stack stick feeders
・QFP recovery conveyor
FDR DI0
・
・
・
J0298
CN42
CN38
CN37
DIP SW(S1)
OFF
ON
CN1
CN2
CN3
CN43
・
・
・
CN43L
DI/DO L
CN35
CN39
J1351
J1352
J1353
J1385
J1301
FDR CTRL BOARD ASSY P133
FIX70 REAR FEEDER
R2 FDR EMG
FDR EMG FDR EMG
R1 FDR EMG
J1102
J1202
J1302
J1402
・SS feeders・SS feeders
J0107
J0105
See Page 8
・ZS feeders・ZS feeders
・ZS feeders ・ZS feeders
J1071
I/O B
I/O B
J1073
I/O B
J0106
I/O
I/O B
J1075
I/O C
I/O C
J1077
I/O C
J0108
I/O C
I/O
R2 FDR PWR
R1 FDR PWR
F2 FDR PWR
F1 FDR PWR
FDR FAN F2-1
FDR FAN F2-2
FAN53
FAN54
FDR FAN R2-2
FDR FAN R2-1
FAN58
FAN59
FAN1
FAN2
FDR FAN
FDR FAN
FDR FAN F1-2
FDR FAN F1-1
FAN51
FAN52
FDR FAN
FDR FAN FAN1
FAN2
FDR FAN R1-2
FDR FAN R1-1
FAN56
FAN57
N0111104
N0111105
N0110B04
N0110B05
N0108B05
N0108B04
N0109105
N0109104
CN38L
CN37L
CN38R
CN37R
CN37L
CN38L
CN37R
CN38R
CC.V4
23
FIX70 FEEDER STRUCTURE(SSF)
YSM20-2