P-0320-001.pdf - 第57页
Key No. P AR T No. P AR T NAME Q’ty REMARKS NOTE GS-IC1 10 208 0918B0CF CORD 1 20918010B8-008 209 0918B0CD CORD 1 20918010B8-009 210 0918B0CC CORD 1 20918010B8-010 213 4W202217 CORD(LAN_3M) 1 20918010B8-013 214 0918B0CE …

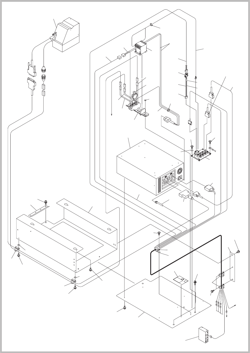
1009-001
Fig. D2
コプラナリティチェックユニット
(GS-IC110)
COPLANARITY CHECK UNIT(GS-IC110)
Fig. D2-3
コプラナリティ
CPU
ボックス
CPU Box For Coplanarity
210
2B2
2B3
2B2
2B3
213
241
214
242
275
254
263
272
273
209
286
244
283
282
284
285
287
208
261
262
254
274
271
263
281
241
249
2B2
2B3
-B97
B149R
DC24
P149B
A96
X1495B
X1496B
X965B
X9608
X9607
X9601
X9604
X19601
K100
DC29V
F071
F070
-U96
X9602
X963B
231
243
232
2A3
2A3
2A3
245
2A5
246
247
251
253
295
299
295
241
See Fig. D3-6
Key No.5B2
センサーヘッド(R)
252
2B2
2B3
250
233
2A4
2A4
251
247
298
296
293
See Fig. D1-4
Key No.342
X14907
X12504
X7310

Key No. PART No. PART NAME Q’ty
REMARKS
NOTE
GS-IC110
208 0918B0CF CORD 1 20918010B8-008
209 0918B0CD CORD 1 20918010B8-009
210 0918B0CC CORD 1 20918010B8-010
213 4W202217 CORD(LAN_3M) 1 20918010B8-013
214 0918B0CE VGA_CABLE2M 1 20918010B8-014
231 0918B0BR COP_BOX 1 20918010B8-031
232 211K3315 SUPPORT 1 20918010B8-032
233 0918B0BS COP_PANEL 1 20918010B8-033
241 4U250237 UNIT_I/O(COPLAN 1 30918010B2-001
242 4B111508 PCB_MOUNT 1 30918010B2-002
243 0918B0BQ COP_PLATE 1 30918010B2-003
244 4S210127 EM-CONTACTOR 1 30918010B2-004
245 221DA056 MACHINE_SCREW 4 30918010B2-005
246 221DA057 MACHINE_SCREW 3 30918010B2-006
247 221DA053 MACHINE_SCREW 3 30918010B2-007
249 0918B0C6 CORD 1 30918010B2-009
250 091810B7 ASSY_COP_SEAL 1 30918010B2-010
251 221HA104 WASHER 3 30918010B2-011
252 23N30632 WIRING 1 30918010B2-012
253 221HA103 WASHER 3 30918010B2-013
254 23N30737 ACCESS_WIRING(M 2 30918010B2-014
261 4J300050 CAB_JOINTTERMIN 2 30918010B2-021
262 23N20109 TUBE_WIRING 2 30918010B2-022
263 23N20103 TUBE_WIRING 3 30918010B2-023
271 0921E60N CORD 1 30918010B2-031
272 0921E60M CORD 1 30918010B2-032
273 23K10421 CASE_CONN 1 30918010B2-033
274 4J300191 CAB_JOINTTERMIN 2 30918010B2-034
275 4J100900 CONNECTOR 1 30918010B2-035
281 0918B0AQ WAGOSET_K100 1 30918010B2-041
282 4S300033 FUSE_250V_3.15A 2 30918010B2-042
283 0918B0AH CORD 1 30918010B2-043
284 0918B0AV CORD 1 30918010B2-044
285 0918B0AW CORD 1 30918010B2-045
286 0918B0AC CORD 1 30918010B2-046
287 0918B0C4 CORD 1 30918010B2-047
293 221HA005 WASHER 2 20918010CW-003
295 221HA104 WASHER 2 20918010CW-005
296 221HA105 WASHER 2 20918010CW-006
298 221AA028 ROHS_HEX-SCT 2 20918010CW-008
299 221AB007 BOLT_HEX-SCT 4 20918010CW-009
2A3 221AA101 ROHS_HEX-SCT 2 20918010CW-013
2A4 221DA053 MACHINE_SCREW 10 20918010CW-014
2A5 221DA057 MACHINE_SCREW 1 20918010CW-015
2B2 23N30738 ACCESS_WIRING(M 3 20918010CW-022
Fig. D2-3
Fig. D2
1009-001

Key No. PART No. PART NAME Q’ty
REMARKS
NOTE
2B3 23N30632 WIRING 4 20918010CW-023
Fig. D2-3
1009-001
Fig. D2