DF01-Rev02.pdf - 第36页
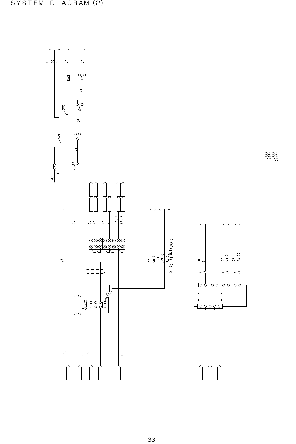
- - 17. S YS TEM DI A GRA M ( 2) 5 1 5 1 5 1 4 2 3 4 2 3 4 2 3 5 1 N A V C - 2 5 - 2 P / / / / / N A V C - 2 5 - 3 P A W G 2 4 ( t o . 1 3 / 1 8 D 1 ) ( t o . 1 3 / 1 8 D 1 ) ( t o . 1 5 / 1 8 E 1 ) ( t o . 2 / 1 8 E3 …

- -
REF.NO NOTE PART NO D E S C R I P T I O N Qty
1 401-24327 AC CABLE ASM 1
2 401-24400 NF1 INPUT CABLE ASM 1
3 401-24301 NL1 CABLE ASM 1
4 401-24401 NF1 OUTPUT ASM 1
5 401-24402 AC200 INPUT CABLE ASM 1
6 401-24403 NF2 INPUT CABLE ASM 1
7 401-24302 NL2 CABLE ASM 1
8 401-24404 NF2 OUTPUT CABLE ASM 1
9 401-24405 AC200 OUTPUT CABLE ASM 1
10 401-24406 AC100 INPUT CABLE ASM 1
11 401-24407 NF3 INPUT CABLE ASM 1
12 401-24303 NL3 CABLE ASM 1
13 401-24408 NF3 OUTPUT ASM 1
14 401-24409 AC100 OUTPUT CABLE ASM 1
15 401-24410 PS1 INPUT CABLE ASM 1
16 401-24411 PS2 INPUT CABLE ASM 1
17 401-24412 PS3 INPUT CABLE ASM 1
18 401-24324 SC1 ASM 1
19 401-24325 SC2 ASM 1
20 401-24413 SSR1 DRIVE CABLE ASM 1
21 401-24414 SSR2 DRIVE CABLE ASM 1
22 401-24415 PS2 OUTPUT CABLE ASM 1
23 401-24314 SW PANEL ASM (HEATER OPTION) 1

- -
17. SYSTEM DIAGRAM (2)
51
51
51
4
2
3
4
2
3
4
2
3
51
NAV C - 25 -2 P
/
/
/
/
/
NA V C -2 5- 3 P
AW G 2 4
(to. 13/18 D1)
(to. 13/18 D1)
(to.15/18 E1)
(to. 2/18 E3)
(to.9/18 D4)
(to.7/18 E3)
(to.5/18 D4)
(to.4/18 D4)
V 1
G 1
V 2
G 2
AW G 2 2
P S 4
ACIN
L
C N 1
V 1
C N 2
F G
N
V 2
G 1
5A
DC5V
G 2
DC12V
5A
LEB100F-0512
( to .9 / 18 D3 )
AC DC
( to .7 / 18 D3 )
( to .5 / 18 C3 )
( to .4 / 18 C4 )
G7T-112 S
AWG 2 4
MC 1
AW G 2 4
+
+
+
+
TB 5
1
2
1
1
N A2 50 1T -16 -3
AWG 2 4
A W G 24
AW G 2 4
S- N 10 C X
UN - S Y 2 1 C X
4
3
5
6
7
2
2
/
8
ML-15- 8P
/
+ 1 2 V
0 V 1 2
0 V 5
0 V 1 2
+ 1 2 V
+ 5 V
1
2 5
6
7
8
3
4
1
2
3
5
4
AC(L) 2
AC(N) 2
FG2
SV D 5 -E R R
S V D5 - AL M
S V D3 - AL M
S V D2 - AL M
SR Y 4
S R Y3
S R Y 2
S V D- EM R
S V D1 - AL M
+2 4 V
SR Y 1
SVD1-L1
SVD5-L1SVD3-L1
SVD2-L1
SVD1-L2
SVD5-L2SVD3-L2
SVD2-L2
SVD1-FG
SVD5-FGSVD3-FG
SVD2-FG
SV D 3 -E R R
SV D 2 -E R R
SV D 1 -E R R
0V 2 4
AC200R2
AC200T2
+2 4 V
AC200T1
AC200FG1
AC200R1
D1 D2
A2A1
A2
A1
1413
T1
T2
T3L3
L2
L1
4
2
3
2 1
4
5
3
:
:
:
PS 4 - CN 2
:PS 4 - CN 1
VHR-8N (J ST)
BVH-21T-P1.1
VHR-5N (J ST)
BVH-21T-P1.1

- -
REF.NO NOTE PART NO D E S C R I P T I O N Qty
1 401-24416 AC200 CABLE1 ASM 1
2 401-24417 AC200 CABLE2 ASM 1
3 401-24418 MC1 OUTPUT CABLE ASM 1
4 401-24419 PS4 INPUT CABLE ASM 1
5 401-24420 +5_12V CABLE ASM 1