DF01-Rev02.pdf - 第49页
- - REF.NO NOTE PART NO D E S C R I P T I O N Qty 1 4 01-24440 SV- DRV5 DRIVE POWER CABL E ASM 1 2 4 01-24441 SV- DRV5 CONTROL POWER CABLE ASM 1 3 4 01-24378 M8 MOTOR CABL E ASM 1 4 4 01-24382 M8 ENCODER CABLE ASM 1 5 …

- -
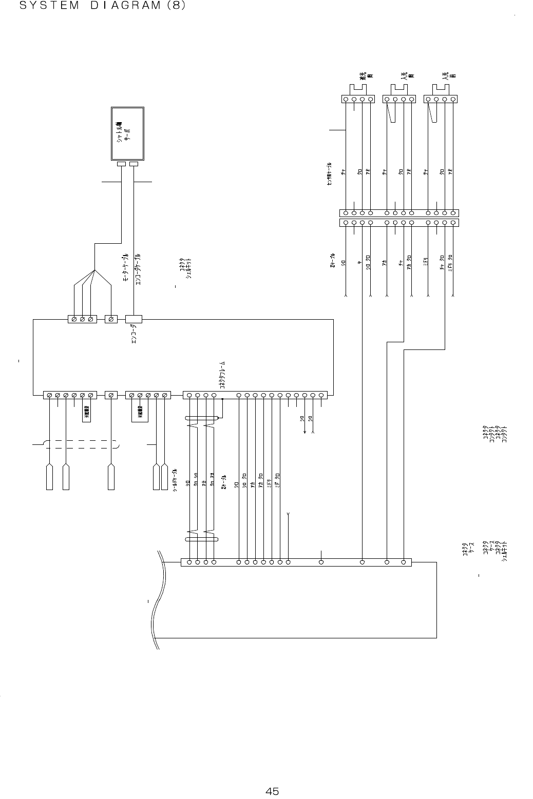
23. SYSTEM DIAGRAM (8)
10
/
/
/
6
NA VC - 2 5 - 3P
/
N A VC SB - 25 -2 P
/
C N3
USPG- 48
M T C O N T2
N A V C - 2 7 - 5 P
/
J PH 8
N A S E U - 2 8 - 3
P H2 0
O N
O RG 8
( )
/
P H2 1
O N
C W_ L I M 8
( )
/
/
P H2 2
O N
C CW _ L I M8
( )
(to .3/18 D4 )
(to.2 /18 F3)
(to.3 /18 B7)
C N1
C NP 2
C N 2
:
:
MR-J3ENCBL2M-A 1-L
MR-PWS1CBL2M-A 1-L
E 8
HG -K R 0 53
AC 5 0W
P E
P E
M 8
M 8
C NP 1
C N P 3
S V D RV5
M R- J 4 - 10 A
L1
SVD5-L1
SVD5-L2
P2
P1
N
L3
L2
V
W
U
SVD5-FG
P
FG F G
AC200R6
L 2 1
L 1 1
D
C
P UL S E -4 *
3 5
D IR -4 *
3 3
3 2
D IR -4
P UL S E -4
3 4
AC200T6
NP
3 5
3 6
NG
PP
1 0
PG
1 1
DR E T - 4 *
2 5
D RI V E -4 *
2 4
R E S
1 9
S O N
1 5
DI C OM
2 0
DE N D - 4 *
2 9
I N0 -4 *
2 7
DE R R - 4 *
3 0
L S P
4 3
L S N
4 4
RD
4 9
DO C OM
4 6
I N P
2 4
G ND
3 6
SV D5 - E RR
SV D5 -E MR
SV D5- A LM
3
LG
E M G
4 2
A L M
4 8
1 1 +
+ LM -4
2 2
O RG -4
2 1
+ CO M1
1 9
- CO M1
2 6
0 V2 4
+ 24 V
22
44
33
5 5 +
-
O UT
L
- LM -4
2 3
0 V2 4
+ 24 V
6 6
7
8
7
8
99 +
-
OU T
L
0 V2 4
+ 24 V
1 01 0
1 1
1 2
1 1
1 2 -
OU T
L
1 2
3 4
5
M T-C O N T2
C N3
SV D RV3
C N2
C N1
:10336-52F0-008(3M)
:36210- 0100PL( 3M)
:10350-52F0-008
:10150- 3000PE( 3M)
:10136-3000PE( 3M)
J PH 8 :
:
:
DF1 B-12DES-2.5RC(HR S)
DF1 B-12DEP-2.5RC(HR S)
DF1 B-2428SC
:36310-3200-008 :DF1B-2428PC
:36210-01 00PL(3M)
:36310-3200-008
SV DR V 5 CN 2

- -
REF.NO NOTE PART NO D E S C R I P T I O N Qty
1 401-24440 SV-DRV5 DRIVE POWER CABLE ASM 1
2 401-24441 SV-DRV5 CONTROL POWER CABLE ASM 1
3 401-24378 M8 MOTOR CABLE ASM 1
4 401-24382 M8 ENCODER CABLE ASM 1
5 401-24442 M8 SENSOR CABLE ASM 1

- -
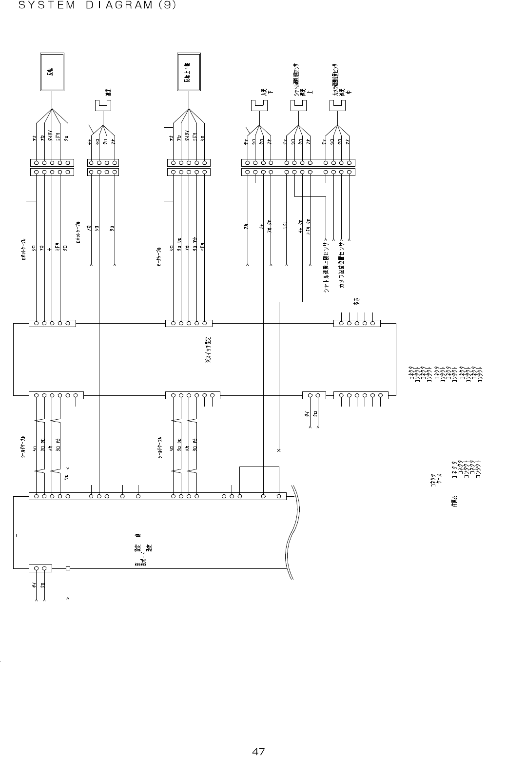
24. SYSTEM DIAGRAM (9)
M T- CO NT 3 :10136-3000PE(3M )
M 9, 1 0
J PH 9
DF1B-2428PC:
:
:
DF1B-2022SC
DF1B-5EP-2.5RC(HRS )
:DF1B-5ES-2 .5RC(HRS)
DF1B-4ES-2.5RC(HRS ):
S IG 1 , 2
M OT 1 , 2
( )PM -D R V 2
C N2
: V H R - 2 N
:V H R -5 N
:X A P -0 6 V -1
:B V H - 21 T - P1 .1
C N 1
:10 336-52F0-008(3M)
J PH 1 0 DF1B-12DES-2.5RC(HRS)
DF1B-12DEP-2.5RC(H RS)
DF1B-2428SC
:
:
:
DF1B-2428PC
DF1B-4EP-2.5RC(HRS )
DF1B-2428SC
:
:
:
:B X A - 00 1 T -P 0. 6
DF1B-2428PC:
A W G22
J P H 9
N A V C - 2 3 - 3 P
/
/
SS 3 FU R - 2 4-6
SS 3 FU R -2 6 -6
CN 1
N A V C - 2 7 - 5 P
/
/
/
M 9
02 K - S5 2 3
O RG 9
O N
M 1 0
1 K- S5 43
C W_ L I M1 0
( )
O N
( )
O N
P H 23
P H 26
P H 27
M 9
M 10
J PH 10
( )
M O T 1
M O T 2
M O T 3
CTDR-0514-3Z
P M-D R V 2
D SW 3 :0
D SW 2 :C
D SW 1 :0
D SW 6 :3
D SW 4 :C
D SW 5 :0
S IG 1
S IG 2
AW G 2 0
SI G 3
/
/
/
/
N AVC SB - 25 -2 P
N AVC SB - 25 -2 P
C N2
USP G-48
M T C ON T 3
C N1
U S B
J P1 : B
BSN0:OFF
S W1
N o: 2
BSN3:OFF
BSN2:OFF
BSN1:ON
+ 24 V
1
+ 24 V
2
0 V
PU L S E- 1
1 6
D IR - 1*
1 5
1 4
D IR - 1
3
C CW +
2
C W-
1
C W+
3
2
1
3
1
2
3
1
2
M T- CO N T3
0 V2 4
+ CO M 1
1
E S T P
2
PU L S E- 1 *
1 7
M TC 3- E MR
5
H .O +
4
C CW -
6
H .O -
5
4
1
5
4
1
4
5
+ LM - 1
4
- CO M 1
8
O RG - 1
3
0 V2 4
+ 24 V
2
3
4
2
3
4
- LM - 1
5
PU L S E- 2 *
3 5
PU L S E- 2
3 4
D IR - 2*
3 3
D IR - 2
3 2
4
C CW -
5
H .O +
2
C W-
3
C CW +
1
C W+
4
5
2
3
1 1
2
3
4
5
1
3
2
5
4
O RG - 2
2 1
- CO M 1
2 6
+ CO M 1
1 9
6
H .O -
5 5
- LM - 2
2 3
+ LM - 2
2 2
0 V2 4
+ 24 V
8
7
6
9
8
7
6
9
+ 24 V P
1
+ 24 V
2
0 V
0 V2 4
+ 24 V
1 1
1 0
1 2
1
1 1
1 0
1 2
1
0 V2 4 P
4
C CW -
3
C CW +
1
C W+
2
C W-
4
1
2
3
3
4
2
3
4
2
5
H .O +
6
H .O -
5
1 4
2
3
5
6
( )
O N
P H 31
0 V2 4
+ 24 V