Mechanical.pdf - 第12页
10 Mechanical Drawings 1 45294S 2 Issue 4 T able Assy GA 5 4 3 2 1 A B C C B A 123 45 67 8 91 0 11 12 13 6 7 8 9 10 11 12 13 D E F G H I D E F G H I PROJECTION DRAWN APPROVED DATE C COPYRIGHT DO NOT SCALE SCALE TITLE DRA…

Mechanical Drawings 9
145294S1 Issue 4 Table Assy GA
54321
A
B
CC
B
A
12345
67
8
910
11 12
13
6
7
8
9
10 11
12
13
D
E
F
G
H
I
D
E
F
G
H
I
PROJECTION
DRAWN
APPROVED
DATE
C
COPYRIGHT
DO NOT SCALE
SCALE
TITLE
DRAWING NUMBER
2000
BOM NUMBER
ITEM PART NO. DESCRIPTION QTY.
1
107647 KEY 3
2
109240 SUNX CONNECTOR 1
3
112105 SLEEVE HUA-0-9mm BLACK 1
4
112414 CABLE TIE CLAMP 1
5
112626 SEALING CAP - THK TYPE 3 20
6
112664 EARTHING STUD 1
7
113822 CABLE TIE CLAMP (M5) 1
8
117060 HOUSING CABLE, RECT, TRI-D, 9W 1
9
117061 HOOD, RECT NG, TRID-D 9W 1
10
117324 3 WAY BRACKET 1
11
117376 BRACKET,6 WAY 1
12
119031 MOVING RL HOME LOOM BOM FRNT RAIL 1
13
119666 TIMING BELT (6T5/1355 VZ2771) 1
14
145129 OPTO FLAG 1
15
145271 TABLE CASTING, UNIVERSAL 1
16
145297 SPACING PILLAR - TOP PLATE 6
17
145318 PLATE, TOOLING TOP - SHORT 1
18
145331 COVER, ANGLE BRACKET - LONG 1
19
157471 LINEAR GUIDE 2
20
158264 HALL EFFECT VANE (TABLE ASSY) 3
21
158265 HALL EFFECT VANE 1
22
G1217 TIMING BELT (6T5 270) 1
23
G3509 HARDENED BUSH, MP7S 6.0MM BORE 2
THIS DRAWING AND THE COPYRIGHT
IN IT, IS THE PROPERTY OF
DEK PRINTING MACHINES LIMITED
IT MAY NOT BE COPIED, REPRODUCED,
PUBLISHED OR DISCLOSED IN WHOLE
OR IN PART WITHOUT OUR WRITTEN
CONSENT.
7:20
G. MARJASON
TABLE ASSEMBLY
28-Nov-97
145294
145350
SH 1
OF 2
A
0
LATEST
ISSUE
No. DATE DCR INITIAL
04 15-Nov-00 26312 ACR
1
16
17
18
23
DETAIL A
SHEET 2
DETAIL B
SHEET 2
DETAIL C (2 POSN)
SHEET 2
DETAIL D
SHEET 2
5
22
19
13
15
DETAIL D
SHEET 2
20 21
4
6
7
10
11
14
DETAIL F
SHEET 2
ISOMETRIC VIEW
SCALE 1:4

10 Mechanical Drawings
145294S2 Issue 4 Table Assy GA
54321
A
B
CC
B
A
12345
67
8
910
11 12
13
6
7
8
9
10 11
12
13
D
E
F
G
H
I
D
E
F
G
H
I
PROJECTION
DRAWN
APPROVED
DATE
C
COPYRIGHT
DO NOT SCALE
SCALE
TITLE
DRAWING NUMBER
2000
BOM NUMBER
ITEM PART NO. DESCRIPTION QTY.
1
104278 DOWEL 5DIA X 20LG GRD 1 2
2
107423 LOCATING BUTTON 1
3
112077 REAR RAIL STAND OFF 1
4
114082 BELT GUIDE-ROLLER BRG 1
5
119112 BEARING SUPPORT LH 1
6
119276 TIMING PULLEY 18T 1
7
140699 RAIL SUPPORT 1
8
140700 PULLEY SPINDLE FIXED (RAIL DRIVE) 1
9
140790 BEARING MOUNT LH 1
10
B0018 BEARING DGBB 608-2RS 1
11
B0059 BEARING DGBB SSL1680ZZ 2
12
G1426 CLP INT D1300/22 2
13
G1434 CLP EXT D1400/8 1
ITEM PART NO. DESCRIPTION QTY.
1
104278 DOWEL 5DIA X 20LG GRD 1 2
2
107423 LOCATING BUTTON 1
3
112077 REAR RAIL STAND OFF 1
4
114082 BELT GUIDE-ROLLER BRG 1
5
119122 BEARING SUPPORT R.H. 1
6
119276 TIMING PULLEY 18T 1
7
119495 PULLEY ADJ PLATE 1
8
140699 RAIL SUPPORT 1
9
140700 PULLEY SPINDLE FIXED (RAIL DRIVE) 1
10
140701 PULLEY SPINDLE ADJ. (RAIL DRIVE) 1
11
140789 BEARING MOUNT RH 1
12
145153 BELT GUIDE-ROLLER BRG (FLANGED) 1
13
157471 LINEAR GUIDE 2
14
158264 HALL EFFECT VANE (TABLE ASSY) 3
15
158265 HALL EFFECT VANE 1
16
B0018 BEARING DGBB 608-2RS 1
17
B0059 BEARING DGBB SSL1680ZZ 4
18
G1426 CLP INT D1300/22 2
19
G1434 CLP EXT D1400/8 2
ITEM PART NO. DESCRIPTION QTY.
1
107388 SPL SPACER 1
2
107396 BEARING CAP 1
3
107423 LOCATING BUTTON 1
4
107828 DISC SPRING 56
5
107829 SHOULDER SCREW 4
6
112077 REAR RAIL STAND OFF 1
7
119114 CARRIAGE, LS NUT, (TABLE RAILS) 1
8
119120 LEAD SCREW PLATE L.H. 1
9
129137_A LINEAR BEARING (SR 15TB) 1
10
129137_B LINEAR BEARING (SR 15TB) 1
11
133358 BEARING (LEADSCREW) 1
12
133358 LEAD SCREW (RAILS) 1
13
157471 LINEAR GUIDE 2
14
158264 HALL EFFECT VANE (TABLE ASSY) 3
15
158265 HALL EFFECT VANE 1
ITEM PART NO. DESCRIPTION QTY.
1
107063 DOUBLE ROW ANGULAR CONTACT BEARING 1
2
107388 SPL SPACER 1
3
107396 BEARING CAP 1
4
107510 TIMING PULLEY (20 TEETH) 1
5
112070 SPACER 1
6
112160 PULLEY (1/4 BORE) 1
7
112246 PHOTO SENSOR (SUNX) 1
8
117905 MOTOR MOUNT 1
9
119031 MOVING RL HOME LOOM BOM FRNT RAIL 1
10
119118 LEAD SCREW PLATE R.H. 1
11
140998 STEPPER MOTOR 1
12
145127 OPTO SPACER 1
13
145128 SLIDE BAR 1
14
145134 SPRING, RAIL HOME ADJ. 1
15
157471 LINEAR GUIDE 2
16
158264 HALL EFFECT VANE (TABLE ASSY) 3
17
158265 HALL EFFECT VANE 1
18
G1217 TIMING BELT (6T5 270) 1
19
S2029 SPACER 2
ITEM PART NO. DESCRIPTION QTY.
1
107025 RISING TABLE HALL EFFECT BRKT 1
2
109239 SUNX PHOTO SENSOR PM T53 1
3
112092 TABLE LIMIT BRACKET 1
4
112325 TABLE LIMIT VERTICAL BRKT 1
5
E5304 HONEYWELL HALL-SW. 2
ITEM PART NO. DESCRIPTION QTY.
1
145312 LINK COLLAR - CASTING 1
2
145356 COLLAR WASHER 1
3
145357 BOLT, COLLAR WASHER 4
4
700122 SCREW M6X12 CAP HD ST.ST 4
THIS DRAWING AND THE COPYRIGHT
IN IT, IS THE PROPERTY OF
DEK PRINTING MACHINES LIMITED
IT MAY NOT BE COPIED, REPRODUCED,
PUBLISHED OR DISCLOSED IN WHOLE
OR IN PART WITHOUT OUR WRITTEN
CONSENT.
7:20
G. MARJASON
TABLE ASSEMBLY
16-Dec-97
145294
145350
SH 2
OF 2
A
0
LATEST
ISSUE
No. DATE DCR INITIAL
04 15-Nov-00 26312 ACR
DETAIL F
SCALE 1:2
DETAIL A
SCALE 1:2
2
3
4
5
6
7
8
9
10
11
12
13
1
DETAIL B
SCALE 1:2
2
3
4 5
6
7
8
9
10
11
12
16
17
18
19
1
DETAIL C
SCALE 1:2
3
6
7
11
12
9
10
1
2
8
SEE DETAIL B
(NOTE ORIENTATION, WASHERS
TO BE ASSEMBLED BACK TO BACK)
DETAIL D
SCALE 1:2
11
1
2
3
4
5
6
7
8
10
12
13
14
19
DETAIL E
SCALE 1:1
1
2
3
4 5
ASSEMBLED
SCALE 1:1
ASSEMBLED
SCALE 1:1
1
2
3
4
5
DETAIL B
SCALE 2:1
4
COMPONENT ASSEMBLED
SCALE 2:1

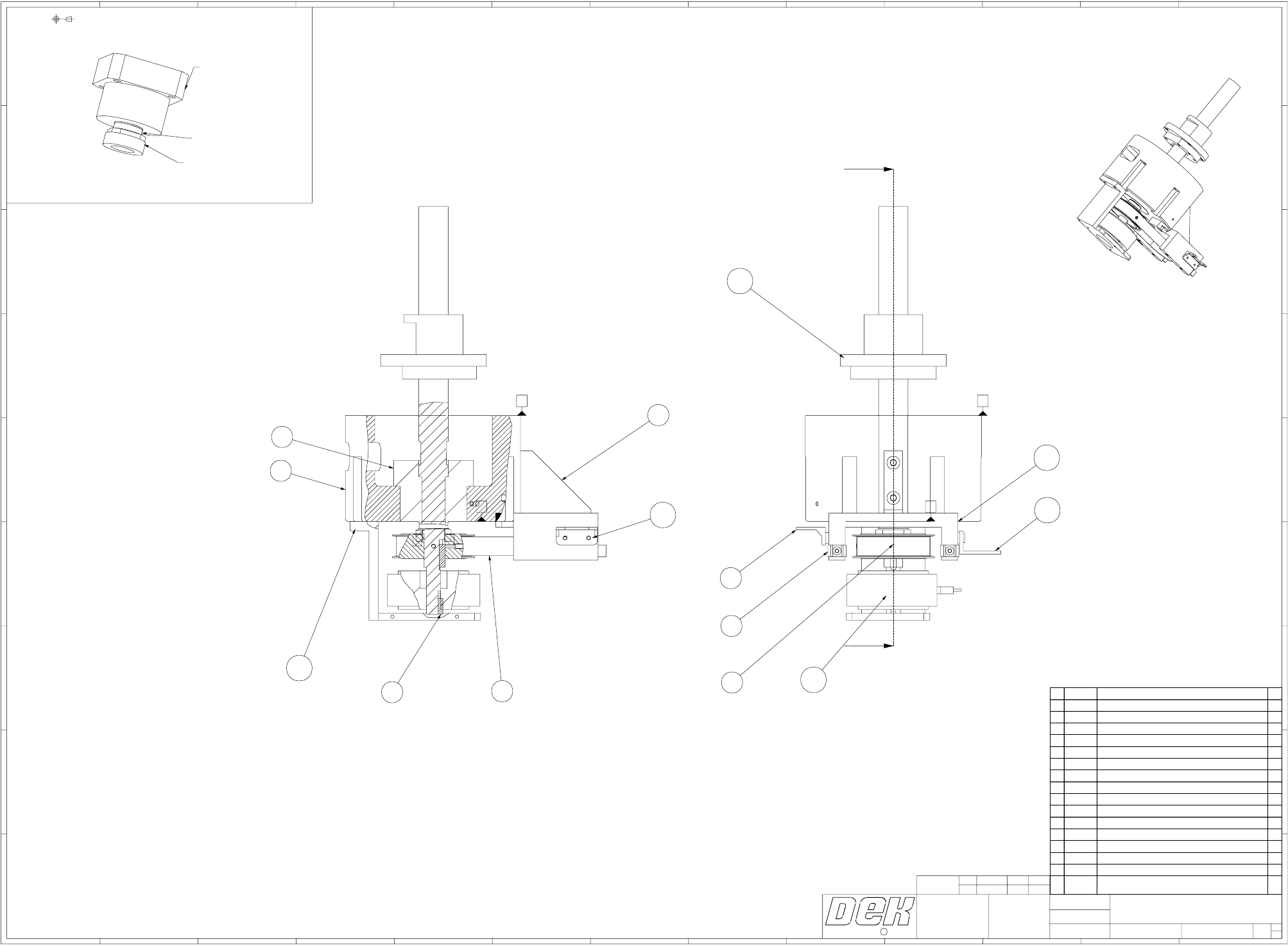
Mechanical Drawings 11
145370 Issue 3 Table Lift GA
54321
A
B
CC
B
A
12345
67
8
910
11 12
13
6
7
8
9
10 11
12
13
D
E
F
G
H
I
D
E
F
G
H
I
PROJECTION
DRAWN
APPROVED
DATE
C
COPYRIGHT
DO NOT SCALE
SCALE
TITLE
DRAWING NUMBER
2000
BOM NUMBER
C
A
C
A
A
A
ITEM PART NO. DESCRIPTION QTY.
1
107041 TIMING PULLEY 1
2
107044 BEARING HOUSING 1
3
107380 TABLE BOSS 1
4
107381 TABLE MOTOR WEB 1
5
107508 TIMING BELT 1
6
112020 KEY 5MM 1
7
112414 CABLE TIE CLAMP 2
8
112503 KEY 4X4X13.5 1
9
117076 BRACKET 9 WAY `D' 1
10
117131 4 WAY TRIAD 1
11
117980 MOTOR 'U' PLATE 1
12
145311 LINK COLLAR - BALL SCREW NUT 1
13
157111 TABLE BRAKE BRAKET 1
14
160457 WARNER BRAKE 1
15
700658 WASHER SHOULDERED,NYLON 2
16
MAX 28 CHARACTERS 1
ITEM PART NO. DESCRIPTION QTY.
1
107041 TIMING PULLEY 1
2
107044 BEARING HOUSING 1
3
107380 TABLE BOSS 1
4
107381 TABLE MOTOR WEB 1
5
107508 TIMING BELT 1
6
112020 KEY 5MM 1
7
112414 CABLE TIE CLAMP 2
8
112503 KEY 4X4X13.5 1
9
117076 BRACKET 9 WAY `D' 1
10
117131 4 WAY TRIAD 1
11
117980 MOTOR 'U' PLATE 1
12
145311 LINK COLLAR - BALL SCREW NUT 1
13
157111 TABLE BRAKE BRAKET 1
14
160457 WARNER BRAKE 1
15
700658 WASHER SHOULDERED,NYLON 2
16
MAX 28 CHARACTERS 1
ITEM PART NO. DESCRIPTION QTY.
1
107041 TIMING PULLEY 1
2
107044 BEARING HOUSING 1
3
107380 TABLE BOSS 1
4
107381 TABLE MOTOR WEB 1
5
107508 TIMING BELT 1
6
112020 KEY 5MM 1
7
112414 CABLE TIE CLAMP 2
8
112503 KEY 4X4X13.5 1
9
117076 BRACKET 9 WAY `D' 1
10
117131 4 WAY TRIAD 1
11
117980 MOTOR 'U' PLATE 1
12
145311 LINK COLLAR - BALL SCREW NUT 1
13
157111 TABLE BRAKE BRAKET 1
14
160457 WARNER BRAKE 1
15
700658 WASHER SHOULDERED,NYLON 2
16
MAX 28 CHARACTERS 1
ITEM PART NO. DESCRIPTION QTY.
1
107041 TIMING PULLEY 1
2
107044 BEARING HOUSING 1
3
107380 TABLE BOSS 1
4
107381 TABLE MOTOR WEB 1
5
107508 TIMING BELT 1
6
112020 KEY 5MM 1
7
112414 CABLE TIE CLAMP 2
8
112503 KEY 4X4X13.5 1
9
117076 BRACKET 9 WAY `D' 1
10
117131 4 WAY TRIAD 1
11
117980 MOTOR 'U' PLATE 1
12
145311 LINK COLLAR - BALL SCREW NUT 1
13
157111 TABLE BRAKE BRAKET 1
14
160457 WARNER BRAKE 1
15
700658 WASHER SHOULDERED,NYLON 2
16
MAX 28 CHARACTERS 1
ITEM PART NO. DESCRIPTION QTY.
1
107041 TIMING PULLEY 1
2
107044 BEARING HOUSING 1
3
107380 TABLE BOSS 1
4
107381 TABLE MOTOR WEB 1
5
107508 TIMING BELT 1
6
112020 KEY 5MM 1
7
112414 CABLE TIE CLAMP 2
8
112503 KEY 4X4X13.5 1
9
117076 BRACKET 9 WAY `D' 1
10
117131 4 WAY TRIAD 1
11
117980 MOTOR 'U' PLATE 1
12
145311 LINK COLLAR - BALL SCREW NUT 1
13
157111 TABLE BRAKE BRAKET 1
14
160457 WARNER BRAKE 1
15
700658 WASHER SHOULDERED,NYLON 2
16
MAX 28 CHARACTERS 1
THIS DRAWING AND THE COPYRIGHT
IN IT, IS THE PROPERTY OF
DEK PRINTING MACHINES LIMITED
IT MAY NOT BE COPIED, REPRODUCED,
PUBLISHED OR DISCLOSED IN WHOLE
OR IN PART WITHOUT OUR WRITTEN
CONSENT.
1:1
G. MARJASON
265 SERIES TABLE LIFT ASSY
14-Jan-98
145370
145371
SH 1
OF 1
A
0
LATEST
ISSUE
No. DATE DCR INITIAL
03
}
11-JUN-01 26522
MJP
}
PART No.: 107044
DESCRIPTION: BEARING HOUSING
6
7
9
10
11
12
14
SECTION A-A
4
8
15
2
3
5
13
SCALE 1:2
SCALE 1:1
BEARING (NSK WBK 20-11)
SPACER
LOCKING BUSH