Mechanical.pdf - 第19页
Mechanical Drawings 17 15 6020 Issue 1 ProFlo w Mec hanism GA 5 4 3 2 1 A B C C B A 12345 67 8 91 0 11 12 13 6 7 8 9 10 11 12 13 D E F G H I D E F G H I PROJECTION DRAWN APPROVED DATE C COPYRIGHT DO NOT SCALE SCALE TITLE…

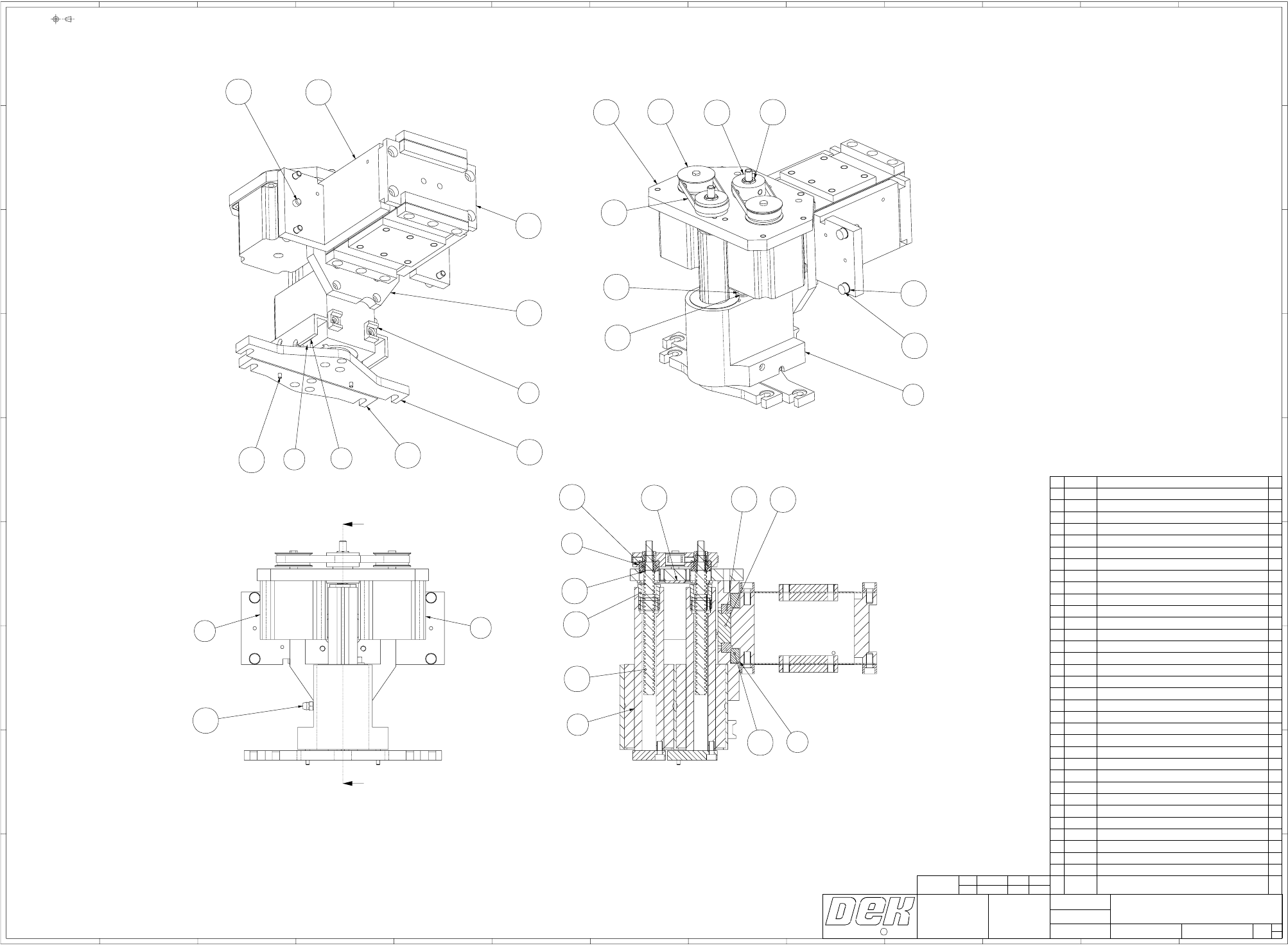
16 Mechanical Drawings
156007 Issue 4 Camera Axis GA Horizon
54321
A
B
CC
B
A
12345
67
8
910
11 12
13
6
7
8
9
10 11
12
13
D
E
F
G
H
I
D
E
F
G
H
I
PROJECTION
DRAWN
APPROVED
DATE
C
COPYRIGHT
DO NOT SCALE
SCALE
TITLE
DRAWING NUMBER
2001
BOM NUMBER
ITEM PART NO. DESCRIPTION QTY.
1
107141 KEY 4X4X15. 1
2
107330 BEARING 2
3
107334 MOTOR MOUNTING PLATE 1
4
107335 BEARING HOUSING 2
5
107339 DRIVE SHAFT 1
6
107584 BEARING HOUSE MTG PLATE 1
7
107587 KEY 5.0 SQ x 45.0 LG 2
8
107706 VANE HALL EFFECT 1
9
112332 RIBBON CABLE CLAMP 8
10
112414 CABLE TIE CLAMP 3
11
112664 EARTHING STUD 1
12
117068 DOUBLE BRACKET CONNECTOR 1
13
117320 BRACKET, 2 WAY 1
14
119543 EXTENDED LOCKING POST 2
15
119616 BRCK CONNECTOR LH 1
16
129012 LOCKING POST, STD 2
17
129126 RAIL SUPPORT 1
18
129200 BRACKET MOTOR MOUNTING 1
19
129266 BELT BRACKET LH 1
20
129271 PULLEY BRACKET 1
21
129301 PULLEY POST 1
22
129346 BALL BEARING - DEEP GROOVE 2
23
145399 'Y' CAMERA BELT CLAMP (AT/ATP) 1
24
145400 'Y' CAMERA ADJUST BELT CLAMP (AT/ATP) 1
25
145509 'Y' MOTOR DRIVE PULLEY 1
26
145510 Y MOTOR TIMING BELT 1
27
145511 Y GEAR PULLEY 1
28
145512 'Y' DRIVE SHAFT PULLEY 2
29
145513 Y TRANSFER TIMING BELT 2
30
145515 MAIN Y AXIS TIMING BELT 2
31
145516 AXIS IDLE TIMING PULLEY 1
32
145517 'X' AXIS DRIVE PULLEY 1
33
145518 'X' AXIS TIMING BELT 1
34
145520 CAMERA Y MOTOR (S663 SCR 1000LD + CONNS) 1
35
145817 CAMERA X MOTOR (S240 1000LD, 5:1 20' ARC) 1
36
156214 CAMERA MOUNT, DRAG CHAIN 1
37
156450 BELT BRACKET RH 1
38
156864 HE BRACKET (CAMERA X) 1
39
158380 RAIL SUPPORT 1
40
158381 BELT BRACKET LH 1
41
165226 LINEAR BEARING - CAMERA 'X'. 1
42
700505 NUT M5 FULL ST.ST 1
43
700526 NUT M5 FULL BRASS 4
44
700657 WASHER PLASTIC 2
45
700658 WASHER SHOULDERED,NYLON 2
46
700852 SCREW M5X35 SKT. SET(GRUB) 1
47
E5304 HONEYWELL HALL-SW. 1
48
G1404 CLP EXT D1400/12 1
49
G5120 WASHER M5 BRASS FORM B 3
THIS DRAWING AND THE COPYRIGHT
IN IT, IS THE PROPERTY OF
DEK PRINTING MACHINES LIMITED
IT MAY NOT BE COPIED, REPRODUCED,
PUBLISHED OR DISCLOSED IN WHOLE
OR IN PART WITHOUT OUR WRITTEN
CONSENT.
1:2
ACR
CAMERA AXIS GA
23-Sep-98
156007
156295 ETC
SH 1
OF 1
A
0
LATEST
ISSUE
No. DATE DCR INITIAL
04 16/01/01 26553 GD
36
35
11
10
23
43
49
32
9
33
8
24
21
31
48
22
47
4
6
29
30
2
5
25
26
27
34
1
3
37
41
38
39
40
NOTE DISTANCE OF HOLES FROM END OF BEARING.
17
19
REFER TO INDIVIDUAL BOMS
FOR PART NUMBERS
13
14
12
16
44
45
18
20
42
46
15
28
7

Mechanical Drawings 17
156020 Issue 1 ProFlow Mechanism GA
54321
A
B
CC
B
A
12345
67
8
910
11 12
13
6
7
8
9
10 11
12
13
D
E
F
G
H
I
D
E
F
G
H
I
PROJECTION
DRAWN
APPROVED
DATE
C
COPYRIGHT
DO NOT SCALE
SCALE
TITLE
DRAWING NUMBER
1999
BOM NUMBER
X
X
ITEM PART NO. DESCRIPTION QTY.
1
112414 CABLE TIE CLAMP 2
2
137470 BULKHEAD UNION 4.0MM SELF SEAL 2
3
140327 SOLID STATE PUSH BUTTON SWITCH 1
4
145686 BEARING, ANGULAR CONTACT 1
5
155788 PROFLOW INTERFACE LOOM BOM 1
6
155804 STEPPER MOTOR, FRONT 1
7
155835 PROFLOW HOME LOOM BOM 1
8
156196 LEADSCREW 1
9
156220 LEADSCREW END NUT 1
10
156227 PULLEY, DIA. 6.35 BORE 1
11
156228 PULLEY, DIA. 12 BORE 1
12
156248 BEARING, CROSS ROLLER RB2508UUCC0 1
13
156249 BEARING CLAMP PLATE 1
14
156320 MOTOR SUPPORT PLATE 1
15
156321 ATTACHMENT PLATE 1
16
156324 LINEAR GUIDE 2
17
156370 BEARING RATAINING PLATE 1
18
156373 DRIVE PLATE 1
19
156374 SUPERNUT 1
20
156377 BEARING SPINDLE 1
21
156379 BEARING BLOCK 1
22
156399 WAISTED SCREW 4
23
156420 CONNECTOR PANEL 1
24
156461 SWITCH BRACKET 1
25
700511 NUT M6 HEX. LOCK ST.ST 1
26
700611 WASHER M5 CRINKLE BE/CU 4
27
700735 DOWEL 6DIA X 12LG H&G(GRD 1) 3
28
G1401 CLP EXT D1400/6 1
29
G4952C TIMING BELT 1
THIS DRAWING AND THE COPYRIGHT
IN IT, IS THE PROPERTY OF
DEK PRINTING MACHINES LIMITED
IT MAY NOT BE COPIED, REPRODUCED,
PUBLISHED OR DISCLOSED IN WHOLE
OR IN PART WITHOUT OUR WRITTEN
CONSENT.
1:1
R PIATEK
PROFLOW MECHANISM G.A.
05-Feb-99
156020
156313
SH 1
OF 1
A
0
LATEST
ISSUE
No. DATE DCR INITIAL
01 05-Feb-99 - RAP
M/TRAY 156402
T/TRAY 156403
F/BOM 156404
2
5
SECTION X-X
4
9
12
13
17
19
28
6
8
14
15
16
18
20
21
22
26
29
1
10
11
25
27
24
3
7

18 Mechanical Drawings
156197 Issue 4 Squeegee Mechanism GA
54321
A
B
CC
B
A
12345
67
8
910
11 12
13
6
7
8
9
10 11
12
13
D
E
F
G
H
I
D
E
F
G
H
I
PROJECTION
DRAWN
APPROVED
DATE
C
COPYRIGHT
DO NOT SCALE
SCALE
TITLE
DRAWING NUMBER
2000
BOM NUMBER
A
A
ITEM PART NO. DESCRIPTION QTY.
1
112414 CABLE TIE CLAMP 2
2
112545 DOWEL 3DIA X 12LG GRD 1 1
3
140327 SOLID STATE PUSH BUTTON SWITCH 2
4
145686 BEARING, ANGULAR CONTACT 2
5
155786 SQY'S HOME LOOM BOM 1
6
155804 STEPPER MOTOR, FRONT 1
7
155806 STEPPER MOTOR, REAR 1
8
156192 BALL SPLINE 2
9
156195 SPLINE SUPPORT BLOCK 1
10
156196 LEADSCREW 2
11
156199 FRONT SQUEEGEE FOOT 1
12
156200 REAR SQUEEGEE FOOT 1
13
156219 MOTOR SUPPORT PLATE 1
14
156220 LEADSCREW END NUT 2
15
156226 CLAMP PLATE, BEARING 1
16
156227 PULLEY, DIA. 6.35 BORE 2
17
156228 PULLEY, DIA. 12 BORE 2
18
156245 LINK PLATE 1
19
156248 BEARING, CROSS ROLLER RB2508UUCC0 1
20
156249 BEARING CLAMP PLATE 1
21
156251 BEARING SPINDLE 1
22
156276 LEADSCREW NUT 2
23
156277 GREASE NIPPLE, M6 STRAIGHT 2
24
156306 MOUNTING BRACKET 2
25
156384 SPRING BEAM GA 1
26
156399 WAISTED SCREW 4
27
700131 SCREW M5X8 CAP HD ST.ST 1
28
700511 NUT M6 HEX. LOCK ST.ST 2
29
700611 WASHER M5 CRINKLE BE/CU 4
30
700624 WASHER 2BA PLAIN LARGE T2 ST.ST 1
31
700735 DOWEL 6DIA X 12LG H&G(GRD 1) 2
32
700743 DOWEL 3DIA X 10LG H&G(GRD 1) 2
33
G1140 BELT 2
34
G1401 CLP EXT D1400/6 2
THIS DRAWING AND THE COPYRIGHT
IN IT, IS THE PROPERTY OF
DEK PRINTING MACHINES LIMITED
IT MAY NOT BE COPIED, REPRODUCED,
PUBLISHED OR DISCLOSED IN WHOLE
OR IN PART WITHOUT OUR WRITTEN
CONSENT.
1:1
R PIATEK
SQUEEGEE MECHANISM G.A.
04-Feb-99
156197
156312
SH 1
OF 1
A
0
LATEST
ISSUE
No. DATE DCR INITIAL
04 29-JUN-00 26286 RAP
M/TRAY 156314
T/TRAY 156400
F/BOM 156401
23
6
7
SECTION A-A
4
10
14
15
19
20
21
22
34
8
2
1
3
11
12
18
24
25
31
32
5
9
13
16
17
26
27
28
29
30
33