SW1002_user_manual_chi_20191017H.pdf - 第137页
133 SW9001 2 /4 (1) 23 ° C 5 ° C 80% RH 0 m SW9001 – …

132
SW9001 2 /4
22 2 / 11 4
2 /4
5 ms (OPEN) / 5 ms (CLOSE)
11 ms
HIGH – LOW DC 60 VAC 30 V rms42.4 V
peak
HIGH – LOW DC 1 AAC 1 A rms
HIGH – LOW 30 W
DC 60 V
60 V
*
1
5 µV TERMINAL 1TERMINAL 2 SENSE
HIGH–LOW
1.5
Ω
SW1001SW1002 TERMINAL 1
0.7
Ω
SW1001SW1002 TERMINAL 2TERMINAL 3
DC 60 V
HIGH – LOW 1 G
Ω
1 G
Ω
– 1 G
Ω
*
2
HIGH – LOW 3000 pF
100 pF
– 1000 pF
5000
30 V
1.2 µF + 60
Ω
500 mA
1000
DC 1.6 A DC 4.0 A
TERMINAL 1 LOW/TERMINAL 2 SOURCE LOW/TERMINAL 3 SENSE /
TERMINAL 1 LOW + TERMINAL 3 SENSE
/GND/
10
D-sub 50 #4-40 UNC
*1
(CLOSE) 1
*2 SW9001 12 SW1002 100 kHz

133
SW9001 2 /4
(1)
23
°
C5
°
C80% RH
0 mSW9001
–
(2)
= +
(3)
BT3562BT3563 L2108
R 3 m
Ω
0.1% f.s. -
R 30 m
Ω
300
Ω
0.03% f.s. -
R 3000
Ω
3.0% rdg. 0.03% f.s.
V 5 µV*
(CLOSE) 1
3561 L2108
R 0.03% f.s. -
V
5 µV*
(CLOSE) 1
DM7275DM7276 L4930
V 7 µV*
(CLOSE) 1
*
11

134
SW9001 2 /4
H
L
H
L
H
L
H
L
H
L
H
L
H
L
H
L
H
L
H
L
H
L
H
L
SENSE
SOURCE
SENSE
TERMINAL 2, 3
SENSE
TERMINAL 2, 3
SOURCE
TERMINAL 3
SOURCE SHIELD
TERMINAL 1
SENSE
SHIELD
・
・
・
・
・
・
BT3562
Chassis
TERMINAL 3
SENSE SHIELD
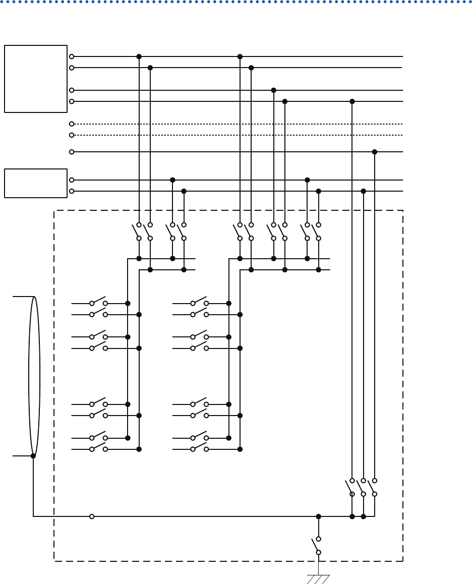
SW9001 Multiplexer Module 2-Wire 22CH/4-Wire 11CH
DM7276
SENSE (2W) : CH12 – CH22
SENSE (4W) : CH1 – CH11
SENSE (2W) : CH1 – CH11
SOURCE (4W) : CH1 – CH11
SW9001 2W 22CH/4W 11CH