SW1002_user_manual_chi_20191017H.pdf - 第61页
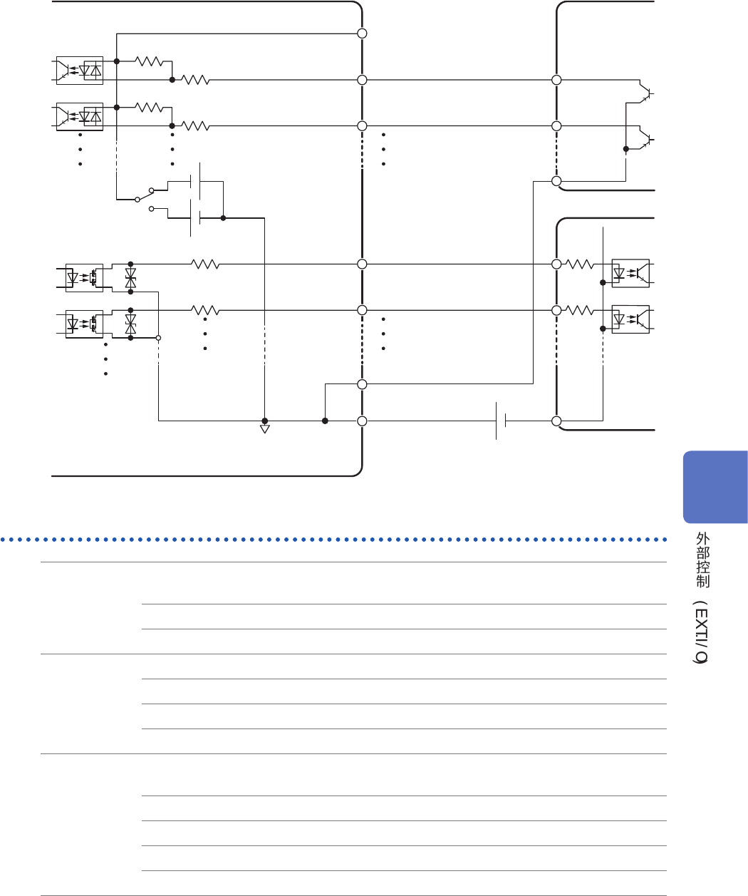
57 PNP ISO_COM PLC 1 3 ISO_5 V 1 SCAN 6 SCAN_RESET 4 CLOSE 8 ISO_COM PLC 2 k Ω 1 k Ω 10 Ω �…

56
7.5
NPN
PLC
1
3
ISO_5 V
1
SCAN
6
SCAN_RESET
4
CLOSE
8
ISO_COM
PLC
2 k
Ω
1 k
Ω
10
Ω
30 V
NPN
EXT.I/O MODE
selector
5 V
30 V max.

57
PNP
ISO_COM
PLC
1
3
ISO_5 V
1
SCAN
6
SCAN_RESET
4
CLOSE
8
ISO_COM
PLC
2 k
Ω
1 k
Ω
10
Ω
30 V
PNP
EXT.I/O MODE
selector
5 V
30 V max.
/
ON 1 V ON 4 mA
OFF OPEN 100 µA
DC 30 V max.
50 mA/
1 V 50 mA / 0.5 V 10 mA
+4.2 V +5.8 V
-4.2 V -5.8 V
100 mA
DC 50 VAC 30 V rmsAC 42.4 V peak
7

58
ISO_COM
NPN
ISO_COM
NPN
PLC
ISO_COM
ISO_COM
NPN PNP
PLC NPN PLC PNP