SW1002_user_manual_chi_20191017H.pdf - 第59页
55 (2) SCAN_RESET (OPEN) SCAN SCAN OFF SCAN_RESET OFF OFF CLO…

54
7.4
ON/OFF
(PNP) HIGH LOW EXT.I/O (NPN)
HIGH LOW
(1)
SCAN
ON OFF ON
CLOSE
SCAN
T1
T2
ON
ON
ON
T3 T4
T5
(CLOSE)
(OPEN)
(CLOSE)
CLOSE (CLOSE) OFF
CLOSE SCAN

55
(2)
SCAN_RESET
(OPEN)
SCAN
SCAN
OFF
SCAN_RESET
OFF
OFF
CLOSE
ON
ON OFF
ON
T6
n n+1 n+2
(OPEN)
(OPEN)
T1 SCAN 1 ms
T2 OPEN SW9001 5 msSW9002 5 ms
T3
CLOSE SW9001 5 msSW9002 5 ms
T4
0 ms 9999 ms
T5 CLOSE 1 ms 100 ms
:IO:PULSe:TIME
T6 SCAN_RESET 1 ms
7

56
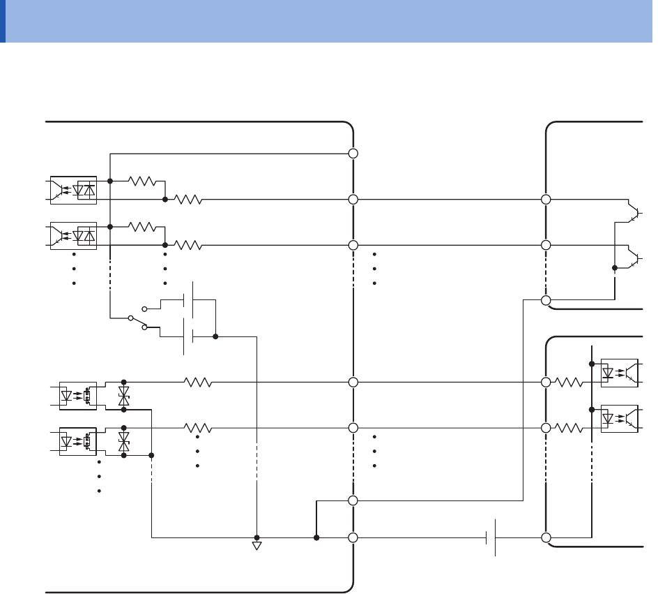
7.5
NPN
PLC
1
3
ISO_5 V
1
SCAN
6
SCAN_RESET
4
CLOSE
8
ISO_COM
PLC
2 k
Ω
1 k
Ω
10
Ω
30 V
NPN
EXT.I/O MODE
selector
5 V
30 V max.