SW1002_user_manual_chi_20191017H.pdf - 第63页
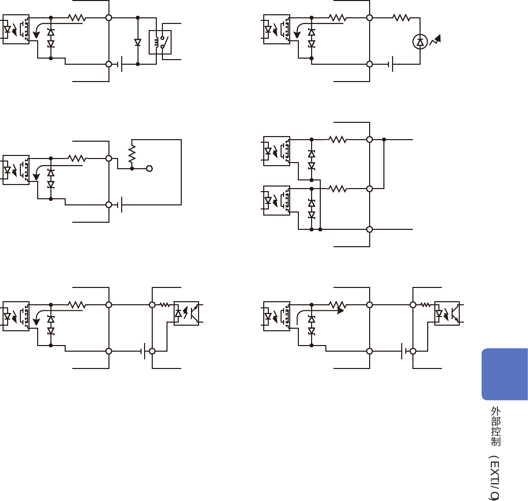
59 ISO_COM ISO_COM 50 mA max. 50 mA max. 30 V max. 50 mA max. ISO_COM ISO_COM ISO_COM ISO_COM �…

58
ISO_COM
NPN
ISO_COM
NPN
PLC
ISO_COM
ISO_COM
NPN PNP
PLC NPN PLC PNP

59
ISO_COM
ISO_COM
50 mA max. 50 mA max.
30 V max.
50 mA max.
ISO_COM
ISO_COM
ISO_COM
ISO_COM
PLC
50 mA max.
50 mA max.
PLC
LED
WIRED OR
PLC
PLC
7
60