N7205A122B.pdf - 第181页

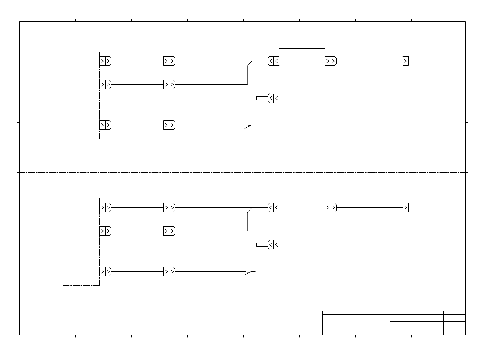
POWER UNIT -A02 CARTF4R/CARTR4R -K365 CARTF5R/CARTR5R C2 C1 NF3ACE CN20 CNFP Front Side Rear Side -K365 C2 C1 NF3ACE CN20 CNFP 1 2 N610135234**:Main Body wiring CARTF1 CARTF2 CARTR1 CARTR2 CARTF4R/CARTR4R CARTF5R/CARTR5R…

100%1 / 264