N7205A122B.pdf - 第26页
在线预览 N7205A122B.pdf PDF 文档。

1.
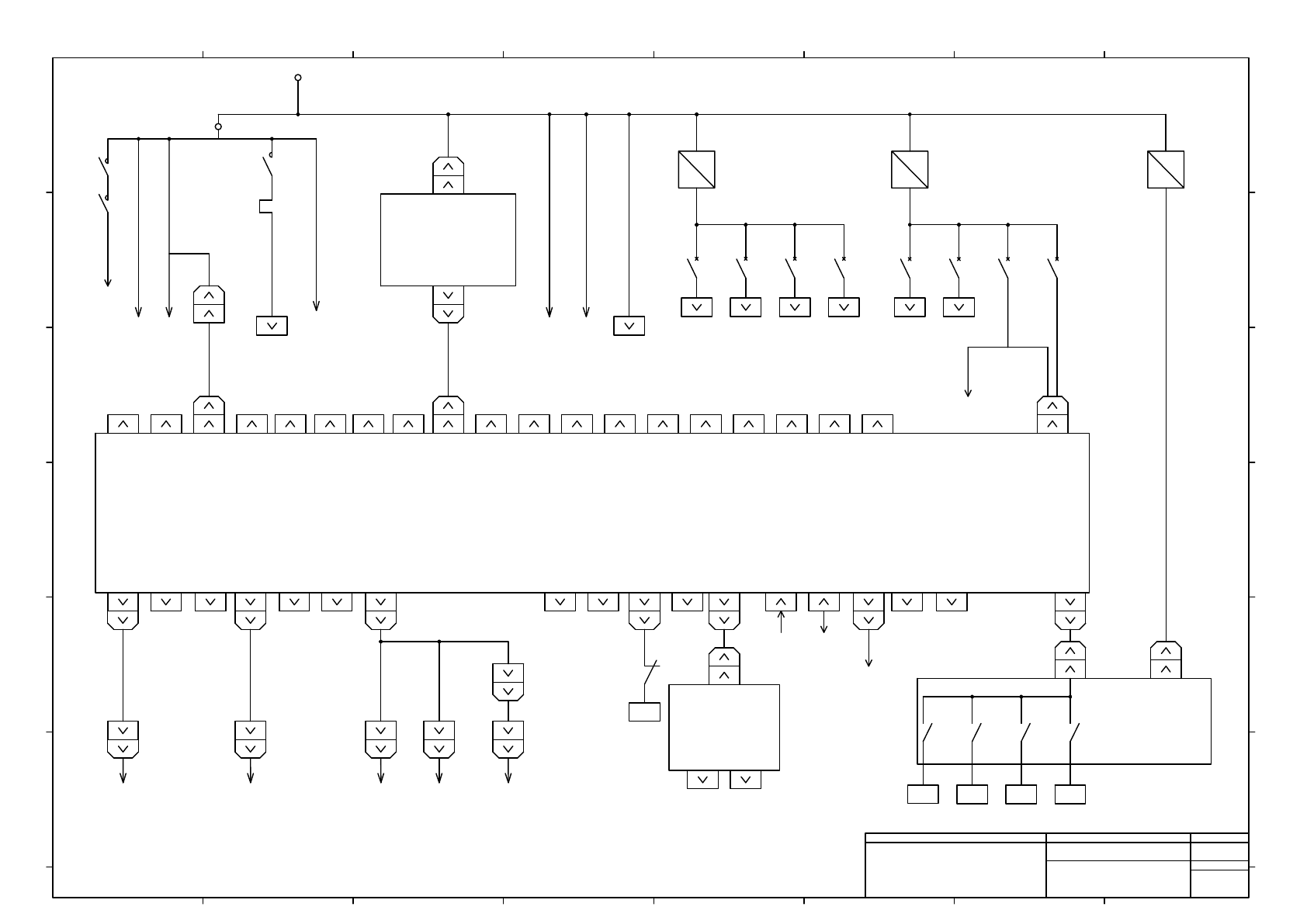
CONTROL BOX DIAGRAM
コントロール BOX 配線図
1-2 POWER UNIT
パワーユニット
EJM(B-10-102-00

PNF0B4
ILK Board #1
CNX1
CN-FANA
CNTM-UP
CNEXL
-M/S
CNEXR
-M/S
CNHOUR
Safety
Connection
G9SC-PF
CNEMGCOV
Opening Sensor
OPT1
(RX)
CNMC2
-K321
-X111
3~200V
CN1
CNX2
-T121
AC200
DC24
Front
Tray
Feeder
CNTL
OPT2
(TX)
CNMC
3,4,5
CNSR1
-K122
CN2 CN3
CN1
CN00,
CN01
CNAIR
CNPATO CNVLB
Pump
CARTF2 CARTR2
HEAD1PW LC1,LC2
-K223
Cooling
Fan
CHIP
1,2
CHNG
1,2
CNRLY1
-T122
AC200
DC24
CN-PWRM
-K223
CNPLED
CN-FAN
B,C
EXTOT2
CN
1,5,6,7
CNTR
1,2
CN3D CN-CART
CNDU
-P/S
CN-LED CNDAM
1,2
CNSRV CNFDCOV CNMC1
-T123
AC200
DC24
HEAD2PW
B4010AC
-K323
-K221
-K222
-K231
PNF0AN
Power Failure Sub
Board
-F129 -F127
CN24V
Safety Relay
-K121
CN1
CN2
-K222 Rear
Tray EMG
-K221
Front
Tray EMG
NCIO
CN7
ILK#2
OPT1
-F126
LCVL
ILK#2
CNEMGCOV
Inspection
Box
Main Air
Valve
G9SC-400-CNP4E
CPU
Box
1G111P
EXTOT1
CN24V
P003 3B
CNEMGF/R
EMG SW
Safety Cover
(Front/Rear)
CNFDCVFP/RP
Tray Feeder Detection 1~4
Feeder Safety Cover 1~4
CARTF1,2 CARTR1,2
Cart Unit
(Front)
Cart Unit
(Rear)
CART3F/R
Tray Unit
(Front/Rear)
P003 1A
-X113
Rear
Tray
Feeder
P003 2B
-K223
-F125
-F128 -F124 -F123
-F122
Panasonic Factory Solutions Co.,Ltd. パナソニック ファクトリーソリューションズ株式会社
Name
Drawing No.
Loc. No.
F4K1020-05A
1
2 3 4 5 6 7 8
A
B
C
D
E
F
1 2 3 4 5 6 7 8
A
B
C
D
E
F
Page. No.
Power Unit Wiring:NPM-TT2
(Block Diagram 1)
MTKA005509+002AA
P002
1CART3
CNUP
1,2
CNTM
1,2