N7205A122B.pdf - 第49页

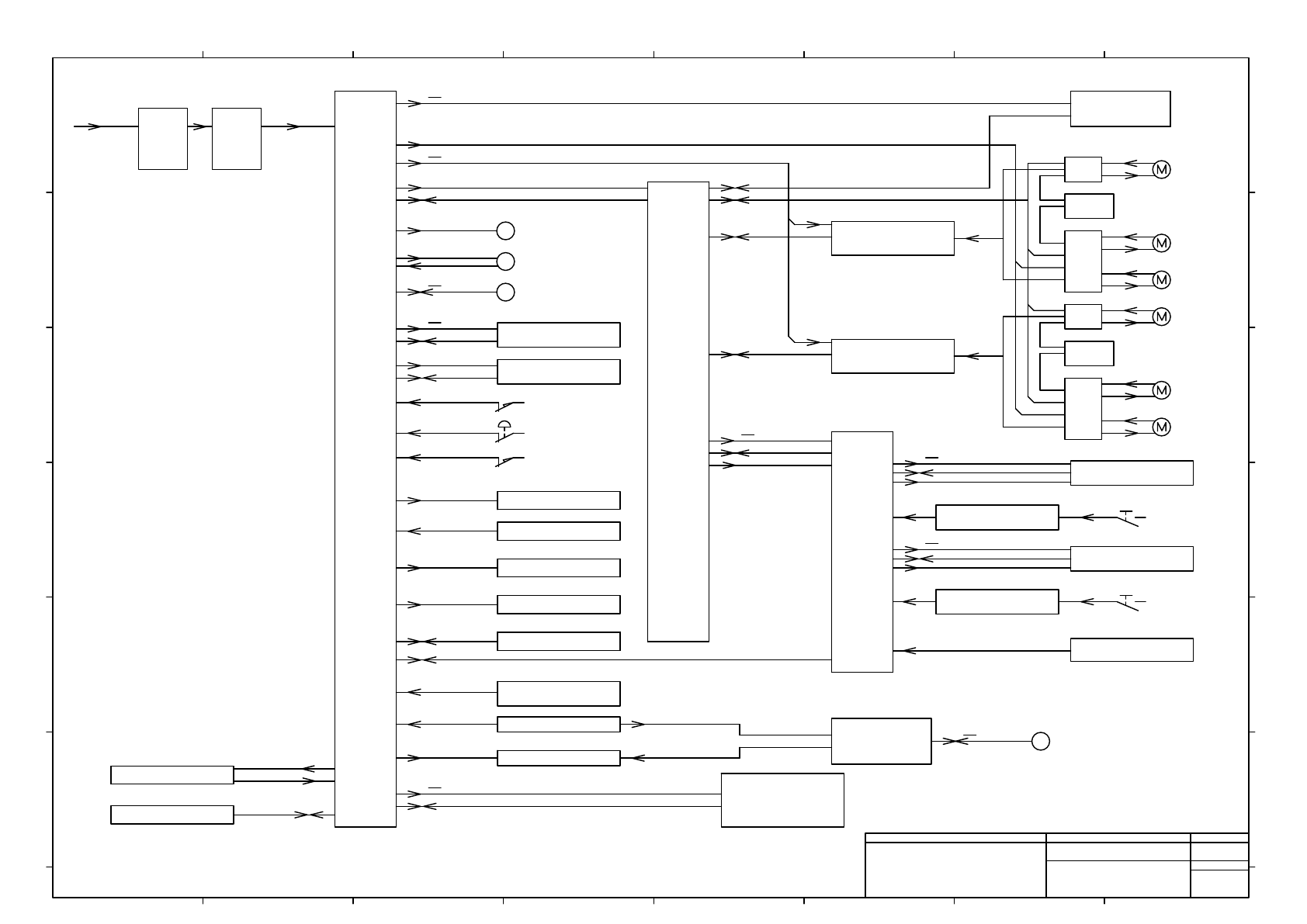
M Vacuum Pump -G201 Line Signals EMG SW -S201,-S202 Head -S101,-S103 Main SW System Breaker Trans 3~ 200 V Power Unit -A02 CPU Box -A01 3~ 200 V M 1~ 200 V Pump Cooling Fan -G111 Cart Unit (Front,Rear) -F101 24 V 1~ 200 …

100%1 / 264