N7205A122B.pdf - 第63页

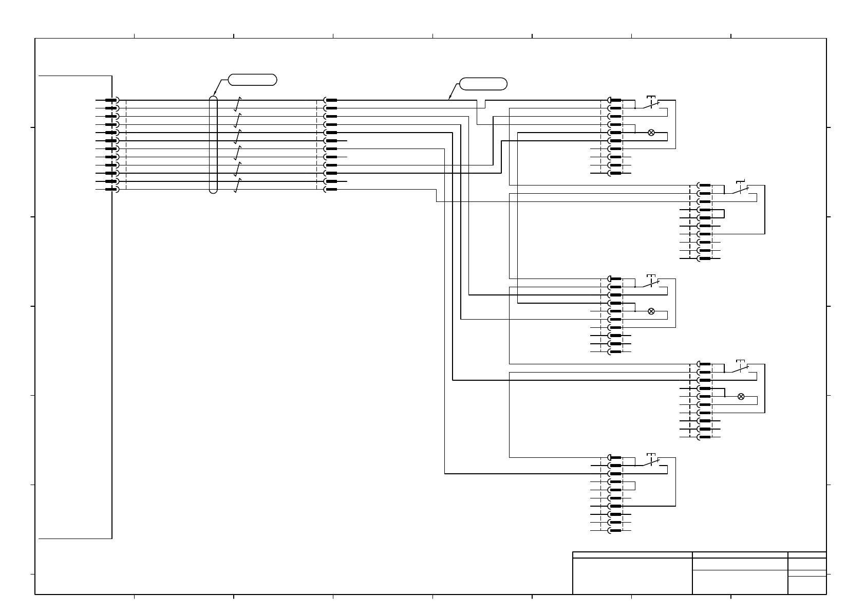
-A02 Power Unit -K321 PNF0B4 ILK Board #1 CN-SRV IN046 G24 -K328 PNF0A5 CN11 1 2 3 4 5 6 7 8 G12 START SWF G12 CONNECTION STATUS SWF P12 START LPF P12 CONNECTION STATUS LPF CN15 SERVO COM 9 10 11 12 13 14 15 16 G12 START…

100%1 / 264