JAKA Zu sp使用手册 -英文版.pdf - 第11页
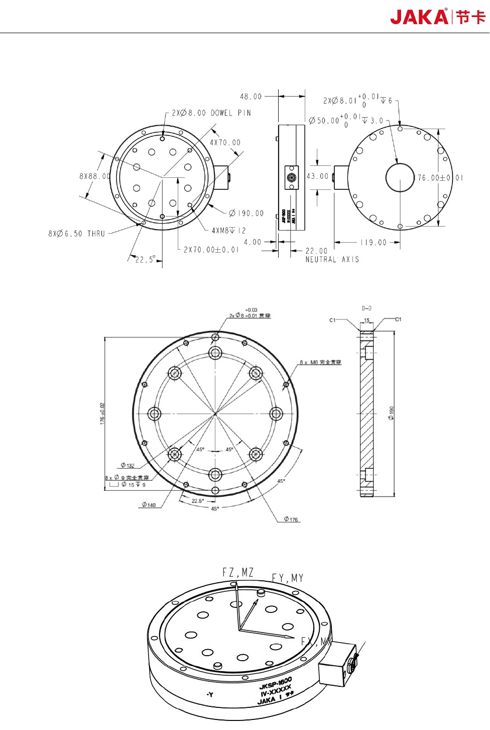
JAKA Zu Sp 1 1 Chapter 6 Sensor Size of Eac h type of JAK A zu sp 6.1 JAKA Zu3 s p 图 8. F/T S ensor 2-D drawing 图 9. Flange 2-D drawing 图 10. Coordinate system of F /T senso r

10 JAKA Zu Sp
e. F/T sensor initialization is recommended at intervals. As figure 7 shown, three program instructions are
needed. 【Turn on constant force compliance control】 initialization, all parameters are set 0 and no boxes
are checked in 【Constant force compliance parameter setting】,【wait】 1 second.
Fig 7. F/T sensor initialization
Table 1. The reference tightening torque for screws
Metric System
British System
Reference
values(Nm)
M3
#6
2.00
M4
#8
4.00
M5
#10
8.00
M6
1/4’’
13.00
M8
5/16’’
35.00
M10
3/8’’
45.00

JAKA Zu Sp 11
Chapter 6 Sensor Size of Each type of JAKA zu sp
6.1 JAKA Zu3 sp
图 8. F/T Sensor 2-D drawing
图 9. Flange 2-D drawing
图 10.
Coordinate system of F/T sensor

12 JAKA Zu Sp
6.2 JAKA Zu7 sp
图 8. F/T Sensor 2-D drawing
图 9. Flange 2-D drawing
图 10. Coordinate system of F/T sensor